Karcher 1.012-900.0 - Manuel d'utilisation

Karcher 1.012-900.0

Aspirateur Karcher 1.012-900.0 - Manuel d'utilisation, à lire gratuitement en ligne au format PDF. Nous espérons que cela vous aidera à résoudre toutes les questions que vous pourriez avoir. Si vous avez encore des questions, contactez-nous via le formulaire de contact.

1 Page 1
2 Page 2
3 Page 3
4 Page 4
5 Page 5
6 Page 6
7 Page 7
8 Page 8
9 Page 9
10 Page 10
11 Page 11
12 Page 12
13 Page 13
14 Page 14
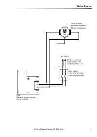
15 Page 15
16 Page 16
17 Page 17
18 Page 18
Page: / 18

Table des matières:

  • Page 3 – Destiné à un usage Commercial
  • Page 4 – Étiquette de données de la machine; Enregistrement de la garantie; Pour enregistrer votre produit, consultez :
  • Page 6 – Comment utiliser ce manuel; Symboles utilisés dans ce manuel :
  • Page 7 – Sécurité; CONSIGNES DE SÉCURITÉ IMPORTANTES; Lorsque vous utilisez cette machine, les précautions de base; LIRE TOUTES LES INSTRUCTIONS AVANT D'UTILISER CETTE MACHINE.; LIRE ET CONSERVER CES INSTRUCTIONS
  • Page 8 – INSTRUCTIONS DE MISE À; Caractéristiques électriques; Ensemble de cordon
  • Page 9 – Opération; Contenu de la boîte; Cet outil n'est pas contenu dans le jeu founi!; Pièces de Rechange
  • Page 10 – Assemblage
  • Page 12 – Installation du Sac Filtrant
  • Page 13 – Utilisation du RANGER
  • Page 14 – Entretien; Entretien et maintenance
  • Page 15 – Dépannage et soutien; Alimentation électrique
Téléchargement du manuel

14

Notes

86452440 Manual Ranger 12 120V 60Hz

„Téléchargement du manuel“ signifie que vous devez attendre que le fichier soit complètement chargé avant de pouvoir le lire en ligne. Certains manuels sont très volumineux, et le temps de chargement dépend de la vitesse de votre connexion Internet.

Résumé

Page 3 - Destiné à un usage Commercial

8.645-244.0-B 1 1 /1 0/ 22 Ranger L'aspirateur Mode d'emploi (Français) Modèle: 1.012-900.0 Ranger 120V/60Hz Du numéro de série. #CC0507279 Si le numéro de série ne figure pas dans la liste, contactez le fabricant Destiné à un usage Commercial

Page 4 - Étiquette de données de la machine; Enregistrement de la garantie; Pour enregistrer votre produit, consultez :

2 Modèle : Date d’achat : Numéro de série : Détaillant : Adresse : Numéro de téléphone : Représentant commercial: 86452440 Manual Ranger 12 120V 60Hz Étiquette de données de la machine Enregistrement de la garantie Merci d'avoir acheté un produit Kärcher North America. L'enregistrement de la garanti...

Page 6 - Comment utiliser ce manuel; Symboles utilisés dans ce manuel :

4 Comment utiliser ce manuel Ce manuel contient les sections suivantes: • Comment utiliser ce manuel • Sécurité • Opérations • Entretien • Liste des pièces La section COMMENT UTILISER CE MANUEL vous dira comment trouver des informations importantes pour commander les pièces de rechange correctes. Le...

Autres modèles de aspirateurs Karcher

Tous les aspirateurs Karcher