KitchenAid KDTM704KPS - Notice d'Installation

Lave-vaisselle KitchenAid KDTM704KPS - Notice d'Installation, à lire gratuitement en ligne au format PDF. Nous espérons que cela vous aidera à résoudre toutes les questions que vous pourriez avoir. Si vous avez encore des questions, contactez-nous via le formulaire de contact.
Table des matières:
- Page 3 – SÉCURITÉ DU SYSTÈME DE VENTILATION; Votre sécurité et celle des autres est très importante.; AVERTISSEMENT
- Page 4 – IMPORTANTES INSTRUCTIONS DE SÉCURITÉ; LIRE ET CONSERVER CES INSTRUCTIONS
- Page 5 – EXIGENCES D'INSTALLATION; Outils et pièces; Outillage nécessaire; Exigences d'emplacement; Installation dans une résidence mobile
- Page 8 – Spécifications électriques; Exigences concernant l'évacuation; Longueur recommandée pour le système d’extraction :
- Page 9 – Méthodes d'évacuation
- Page 10 – Calcul de la longueur effective du circuit d'évacuation; Exemple de circuit d'évacuation
- Page 11 – Installation du conduit d'évacuation; Évacuation par le bas :
- Page 12 – Sortie par le côté gauche ou le côté droit :; Montage du ventilateur à l'arrière
- Page 13 – Achever l'installation; Clapet anti-retour de 3
- Page 15 – Raccordements électriques
- Page 16 – Contrôle du fonctionnement
- Page 20 – Préparation du système de ventilation en ligne; Installation du système de ventilation en ligne
- Page 21 – Achever la préparation; Raccordements électriques du système de
- Page 24 – UTILISATION DU SYSTÈME D'EXTRACTION; Utilisation du système d'extraction par le bas
- Page 25 – ENTRETIEN DU SYSTÈME D'ÉVACUATION; Surface du système d'extraction par le bas; Filtres
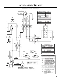
- Page 26 – SCHÉMAS DE CÂBLAGE; Ventilateur monté à l'intérieur
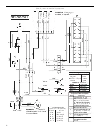
- Page 27 – Ventilateur monté à l'extérieur
- Page 28 – ASSISTANCE OU SERVICE; Si vous avez besoin de pièces de rechange; Au Canada; Pour plus d’assistance; Accessoires; Pour les modèles de série KXD4630
- Page 29 – GARANTIE DU SYSTÈME DE VENTILATION KITCHENAID
30" (76.2 CM) AND 36" (91.4 CM)
RETRACTABLE (POP-UP) DOWNDRAFT VENT
SYSTEM
Installation Instructions and Use & Care Guide
For questions about features, operation/performance, parts, accessories or service, call: 1-800-422-1230
In Canada, for assistance, installation and service, call: 1-800-807-6777
or visit our website at...
www.kitchenaid.com or www.KitchenAid.ca
SYSTÈME DE VENTILATION RÉTRACTABLE
(CLAPET) DE 30" (76,2 CM) ET 36" (91,4 CM) -
ASPIRATION PAR LE BAS
Instructions d’installation et Guide d’utilisation et d’entretien
Au Canada, pour assistance, installation ou service composez le 1-800-807-6777
ou visitez notre site web à...
www.KitchenAid.ca
Table of Contents/Table des matières ............................................................................ 2
LI3ZTB/W10342489D
IMPORTANT: READ AND SAVE THESE INSTRUCTIONS.
FOR RESIDENTIAL USE ONLY.
IMPORTANT : LIRE ET CONSERVER CES INSTRUCTIONS.
POUR UTILISATION RÉSIDENTIELLE UNIQUEMENT.
„Téléchargement du manuel“ signifie que vous devez attendre que le fichier soit complètement chargé avant de pouvoir le lire en ligne. Certains manuels sont très volumineux, et le temps de chargement dépend de la vitesse de votre connexion Internet.
Autres Manuels pour KitchenAid KDTM704KPS
Résumé
28 SÉCURITÉ DU SYSTÈME DE VENTILATION Risque possible de décès ou de blessure grave si vous ne suivez pas immédiatement les instructions. Risque possible de décès ou de blessure grave si vous ne suivez pas les instructions. Tous les messages de sécurité vous diront quel est le danger potentiel et vo...
29 IMPORTANTES INSTRUCTIONS DE SÉCURITÉ LIRE ET CONSERVER CES INSTRUCTIONS AVERTISSEMENT : POUR RÉDUIRE LE RISQUE D'INCENDIE, CHOC ÉLECTRIQUE OU DOMMAGES CORPORELS, RESPECTER LES INSTRUCTIONS SUIVANTES : ■ Utiliser cet appareil uniquement dans les applications envisagées par le fabricant. Pour toute...
30 EXIGENCES D'INSTALLATION Outils et pièces Rassembler les outils et pièces nécessaires avant d’entreprendre l’installation. Lire et observer les instructions fournies avec chacun des outils de la liste ci-dessous. Outillage nécessaire ■ Scie sauteuse ou scie à guichet ■ Perceuse ■ Foret de ¹⁄₈ ...