Page 2 - Your safety and the safety of others are very important.; DANGER
2 TABLE OF CONTENTS VENT SYSTEM SAFETY................................................................. 2 INSTALLATION REQUIREMENTS ................................................ 4 Tools and Parts ............................................................................ 4Location Requirements ....
Page 4 - SÉCURITÉ DU SYSTÈME DE VENTILATION; Votre sécurité et celle des autres est très importante.; AVERTISSEMENT
19 SÉCURITÉ DU SYSTÈME DE VENTILATION Risque possible de décès ou de blessure grave si vous ne suivez pas immédiatement les instructions. Risque possible de décès ou de blessure grave si vous ne suivez pas les instructions. Tous les messages de sécurité vous diront quel est le danger potentiel et vo...
Page 5 - IMPORTANTES INSTRUCTIONS DE SÉCURITÉ; LIRE ET CONSERVER CES INSTRUCTIONS
20 IMPORTANTES INSTRUCTIONS DE SÉCURITÉ LIRE ET CONSERVER CES INSTRUCTIONS AVERTISSEMENT : POUR RÉDUIRE LE RISQUE D'INCENDIE, CHOC ÉLECTRIQUE OU DOMMAGES CORPORELS, RESPECTER LES INSTRUCTIONS SUIVANTES : ■ Utiliser cet appareil uniquement dans les applications envisagées par le fabricant. Pour toute...
Page 6 - EXIGENCES D’INSTALLATION; Outils et pièces; Outillage nécessaire; Exigences d’emplacement; Configuration du placard :
21 EXIGENCES D’INSTALLATION Outils et pièces Rassembler les outils et pièces nécessaires avant d’entreprendre l’installation. Lire et observer les instructions fournies avec chacun des outils de la liste ci-dessous. Outillage nécessaire ■ Scie sauteuse ou scie à guichet ■ Perceuse ■ Foret de ¹⁄₈ ...
Page 9 - Spécifications électriques; Exigences concernant l'évacuation; Installations dans les régions au climat froid
24 Spécifications électriques Observer les dispositions de tous les codes et règlements en vigueur. S'assurer que l’installation électrique est correcte et qu'elle satisfait aux exigences de la plus récente édition de la norme National Electrical Code, ANSI/NFPA 70, ou de la norme CSA C22. 1-94, Cod...
Page 10 - INSTRUCTIONS D'INSTALLATION; Méthodes d’évacuation; Configuration en meuble intégré
25 INSTRUCTIONS D'INSTALLATION Méthodes d’évacuation Déterminer la méthode d’évacuation la plus appropriée. La sortie à l’extérieur du circuit d’évacuation peut se faire à travers le plancher ou à travers un mur. Configuration en îlot REMARQUE : Pour les configurations en îlot, un ventilateur monté ...
Page 11 - Exemple de circuit d’évacuation; Installation du conduit d’évacuation
26 Pour calculer la longueur effective du circuit d’évacuation nécessaire, additionner les longueurs équivalentes (en pieds ou mètres) de tous les composants utilisés dans le circuit. Exemple de circuit d’évacuation Dans l’exemple suivant, la longueur effective du circuit est inférieure au maximum d...
Page 12 - Évacuation par le bas :
27 4. Installer sur la caisse du système d’extraction les équerres droite et gauche de montage sous le plan de travail. Insérer les encoches en trou de serrure dans les languettes guides et pousser les équerres vers le haut pour les fixer. 5. Fixer les embouts à droite et à gauche sur la caisse du s...
Page 13 - Sortie par le côté gauche ou le côté droit :; Montage du ventilateur à l'arrière; Vue de face
28 Sortie par le côté gauche ou le côté droit : 1. À deux personnes ou plus, poser l’arrière du système d’extraction par le bas face au sol. 2. Retirer les 4 vis du couvercle monté à l’avant de la caisse du moteur et les mettre de côté. 3. Faire glisser le couvercle vers le haut et le sortir des vis...
Page 14 - Achever l’installation; Clapet anti-retour de 3
29 4. Lever le couvercle d’épaisseur ¹⁄₄ " (6,4 mm) pour le sortir des vis à épaulement dans les encoches en trou de serrure et le mettre de côté. 5. Retirer les vis de la platine de montage du câble. 6. En maintenant la platine de montage du câble, sortir l’œillet. 7. Faire glisser le câblage p...
Page 15 - Raccordements électriques
30 2. Ôter les 4 vis du couvercle du boîtier de connexion. 3. Déterminer par quel côté (avant ou arrière) le câble d’alimentation domestique entre dans le boîtier de connexion. Ôter l’opercule approprié du panneau avant ou arrière et installer un connecteur de conduit de ¹⁄₂ " (12,7 mm) homologu...
Page 16 - Contrôle du fonctionnement; UTILISATION DU SYSTÈME D'EXTRACTION
31 2. Faire passer le câble d’alimentation à travers le connecteur de conduit et dans le boîtier de connexion. 3. Connecter le conducteur de terre vert (ou vert/jaune) au conducteur de terre vert ou jaune/vert à l’aide de connecteurs de fils homologués UL. Serrer la vis sur le connecteur de conduit....
Page 17 - Utilisation du système d'extraction par le bas; Lorsque la cuisson est terminée :; ENTRETIEN DU SYSTÈME D’ÉVACUATION; Surface du système d'extraction par le bas; Méthode de nettoyage :; Filtres
32 ■ Pour les tables de cuisson à gaz dotées du système de rallumage par détection de flamme, le système d'extraction rétractable pourrait disperser la flamme et l'éloigner de l'allumeur à étincelles, ce qui pourrait pousser ce dernier à jeter des étincelles continuellement afin d'essayer de rallume...
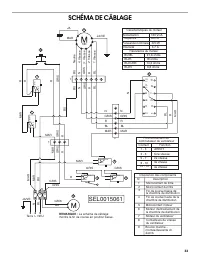
Page 18 - SCHÉMA DE CÂBLAGE
33 SCHÉMA DE CÂBLAGE S50 7 JA JA/VE MAR 9 2 Neutre 4˚ Vitesse 3˚ Vitesse 2˚ Vitesse 1˚ Vitesse R R R R R GRIS GRIS GRIS GRIS BU BU BU N N BL BL BL N R R MAR MAR MAR MAR MAR BU R GRIS N N GRIS GRIS R R BL BL MAR MAR MAR MAR GRIS GRIS GRIS GRIS GRIS R BU N BL JA/VE Terre L NEU SEL0015061 REMARQUE : Le...
Page 19 - ASSISTANCE OU SERVICE; Si vous avez besoin de pièces de rechange; Au Canada; Pour plus d’assistance; Accessoires
34 ASSISTANCE OU SERVICE Lors d’un appel pour assistance ou service, veuillez connaître la date d’achat, le numéro de modèle et le numéro de série complets de l’appareil. Ces renseignements nous aideront à mieux répondre à votre demande. Si vous avez besoin de pièces de rechange Si vous avez besoin ...