Page 3 - SÉCURITÉ DE LA HOTTE DE CUISINIÈRE; Votre sécurité et celle des autres est très importante.; AVERTISSEMENT
17 SÉCURITÉ DE LA HOTTE DE CUISINIÈRE Risque possible de décès ou de blessure grave si vous ne suivez pas immédiatement les instructions. Risque possible de décès ou de blessure grave si vous ne suivez pas les instructions. Tous les messages de sécurité vous diront quel est le danger potentiel et vo...
Page 4 - IMPORTANTES INSTRUCTIONS DE SÉCURITÉ; LIRE ET CONSERVER CES INSTRUCTIONS
18 IMPORTANTES INSTRUCTIONS DE SÉCURITÉ LIRE ET CONSERVER CES INSTRUCTIONS AVERTISSEMENT : POUR RÉDUIRE LE RISQUE D'INCENDIE, CHOC ÉLECTRIQUE OU DOMMAGES CORPORELS, RESPECTER LES INSTRUCTIONS SUIVANTES : ■ Utiliser cet appareil uniquement dans les applications envisagées par le fabricant. Pour toute...
Page 5 - EXIGENCES D'INSTALLATION; Outils et pièces; Exigences d’emplacement
19 EXIGENCES D'INSTALLATION Outils et pièces Rassembler les outils et pièces nécessaires avant d’entreprendre l’installation. Lire et observer les instructions fournies avec chacun des outils de la liste ci-dessous. Outils nécessaires ■ Niveau ■ Perceuse avec forets de 1¼" (3 cm), ³⁄₈ " (9,5...
Page 6 - Exigences concernant l'évacuation
20 Dimensions du produit * Installation avec décharge à l’extérieur uniquement ** Installation sans décharge à l’extérieur (recyclage) uniquement Dimensions d’installation IMPORTANT : Valeur minimale de la distance “C”: 24" (61 cm) à partir de la surface de cuisson électrique, 27" (68,6 cm) ...
Page 7 - Spécifications électriques
21 Installations dans une région à climat froid Dans le circuit d'évacuation, on devrait installer un clapet anti-reflux additionnel pour minimiser le reflux d'air froid, ainsi qu'un élément d'isolation thermique pour minimiser le transfert de chaleur par conduction vers l'extérieur. Le clapet anti-...
Page 8 - INSTRUCTIONS D’INSTALLATION; Préparation de l'emplacement
22 ■ Si le domicile est équipé d’un câblage en aluminium, suivre les instructions suivantes : 1. Connecter une section de câble en cuivre massif aux conducteurs en queue de cochon. 2. Connecter le câblage en aluminium à la section ajoutée de câblage en cuivre en utilisant des connecteurs et/ou des o...
Page 9 - Assemblage de la hotte
23 3. À l'aide d'un crayon, marquer au plafond l'emplacement des vis de montage, du point d'accès au câblage et du trou de passage du conduit. REMARQUE : Le montage de l'emplacement des trous doit se faire dans une structure de soutien du plafond capable de soutenir une charge de 80 lb (36,6 kg). Re...
Page 10 - Installation de la hotte; Raccordement électrique
24 Installation de la hotte Installation sans décharge à l’extérieur (recyclage) 1. Fixer le déflecteur d'air au support horizontal supérieur à l'aide des 4 vis de montage. 2. Mesurer la longueur nécessaire de conduit d’évacuation de 6" (15,2 cm) nécessaire pour le raccordement entre le raccord ...
Page 12 - Installation des cache-conduits; Achever l’installation
26 Installation des cache-conduits REMARQUE : Retirer le film protecteur des cache-conduits et de leurs supports verticaux. 1. Fixer les supports verticaux de cache-conduits à l'aide des 8 vis de 4 x 8 mm. 2. Installer la partie supérieure des cache-conduits en les faisant glisser et insérer 3 ongle...
Page 13 - UTILISATION DE LA HOTTE; Commandes de la hotte de cuisinière
27 UTILISATION DE LA HOTTE La hotte de cuisinière est conçue pour extraire fumée, vapeurs de cuisson et odeurs de la zone de la table de cuisson. Pour obtenir les meilleurs résultats, mettre le ventilateur de la hotte en marche avant d’entreprendre une cuisson, et laisser le ventilateur fonctionner ...
Page 14 - ENTRETIEN DE LA HOTTE; Nettoyage
28 ENTRETIEN DE LA HOTTE Nettoyage IMPORTANT : Nettoyer fréquemment la hotte et les filtres à graisse en suivant les instructions suivantes. Réinstaller les filtres à graisse avant de faire fonctionner la hotte. Surfaces externes : Afin d'éviter d'endommager la surface externe, ne pas utiliser de ta...
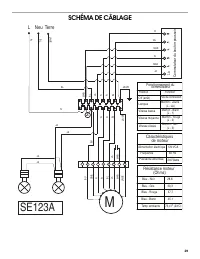
Page 15 - SCHÉMA DE CÂBLAGE; L Neu Terre; Comm; Caractéristiques
29 SCHÉMA DE CÂBLAGE SE123A z M BU JA/VE MAR JA BL R GRIS N BU JA/VE R N JA JA JA JA JA BL R N MAR JA/VE La L Neu Terre BL R N BL BL MAR JA MAR 1 2 3 4 5 6 7 8 9 MAR JA Comm utateur du bouton-poussoir JA/VE BL N BL N Off (arrêt) Lampes Vitesse basse Pas de connexion Marron - Jaune (L - LA) (L - 1) (...
Page 16 - ASSISTANCE OU SERVICE; Au Canada; Accessoires
30 ASSISTANCE OU SERVICE Lors d’un appel pour assistance ou service, veuillez connaître la date d’achat, le numéro de modèle et le numéro de série complets de l’appareil. Ces renseignements nous aideront à mieux répondre à votre demande. Si vous avez besoin de pièces de rechange Si vous avez besoin ...