Page 4 - SÉCURITÉ DE LA HOTTE DE CUISINIÈRE; Votre sécurité et celle des autres est très importante.; AVERTISSEMENT
16 SÉCURITÉ DE LA HOTTE DE CUISINIÈRE Risque possible de décès ou de blessure grave si vous ne suivez pas immédiatement les instructions. Risque possible de décès ou de blessure grave si vous ne suivez pas les instructions. Tous les messages de sécurité vous diront quel est le danger potentiel et vo...
Page 5 - IMPORTANTES INSTRUCTIONS DE SÉCURITÉ; LIRE ET CONSERVER CES INSTRUCTIONS
17 IMPORTANTES INSTRUCTIONS DE SÉCURITÉ LIRE ET CONSERVER CES INSTRUCTIONS AVERTISSEMENT : POUR RÉDUIRE LE RISQUE D'INCENDIE, CHOC ÉLECTRIQUE OU DOMMAGES CORPORELS, RESPECTER LES INSTRUCTIONS SUIVANTES : ■ Utiliser cet appareil uniquement dans les applications envisagées par le fabricant. Pour toute...
Page 6 - EXIGENCES D'INSTALLATION; Outils et pièces; Outils nécessaires; Exigences d’emplacement; Installation dans une résidence mobile
18 EXIGENCES D'INSTALLATION Outils et pièces Rassembler les outils et composants nécessaires avant d’entreprendre l’installation. Lire et observer les instructions fournies avec chacun des outils de la liste ci-dessous. Outils nécessaires ■ Niveau ■ Perceuse avec forets de 1¼" (3,0 cm), ³⁄₈ "...
Page 7 - Exigences concernant l’évacuation; (seulement pour un modèle avec décharge
19 Dimensions du produit *Pour installations sans décharge à l'extérieur (recyclage) **Pour installations avec décharge à l'extérieur Dimensions du placard *Installations sans décharge à l'extérieur (recyclage) IMPORTANT : Valeur minimale de la distance “X” : 24" (61 cm) à partir de la surface d...
Page 8 - Décharge par l'arrière
20 Installation dans une région à climat froid On doit installer un clapet anti-reflux additionnel pour minimiser le reflux d'air froid, et incorporer un élément d'isolation thermique pour minimiser la perte de chaleur par conduction par l'intermédiaire du circuit d'évacuation, de l'intérieur de la ...
Page 9 - Spécifications électriques
21 Spécifications électriques Observer les dispositions de tous les codes et règlements en vigueur. S'assurer que l’installation électrique est correcte et qu'elle satisfait aux exigences de la plus récente édition de la norme National Electrical Code, ANSI/NFPA 70, ou de la norme CSA C22. 1-94, Cod...
Page 10 - INSTRUCTIONS D'INSTALLATION; Préparation de l'emplacement; Installation des vis de montage de la hotte
22 INSTRUCTIONS D'INSTALLATION Préparation de l'emplacement ■ Il est recommandé d'installer le circuit d'évacuation avant de procéder à l'installation de la hotte. ■ Avant d’exécuter les découpages, vérifier la disponibilité d’un dégagement suffisant dans le plafond ou le mur pour le conduit d’évacu...
Page 11 - Achever la préparation; Installation de la hotte
23 Achever la préparation 1. Déterminer et effectuer tous les découpages nécessaires dans le mur pour le passage du circuit d’évacuation. Installer le circuit d’évacuation avant la hotte. Voir la section “Exigences concernant l'évacuation”. 2. Déterminer la hauteur appropriée pour le cordon d'alimen...
Page 12 - Raccordement électrique
24 2. Mesurer la distance entre le bas du déflecteur d'air et le bas de la sortie de la hotte. 3. Tailler le conduit à la taille mesurée “X”. 4. Retirer le déflecteur d’air. 5. Faire coulisser le conduit sur le bas du déflecteur d’air. 6. Placer le déflecteur d’air et le conduit assemblés sur la sor...
Page 13 - Installation des cache-conduits; Achever l’installation
25 6. Connecter ensemble les conducteurs noirs (C) à l'aide de connecteurs de fils (homologation UL). 7. À l'aide des connecteurs de fils (homologation UL), connecter le conducteur de liaison à la terre (vert ou nu) du câble d’alimentation du domicile aux 2 conducteurs jaune-vert de liaison à la ter...
Page 14 - UTILISATION DE LA HOTTE; Commandes de la hotte de cuisinière; Utilisation de la lampe
26 UTILISATION DE LA HOTTE La hotte de cuisinière est conçue pour extraire fumée, vapeurs de cuisson et odeurs de la zone de la table de cuisson. Pour obtenir les meilleurs résultats, mettre le ventilateur de la hotte en marche avant d’entreprendre une cuisson, et la laisser fonctionner pendant plus...
Page 15 - ENTRETIEN DE LA HOTTE; Nettoyage; Filtre à graisse métallique :
27 ENTRETIEN DE LA HOTTE Nettoyage IMPORTANT : Nettoyer fréquemment la hotte et les filtres à graisse en suivant les instructions suivantes. Réinstaller les filtres à graisse avant de faire fonctionner la hotte. Surfaces externes : Afin d'éviter d'endommager la surface externe, ne pas utiliser de ta...
Page 16 - Remplacement de la lampe à incandescence
28 Remplacement de la lampe à incandescence Éteindre la hotte; attendre le refroidissement de la lampe. Pour éviter d’endommager ou de réduire la longévité de l’ampoule neuve, ne pas toucher l’ampoule avec les doigts nus. Remplacer l’ampoule en la manipulant avec un mouchoir de papier ou des gants d...
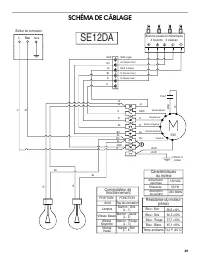
Page 17 - SCHÉMA DE CÂBLAGE; Neu; Caractéristiques
29 SCHÉMA DE CÂBLAGE S40 Boîtier de connexion L Neu Terre N BL MAR (Ligne) JA (Tension min.) GRIS (Lampes) R (Tension moy.) N (Tension max.) MAR BU JA BL R N JAJA N R BU BL BL BU BL MAR N Boutons-poussoirs mécaniques 4 boutons 3 vitesses SE12DA 12.5uF Tension max. Tension élevée Tension moyenne Tens...
Page 18 - ASSISTANCE OU SERVICE; Au Canada
30 ASSISTANCE OU SERVICE Si vous avez besoin de service Consulter la page de garantie du présent manuel. Si vous avez besoin de pièces de rechange Si vous avez besoin de commander des pièces de rechange, nous vous recommandons d'utiliser seulement des pièces spécifiées par l'usine. Les pièces spécif...
Page 19 - SI VOUS AVEZ BESOIN DE SERVICE :
31 11/14 GARANTIE LIMITÉE DES GROS APPAREILS MÉNAGERS WHIRLPOOL ® ATTACHEZ ICI VOTRE REÇU DE VENTE. UNE PREUVE D’ACHAT EST OBLIGATOIRE POUR OBTENIR L'APPLICATION DE LA GARANTIE. Lorsque vous appelez le centre d'eXpérience de la clientèle, veuillez garder à disposition les renseignements suivants : ■...