Miele APCL 019 - Manuels
Manuel d'utilisation Miele APCL 019




























































































































































Résumé
fr - Table des matières 58 français ............................................................................................................... 59 Votre contribution à la protection de l'environnement ....................................... 59Consignes de sécurité et mises en garde ................
fr - français 60 Consignes de sécurité et mises en garde La box XCI répond aux réglementations de sécurité en vigueur.Toute utilisation non conforme peut toutefois causer des dom-mages corporels et matériels. Commencez par lire le mode d'emploi et les instructions de mon-tage pour la box XCI. Vous y...
fr - français 62 Principe de fonctionnement La box XCI permet de raccorder desdispositifs externes de Miele oud'autres fabricants à une machine MieleProfessional. Il peut s'agir par exemplede monnayeurs, de systèmes de do-sage, de circuits de délestage, de cap-teurs de pression, de clapets d'évacua-...
fr - français 64 Légende des passe-câbles au chapitre« », Fig. a Passe-câbles b Orifice pré-percé c Contre-écrou d Pièce filetée e Bouchon à vis f Passe-câble avec vis Programmation Une fois la box XCI installée, il est né-cessaire d'autoriser les fonctionnalitésexternes sur la machine Miele ...
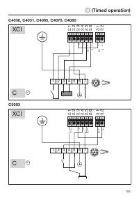
fr - français 65 Détection de jauge vide La détection de jauge vide doit être raccordée aux bornes 4.1 et 4.2. Celles-ci correspondent à une « très bassetension de protection » (classe de pro-tection III). Les consignes du fabricant du cap-teur doivent être respectées.Les câbles doivent être posés s...
fr - français 66 Tableau de capacité conductrice Fonction Re- pé- rage Signal Sens de trans- mission Capacité conduc- trice Description PE Conducteur de protection PE Conducteur de protection PE Conducteur de protection PE Conducteur de protection Délestage (DIN 18875) 1.1 L' a Mess...
Other Miele Autres Manuals
-
Miele APWM 066 Notice d'Installation
-
Miele APWM 062 Notice d'Installation
-
Miele APWM 065 Notice d'Installation
-
Miele APWM 020 Manuel d'utilisation
-
Miele APWM 020 Notice d'Installation
-
Miele SC Notice d'Installation
-
Miele PR Notice d'Installation
-
Miele FP 900 Notice d'Installation
-
Miele RP 900 Notice d'Installation
-
Miele APWM 019 Manuel d'utilisation
-
Miele APWM 019 Notice d'Installation
-
Miele A 830/1 Manuel d'utilisation
-
Miele TT 86 Manuel d'utilisation
-
Miele RP 1150 Notice d'Installation
-
Miele UG 5010 Notice d'Installation
-
Miele UO 5010 Notice d'Installation
-
Miele APCL 001 Notice d'Installation
-
Miele E 473/2 Manuel d'utilisation
-
Miele APRI 312 Notice d'Installation
-
Miele DOS K 85 flex Notice d'Installation