Miele APWM 019 - Manuels

Miele APWM 019 - Manuel d'utilisation, Notice d'Installation en ligne au format PDF.
Manuel d'utilisation Miele APWM 019
























































































































































Résumé
fr - Table des matières 70 Votre contribution à la protection de l'environnement ................................................ 71 Consignes de sécurité et mises en garde ..................................................................... 72 Sécurité technique ......................................
fr - Votre contribution à la protection de l'environnement 71 Nos emballages Nos emballages protègent la Connector-Box des dommages quipeuvent survenir pendant le transport. Nous les sélectionnons enfonction de critères écologiques permettant d'en faciliter le recyclage. En participant au recyclage ...
fr - Consignes de sécurité et mises en garde 72 La Connector-Box répond aux réglementations de sécurité en vi-gueur. Toute utilisation non conforme peut toutefois causer desdommages corporels et matériels. Commencez par lire le mode d'emploi et les instructions de mon-tage pour la Connector Box. Vou...
fr - Consignes de sécurité et mises en garde 73 Les câbles d'alimentation de la Connector Box doivent être montés et posés dans les règles de l'art. Les passe-câbles et presse-étoupes (avec contre-écrous) fournis doivent être utilisés pour raccorder tout dispositif externe.
fr - Description du fonctionnement 74 Principe de fonctionnement La Connector Box permet de raccorder des dispositifs externes deMiele ou d'autres fabricants à une machine Miele Professional. Il peuts'agir par exemple de monnayeurs, de systèmes de dosage, de cir-cuits de délestage, de capteurs de pr...
fr - Installation 77 Capacité conductrice des entrées et sorties Lors de l'installation, veillez à ce que la puissance absorbée descomposants supplémentaires à raccorder ne dépasse pas les va-leurs admises pour les courants individuels et la puissance absor-bée totale dans le conducteur neutre. Lors...
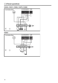
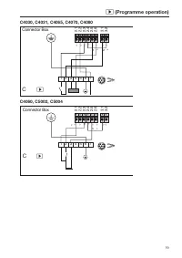
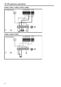
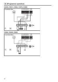
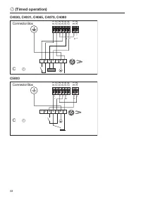
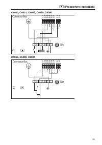
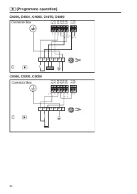
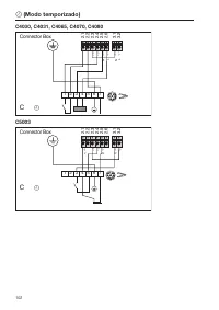
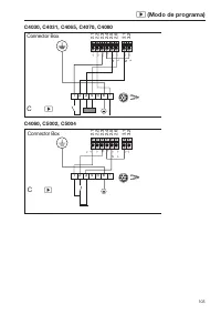
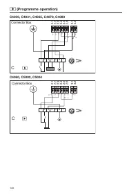
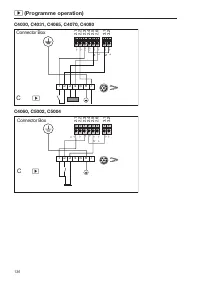
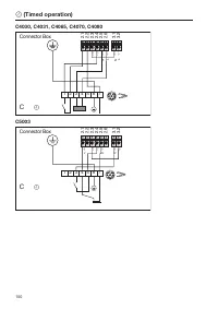
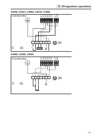
fr - Installation 78 Légende 1 6 2 7 5 3 4 Couplage 7 pôles du monnayeur Il est possible de retirer le couplage 7 pôles du monnayeurpour raccorder directement les câbles aux bornes de laConnector Box. Connec-tor Box Bornier de la Connector Box C Schéma du câblage électrique dans le monnayeur Mode ...
fr - Installation 79 Tableau fonction et capacité conductrice codage 1 Fonction Repérage Signal Sens de transmis- sion Capacité conduc- trice Description fonction Conduct eur de pr ot ec- tion PE PE Conducteur de protection PE PE Conducteur de protection PE PE Conducteur de protection PE PE...
fr - Installation 81 Tableau fonction et capacité conductrice codage 2 Fonction Repérage Signal Sens de transmis- sion Capacité conduc- trice Description fonction Conduct eur de pr ot ec- tion PE PE Conducteur de protection PE PE PE PE PE PE WRG 1.1 L' 1,0 A WRG Pompe activée 1.2 N' ...
fr - Raccordements électriques *INSTALLATION* 83 Raccordement électrique La Connector Box est alimentée en tension réseau par l'intermédiairede la machine Miele Professional. La Connector Box ne dispose pas d'un bouton Marche/Arrêt indé- pendant. Risque de dommages dus à un raccordement incorrect....
Notice d'Installation Miele APWM 019




















Other Miele Autres Manuals
-
Miele APWM 066 Notice d'Installation
-
Miele APWM 062 Notice d'Installation
-
Miele APWM 065 Notice d'Installation
-
Miele APWM 020 Manuel d'utilisation
-
Miele APWM 020 Notice d'Installation
-
Miele SC Notice d'Installation
-
Miele PR Notice d'Installation
-
Miele FP 900 Notice d'Installation
-
Miele RP 900 Notice d'Installation
-
Miele A 830/1 Manuel d'utilisation
-
Miele TT 86 Manuel d'utilisation
-
Miele RP 1150 Notice d'Installation
-
Miele UG 5010 Notice d'Installation
-
Miele UO 5010 Notice d'Installation
-
Miele APCL 001 Notice d'Installation
-
Miele E 473/2 Manuel d'utilisation
-
Miele APRI 312 Notice d'Installation
-
Miele DOS K 85 flex Notice d'Installation
-
Miele APDR 002 Manuel d'utilisation
-
Miele APDR 002 Notice d'Installation