Miele Classic C1 Flex - Manuels
Manuel d'utilisation Miele Classic C1 Flex




























































































































Résumé
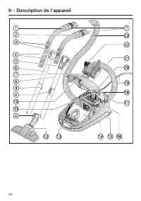
fr - Table des matières 50 Consignes de sécurité et mises en garde ....................................................... 51 Description de l'appareil ................................................................................... 58 Votre contribution à la protection de l'environnement ..........
fr - Consignes de sécurité et mises en garde 51 Cet aspirateur répond aux réglementations de sécuritéen vigueur. Toute utilisation non conforme peut entraînerdes dommages corporels et matériels.Lisez attentivement ce mode d'emploi avant d'utiliser cetaspirateur pour la première fois. Il contient des...
fr 62 Pressez les touches de déver-rouillage aménagées sur les côtés duraccord lorsque vous voulez séparerles éléments et dégagez le raccordde l’orifice d'aspiration. Assemblage du flexible et de la poi-gnée (croquis 02) Insérez l'autre raccord du flexibledans la poignée jusqu'à ce que vousenten...
fr 63 Aspirez les sols durs peu fragilesavec la brosse sortie : Appuyez sur le bouton . Aspirez tapis et moquettes avec labrosse rentrée : Appuyez sur le bouton . Activation de l'indicateur de satura-tion du filtre timestrip ® sur le filtre d'évacuation Différents filtres d’évacuation s...
fr 64 Utilisation Sortir le câble d'alimentation(croquis 16) Tirez sur le câble d'alimentation jus-qu'à la longueur désirée. Endommagement en cas de sur- chauffe.Le câble de raccordement peut sur-chauffer en cas d'utilisation prolon-gée.Retirez complètement le câble deraccordement si l'appareil ...
fr 65 Si vous passez l'aspirateur sur unesurface inclinée, par exemple sur unerampe :- emboîtez à fond les éléments dutube télescopique - n'utilisez pas le système de fixationdu tube avec arrêt automatique pourles pauses si votre aspirateur estéquipé du tube d'aspiration Easy-Lock. Système de fixati...
fr 68 Si vous souhaitez mettre en place unfiltre d'évacuation Active AirClean 30ou HEPA AirClean 30, reportez vousau chapitre « Changer le type de filtred'évacuation ». Refermez la grille de filtre. Fermez le compartiment à poussière. Remplacer le filtre d'évacuation d’airActive AirClean 30/HEPA...
fr 69 Remplacez les ramasse-fils par denouveaux. Vous pouvez vous procurer les piècesde rechange chez votre revendeur ouauprès du SAV Miele. Entretien Risque d’électrocution lié à la tension réseau.Lorsque l'appareil est hors tension, latension du réseau est tout de mêmeprésente.Débranchez la fi...
fr 71 Service après-vente Contact en cas d'anomalies Vous n'arrivez pas à résoudre l'anoma-lie par vous-même ? Contactez le ser-vice après-vente Miele ou votre reven-deur Miele. Les coordonnées du service après-vente Miele figurent en fin de notice. Garantie La garantie est accordée pour cet ap-pare...
Other Miele Autres Manuals
-
Miele APWM 066 Notice d'Installation
-
Miele APWM 062 Notice d'Installation
-
Miele APWM 065 Notice d'Installation
-
Miele APWM 020 Manuel d'utilisation
-
Miele APWM 020 Notice d'Installation
-
Miele SC Notice d'Installation
-
Miele PR Notice d'Installation
-
Miele FP 900 Notice d'Installation
-
Miele RP 900 Notice d'Installation
-
Miele APWM 019 Manuel d'utilisation
-
Miele APWM 019 Notice d'Installation
-
Miele A 830/1 Manuel d'utilisation
-
Miele TT 86 Manuel d'utilisation
-
Miele RP 1150 Notice d'Installation
-
Miele UG 5010 Notice d'Installation
-
Miele UO 5010 Notice d'Installation
-
Miele APCL 001 Notice d'Installation
-
Miele E 473/2 Manuel d'utilisation
-
Miele APRI 312 Notice d'Installation
-
Miele DOS K 85 flex Notice d'Installation