Miele PDR 944 [G] - Manuels

Miele PDR 944 [G] - Manuel d'utilisation, Notice, Notice d'Installation, Guide rapide en ligne au format PDF.
Manuel d'utilisation Miele PDR 944 [G]






















































Résumé
Table des matières 3 Votre contribution à la protection de l'environnement ................................................ 7 Consignes de sécurité et mises en garde .................................................................... 8 Utilisation conforme .............................................
Table des matières 4 Timer (Minuteur) ................................................................................................................ 27 Condition préalable pour le réglage du Timer ............................................................... 27Réglage du Timer (minuteur) ..........
Table des matières 5 Commande / Affichage ..................................................................................................... 38 Langue........................................................................................................................... 38Accès langue ...........
Votre contribution à la protection de l'environnement 7 Nos emballages Nos emballages protègent votre sèche-linge des dommages quipeuvent survenir pendant le transport. Nous les sélectionnons enfonction de critères écologiques qui permettent de les recycler. En participant au recyclage de vos emball...
Consignes de sécurité et mises en garde 8 Veuillez impérativement lire ce mode d'emploi. Ce sèche-linge répond aux réglementations de sécurité en vigueur. Toute utilisation nonconforme peut toutefois causer des dommages corporels et matériels. Lisez attentivement le mode d'emploi avant de mettre l...
Consignes de sécurité et mises en garde 9 Les enfants ne sont pas autorisés à procéder au nettoyage ou à l'entretien de l'appareil hors de la surveillance d'un adulte. Ne laissez pas les enfants sans surveillance à proximité de l'appareil. Ne les laissez pas jouer avec l'appareil. Ce sèche-lin...
Consignes de sécurité et mises en garde 10 Le sèche-linge ne doit pas fonctionner sans filtre à peluches ou avec un filtre à peluches endommagé. Des dysfonctionnements peuvent apparaître. Les peluches obstruent lesconduits d'air, le chauffage et l'évacuation ce qui peut provoquer un incendie. Mett...
Consignes de sécurité et mises en garde 11 Vérifiez régulièrement la perméabilité et le bon fonctionnement de tous les éléments du conduit d'évacuation (par ex. tuyau mural, grilles extérieures, courbures, coudes, etc.).Procédez le cas échéant à un nettoyage. Si des peluches se sont déposées dans ...
Consignes de sécurité et mises en garde 13 Vous pouvez utiliser des produits adoucissants ou analogues sur les vêtements qui vont au sèche-linge si les instructions du fabricant du produit l'autorisent. Pour les éléments inox, le principe suivant s'applique : les surfaces en inox ne doivent pas ...
Utilisation 14 Bandeau de commande a Touche sensitive Pour sélectionner la langue d’utilisateur actuelleÀ la fin du programme, la langue est automatiquement réinitialisée dans la langue définieau niveau de l'opérateur. b Touche sensitive Revient au niveau précédent dans le menu. c Écran tactil...
Utilisation 15 Touches sensitives et écran tactile avec touches sensitives Les touches sensitives , et Start/Stop ainsi que les touches sensitives à l’écran ré- agissent au contact du doigt. Tout contact est confirmé par un bip sonore. Vous pouvezmodifier ou désactiver le volume du bip sonore (...
Utilisation 16 Pour faire défiler le menu, placez votre doigt sur l'écran tactile et déplacez votre doigtvers la gauche ou vers la droite. La barre de défilement orange en bas de l'écran vous indique que d'autres possibilités desélection suivent. Pour sélectionner le programme de séchage souhait...
Utilisation 17 Effleurez avec le doigt les chiffres entre les deux tirets. Un pavé numérique s'affiche. 12:00 3 4 2 1 5 6 7 8 0 9 Heure OK Pour saisir la valeur numérique, touchez les chiffres du côté droit, puis confirmez avecOK. Menu déroulant Dans le menu déroulant, vous pouvez consulter ...
Première mise en service 18 Dommages corporels ou matériels dus à une mauvaise installation. Une mauvaise installation du sèche-linge peut causer des dommages corporels ou ma-tériels.Installez et raccordez le sèche-linge correctement avant sa première mise en service. Respectez les instructions du...
Première mise en service 19 Plus sombre Plus clair Luminosité de l'écran OK Effleurez la barre à segment jusqu’à ce que le niveau de luminosité souhaité soit atteint. Le niveau de luminosité sélectionné est représenté par la longueur de la barre à segment. Validez en effleurant la touche sensiti...
Première mise en service 20 Sélectionner les paquets de programme Vous pouvez sélectionner les différents programmes des paquets de programme. Les pro-grammes déjà activés sont indiqués en orange. 11:02 Coton Coton PRO Label Blanc/ Couleurs Non repassable Standard Paquets de programme Laine Fin OK ...
Séchage 22 1. « Conseils d'entretien de votre linge ». Lavage Lavez soigneusement les textiles très sales. Utilisez suffisamment de lessive et lavez àhaute température. En cas de doute, lavez le linge plusieurs fois. Lavez les textiles neufs de couleur à part et avec soin. Ne les mélangez pas aux te...
Séchage 23 2. Charger le sèche-linge Remplir le sèche-linge de linge Les textiles peuvent être endommagés.Avant de charger votre sèche-linge, lisez tout d'abord le chapitre « 1. Conseils d'entre-tien de votre linge ». Ouvrez la porte. Remplissez le sèche-linge de linge. Risque de dommages liés à...
Séchage 25 4. Sélection des paramètres du programme Sélectionner le palier de séchage Vous pouvez modifier le palier de séchage préréglé pour de nombreux programmes. Se-lon le programme, différents paliers de séchage peuvent être sélectionnés. Sélectionner des options Vous pouvez complémenter les pr...
Séchage 26 Si un départ différé a été sélectionné, celui-ci s'affiche à l'écran. Le programme de séchage est lancé une fois le délai de départ différé écoulé ou immédia-tement après le démarrage. Le temps restant du programme s'affiche à l'écran. Appeler les paramètres du programme en cours Pendant ...
Séchage 27 Une fois la phase de refroidissement écoulée et le programme de séchage terminé, le mes-sage suivant Arrêt s'affiche. Le sèche-linge s'éteint automatiquement après le temps réglé, après la fin du programme. Si l'option Infroissable * a été sélectionnée, le tambour continue à tourner par...
Nettoyage et entretien 28 Nettoyer le filtre à peluches Risque d'incendie dû au fonctionnement du sèche-linge sans filtre à peluches. Les conduites d'air, le chauffage et l'évacuation peuvent être obstrués pendant le fonc-tionnement du sèche-linge sans filtre à peluches et provoquer un incendie.Le...
Nettoyage et entretien 29 Nettoyer le tambour et les parties extérieures de la carrosserie Il existe un risque de choc électrique ! Un sèche-linge qui n'est pas complètement déconnecté de l'alimentation électrique nedoit pas être nettoyé ou entretenu.Avant de procéder au nettoyage ou à l'entretien...
Installation *INSTALLATION* 31 Conditions d'installation Seul un professionnel agréé par Miele ou le service après-vente Miele doit se charger del'installation et de la mise en service du sèche-linge. Le sèche-linge doit être installé en conformité avec les directives et normes en vigueur. Utili...
Installation *INSTALLATION* 33 Serrez les écrous des pieds de vis après les avoir alignés avec une clé à fourche sur latôle de fond. Fixation Pour le stabiliser, il faut fixer le sèche-linge au sol à l'aide des pattes de fixation fourniesau-dessus des pieds. Le matériel de fixation fourni est pr...
Installation *INSTALLATION* 34 Si plusieurs valeurs de tension sont indiquées sur la plaque signalétique, le sèche-linge peut être commuté pour un raccordement à la tension d'entrée correspondante. L'adapta-tion à un autre type de tension ne doit être effectuée que par un revendeur spécialisé oupa...
Accessoires en option 36 Des accessoires ne peuvent être rajoutés ou montés que s'ils sont expressément autori- sés par Miele. Si d’autres pièces sont rajoutées ou montées, les prétentions à la garantieet/ou fondées sur la responsabilité du fait du produit deviennent caduques. Box XCI La box XCI d...
Accessoires en option 37 Droits d’auteur et licences Miele utilise son propre logiciel ou un logiciel tiers non couvert par une licence opensource, pour faire fonctionner et contrôler le module de communication. Le présent logi-ciel/les composants de logiciel sont soumis à des droits d’auteur. Les d...
Mode exploitant 38 Ouvrir le Mode exploitant 11:02 Programmes Favoris Exploitant Aide Effleurez la touche sensitive pour retourner au Mode exploitant. Accès par code Le mode exploitant s'ouvre avec un code. Réglage usine : le code est 000 . Modifier le code Vous pouvez modifier le code d...
Mode exploitant 39 international 6 langues sont disponibles. La touche sensitive n'est pas active. Respectez le para- mètre Définir langues . Sélection de la langue La touche sensitive permet de sélectionner une langue. Toutes les langues sont dis- ponibles (réglage usine). L'ordre des 4 premi...
Mode exploitant 40 - Format de date La date peut être affichée en commençant par le jour, le mois ou l'année. - Date Le réglage de la date est terminé. Volume Le volume des différents signaux sonores peut être modifié. Le volume peut être modifié. - Volume signal de fin - Bip de touches - Mélodie d'...
Mode exploitant 41 - Logo ap 10min sauf pdt progr L'écran reste allumé pendant le déroulement du programme, mais 10 minutes après la finde celui-ci, le logo s'allume. - Réglages usine : Activé au bout de 10 min. L'écran s'assombrit au bout de 10 minutes. - On ap.30 min. pas pdt progr L'écran reste ...
Mode exploitant 42 - lb Logo Vous pouvez décider si vous préférez que ce soit le logo « Miele Professional » qui s'af-fiche ou votre propre logo. Pour le réglage Commande , l'option Laverie-Plus 12 progr. , Laverie-simple temps interne ou Laverie-simple temps externe doit être sélectionnée. - Logo...
Mode exploitant 43 12 programmes sont disponibles. Sous Favoris vous devez alors choisir parmi les 12 programmes ceux qui doivent être sélectionnés/modifiés. Les 3 premiers programmes peuvent être directement sélectionnés. Les autres pro-grammes sont sélectionnés via une autre liste. - Laverie-simpl...
Mode exploitant 44 Confirmez le programme ou le réglage à modifier. Un menu s'ouvre, dans lequel vous pouvez sélectionner un nouveau programme ou modi-fier le paramètre. Confirmez votre choix en effleurant la touche sensitive Enregistrer . Votre choix a été pris en compte. Programmes spéciaux Vo...
Mode exploitant 45 - Température (Air de séchage) : froid – 60 °C - Température refroidissem. (Air de séchage) : 40–55 °C - Infroissable – Sens rotation tambour : 0 – 500 secondes – Inversion rotation : 0 – 500 secondes – Pause : 100 – 3000 secondes Classer programmes L'ordre des programmes peut êtr...
Mode exploitant 46 Les paliers de séchage des programmes Blanc/ Couleurs , Non repassable , Automatic plus et Séchage repasseuse peuvent être réglés individuellement. Le réglage des paliers de séchage Blanc/ Couleurs , Non repassable et Automatic plus s'ef- fectue en 7 paliers. Réglage usine : norm...
Mode exploitant 47 - peu sensible Le message ne s'affiche que si la quantité de peluches est importante. - Réglage usine : normal - sensible Le message s'affiche dès qu'une petite quantité de peluches s'accumule. Nettoyer les filtres Le filtre à peluches dans la zone du conduit d'air doit être netto...
Mode exploitant 48 Le décalage de temps entre l'activation du clapet d'évacuation d'air externe et l'activationdu moteur du tambour/ventilateur est réglé. Pendant que le clapet d'évacuation s'ouvre, un message correspondant s'affiche à l'écran. - Réglage d'usine : désactivé Cette option doit toujour...
Mode exploitant 49 - Charge de pointe 230 V - Charge de pointe 0 V Empêcher le délestage Grâce à cette fonction, lors d'un signal de charge de pointe, l'exécution d'un programmed'hygiène n'est pas modifiée pour autant. Le chauffage reste allumé. - Réglage d'usine : désactivé - activé Sélection modul...
Mode exploitant 50 Le réseau n'est plus configuré. Pour pouvoir utiliser le réseau à nouveau, vous devezétablir une nouvelle connexion. – La connexion Wi-Fi est désactivée. – La connexion Wi-Fi est restaurée aux valeurs d'usine. Connexion réseau La date et l'heure peuvent être synchronisées sur le r...
Mode exploitant 51 - Si vous ne recevez pas de message à ce sujet, c'est qu'aucune mise à jour à distance n'est disponible. - Une fois qu'une mise à jour à distance est installée, vous ne pouvez pas revenir à une version précédente. - N'éteignez pas le sèche-linge pendant la mise à jour à distance. ...
Déclaration de conformité UE 53 Par la présente, Miele déclare que le type de sèche-linge PT013 est conforme à la directive2014/53/EU. Le texte intégral de la déclaration de conformité UE est disponible à l'une des adressessuivantes : - www.miele.de/professional/index.htm sous « Produits », « Téléch...
Belgique: S.A. Miele Belgique Z.5 Mollem 480 – 1730 Mollem (Asse)Tel. 02/451.15.40E-mail: [email protected] Internet: www.miele-professional.be Miele SALimmatstrasse 4, 8957 SpreitenbachTéléphone +41 56 417 27 51Téléfax +41 56 417 24 69[email protected]www.miele.ch/professionalService de réparation ...
Notice Miele PDR 944 [G]






































































































































































Notice d'Installation Miele PDR 944 [G]
























































Résumé
frfr - Table des matières 22 Consignes d'installation ................................................................................................. 23 Conditions d'installation .................................................................................................... 23Raccordement éle...
fr - Consignes d'installation 23 Conditions d'installation Seul un professionnel agréé par Miele ou le service après-vente Miele doit se charger del'installation et de la mise en service du sèche-linge. Le sèche-linge doit être installé en conformité avec les directives et normes en vigueur. Uti...
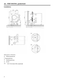
fr - PDR 944/544, chauffage gaz 27 Installation 875 325 64 G 520 305 1700 150 305 1700 ~ 50 2 x 179 125 200 EL AL ZL ZL EL AL 520 G G ZL EL AL AL ZL 161 160 "Z" "Y" "Y" "Z" XCI 96 31 ~350 42 125 Dimensions en millimètres EL Raccordement électrique G Raccordement au ga...
fr - PDR 944/544, chauffage gaz 28 Montage (standard/ socle en béton) 20 1640 Ø 10 1640 BS 545 B ~ 48 55 1279 ~ 55 >50 Ø 10 ~ 55 B 1800 55 1090 545 1286 1200 514 B B A A BS >1400 >55 BS >1200 514 1286 B B B B A - A B - B >55 1090 1800 ~ 48 BS >50 20 Dimensions en millimètres B Poin...
fr - Caractéristiques techniques 29 Variantes de tension/ caractéristiques électriques Raccordement standard Tension électrique 3N AC 400 V Fréquence 50 Hz Consommation 1,7 kW Protection électrique par fusibles (côté installation) 3×10 A Diamètre minimum du câble d'alimentation 5×1,5 mm² Vissage de ...
fr - Caractéristiques techniques 30 Caractéristiques de l’appareil Largeur hors tout 1.206 mm Hauteur hors tout 1.640 mm Profondeur hors tout 1.385 mm Largeur de la niche 1.550 mm Distance conseillée au mur ( jusqu' au rebord avant de l'appareil) 1.800 mm Distance minimale au mur ( jusqu'au rebord a...
Guide rapide Miele PDR 944 [G]












































































































































Résumé
fr - Table des matières 31 Votre contribution à la protection de l'environnement ........................................................ 33 Consignes de sécurité et mises en garde .............................................................................. 34 Documentation ..........................
fr - Table des matières 32 Installation ..................................................................................................................................... 52 Conditions d'installation ....................................................................................................
fr - Votre contribution à la protection de l'environnement 33 Nos emballages Nos emballages protègent votre sèche-linge des dommages quipeuvent survenir pendant le transport. Nous les sélectionnons enfonction de critères écologiques qui permettent de les recycler.En participant au recyclage de vos e...
fr - Consignes de sécurité et mises en garde 34 Veuillez impérativement lire ce mode d'emploi. Documentation Ce document contient un condensé d'informations. Vous pouvez trouver le mode d'emploicomplet et d'autres documents sur le site internet de Miele :https://www.miele.fr/professional/modes-d-e...
fr - Consignes de sécurité et mises en garde 35 Les personnes qui en raison de déficiences physiques, sensorielles ou mentales, de leur inexpérience ou de leur ignorance, ne peuvent pas utiliser ce sèche-linge en toute sécuriténe doivent pas l'utiliser sans la surveillance et les instructions d'un...
fr - Consignes de sécurité et mises en garde 36 Sécurité technique Avant de l'installer, vérifiez que le sèche-linge ne présente aucun dommage apparent. N'installez et n'utilisez jamais un appareil qui présente des dommages. Pour des raisons de sécurité, n'utilisez pas de rallonge (risque d'ince...
fr - Consignes de sécurité et mises en garde 37 Faites confirmer le fonctionnement sans risque de votre installation par un ramoneur com-pétent, et éviter la sous-pression de 4 Pa ou plus . Lors d'installation de plusieurs séche-linge sur un conduit collecteur d'évacuation d'air, il faut installer...
fr - Consignes de sécurité et mises en garde 38 Le local d’installation du sèche-linge doit toujours être exempt de poussières et de pe- luches. Les particules de poussière aspirées avec l'air favorisent les obstructions. Celapourrait perturber le fonctionnement de l'appareil et causer un incendie...
fr - Utilisation 39 Bandeau de commande a Touche sensitive Pour sélectionner la langue d’utilisateur actuelleÀ la fin du programme, la langue est automatiquement réinitialisée dans la langue définieau niveau de l'opérateur. b Touche sensitive Revient au niveau précédent dans le menu. c Écran t...
fr - Utilisation 40 Touches sensitives et écran tactile avec touches sensitives Les touches sensitives , et Start/Stop ainsi que les touches sensitives à l’écran ré- agissent au contact du doigt. Tout contact est confirmé par un bip sonore. Vous pouvez mo-difier ou désactiver le volume du bip s...
fr - Utilisation 41 La barre de défilement orange en bas de l'écran vous indique que d'autres possibilités desélection suivent. Pour sélectionner le programme de séchage souhaité, touchez le nom du programmeavec votre doigt. L'écran revient au menu de base du programme sélectionné. Menu « Options ...
fr - Utilisation 42 12:00 3 4 2 1 5 6 7 8 0 9 Heure OK Pour saisir la valeur numérique, touchez les chiffres du côté droit, puis confirmez avec OK . Menu déroulant Dans le menu déroulant, vous pouvez consulter différentes informations, par ex. un pro-gramme de séchage. 11:02 Tps rest. h 2:27...
fr - Séchage 43 1. « Conseils d'entretien de votre linge ». Laver votre lingeavant de le sécher Lavez soigneusement les textiles très sales. Utilisez suffisamment delessive et lavez à haute température. En cas de doute, lavez le lingeplusieurs fois. Si des produits chimiques industriels ont été util...
fr - Séchage 44 2. Remplir le sèche-linge de linge Remplir le sèche-linge de linge Les textiles peuvent être endommagés.Avant de charger votre sèche-linge, lisez tout d'abord le chapitre« 1. Conseils d'entretien de votre linge ». Ouvrez la porte. Remplissez le sèche-linge de linge. Risque de dom...
fr - Séchage 45 11:02 Programmes Favoris Exploitant Aide Effleurez la touche sensitive Programmes . 11:02 Blanc/ Couleurs Programmes Coton PRO Non repassable Fin Coton Laine Faites glisser votre doigt vers la gauche jusqu'à ce que le pro-gramme souhaité apparaisse. Effleurez la ...
fr - Séchage 47 5. Démarrer un programme Monnayeur (enoption) Pour utiliser le monnayeur, suivez les instructions de paiement quis'affichent à l'écran. Perte de valeur possible lors de l'ouverture de la porte de charge-ment ou de l'annulation du programme.Selon le réglage, l'ouverture de la porte de...
fr - Séchage 48 Lors des premières utilisations des programmes, le temps affichés'écarte parfois considérablement du temps de séchage restant réel.La différence entre le temps prévu et le temps atteint diminue si leprogramme correspondant est exécuté plus souvent. Si différentesquantités de charge s...
fr - Nettoyage et entretien 49 Nettoyer le filtre à peluches Risque d'incendie dû au fonctionnement du sèche-linge sans filtre à peluches. Les conduites d'air, le chauffage et l'évacuation peuvent être obstrués pendant le fonc-tionnement du sèche-linge sans filtre à peluches et provoquer un incend...
fr - Nettoyage et entretien 50 Risque d'endommagement par des nettoyants et des produits abrasifs contenant des solvants.N'utilisez ni détergent contenant des solvants, ni produit abrasif, ni produit à vitres oumulti-usages. Ces produits risquent d'endommager les surfaces plastiques et autrespièce...
fr - Installation *INSTALLATION* 52 Conditions d'installation Dommages corporels ou matériels dus à une mauvaise installa- tion.Une mauvaise installation du sèche-linge peut causer des dom-mages corporels ou matériels.Seul un professionnel agréé par Miele ou le service après-venteMiele doit se cha...
fr - Installation *INSTALLATION* 53 Installer le sèche-linge Placez le sèche-linge sur une surface rigide, horizontale et totale-ment plane qui résiste aux charges indiquées. La charge au sol du sèche-linge se concentre sur les pieds au niveaude la surface d'installation. Il n'est pas nécessaire d...
fr - Installation *INSTALLATION* 54 Serrez les écrous des pieds de vis après les avoir alignés avec uneclé à fourche sur la tôle de fond. Fixation Pour le stabiliser, il faut fixer le sèche-linge au sol à l'aide des pattesde fixation fournies au-dessus des pieds. Le matériel de fixation fourni e...
fr - Installation *INSTALLATION* 55 Si plusieurs valeurs de tension sont indiquées sur la plaque signalé- tique, le sèche-linge peut être raccordé à la tension d'entrée corres-pondante. L'adaptation à un autre type de tension ne doit être effec-tuée que par un revendeur spécialisé ou par le servic...
fr - Installation *INSTALLATION* 56 Raccordement au gaz (uniquement pour variantes chauf-fées au gaz) Le raccordement au gaz doit être effectué uniquement par un instal-lateur agréé par le distributeur de gaz dans le respect des normesen vigueur. En raison d'un débit insuffisant, l'utilisation d'une...
fr - Caractéristiques techniques 57 PDR 914 PDR 918 PDR 922 PDR 928 PDR 944 Hauteur 1400 mm 1400 mm 1400 mm 1640 mm 1640 mm Largeur 906 mm 906 mm 906 mm 1206 mm 1206 mm Profondeur 852 mm 1035 mm 1162 mm 1018 mm 1385 mm Profondeur avec porte ouverte 1456 mm 1639 mm 1768 mm 1622 mm 1988 mm Capacité du...
Other Miele Autres Manuals
-
Miele APWM 066 Notice d'Installation
-
Miele APWM 062 Notice d'Installation
-
Miele APWM 065 Notice d'Installation
-
Miele APWM 020 Manuel d'utilisation
-
Miele APWM 020 Notice d'Installation
-
Miele SC Notice d'Installation
-
Miele PR Notice d'Installation
-
Miele FP 900 Notice d'Installation
-
Miele RP 900 Notice d'Installation
-
Miele APWM 019 Manuel d'utilisation
-
Miele APWM 019 Notice d'Installation
-
Miele A 830/1 Manuel d'utilisation
-
Miele TT 86 Manuel d'utilisation
-
Miele RP 1150 Notice d'Installation
-
Miele UG 5010 Notice d'Installation
-
Miele UO 5010 Notice d'Installation
-
Miele APCL 001 Notice d'Installation
-
Miele E 473/2 Manuel d'utilisation
-
Miele APRI 312 Notice d'Installation
-
Miele DOS K 85 flex Notice d'Installation