Page 3 - Table des matières
Table des matières CUBE | Mode d'emploi | CUBE PST 1710 PST 2210 AFR Rev06 | 01/09/2022 | © Fabricant iii Conformité 5 Symboles et messages 6 Introduction 9 À propos de ce manuel 9 Restrictions d'utilisation 10 Informations de sécurité 11 Avertissements de sécurité 11 Responsabilité 12 Démarrage 14 ...
Page 4 - Données techniques
iv CUBE | Mode d'emploi | CUBE PST 1710 PST 2210 AFR Rev06 | 01/09/2022 | © Fabricant Erreurs 81 Résolution des problèmes 86 Ouverture de la porte en cas d'urgence 94 Données techniques 97 Cycles de stérilisation 97 Phases du cycle de stérilisation 101 Données techniques 103 Recommandations pour la ...
Page 5 - Conformité; Remarque; Remarque
Conformité CUBE | Mode d'emploi | CUBE PST 1710 PST 2210 AFR Rev06 | 01/09/2022 | © Fabricant 5 CONFORMITÉ AUX NORMES, DIRECTIVES ET RÈGLEMENTSEUROPÉENS Le stérilisateur est en conformité avec les règlements, normes etdirectives suivants : Normes etdirectives Description Règlement relatif aux dispos...
Page 6 - Symboles et messages; SYMBOLES DE SÉCURITÉ UTILISÉS DANS CE MANUEL
6 CUBE | Mode d'emploi | CUBE PST 1710 PST 2210 AFR Rev06 | 01/09/2022 | © Fabricant Symboles et messages SYMBOLES DE SÉCURITÉ UTILISÉS DANS CE MANUEL AVERTISSEMENT : indique une situation dangereuse qui, si elle n'estpas évitée, peut entraîner la mort ou des blessures graves. Dans le contexte d'un ...
Page 7 - MESSAGES DE DÉGÂTS MATÉRIELS; Avis
CUBE | Mode d'emploi | CUBE PST 1710 PST 2210 AFR Rev06 | 01/09/2022 | © Fabricant 7 MESSAGES DE DÉGÂTS MATÉRIELS Avis : fournit des informations considérées comme importantes, mais non liées à un danger. Ces messages visent en général à éviter d'endommager le produit.
Page 9 - Introduction; À propos de ce manuel
Introduction CUBE | Mode d'emploi | CUBE PST 1710 PST 2210 AFR Rev06 | 01/09/2022 | © Fabricant 9 SOMMAIRE Cette section traite les sujets suivants : À propos de ce manuel 9 Restrictions d'utilisation 10 À propos de ce manuel INTRODUCTION Ce manuel contient le Mode d'emploi des stérilisateurs Miele ...
Page 10 - AVIS DE DROIT D'AUTEUR; Copyright ©, Fabricant; Restrictions d'utilisation; USAGE PRÉVU
10 CUBE | Mode d'emploi | CUBE PST 1710 PST 2210 AFR Rev06 | 01/09/2022 | © Fabricant Introduction AVIS DE DROIT D'AUTEUR Copyright ©, Fabricant Tous droits réservés dans tous les pays. Tous les schémas, images et textes contenus dans ce manuel sontla propriété du fabricant. La duplication en tout o...
Page 11 - Informations de sécurité; SOMMAIRE; Cette section traite les sujets suivants :; Avertissements de sécurité; RISQUES THERMIQUES
Informations de sécurité CUBE | Mode d'emploi | CUBE PST 1710 PST 2210 AFR Rev06 | 01/09/2022 | © Fabricant 11 SOMMAIRE Cette section traite les sujets suivants : Avertissements de sécurité 11 Responsabilité 12 Avertissements de sécurité RISQUES THERMIQUES n La cuve commence automatiquement àchauffe...
Page 12 - MAUVAISE UTILISATION DU STÉRILISATEUR; Il est recommandé de ne pas laisser la machine sans surveillance.; Responsabilité; RESPONSABILITÉ DE L'UTILISATEUR
12 CUBE | Mode d'emploi | CUBE PST 1710 PST 2210 AFR Rev06 | 01/09/2022 | © Fabricant Informa tions de sécurité MAUVAISE UTILISATION DU STÉRILISATEUR n Le stérilisateur ne doit pas être utilisé enprésence de gaz, vapeurs, liquides ou solidesexplosifs ou inflammables. n Le stérilisateur n'a pas été c...
Page 13 - RESPONSABILITÉ DU FABRICANT
CUBE | Mode d'emploi | CUBE PST 1710 PST 2210 AFR Rev06 | 01/09/2022 | © Fabricant 13 Informa tions de sécurité n Les dispositifs de sécurité du stérilisateur sont déficients si leproduit n'est pas installé, utilisé et entretenu conformément àce Mode d'emploi. n La dernière version du Mode d'emploi ...
Page 14 - Démarrage; Déballage; DÉBALLAGE DU STÉRILISATEUR
Démarrage 14 CUBE | Mode d'emploi | CUBE PST 1710 PST 2210 AFR Rev06 | 01/09/2022 | © Fabricant SOMMAIRE Cette section traite les sujets suivants : Déballage 14 Manipulation 17 Description du produit 18 Installation du stérilisateur 23 Fonctionnement du stérilisateur 25 Menu de l'interface utilisate...
Page 15 - AVERTISSEMENTS; : vérifiez l'état externe de la boîte et du stérilisateur. En cas de; CONTENU DE L'EMBALLAGE; Stérilisateur
CUBE | Mode d'emploi | CUBE PST 1710 PST 2210 AFR Rev06 | 01/09/2022 | © Fabricant 15 Déma rra ge AVERTISSEMENTS Avis : vérifiez l'état externe de la boîte et du stérilisateur. En cas de dommage, contactez immédiatement le revendeur ou l'agentd'expédition qui a effectué le transport. Conservez l'em...
Page 16 - COMPOSANTS NON FOURNIS AVEC LE STÉRILISATEUR
16 CUBE | Mode d'emploi | CUBE PST 1710 PST 2210 AFR Rev06 | 01/09/2022 | © Fabricant Déma rra ge Câble secteur Tuyau de vidange Outil d'ouverture de secours de la porte Tuyau pour raccord de vidange Clé USB contenant le Mode d'emploi Ce manuel, la déclaration de conformité, la carte de garantie, le...
Page 17 - Manipulation; COMMENT DÉPLACER LE STÉRILISATEUR; Laissez la cuve de stérilisation refroidir.
CUBE | Mode d'emploi | CUBE PST 1710 PST 2210 AFR Rev06 | 01/09/2022 | © Fabricant 17 Déma rra ge Manipulation COMMENT DÉPLACER LE STÉRILISATEUR Avant le transport : n Videz complètement les deux réservoirs d'eau (voir la section"Vidange des réservoirs d'eau usée et d'eau propre" à la page79...
Page 18 - Description du produit; VUE AVANT
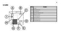
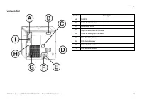
Déma rra ge 18 CUBE | Mode d'emploi | CUBE PST 1710 PST 2210 AFR Rev06 | 01/09/2022 | © Fabricant Description du produit VUE AVANT Section Description A Porte de la cuve B Cache de remplissage des réservoirs C Capot des réservoirs d'eau D Écran tactile E Porte du compartiment d'entretien F Cuve de s...
Page 19 - STRUCTURE INTERNE SUPÉRIEURE
Déma rra ge CUBE | Mode d'emploi | CUBE PST 1710 PST 2210 AFR Rev06 | 01/09/2022 | © Fabricant 19 STRUCTURE INTERNE SUPÉRIEURE Section Description A Réservoir B Capteur de niveau d'eau C Capot des réservoirs d'eau D Capot interne des réservoirs E Filtres internes des réservoirs avec cartouches métal...
Page 20 - CONTENU DU COMPARTIMENT D'ENTRETIEN
Déma rra ge 20 CUBE | Mode d'emploi | CUBE PST 1710 PST 2210 AFR Rev06 | 01/09/2022 | © Fabricant CONTENU DU COMPARTIMENT D'ENTRETIEN Section Description A Filtre bactériologique B Interrupteur secteur C Étiquette d'identification D Raccord de vidange de l'eau usée (gris) E Raccord de vidange de l'e...
Page 21 - VUE ARRIÈRE
Déma rra ge CUBE | Mode d'emploi | CUBE PST 1710 PST 2210 AFR Rev06 | 01/09/2022 | © Fabricant 21 VUE ARRIÈRE Section Description A Port USB B Cache de la lame d'air C Raccord des tests D Capot de la soupape de sécurité E Orifice de vidange de l'eau usée F Prise d'arrivée d'eau G Grille du condenseu...
Page 22 - ACCESSOIRES DE LA CUVE
Déma rra ge 22 CUBE | Mode d'emploi | CUBE PST 1710 PST 2210 AFR Rev06 | 01/09/2022 | © Fabricant ACCESSOIRES DE LA CUVE Section Description A Plateau B Panier de la cuve : n En position normale, il peut accueillir cinq plateaux horizontalementou trois cassettes/récipients verticalement. n En positi...
Page 23 - Installation du stérilisateur; EXIGENCES DE POSITIONNEMENT; Exigences de dégagement pour une bonne circulation de l'air :; CONNEXIONS ÉLECTRIQUES
CUBE | Mode d'emploi | CUBE PST 1710 PST 2210 AFR Rev06 | 01/09/2022 | © Fabricant 23 Déma rra ge Installation du stérilisateur EXIGENCES DE POSITIONNEMENT Avis : Placez le stérilisateur de sorte qu'il soit aisé d'utiliser lescommandes situées derrière la porte du compartiment d'entretien.Placez le...
Page 24 - : l'entretien du système de remplissage d'eau externe doit être; INSTALLATION DU STÉRILISATEUR
24 CUBE | Mode d'emploi | CUBE PST 1710 PST 2210 AFR Rev06 | 01/09/2022 | © Fabricant Déma rra ge L'alimentation électrique du stérilisateur doit respecter toutes lesnormes en vigueur dans le pays d'utilisation et doit être conforme àl'étiquette de données située à l'arrière du stérilisateur. RACCOR...
Page 25 - Fonctionnement du stérilisateur; MISE SOUS/HORS TENSION DU STÉRILISATEUR; Appuyez sur; DESCRIPTION DE LA PAGE D'ACCUEIL
CUBE | Mode d'emploi | CUBE PST 1710 PST 2210 AFR Rev06 | 01/09/2022 | © Fabricant 25 Déma rra ge 6 Branchez le cordon d'alimentation sur une prise murale. Pourconnaître les conditions requises en matière d'alimentationélectrique, reportez-vous à la section "Données techniques" àla page 103 ...
Page 26 - Menu de l'interface utilisateur; FONCTIONS DU MENU PRINCIPAL
26 CUBE | Mode d'emploi | CUBE PST 1710 PST 2210 AFR Rev06 | 01/09/2022 | © Fabricant Déma rra ge Menu de l'interface utilisateur FONCTIONS DU MENU PRINCIPAL Icône Libellé Fonction Menu Ouvre le menu. Histor. cycle Affiche tous les cycles de stérilisation. Enreg. Enregistre tous les rapports des cyc...
Page 27 - FONCTIONS DU MENU TRAÇABILITÉ
CUBE | Mode d'emploi | CUBE PST 1710 PST 2210 AFR Rev06 | 01/09/2022 | © Fabricant 27 Déma rra ge Icône Libellé Fonction Exclusion cycle Permet de définir le menu des cycles. Unités mesure Permet de définir l'unité de mesure. Progr. Cyclejourn. Permet de programmer une séquence de cycles àexécuter à...
Page 28 - FONCTIONS DU MENU ACCESSOIRES
28 CUBE | Mode d'emploi | CUBE PST 1710 PST 2210 AFR Rev06 | 01/09/2022 | © Fabricant Déma rra ge Icône Libellé Fonction Suppr. util. Administrateur uniquement. Permet de supprimer unutilisateur. Réin. codePIN util. Administrateur uniquement. Permet de réinitialiser le codePIN d'un utilisateur. Modi...
Page 29 - FONCTIONS DU MENU ENTRETIEN
CUBE | Mode d'emploi | CUBE PST 1710 PST 2210 AFR Rev06 | 01/09/2022 | © Fabricant 29 Déma rra ge FONCTIONS DU MENU ENTRETIEN Icône Libellé Fonction Filtre Hepa n Affiche l'état des consommables. n Réinitialise le compteur de cycles. Filtre anti- pous. Joint porte Entret. 4 000cycles Affiche le nomb...
Page 30 - COMMANDES ET ICÔNES COMMUNES
30 CUBE | Mode d'emploi | CUBE PST 1710 PST 2210 AFR Rev06 | 01/09/2022 | © Fabricant Déma rra ge COMMANDES ET ICÔNES COMMUNES Icône Fonction Active/Désactive le mode veille. Permet d'accéder à l'écranprécédent/suivant. Ouvre la page d'accueil. Accède aux sous-menus. Permet d'accéder à l'écran de ré...
Page 32 - Configuration du stérilisateur; CONFIGURATION GUIDÉE
32 CUBE | Mode d'emploi | CUBE PST 1710 PST 2210 AFR Rev06 | 01/09/2022 | © Fabricant Déma rra ge Configuration du stérilisateur CONFIGURATION GUIDÉE Au premier démarrage du stérilisateur, la procédure deconfiguration guidée s'affiche automatiquement et permet de réglercertains paramètres de l'appar...
Page 33 - RÉGLAGE DE LA LUMINOSITÉ DE L'AFFICHAGE
CUBE | Mode d'emploi | CUBE PST 1710 PST 2210 AFR Rev06 | 01/09/2022 | © Fabricant 33 Déma rra ge RÉGLAGE DE LA LUMINOSITÉ DE L'AFFICHAGE Pour modifier la luminosité de l'affichage : 1 Dans la page d'accueil, appuyez sur > > > 2 Appuyez sur ou pour changer la valeur. 3 Appuyez sur pour conf...
Page 34 - Clé USB; Mode veille
34 CUBE | Mode d'emploi | CUBE PST 1710 PST 2210 AFR Rev06 | 01/09/2022 | © Fabricant Déma rra ge Clé USB DESCRIPTION Une clé USB peut être installée pour enregistrer automatiquementtous les rapports des cycles de stérilisation. La clé USB peut êtreinsérée indifféremment dans le port avant ou arrièr...
Page 35 - Gestion des imprimantes; SÉLECTION DE L'IMPRIMANTE; Appuyez sur le modèle de l'imprimante à utiliser.; CONFIGURATION DE L'IMPRIMANTE D'ÉTIQUETTES
Gestion des imprimantes CUBE | Mode d'emploi | CUBE PST 1710 PST 2210 AFR Rev06 | 01/09/2022 | © Fabricant 35 SOMMAIRE Cette section traite les sujets suivants : Sélection de l'imprimante (facultatif) 35 Sélection de l'imprimante d'étiquettes (facultatif) 35 Utilisation de l'imprimante d'étiquettes ...
Page 36 - SÉLECTION D'UNE IMPRIMANTE D'ÉTIQUETTES PARTAGÉE
36 CUBE | Mode d'emploi | CUBE PST 1710 PST 2210 AFR Rev06 | 01/09/2022 | © Fabricant Gestion des imprima ntes SÉLECTION ET ÉTALONNAGE D'UNE IMPRIMANTED'ÉTIQUETTES LOCALE 1 Dans la page d'accueil, appuyez sur > > 2 Appuyez sur : l'imprimante locale est automatiquement identifiée. 3 Appuyez su...
Page 37 - OPTION D'IMPRESSION AUTOMATIQUE; Désactivé
CUBE | Mode d'emploi | CUBE PST 1710 PST 2210 AFR Rev06 | 01/09/2022 | © Fabricant 37 Gestion des imprima ntes Utilisation de l'imprimante d'étiquettes(facultatif) ATTENTION ! Pour votre sécurité et celle de vos patients, respectez un temps de conservation conforme auxrecommandations des fabricants ...
Page 38 - Description du contenu de l'étiquette; STRUCTURE
Gestion des imprima ntes 38 CUBE | Mode d'emploi | CUBE PST 1710 PST 2210 AFR Rev06 | 01/09/2022 | © Fabricant Description du contenu de l'étiquette STRUCTURE Section Description A n Modèle de stérilisateur n Numéro de série n Version du logiciel B Code de traçabilité (alphanumérique et code-barres)...
Page 39 - Tests du stérilisateur; Tests de performances du stérilisateur; TESTS POUVANT ÊTRE EXÉCUTÉS SUR LE STÉRILISATEUR
CUBE | Mode d'emploi | CUBE PST 1710 PST 2210 AFR Rev06 | 01/09/2022 | © Fabricant 39 Tests du stérilisateur SOMMAIRE Cette section traite les sujets suivants : Tests de performances du stérilisateur 39 Test de Bowie & Dick 39 Test Helix 43 Test vide 45 Tests de performances du stérilisateur TES...
Page 40 - OBJECTIF DU TEST
Tests du stérilisa teur 40 CUBE | Mode d'emploi | CUBE PST 1710 PST 2210 AFR Rev06 | 01/09/2022 | © Fabricant OBJECTIF DU TEST Ce test vise à contrôler les performances de stérilisation de l'appareil avec des charges poreuses. DESCRIPTION Le test repose sur plusieurs feuilles de papier emballées dan...
Page 41 - OPEN
Tests du stérilisa teur CUBE | Mode d'emploi | CUBE PST 1710 PST 2210 AFR Rev06 | 01/09/2022 | © Fabricant 41 3 Dans la page d'accueil, appuyez sur Test Helix- B&D . 4 Pour régler la durée de la phase de plateau/stérilisation et d'autres paramètres,appuyez sur . 5 Appuyez sur et saisissez vos id...
Page 42 - INTERPRÉTATION DU RÉSULTAT DU TEST
Tests du stérilisa teur 42 CUBE | Mode d'emploi | CUBE PST 1710 PST 2210 AFR Rev06 | 01/09/2022 | © Fabricant INTERPRÉTATION DU RÉSULTAT DU TEST Capteur Résultat observé Testréussi Action Toute la surface du capteur a changé de couleur. Oui - Certaines zones du capteur ne présentent aucune variation...
Page 44 - : la porte de la cuve se
Tests du stérilisa teur 44 CUBE | Mode d'emploi | CUBE PST 1710 PST 2210 AFR Rev06 | 01/09/2022 | © Fabricant 4 Placez le tube muni de sa capsule au centre d'un plateau, à la position la plusbasse dans le panier, puis fermez la porte de la cuve. 5 Dans la page d'accueil, appuyez sur Test Helix- B&am...
Page 45 - Risque de brûlures. Le tube est très chaud à la fin du cycle.; ACTION; Test vide
Tests du stérilisa teur CUBE | Mode d'emploi | CUBE PST 1710 PST 2210 AFR Rev06 | 01/09/2022 | © Fabricant 45 10 Ouvrez la porte de la cuve, ôtez le plateau à l'aide du porte-plateau, puis retirez letube. ATTENTION ! Risque de brûlures. Le tube est très chaud à la fin du cycle. Portez un EPI appropr...
Page 47 - QUE FAIRE SI LE TEST ÉCHOUE; Inspectez, nettoyez ou remplacez le joint de la porte.
Tests du stérilisa teur CUBE | Mode d'emploi | CUBE PST 1710 PST 2210 AFR Rev06 | 01/09/2022 | © Fabricant 47 QUE FAIRE SI LE TEST ÉCHOUE 1 Inspectez, nettoyez ou remplacez le joint de la porte. 2 Nettoyez la façade de la cuve et le filtre de la cuve. 3 Recommencez le test de vide. Voir section "...
Page 48 - Cycles de stérilisation; Entretien et préparation de la charge; DÉSINFECTION EXTERNE DES PIÈCES À MAIN DENTAIRES
Cycles de stérilisation 48 CUBE | Mode d'emploi | CUBE PST 1710 PST 2210 AFR Rev06 | 01/09/2022 | © Fabricant SOMMAIRE Cette section traite les sujets suivants : Entretien et préparation de la charge 48 Préparation du stérilisateur 50 Description des cycles de stérilisation 51 Gestion du cycle de st...
Page 49 - NETTOYAGE EXTERNE DES PIÈCES À MAIN DENTAIRES; Portez des gants de protection pendant le nettoyage.; LUBRIFICATION DES PIÈCES À MAIN DENTAIRES; Respectez les exigences suivantes :
CUBE | Mode d'emploi | CUBE PST 1710 PST 2210 AFR Rev06 | 01/09/2022 | © Fabricant 49 Cycles de stérilisa tion NETTOYAGE EXTERNE DES PIÈCES À MAIN DENTAIRES Cette procédure consiste à éliminer les résidus (sang, dentine, etc.)qui adhèrent aux zones critiques telles que les orifices de sortie depulvé...
Page 50 - CHARGE PARTIELLE; Préparation du stérilisateur; : utilisez uniquement de l'eau distillée ou déminéralisée (voir la
50 CUBE | Mode d'emploi | CUBE PST 1710 PST 2210 AFR Rev06 | 01/09/2022 | © Fabricant Cycles de stérilisa tion Type de charge Positionnement Articles ensachés Sur des plateaux permettant un espace suffisantentre les sacs. Assurez-vous que lesemballages ne touchent pas les parois de lacuve. Placez le...
Page 51 - REMPLISSAGE DU RÉSERVOIR D'EAU PROPRE; Repositionnez le bouchon de remplissage du réservoir.; INSERTION DU PANIER DE LA CUVE DANS LE STÉRILISATEUR; Risque de brûlures. Avant de toucher le panier; RECOMMANDATIONS GÉNÉRALES; Suivez ces recommandations pour un séchage optimal :; Description des cycles de stérilisation; CYCLES DE STÉRILISATION DISPONIBLES
CUBE | Mode d'emploi | CUBE PST 1710 PST 2210 AFR Rev06 | 01/09/2022 | © Fabricant 51 Cycles de stérilisa tion REMPLISSAGE DU RÉSERVOIR D'EAU PROPRE 1 Mettez le stérilisateur sous tension et retirez le bouchon deremplissage du réservoir. 2 Remplissez le réservoir d'eau propre avec de l'eau distillée...
Page 52 - Gestion du cycle de stérilisation; EXÉCUTION D'UN CYCLE DE STÉRILISATION IMMÉDIATEMENT; DÉFINITION DU DÉBUT DU CYCLE DE STÉRILISATION
52 CUBE | Mode d'emploi | CUBE PST 1710 PST 2210 AFR Rev06 | 01/09/2022 | © Fabricant Cycles de stérilisa tion Gestion du cycle de stérilisation EXÉCUTION D'UN CYCLE DE STÉRILISATION IMMÉDIATEMENT 1 Dans la page d'accueil, appuyez sur le cycle souhaité. 2 Vérifiez les conditions requises du cycle. 3...
Page 53 - AFFICHAGE DES PARAMÈTRES DU CYCLE
CUBE | Mode d'emploi | CUBE PST 1710 PST 2210 AFR Rev06 | 01/09/2022 | © Fabricant 53 Cycles de stérilisa tion 6 Appuyez sur pour verrouiller la porte et exécuter le compte à rebours pour le cycle en cours. Remarque : vous pouvez décider de démarrer le cycle immédiatement ou d'arrêter le compte à r...
Page 54 - FIN D'UN CYCLE DE STÉRILISATION; ARRÊT D'UN CYCLE DE STÉRILISATION; STOP
54 CUBE | Mode d'emploi | CUBE PST 1710 PST 2210 AFR Rev06 | 01/09/2022 | © Fabricant Cycles de stérilisa tion FIN D'UN CYCLE DE STÉRILISATION Lorsqu'un cycle est terminé avec succès, le message « Cycleterminé » apparaît à l'écran. Pour terminer le cycle : 1 Appuyez sur pour afficher le résumé du cy...
Page 55 - Retraitez la charge si nécessaire.; MESSAGES D'UN CYCLE DE STÉRILISATION ARRÊTÉ; Déchargement; Rapport du cycle de stérilisation; OÙ SONT STOCKÉES LES DONNÉES DU CYCLE
CUBE | Mode d'emploi | CUBE PST 1710 PST 2210 AFR Rev06 | 01/09/2022 | © Fabricant 55 Cycles de stérilisa tion 7 Retraitez la charge si nécessaire. ATTENTION ! Vapeur à haute température. Attendez que la vapeur se dissipe avant d'ouvrir la porte. Remarque : de l'eau pourrait être présente dans la c...
Page 56 - AFFICHAGE DE L'HISTORIQUE DU CYCLE
56 CUBE | Mode d'emploi | CUBE PST 1710 PST 2210 AFR Rev06 | 01/09/2022 | © Fabricant Cycles de stérilisa tion AFFICHAGE DE L'HISTORIQUE DU CYCLE Pour afficher l'historique du cycle de stérilisation : 1 Dans la page d'accueil, appuyez sur > > : tous les cycles de stérilisation sont répertorié...
Page 57 - STRUCTURE D'UN RAPPORT DE CYCLE
CUBE | Mode d'emploi | CUBE PST 1710 PST 2210 AFR Rev06 | 01/09/2022 | © Fabricant 57 Cycles de stérilisa tion STRUCTURE D'UN RAPPORT DE CYCLE Ci-après la structure d'un rapport de cycle : Donnée Description A Modèle de stérilisateur N° appar. Numéro de série du stérilisateur Rév. logiciel Numéro de...
Page 59 - Entretien
Entretien CUBE | Mode d'emploi | CUBE PST 1710 PST 2210 AFR Rev06 | 01/09/2022 | © Fabricant 59 SOMMAIRE Cette section traite les sujets suivants : Avertissements relatifs aux opérations d'entretien 59 Entretien ordinaire 60 Entretien mensuel ou tous les 50 cycles 62 Entretien tous les 400 cycles 67...
Page 60 - Entretien ordinaire; ENTRETIEN PAR L'UTILISATEUR; DÉLAI D'ENTRETIEN EXPIRÉ
60 CUBE | Mode d'emploi | CUBE PST 1710 PST 2210 AFR Rev06 | 01/09/2022 | © Fabricant Entretien Entretien ordinaire ENTRETIEN PAR L'UTILISATEUR Fréquence 1 Cycles 1 Opération Tous les mois 50 Nettoyage du joint de la porte et de la façade dela cuve. Voir la section "Nettoyage du joint de laporte...
Page 62 - Entretien mensuel ou tous les 50 cycles; NETTOYAGE DU JOINT DE LA PORTE ET DE LA FAÇADE DE LA CUVE; Procédez comme suit :
Entretien 62 CUBE | Mode d'emploi | CUBE PST 1710 PST 2210 AFR Rev06 | 01/09/2022 | © Fabricant Entretien mensuel ou tous les 50 cycles NETTOYAGE DU JOINT DE LA PORTE ET DE LA FAÇADE DE LA CUVE Procédez comme suit : 1 Nettoyez le logement du joint et la façade de la cuve avec un chiffon humide nonpe...
Page 63 - NETTOYAGE DE LA CUVE ET DES ACCESSOIRES DE LA CUVE
Entretien CUBE | Mode d'emploi | CUBE PST 1710 PST 2210 AFR Rev06 | 01/09/2022 | © Fabricant 63 NETTOYAGE DE LA CUVE ET DES ACCESSOIRES DE LA CUVE Procédez comme suit : 1 Retirez les plateaux et le panier de la cuve. 2 Nettoyez la cuve avec une éponge humide et une solutiondétergente douce en veilla...
Page 64 - NETTOYAGE DU FILTRE DE LA CUVE
Entretien 64 CUBE | Mode d'emploi | CUBE PST 1710 PST 2210 AFR Rev06 | 01/09/2022 | © Fabricant NETTOYAGE DU FILTRE DE LA CUVE Procédez comme suit : 1 Laissez la cuve de stérilisation refroidir. 2 Videz la cuve du stérilisateur en retirant les plateaux et le panier. 3 Tournez le bouchon du filtre à ...
Page 65 - Retirez le bouchon du filtre et le filtre à cartouche.
Entretien CUBE | Mode d'emploi | CUBE PST 1710 PST 2210 AFR Rev06 | 01/09/2022 | © Fabricant 65 4 Retirez le bouchon du filtre et le filtre à cartouche. 5 Rincez le filtre à cartouche avec de l'eau du robinet. 6 Insérez le filtre à cartouche dans le bouchon du filtre. 7 Insérez le bouchon du filtre ...
Page 66 - NETTOYAGE DES SURFACES EXTERNES DU STÉRILISATEUR
Entretien 66 CUBE | Mode d'emploi | CUBE PST 1710 PST 2210 AFR Rev06 | 01/09/2022 | © Fabricant 8 Verrouillez le bouchon du filtre en le tournant dans le sens horaire. NETTOYAGE DES SURFACES EXTERNES DU STÉRILISATEUR Procédez comme suit : 1 Nettoyez tous les capots externes du stérilisateur avec un ...
Page 67 - Entretien tous les 400 cycles; REMPLACEMENT DU FILTRE BACTÉRIOLOGIQUE
Entretien CUBE | Mode d'emploi | CUBE PST 1710 PST 2210 AFR Rev06 | 01/09/2022 | © Fabricant 67 Entretien tous les 400 cycles REMPLACEMENT DU FILTRE BACTÉRIOLOGIQUE Avis : si vous remplacez ce consommable avant la date d'entretien prévu, vous devez réinitialiser le compteur de cycles. Voir section ...
Page 68 - REMPLACEMENT DU FILTRE À POUSSIÈRE
Entretien 68 CUBE | Mode d'emploi | CUBE PST 1710 PST 2210 AFR Rev06 | 01/09/2022 | © Fabricant REMPLACEMENT DU FILTRE À POUSSIÈRE Avis : si vous remplacez ce consommable avant la date d'entretien prévu, vous devez réinitialiser le compteur de cycles. Voir section "Remplacement du consommable a...
Page 69 - Insérez le nouveau filtre.
Entretien CUBE | Mode d'emploi | CUBE PST 1710 PST 2210 AFR Rev06 | 01/09/2022 | © Fabricant 69 4 Insérez le nouveau filtre. 5 Poussez la poignée pour qu'elle reprenne sa position d'origine. 6 Fermez la porte de la cuve.
Page 70 - Entretien bisannuel ou tous les 800 cycles
Entretien 70 CUBE | Mode d'emploi | CUBE PST 1710 PST 2210 AFR Rev06 | 01/09/2022 | © Fabricant Entretien bisannuel ou tous les 800 cycles Procédez comme suit : 1 Mettez le stérilisateur hors tension et débranchez le câble secteur. 2 Videz complètement les deux réservoirs d'eau (voir la section "...
Page 71 - ACCÈS AUX RÉSERVOIRS D'EAU
Entretien CUBE | Mode d'emploi | CUBE PST 1710 PST 2210 AFR Rev06 | 01/09/2022 | © Fabricant 71 ACCÈS AUX RÉSERVOIRS D'EAU Procédez comme suit : 1 Soulevez le capot des réservoirs d'eau.
Page 72 - Ôtez le capot interne des réservoirs.
Entretien 72 CUBE | Mode d'emploi | CUBE PST 1710 PST 2210 AFR Rev06 | 01/09/2022 | © Fabricant 2 Ôtez le capot interne des réservoirs. 3 Nettoyez et séchez le capot interne et sa membrane en caoutchouc afind'éliminer tout condensat. Avis : n'utilisez jamais de désinfectants, de détergents agressif...
Page 73 - NETTOYAGE DES RÉSERVOIRS D'EAU; compromettre le fonctionnement du stérilisateur.; Séchez les surfaces internes du réservoir.
Entretien CUBE | Mode d'emploi | CUBE PST 1710 PST 2210 AFR Rev06 | 01/09/2022 | © Fabricant 73 NETTOYAGE DES RÉSERVOIRS D'EAU Avis : ne touchez pas les capteurs de niveau d'eau. Tout déplacement ou désalignement par rapport à leur position d'origine pourrait en effet compromettre le fonctionnement...
Page 74 - Ôtez les filtres internes.
Entretien 74 CUBE | Mode d'emploi | CUBE PST 1710 PST 2210 AFR Rev06 | 01/09/2022 | © Fabricant 5 Ôtez les filtres internes. 6 Nettoyez les cartouches métalliques des filtres internes à l'eau du robinet. 7 Repositionnez les filtres internes.
Page 76 - Entretien tous les 800 cycles; REMPLACEMENT DU JOINT DE LA PORTE
Entretien 76 CUBE | Mode d'emploi | CUBE PST 1710 PST 2210 AFR Rev06 | 01/09/2022 | © Fabricant Entretien tous les 800 cycles REMPLACEMENT DU JOINT DE LA PORTE Avis : si vous remplacez ce consommable avant la date d'entretien prévu, vous devez réinitialiser le compteur de cycles. Voir section "...
Page 77 - : une décharge de vapeur peut endommager les pièces en plastique du
Entretien CUBE | Mode d'emploi | CUBE PST 1710 PST 2210 AFR Rev06 | 01/09/2022 | © Fabricant 77 5 Insérez le nouveau joint en commençant par appuyer en haut et en bas. 6 Appuyez ensuite à gauche et à droite, puis sur toute la circonférence du joint pourgarantir un placement parfait. Avis : une déch...
Page 78 - VÉRIFICATION GÉNÉRALE ET RÉVISION OBLIGATOIRE; : une révision régulière est impérative pour assurer un; ACTIONS REQUISES POUR CHAQUE ÉLÉMENT; Pour chaque élément, veillez à exécuter les actions suivantes :
78 CUBE | Mode d'emploi | CUBE PST 1710 PST 2210 AFR Rev06 | 01/09/2022 | © Fabricant Entretien Entretien tous les 4000 cycles ou tousles cinq ans VÉRIFICATION GÉNÉRALE ET RÉVISION OBLIGATOIRE Avis : une révision régulière est impérative pour assurer un fonctionnement ininterrompu et efficace du st...
Page 79 - Entretien extraordinaire; VIDANGE DES RÉSERVOIRS D'EAU USÉE ET D'EAU PROPRE; Ouvrez la porte du compartiment d'entretien du stérilisateur.
Entretien CUBE | Mode d'emploi | CUBE PST 1710 PST 2210 AFR Rev06 | 01/09/2022 | © Fabricant 79 Entretien extraordinaire VIDANGE DES RÉSERVOIRS D'EAU USÉE ET D'EAU PROPRE Si vous laissez accidentellement les réservoirs pleins pendant plus de sept jours ou si vous prévoyez de ne pas utiliser le stéri...
Page 80 - Mise au rebut; RESPONSABILITÉ DE LA MISE AU REBUT; Ne pas laisser le stérilisateur dans des endroits non sécurisés; MATÉRIAUX
Entretien 80 CUBE | Mode d'emploi | CUBE PST 1710 PST 2210 AFR Rev06 | 01/09/2022 | © Fabricant Mise au rebut RESPONSABILITÉ DE LA MISE AU REBUT n Séparer les différents composants en fonction des matériaux qui les composent n Déposer le stérilisateur auprès d'une entreprise spécialisée dans le recy...
Page 81 - Diagnostics; Erreurs; VÉRIFICATIONS ET ACTIONS
CUBE | Mode d'emploi | CUBE PST 1710 PST 2210 AFR Rev06 | 01/09/2022 | © Fabricant 81 Diagnostics SOMMAIRE Cette section traite les sujets suivants : Erreurs 81 Résolution des problèmes 86 Ouverture de la porte en cas d'urgence 94 Erreurs VÉRIFICATIONS ET ACTIONS Avis : pour toute erreur non répert...
Page 84 - MESSAGES ET ALERTES
Dia gnostics 84 CUBE | Mode d'emploi | CUBE PST 1710 PST 2210 AFR Rev06 | 01/09/2022 | © Fabricant MESSAGES ET ALERTES Avis : pour toute erreur non répertoriée dans ce tableau, veuillez contacter le service technique. Message/Alerte Description Action Remp. Réser. eau propre. Il n'y a pas suffisamm...
Page 86 - Résolution des problèmes; GESTION DES ERREURS; AFFICHAGE ET ENREGISTREMENT DU JOURNAL DES ERREURS
86 CUBE | Mode d'emploi | CUBE PST 1710 PST 2210 AFR Rev06 | 01/09/2022 | © Fabricant Dia gnostics Résolution des problèmes GESTION DES ERREURS Si, lors d'un cycle de stérilisation, une erreur se produit, procédezcomme suit : 1 Attendez la fin de la phase de réinitialisation. ATTENTION ! Veillez à n...
Page 87 - MESSAGES D'AVERTISSEMENT
CUBE | Mode d'emploi | CUBE PST 1710 PST 2210 AFR Rev06 | 01/09/2022 | © Fabricant 87 Dia gnostics MESSAGES D'AVERTISSEMENT Message Description Charge nonstér. La charge n'est pas stérile. AVERTISSEMENT ! N'utilisez pas ces instruments surdes patients ! Séchageinterrompu La charge peut être humide. ...
Page 88 - RÉINITIALISATION DU THERMOSTAT DE SÉCURITÉ; Mettez le stérilisateur hors tension et retirez le câble secteur.
Dia gnostics 88 CUBE | Mode d'emploi | CUBE PST 1710 PST 2210 AFR Rev06 | 01/09/2022 | © Fabricant RÉINITIALISATION DU THERMOSTAT DE SÉCURITÉ Le stérilisateur est muni d'un thermostat de sécurité pour éviter sa surchauffe. Si le thermostat de sécurité se déclenche à la suite detempératures trop élev...
Page 89 - Ouvrez la porte de la cuve.
Dia gnostics CUBE | Mode d'emploi | CUBE PST 1710 PST 2210 AFR Rev06 | 01/09/2022 | © Fabricant 89 3 Ouvrez la porte de la cuve. 4 Retirez le filtre à poussière et rapprochez le stérilisateur du bord de la paillasse. 5 Appuyez sur le bouton de réinitialisation du commutateur du thermostat : undéclic...
Page 90 - Replacez le filtre à poussière dans sa position d'origine.
Dia gnostics 90 CUBE | Mode d'emploi | CUBE PST 1710 PST 2210 AFR Rev06 | 01/09/2022 | © Fabricant 6 Replacez le filtre à poussière dans sa position d'origine. 7 Fermez la porte de la cuve. 8 Branchez le câble secteur et replacez le stérilisateur dans sa position d'origine. 9 Allumez le stérilisateu...
Page 91 - TABLEAU DE RÉSOLUTION DES PROBLÈMES
Dia gnostics CUBE | Mode d'emploi | CUBE PST 1710 PST 2210 AFR Rev06 | 01/09/2022 | © Fabricant 91 TABLEAU DE RÉSOLUTION DES PROBLÈMES Remarque : si vous ne parvenez pas à résoudre le problème, contactez votre prestataire de services agréé. Avis : avant d'envoyer le stérilisateur au service techni...
Page 94 - Ouverture de la porte en cas d'urgence; AVERTISSEMENT CONCERNANT L'OUVERTURE DE LA PORTE EN CAS D'URGENCE; Pour cela, deux piles de 9 V de taille PP3 ou 1604 sont nécessaires.
Dia gnostics 94 CUBE | Mode d'emploi | CUBE PST 1710 PST 2210 AFR Rev06 | 01/09/2022 | © Fabricant Problème Cause possible Solutions Avertissement concernantl'enregistrement sur clé USB(fichiers HTML et SCL). La clé USB n'est pas connectée ou n'est pascorrectement raccordée au stérilisateur. Vérifie...
Page 95 - OUVERTURE DE LA PORTE EN CAS D'URGENCE; Débranchez le stérilisateur et patientez au moins trois heures.
Dia gnostics CUBE | Mode d'emploi | CUBE PST 1710 PST 2210 AFR Rev06 | 01/09/2022 | © Fabricant 95 OUVERTURE DE LA PORTE EN CAS D'URGENCE 1 Débranchez le stérilisateur et patientez au moins trois heures. 2 Prenez le faisceau de câbles auxiliaire inclus dans le boîtier du stérilisateur. 3 Ouvrez ferm...
Page 96 - Branchez deux piles dans les connecteurs.
Dia gnostics 96 CUBE | Mode d'emploi | CUBE PST 1710 PST 2210 AFR Rev06 | 01/09/2022 | © Fabricant 5 Branchez deux piles dans les connecteurs. 6 Tout en maintenant la porte du compartiment d'entretien tirée, branchez leconnecteur en plastique dans la prise située derrière le filtre bactériologique. ...
Page 98 - CYCLES DE STÉRILISATION STANDARD DISPONIBLES; INFORMATIONS GÉNÉRALES RELATIVES AUX CYCLES DE STÉRILISATION
Données techniques 98 CUBE | Mode d'emploi | CUBE PST 1710 PST 2210 AFR Rev06 | 01/09/2022 | © Fabricant CYCLES DE STÉRILISATION STANDARD DISPONIBLES Trois cycles de stérilisation de type B sont disponibles, tous conformes à la norme européenne EN 13060. Type cyc. Nom du cycle Objectif B B Universel...
Page 99 - DURÉE TOTALE DES CYCLES; poids de la charge
Données techniques CUBE | Mode d'emploi | CUBE PST 1710 PST 2210 AFR Rev06 | 01/09/2022 | © Fabricant 99 DURÉE TOTALE DES CYCLES La durée totale d'un cycle inclut le temps de séchage et peut varier en fonction de différents éléments, dont les suivants : n type de charge (solide ou poreuse) n poids d...
Page 100 - CHARGE MAXIMALE APPLICABLE AUX INSTRUMENTS; CHARGE MAXIMALE APPLICABLE AUX RÉCIPIENTS
Données techniques 100 CUBE | Mode d'emploi | CUBE PST 1710 PST 2210 AFR Rev06 | 01/09/2022 | © Fabricant CHARGE MAXIMALE APPLICABLE AUX INSTRUMENTS Remarque : la charge indiquée inclut les plateaux, les récipients et tout ce qui est introduit dans la cuve, à l'exclusion du panier. Instruments Ensa...
Page 101 - Phases du cycle de stérilisation; LÉGENDE DES PHASES DU CYCLE DE STÉRILISATION; Ci-après la description des phases de stérilisation.
Données techniques CUBE | Mode d'emploi | CUBE PST 1710 PST 2210 AFR Rev06 | 01/09/2022 | © Fabricant 101 Phases du cycle de stérilisation LÉGENDE DES PHASES DU CYCLE DE STÉRILISATION Ci-après la description des phases de stérilisation. Code Description PHE Préchauffage du stérilisateur. Cette phase...
Page 102 - PHASES DES CYCLES DE STÉRILISATION DE TYPE B
Données techniques 102 CUBE | Mode d'emploi | CUBE PST 1710 PST 2210 AFR Rev06 | 01/09/2022 | © Fabricant PHASES DES CYCLES DE STÉRILISATION DE TYPE B Tous les cycles de stérilisation de type B présentent un profil de pression de base identique, tel qu'illustré dans le graphique ci-dessous. Ladurée ...
Page 103 - SYSTÈME D'ALIMENTATION EN EAU; EXIGENCES RELATIVES À L'INSTALLATION
CUBE | Mode d'emploi | CUBE PST 1710 PST 2210 AFR Rev06 | 01/09/2022 | © Fabricant 103 Données techniques Données techniques SYSTÈME D'ALIMENTATION EN EAU Température Max. 35 °C (95 °F) P ression Min. 2 bar – Max. 8,6 bar (min. 29 psi - max. 124,7 psi) Débit Min. 0,25 – Max. 0,5 l/min (min. 0,055 – ...
Page 104 - CUVE DE STÉRILISATION; Recommandations pour la validation; POINTS DE VALIDATION DU TEST
104 CUBE | Mode d'emploi | CUBE PST 1710 PST 2210 AFR Rev06 | 01/09/2022 | © Fabricant Données techniques CUVE DE STÉRILISATION Soupape de sécurité 2,6 bar (37,7 psig) Th ermostats de sécurité 180 °C (356 °F) Volume total CUBE - 17 – 17 l / Ø : 250 mm / P : 362 mm (4,5 gal, Ø : 9,8" / P :14"...
Page 105 - Schémas; SCHÉMAS DE CONNEXION; Communication des données
Données techniques CUBE | Mode d'emploi | CUBE PST 1710 PST 2210 AFR Rev06 | 01/09/2022 | © Fabricant 105 Schémas SCHÉMAS DE CONNEXION Communication des données Système d'eau (*) : le système de filtration de l'eau doit être équipé d'un dispositif anti-retour conforme à la norme CEI 61770 et aux ré...
Page 107 - LISTE DES ACCESSOIRES ET DES PIÈCES DÉTACHÉES
CUBE | Mode d'emploi | CUBE PST 1710 PST 2210 AFR Rev06 | 01/09/2022 | © Fabricant 107 Données techniques Accessoires, pièces détachées,consommables Remarque : n'utilisez que des accessoires, pièces détachées et consommables recommandés par le fabricant. Remarque : avant de finaliser un achat, vér...
Page 109 - CONSOMMABLES; Partenaires d'entretien Miele autorisés
CUBE | Mode d'emploi | CUBE PST 1710 PST 2210 AFR Rev06 | 01/09/2022 | © Fabricant 109 Données techniques Image Section Référence - Kit de test Helix (PCD + 30 bandelettes) T801003X Ensemble concentrateur prises USB X051518X * Le panier pivoté à 90° peut recevoir 5 plateaux en aluminium standard. CO...
Page 110 - Formulaires de documentation; Liste de contrôle de l'installation Miele; QUESTIONS
Formulaires de documentation 110 CUBE | Mode d'emploi | CUBE PST 1710 PST 2210 AFR Rev06 | 01/09/2022 | © Fabricant SOMMAIRE Cette section traite les sujets suivants : Liste de contrôle de l'installation Miele 110 Formulaire de documentation relatif aux tests Helix 113 Liste de contrôle de l'install...
Page 111 - INFORMATIONS D'INSTALLATION
CUBE | Mode d'emploi | CUBE PST 1710 PST 2210 AFR Rev06 | 01/09/2022 | © Fabricant 111 Formula ires de documenta tion N° Question Réponse 14 Avez-vous montré au responsable de la clinique/du cabinetles options de cycle ? Oui Non 15 Avez-vous montré au responsable de la clinique/du cabinetce que sign...
Page 113 - Formulaire de documentation relatif aux tests Helix; INSTRUCTIONS
Formula ires de documenta tion CUBE | Mode d'emploi | CUBE PST 1710 PST 2210 AFR Rev06 | 01/09/2022 | © Fabricant 113 Formulaire de documentation relatif aux tests Helix INSTRUCTIONS Utilisez cette page pour créer un registre consignant les tests Helix afin de suivre l'efficacité du cycle de stérili...