Page 2 - Table des matières; Prélavage
Table des matières 2 Votre contribution à la protection de l'environnement .................................. 6 Consignes de sécurité et mises en garde ....................................................... 7 Utilisation du lave-linge ...................................................................
Page 3 - Nettoyage et entretien
Table des matières 3 Annuler un programme ........................................................................................ 47Mettre le lave-linge en marche après une interruption de l'alimentation ............ 47Ajouter/retirer du linge ..........................................................
Page 4 - Caractéristiques techniques
Table des matières 4 Raccordement à l'eau ......................................................................................... 75 Raccordement à l'eau froide ......................................................................... 75Raccordement à l'eau chaude* ...................................
Page 6 - Votre contribution à la protection de l'environnement; Recyclage de l’emballage
Votre contribution à la protection de l'environnement 6 Recyclage de l’emballage Nos emballages protègent votre appa-reil des dommages qui peuvent survenirpendant le transport. Nous les sélec-tionnons en fonction de critères écolo-giques permettant d'en faciliter le recy-clage. En participant au rec...
Page 7 - Consignes de sécurité et mises en garde; Utilisation conforme; Ce lave-linge est exclusivement conçu pour laver des textiles por-
Consignes de sécurité et mises en garde 7 Ce lave-linge répond aux réglementations de sécurité en vigueur.Toute utilisation non conforme peut toutefois causer des dom-mages corporels et matériels. Lisez attentivement le mode d'emploi avant de mettre le lave-lingeen service. Vous y trouverez des info...
Page 9 - Sécurité technique
Consignes de sécurité et mises en garde 9 Sécurité technique Vérifiez que votre lave-linge ne présente pas de dommages ex- ternes avant de l'installer. Si le lave-linge est endommagé, il ne doiten aucun cas être installé et mis en service. Seul un raccordement à une prise de terre conforme garan...
Page 11 - En cas de raccordement fixe, vous devez pouvoir accéder en ur-; La capacité de charge maximale est de 6,0 kg de linge sec. Pour
Consignes de sécurité et mises en garde 11 En cas de raccordement fixe, vous devez pouvoir accéder en ur- gence à un dispositif de disjonction sur chaque pôle afin de pouvoirdébrancher le lave-linge si nécessaire. Le fonctionnement temporaire ou permanent sur un système d’ali- mentation électriq...
Page 12 - Assurez-vous qu'il n'y a pas de corps étrangers dans votre linge
Consignes de sécurité et mises en garde 12 Assurez-vous qu'il n'y a pas de corps étrangers dans votre linge avant de le laver (par ex. clous, épingles, pièces ou trombones) afinde ne pas le détériorer. Les petits copeaux de métal pouvant se trou-ver dans les lavettes doivent particulièrement être ...
Page 13 - Les décolorants contiennent du soufre qui peut provoquer une
Consignes de sécurité et mises en garde 13 Les teintures que vous utilisez doivent convenir à une utilisation en lave-linge. Respectez impérativement les instructions du fabricantde la teinture. Les décolorants contiennent du soufre qui peut provoquer une corrosion de la machine. Ces produits ne...
Page 14 - Accessoires; Des accessoires ne peuvent être rajoutés ou montés que s'ils sont
Consignes de sécurité et mises en garde 14 Accessoires Des accessoires ne peuvent être rajoutés ou montés que s'ils sont expressément autorisés par Miele. Le montage d'autres pièces ex-clut le bénéfice de la garantie. Pour réaliser une colonne lave-linge / sèche-linge, superposez un sèche-linge ...
Page 15 - Utilisation du lave-linge; Bandeau de commande
Utilisation du lave-linge 15 Bandeau de commande a Touche sensitive Langue Pour sélectionner la langue utilisateuractuelle.A la fin du programme, la langue del'exploitant s'affiche de nouveau. b Ecran tactile et touches sensitives affiche le programme sélectionné.Les touches sensitives de l'écrant...
Page 16 - Symboles sur le bandeau de commande
Utilisation du lave-linge 16 Symboles sur le bandeau de commande Coté droit : Fauberts Fauberts plus Fauberts désinfection thermique Fauberts désinfection chimico-thermique PRO Coton PRO Côté gauche : Lavettes Lavettes plus Lavettes désinfection thermique Lavettes désinfection chimic...
Page 17 - Symboles à l’écran
Utilisation du lave-linge 17 Symboles à l’écran Température : La touche sensitive température permet de régler la tem- pérature du programme de lavage. Vitesse d'essorage : La touche sensitive vitesse d'essorage permet de régler la vitesse d'essorage du programme de lavage. Options : La tou...
Page 18 - Menu principal
Utilisation du lave-linge 18 Touches sensitives et écrantactile avec touches sensitives Les touches sensitives , et Start/Stop ainsi que les touches sensi- tives à l'écran réagissent au contact dudoigt. Tout contact est confirmé par unbip sonore. Vous pouvez modifier oudésactiver le volume du bi...
Page 19 - Exemples d'utilisation; Listes de sélection; Sélection simple; Réglage des données chiffrées; OK
Utilisation du lave-linge 19 Exemples d'utilisation Listes de sélection Les flèches et à droite de l'écran indiquent qu'une liste de sélection estdisponible. Langue deutsch čeština english (AU) dansk La touche sensitive permet de faire défiler la liste de sélection vers le bas.La touche...
Page 20 - Première mise en service; Dommages dus à une installation; Vider le tambour; Appuyez sur la touche; Régler la langue d'affichage; Effleurez la touche sensitive
Première mise en service 20 Dommages dus à une installation et un raccordement incorrects.Une installation et un raccordementincorrects du lave-linge entraînent degraves dommages matériels.Pour plus d'informations, reportez-vous au chapitre « Installation ». Vider le tambour Une crosse pour le tuy...
Page 21 - Régler la luminosité de l'écran; Interrogation valider l'heure
Première mise en service 21 Régler la luminosité de l'écran Luminosité – 70 OK + % Réglez la luminosité souhaitée avecles touches sensitives - et + et vali- dez avec la touche sensitive OK . L'écran passe au réglage suivant. Information sur les appareilsexternes Une information sur le matériel e...
Page 22 - Activer le dosage automatique
Première mise en service 22 Sélectionner les paquets deprogramme Paquets de programme Standard Préparerfauberts Effleurez la touche sensitive ou jusqu’à ce que le paquet de pro-gramme souhaité apparaisse. Appuyez sur la touche sensitive dupaquet de programmes. L'écran affiche les p...
Page 23 - Installer le monnayeur; Sélectionner eau de prélavage; Sélectionner l'eau de lavage
Première mise en service 23 Installer le monnayeur Si vous souhaitez installer un mon-nayeur, veuillez lire le chapitre « Modeexploitant », section « Monnayeur ». Si vous ne souhaitez pas installer demonnayeur, vous pouvez sauter l'instal-lation du monnayeur. Monnayeur Pas demonnayeur Mode pro...
Page 24 - Dommages provoqués par des; Terminer la mise en service; tion
Première mise en service 24 Démonter les sécurités detransport A l'aide d'un message, l'écran vousrappelle de retirer les sécurités detransport. Dommages provoqués par des sécurités de transport non enlevées.Une sécurité de transport non retiréepeut entraîner des dommages sur lelave-linge et les m...
Page 25 - Préparation du linge; Trier les pièces à laver; Utilisez de préférence des; Trier le linge; Ne lavez aucun textile marqué
1. Préparation du linge 25 Dommages provoqués par des corps étrangers.Des clous, pièces de monnaie, trom-bones, etc. peuvent endommager lelinge et certains composants de l'ap-pareil.Vérifiez la présence de corps étran-gers sur le linge avant le lavage et re-tirez les. Dommages provoqués par des ...
Page 27 - Mettre le lave-linge en marche; Sélectionner un programme; Effleurez la touche
3. Sélectionner un programme 27 Mettre le lave-linge en marche Appuyez sur la touche . Sélectionner un programme Sélection d'un programme standardgrâce au sélecteur Tournez le sélecteur de programmesur le programme souhaité. L'écran affiche le programme sélection-né. L'écran revient au menu d...
Page 28 - Sélectionner les paramètres du programme; Sélectionner la température; La vitesse sélectionnée est encadrée.
4. Sélectionner les paramètres du programme 28 Sélectionner la température Pour certains programmes, vous pou-vez modifier la température pré-réglée. Effleurez la touche sensitive Tempéra- ture . L’écran affiche : Températur 40°C 60°C 30°C Sélectionnez la température de votrechoix. La tempér...
Page 29 - Sélectionner des options; Sélectionner d'autres options
4. Sélectionner les paramètres du programme 29 Sélectionner des options vous pouvez désélectionner des op-tions pour un programme de lavage. Pour certains programmes, une optionest directement proposée dans le menuprincipal. Effleurez la touche sensitive de l'op-tion, l'option est activée. Pour ce...
Page 30 - Ajouter la lessive; Bac à produits; Dosage de la lessive; Remplissage de lessive
5. Ajouter la lessive 30 Vous pouvez doser la lessive de diffé-rentes manières. Bac à produits Vous pouvez utiliser toutes les lessivesadaptées au lave-linge. Dosage de la lessive Lors du dosage de la lessive, tenezcompte des indications du fabricant delessive. Le surdosage provoque une forma-tion e...
Page 31 - Sélectionnez le programme; Dosage externe
5. Ajouter la lessive 31 Ajout séparé d'adoucissant ou deproduit d'apprêt Sélectionnez le programme Rinçage supplémentaire . Modifiez la vitesse d'essorage, si né-cessaire. Versez l'assouplissant, le produitd'apprêt ou l'amidon liquide dans lecompartiment . Respectez la hau- teur de remplis...
Page 32 - Démarrer le programme - Fin du programme; Démarrer un programme; Stop; Fin du programme; Sortir le linge
6. Démarrer le programme - Fin du programme 32 Démarrer un programme Dès qu'un programme peut être démar-ré, la touche sensitive Start/Stop cli- gnote. Effleurez la touche sensitive Start/ Stop . La porte se verrouille (symbole ) et le programme de lavage démarre. Si un départ différé a été sél...
Page 33 - Départ différé; Sélectionner Départ différé; autres; Démarrer un départ différé
Départ différé 33 Grâce au départ différé, vous pouvezsélectionner la durée jusqu'au démar-rage du programme ou la fin du pro-gramme (voir chapitre « Mode exploi-tant », section « Départ différé »). Sélectionner Départ différé Effleurez la touche sensitive autres sélections . Sélectionnez l'o...
Page 34 - Tableau des programmes; Programmes Fauberts
Tableau des programmes 34 Programmes Fauberts - Un essorage* et un prérinçage est effectué avant le lavage. Fauberts 60 °C 6,0 kg max. Textiles Fauberts en coton, tissu mélangé ou microfibres Conseil Utiliser une lessive spéciale. 1400 tr/min Options : 2ème prérinçage , micro- fibres Cycles d...
Page 35 - Programmes Lavettes; Lavettes
Tableau des programmes 35 Programmes Lavettes - Un prérinçage est effectué avant le lavage. Lavettes 60 °C 3,0 kg max. Textiles Lavettes en coton, tissu mélangé ou microfibres Conseil Utiliser une lessive spéciale. 1400 tr/min Options : prélavage Cycles de rin-çage : 2-5* Lavettes plus 40 °C à...
Page 36 - Coton PRO; Paquets de programmes; Autres programmes
Tableau des programmes 36 Coton PRO 60 °C 6,0 kg max. Textiles Textiles en fibres mélangées (50 % en coton et 50 % en polyester) Conseil - Programme de lavage particulièrement économique pour les textiles professionnels normalement sales en coton ou coton/mélanges synthétiques, par ex. les vêtements...
Page 37 - Voilages
Tableau des programmes 37 Voilages froid à 40 °C 2,0 kg max. Textiles Voilages déclarés lavables en machine par le fabricant. Conseil - Un prérinçage est effectué avant le lavage. - Pour les voilages qui se froissent facilement, désactivez l’esso- rage. 600 tr/min Options : prélavage Cycles de rin...
Page 38 - Désinfection thermique des fauberts + rtu
Tableau des programmes 38 Préparer fauberts (ready to use) - Les fauberts sont lavés et préparés en un cycle. - Un essorage* et un prérinçage est effectué avant le lavage. - Il n'y a pas d'arrivée d'eau par le compartiment d'assouplissant lors de la désin- fection. Fauberts + rtu 60 °C 6,0 kg max. T...
Page 39 - Fauberts rtu
Tableau des programmes 39 Fauberts rtu 6,0 kg max. Textiles Fauberts en coton, tissu mélangé ou microfibres Conseil - Pour la préparation ultérieure de fauberts propres. - Amener l'agent de préparation via le compartiment d'adoucis- sant ou en externe. 0–60 s Cycles de rinçage :1 * Les réglages peuv...
Page 40 - Lavettes désinfection + rtu
Tableau des programmes 40 Préparer lavettes (ready to use) - Les lavettes sont lavées et préparées en un cycle. - Un prérinçage est effectué avant le lavage. - Il n'y a pas d'arrivée d'eau par le compartiment d'assouplissant lors de la désin- fection. Lavettes + rtu 60 °C 3,0 kg max. Textiles Lavett...
Page 41 - Lavettes rtu
Tableau des programmes 41 Lavettes rtu 3,0 kg max. Textiles Lavettes en coton, tissu mélangé ou microfibres Conseil - Pour la préparation ultérieure de lavettes propres. - Amener l'agent de préparation via le compartiment d'adoucis- sant ou en externe. 0–60 s Options : prélavage Cycles de rinçage ...
Page 42 - Ready to use
Tableau des programmes 42 Ready to use - L'humidité résiduelle après la préparation est sélectionnée avec la touche sensi- tive . Fauberts + rtu 40 °C à 90 °C 6,0 kg max. Textiles Fauberts en coton, tissu mélangé ou microfibres Conseil - Les fauberts sont lavés et apprêtés en un cycle. - Un esso...
Page 43 - Vêtements de travail
Tableau des programmes 43 Vêtements de travail Huile/graisse spéciale 60 °C à 90 °C 6,0 kg max. Textiles Blouses ou vestes de travail, toques, chiffons en coton ou fibresmélangées Conseil - Si le linge est très sale, activez le prélavage. - Utilisez de la lessive liquide. 1400 tr/min Options : préla...
Page 45 - Sélection des options
Options 45 Vous pouvez ajouter des options auxprogrammes standard. La disponibilité des options dépend duprogramme de lavage sélectionné. Siune option n'est pas proposée, c'estqu'elle n'est pas compatible avec ceprogramme de lavage. Sélection des options Pour certains programmes, une optionest direc...
Page 46 - Spécificités selon les programmes; Essorage; Vitesse d'essorage final; Infroissable
Spécificités selon les programmes 46 Essorage Vitesse d'essorage final La vitesse d'essorage maximale pour leprogramme de lavage s'affiche toujoursà l'écran lors de la sélection du pro-gramme. Il est possible de réduire la vitesse d'es-sorage final. En revanche, il est impossible desélectionner une ...
Page 47 - Modifier le déroulement d'un programme; Modifier un programme; Annuler un programme
Modifier le déroulement d'un programme 47 Modifier un programme Aucune modification de programmen'est possible après le démarrage duprogramme. Pour choisir un autre programme, vousdevez d'abord annuler le programme encours. Une fois le sélecteur de programmemodifié, l'information Changement de progr...
Page 48 - Ajouter/retirer du linge
Modifier le déroulement d'un programme 48 Ajouter/retirer du linge Vous pouvez ajouter ou retirer du lingelors des premières minutes qui suiventle démarrage du programme. Effleurez la touche Start/Stop . L’écran affiche : Ajouter du linge Annuler programme Effleurez la touche sensitive Ajouter d...
Page 49 - Risque d'électrocution en raison
Nettoyage et entretien 49 Risque d'électrocution en raison de la tension réseau.Les interventions de nettoyage et demaintenance doivent être réaliséesuniquement sur un appareil mis horstension.Débranchez le lave-linge du réseauélectrique. Nettoyer quotidiennement lefiltre de vidange Les grosses sa...
Page 50 - Risque de dommages dus à
Nettoyage et entretien 50 Vérifiez si la turbine de la pompe devidange peut tourner facilement. Enlevez les corps étrangers si néces-saire, et nettoyez l'intérieur. Remontez le filtre puis verrouillez-lebien. Risque de dommages dus à l’écoulement d’eau.Si le filtre à lessive n'est pas remis ...
Page 51 - Nettoyer le bac à produits; Retirez le siphon du compartiment
Nettoyage et entretien 51 Nettoyer le bac à produits L'utilisation de lessives liquides asso-ciée à des lavages à basse tempéra-ture favorise la formation de moisis-sures dans le bac à produits. Pour des raisons d'hygiène, nettoyezrégulièrement le bac à produits. Ouvrez le bac à produits jusqu'à...
Page 52 - Replacez le bac à produits.
Nettoyage et entretien 52 Nettoyer le logement du bac à pro-duits Avec un goupillon, enlevez les restesde lessive et les dépôts calcaires surles buses d'arrivée d'eau du bac àproduits. Replacez le bac à produits. Conseil : Laissez le bac à produits en- trouvert pour qu'il puisse sécher. Nettoyer...
Page 55 - Problème; Lorsque le programme
En cas d'anomalie 55 Aide en cas d'anomalie Vous pouvez régler la plupart des défauts ou anomalies courants par vous-même.Dans bon nombre de cas, vous économiserez ainsi du temps et de l'argent carvous n'aurez pas besoin de faire appel au service après-vente. Les tableaux suivants vous aideront à dé...
Page 56 - Annulation de programme et message d'anomalie; pas
En cas d'anomalie 56 Annulation de programme et message d'anomalie Problème Cause et solution Anomalie vidange.Nettoyez le filtre et lapompe de vidange.Vérifiez le tuyau devidange. La vidange est bloquée ou obstruée.Le tuyau de vidange est placé trop haut. Nettoyez les filtres et la pompe de vid...
Page 58 - Résultat de lavage non satisfaisant
En cas d'anomalie 58 Résultat de lavage non satisfaisant Problème Cause et solution Le résultat de lavagen’est pas satisfaisantavec de la lessive li-quide. La lessive liquide ne contient pas d'agent de blanchi-ment. Les taches de fruit, de café ou de thé ne sontdonc pas toujours éliminées. Utilise...
Page 59 - Problèmes d'ordre général avec le lave-linge
En cas d'anomalie 59 Problèmes d'ordre général avec le lave-linge Problème Cause et solution Le lave-linge vibre for-tement pendant l'esso-rage. Les pieds de l'appareil sont mal réglés et ne sont pasbloqués. Ajustez l'appareil de sorte qu'il soit bien d'aplombet bloquez les pieds. Une quantité imp...
Page 60 - La porte ne s’ouvre pas.
En cas d'anomalie 60 La porte ne s’ouvre pas. Problème Cause et solution Il est impossible d'ou-vrir la porte pendant lelavage. La porte est verrouillée pendant le cycle de lavage. Effleurez la touche sensitive Start/Stop . Sélectionnez Annuler programme ou Ajouter du linge . La porte est déverr...
Page 64 - Installation; Vue de face
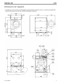
Installation *INSTALLATION* 64 Vue de face a Tuyau d’arrivée d’eau froide b Tuyau d’arrivée d’eau chaude (simonté) c Raccordement électrique d Bandeau de commande e Bac à produits f Porte g Trappe d’accès au filtre de vidange età la pompe de vidange h Pieds réglables en hauteur
Page 65 - Vue de l’arrière; Raccordement électrique
Installation *INSTALLATION* 65 Vue de l’arrière a Raccordement électrique b Interface de communication avec lesappareils externes c Raccordement pour le dosage ex-terne d Tuyau de vidange e Tuyau d’arrivée d’eau (froide) f Tuyau d’arrivée d’eau (chaude), simonté g Sécurités rotatives avec tiges detr...
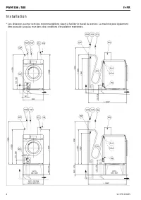
Page 66 - Possibilités d'installation; Vue latérale; Remarques sur l’installation; Dommages en cas de pénétra-
Installation *INSTALLATION* 66 Possibilités d'installation Vue latérale 1132 850 >1000 714 Colonne lave-linge/sèche-linge min. 300 1702 Le lave-linge peut être superposé à unsèche-linge Miele pour former une co-lonne lave-linge/sèche-linge. Un cadrede superposition est requis (accessoireen option...
Page 67 - Risque de blessures dû à un
Installation *INSTALLATION* 67 Transporter le lave-linge jus-qu'au lieu d'installation Risque de blessures dû à un transport incorrect.Si le lave-linge bascule, vous pouvezvous blesser et provoquer des dom-mages.Lors du transport du lave-linge,veillez à ce qu'il ne bascule pas. Transporter le lave...
Page 68 - Installez le lave-linge dans un
Installation *INSTALLATION* 68 Lieu d'installation La surface de montage la mieux adap-tée est un sol en béton. Contrairement àun plancher en bois ou à un sol« souple », il ne transmet pratiquementpas de vibrations lors de l’essorage. Installez le lave-linge bien d’aplombet veillez à ce qu'il soit...
Page 69 - Retirer la tige de transport droite
Installation *INSTALLATION* 69 Retirer la tige de transport droite Poussez le cache vers l'extérieur ettournez la tige de transport de 90° àl'aide de la clé à fourche fournie. Retirez la tige de transport. Obstruer les orifices Risque de blessure au contact des arêtes vives.Ne mettez jamais le...
Page 70 - Fixer les tiges de transport
Installation *INSTALLATION* 70 Fixer les tiges de transport Fixez les tiges de transport sur la pa-roi arrière du lave-linge. Conseil : Veillez à bien aligner les ori- fices avec les pivots . Dommages liés à un transport in- correct.Le lave-linge peut être endommagés’il est transporté sans s...
Page 71 - Ajuster le lave-linge; Dévissage et blocage des pieds
Installation *INSTALLATION* 71 Ajuster le lave-linge Pour un fonctionnement optimal, lelave-linge doit être horizontal et biend'aplomb sur ses quatre pieds. Une installation non conforme aug-mente la consommation d'eau etd'énergie, et peut provoquer un dépla-cement de l'appareil. Dévissage et blocag...
Page 72 - Etrier de fixation pour socle; Positionner l'étrier de fixation
Installation *INSTALLATION* 72 Etrier de fixation pour socle L'étrier de fixation empêche le lave-linge de tomber du socle pendant lefonctionnement. La fixation au moyen de l'équerre defixation est uniquement prévue pour lessocles en béton. Le socle doit êtreplane, stable et bien à l'horizontale. La...
Page 73 - Installer l'étrier de fixation
Installation *INSTALLATION* 73 Installer l'étrier de fixation Placez l'étrier de fixation au niveau dela marque sur le socle. Marquez un point pour chacun destrous de perçage au milieu des deuxtrous oblongs extérieurs. Percez 2 trous (8 mm) d'une profon-deur d'environ 55 mm chacun. Insérez l...
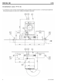
Page 74 - Dispositifs externes
Installation *INSTALLATION* 74 Dispositifs externes L'accessoire « Box XCI » est nécessairepour raccorder le sèche-linge à des dis-positifs externes (par ex. monnayeur oucommande de charge de pointe). Monnayeur Le lave-linge peut être équipé d'un sys-tème de paiement (accessoire en op-tion). La repr...
Page 75 - Raccordement à l'eau froide; Vissez le capuchon fourni.
Installation *INSTALLATION* 75 Raccordement à l'eau Raccordement à l'eau froide Le raccordement du lave-linge à l'arri-vée d'eau peut s'effectuer sans clapetanti-retour car il est construit suivant lesnormes DIN en vigueur. La pression d'écoulement doit êtresupérieure à 100 KPa et ne doit pas dé-pas...
Page 76 - Passer en mode eau chaude
Installation *INSTALLATION* 76 Raccordement à l'eau chaude* La température de l'eau chaude ne doitpas dépasser 70 °C.Pour assurer une consommation éner-gétique aussi réduite que possible pen-dant le fonctionnement à l'eau chaude,raccordez le lave-linge à une conduitecirculaire d'eau chaude. Des cond...
Page 77 - Pompe de vidange
Installation *INSTALLATION* 77 Vidange d'eau Pompe de vidange Le bain est vidangé par une pompe devidange d'une hauteur de refoulementde 1 m. Posez le tuyau sans coude, afinde ne pas gêner la vidange. Une crosse(disponible en accessoire) peut être ac-crochée à l'extrémité du tuyau. Possibilités de v...
Page 78 - Branchement électrique; - La prise électrique doit toujours être
Installation *INSTALLATION* 78 Branchement électrique La description s'applique aux lave-linge avec ou sans prise de raccorde-ment au réseau. Pour les lave-linge équipés d'une prisede raccordement au réseau : - Le lave-linge est prêt à être raccordé. - La prise électrique doit toujours être accessib...
Page 80 - Déclaration de conformité
Caractéristiques techniques 80 Déclaration de conformité Par la présente, Miele déclare que ce lave-linge est conforme à la directive2014/53/EU. Le texte complet de la déclaration de conformité se trouve sous une des adressesInternet suivantes : - Page d'accueil miele France, sur www.miele.fr - Ongl...
Page 81 - Mode exploitant; Fauberts 60 °C; Quitter le mode exploitant
Mode exploitant 81 Le menu comportant les réglagesdans le mode exploitant est ver- rouillé contre tout accès non autorisé.L'accès au menu est protégé par uncode. Accès par code Le Mode exploitant s'ouvre avec uncode. Le code est 000 (réglage d'usine). Modifier le code Vous pouvez modifier le cod...
Page 82 - Format heure
Mode exploitant 82 Langue Plusieurs langues d'affichage voussont proposées. Le sous-menuLangue permet de choisir la langued'exploitant principale. La langue d'utilisateur peut être modi-fiée le temps d'un programme à l'aidede la touche sensitive . Luminosité La luminosité de l’écran peut être ré-...
Page 84 - - Arrêt au bout de 15 minutes
Mode exploitant 84 Règle de mise en veille "appa-reil" Le lave-linge s'éteint automatique-ment. Cet arrêt intervient après la findu programme/la rotation infroissableou après la mise en marche si aucuneautre commande n'est effectuée. La modification de ce réglage entraîneune consommation d'é...
Page 85 - empêche
Mode exploitant 85 Eau lavage Vous pouvez sélectionner le typed'eau pour le lavage. - froid L'eau qui arrive dans le lave-lingepour le lavage est froide uniquement. - chaud De l'eau chaude arrive égalementdans le lave-linge pour le lavage.L'arrivée d'eau chaude est unique-ment admise pour une tempér...
Page 86 - Fauberts temp. standard plus; Fauberts plus; Fauberts désinf.thermique; fection thermique; Fauberts microfibres; Lavettes plus
Mode exploitant 86 Fauberts temp. standard plus Dans les programmes Fauberts plus et Fauberts plus + rtu , la température préenregistrée peut être modifiée. - 40 °C (réglage d'usine) - 60 °C - 70 °C - 90 °C Fauberts désinf. chimico-therm. Dans le programme Fauberts désin- fection thermochimique , le...
Page 87 - Dans le programme; Détection du vide; La détection de vide est désactivée.; Compteur alerte précoce; Couleurs; Niveau non repassable; passable
Mode exploitant 87 Lavettes dés.ch-th.+prépa Dans le programme Lavettes désinfec- tion chimico-thermique , le procédé de désinfection préréglé peut être modi-fié. - 40 °C/20 min - 60 °C/20 min (réglage d'usine) - 70 °C/10 min Vitesse prép.lavette Dans les programmes Lavettes avecApprêt/Préparation, ...
Page 88 - Durée prélavage; Durée lavage Non repassable; Non; Prélavage Blanc/ Couleurs; Non repassable
Mode exploitant 88 Temp.prélavage Blanc/Cou-leurs Pour le programme Blanc/Couleurs , la température du prélavage peut êtresélectionnée. - 30 °C (réglage d'usine) - 35 °C - 40 °C - 45 °C Durée prélavage Pour le programme Blanc/Couleurs , la durée du prélavage peut être augmen-tée. - + 0 min (réglage ...
Page 89 - Rinçages Blanc/ Couleurs; ble; Rinçage désinfection
Mode exploitant 89 Rinçages Blanc/ Couleurs Pour le programme Blanc/Couleurs et les programmes Fauberts standards,le nombre de cycles de rinçage peutêtre modifié. - 1 cycle de rinçage - 2 cycles de rinçage (réglage d'usine) - 3 cycles de rinçage - 4 cycles de rinçage - 5 cycles de rinçage Rinçages n...
Page 90 - Code programme désinfection; Réglage d’usine : désactivé; Dosage auto
Mode exploitant 90 Code programme désinfection Pour interrompre un programme dedésinfection, il faut saisir un code. Cecode peut être modifié. Ce code est : 0 0 0 Conseil : Si vous modifiez ce code, no- tez le nouveau code. Réduction de la température Pour éviter une ébullition prématuréedu bain les...
Page 92 - Connexion réseau; claves; Verrouillage ext. programme; Signal de délestage; - Charge de pointe 230 V; Empêcher le délestage
Mode exploitant 92 Connexion réseau La date et l'heure peuvent être syn-chronisées sur le réseau. - désactivé La date et l'heure ne sont pas syn-chronisées sur le réseau. - en tant que maître Les machines sont interconnectées,sans connexion Internet. Une ma-chine est déclarée comme maître etenvoie l...
Page 93 - Remote; Blanc
Mode exploitant 93 Remote La communication des données defonctionnement du lave-linge (parexemple, les messages d'erreur ou lesnotes) est externe. Réglage d’usine : activé Mise à jour à distance (Remo-teUpdate) La fonction RemoteUpdate (mise à jourà distance) permet de mettre à jour lelogiciel de vo...
Page 94 - Courant triphasé; non; Chauffage; . Les dispositions de
Mode exploitant 94 Courant triphasé L'affichage du temps restant dépenddu raccordement électrique. Pour unraccordement monophasé, le réglagedoit être mis sur non . Réglage d'usine : oui Chauffage Le chauffage peut être arrêté et lethermostop est ignoré. De plus, la sur-veillance d'anomalie de chauff...
Page 95 - Réglages du monnayeur
Mode exploitant 95 Monnayeur Le raccordement d'un monnayeur né-cessite l'accessoire XCI-AD ouBox XCI. Pour toute modification ultérieure,contacter le SAV Miele. Réglages du monnayeur Un monnayeur doit être raccordé. - Sans monnayeur Les paramétrages suivants sont igno-rés et la première mise en serv...
Page 96 - Verrouillage monnayeur; Supprimer signal payé
Mode exploitant 96 Verrouillage monnayeur Afin d’éviter les manipulations, un ver-rouillage du programme peut être ré-glé en mode programme. Si la portedu lave-linge est ouverte après le ver-rouillage, le programme est annulé etl’argent inséré est perdu. Le moment du verrouillage peut êtremodifié af...