Miele PWM 507 [EL DV] - Manuels

Miele PWM 507 [EL DV] - Manuel d'utilisation, Notice d'Installation en ligne au format PDF.
Manuel d'utilisation Miele PWM 507 [EL DV]








































































































Notice d'Installation Miele PWM 507 [EL DV]













Résumé
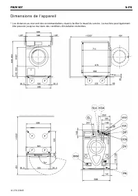
PWM 507 fr-FR 11 276 220/03 3 D i m e n s io n s d e l ’a p p a re i l * Les distances au mur sont des recommandations visant à faciliter le travail du service. La machine peut également être poussée jusqu'au mur dans des conditions d'installation restreintes.
PWM 507 fr-FR 4 11 276 220/03 I n s t a l l a t i o n * Les distances au mur sont des recommandations visant à faciliter le travail du service. La machine peut également être poussée jusqu'au mur dans des conditions d'installation restreintes.
PWM 507 fr-FR 11 276 220/03 5 C o l o n n e l a v e - l i n g e / s è c h e - l i n g e * Les distances au mur sont des recommandations visant à faciliter le travail du service. La machine peut également être poussée jusqu'au mur dans des conditions d'installation restreintes.
PWM 507 fr-FR = en série, = en option, + = uniquement sur demande, - non disponible 8 11 276 220/03 C a r a c t é r i s t i q u e s t e c h n i q u e s PWM 507 DV PWM 507 DP PWM 507 DV Hygiène / Spécial PWM 507 DP Hygiène / Spécial Volume du tambour l 64 64 64 64 Capacité kg 7,0 7,0 7,0 7,0 Ouve...
PWM 507 fr-FR = en série, = en option, + = uniquement sur demande, - non disponible 11 276 220/03 11 C a r a c t é r i s t i q u e s t e c h n i q u e s PWM 507 DV PWM 507 DP PWM 507 DV Hygiène / Spécial PWM 507 DP Hygiène / Spécial C a r a c t é r i s t i q u e s d e l ' a p p a r e i l Encombr...
PWM 507 fr-FR 12 11 276 220/03 C o n s e i l s d ' i n s t a l l a t i o n e t d e p l a n i f i c a t i o n Conditions d'installation Le branchement électrique doit impérativement être effectué sur une installation électrique conforme aux règlements, aux prescriptions et aux directives du pays ains...
Other Miele Autres Manuals
-
Miele APWM 066 Notice d'Installation
-
Miele APWM 062 Notice d'Installation
-
Miele APWM 065 Notice d'Installation
-
Miele APWM 020 Manuel d'utilisation
-
Miele APWM 020 Notice d'Installation
-
Miele SC Notice d'Installation
-
Miele PR Notice d'Installation
-
Miele FP 900 Notice d'Installation
-
Miele RP 900 Notice d'Installation
-
Miele APWM 019 Manuel d'utilisation
-
Miele APWM 019 Notice d'Installation
-
Miele A 830/1 Manuel d'utilisation
-
Miele TT 86 Manuel d'utilisation
-
Miele RP 1150 Notice d'Installation
-
Miele UG 5010 Notice d'Installation
-
Miele UO 5010 Notice d'Installation
-
Miele APCL 001 Notice d'Installation
-
Miele E 473/2 Manuel d'utilisation
-
Miele APRI 312 Notice d'Installation
-
Miele DOS K 85 flex Notice d'Installation