Page 2 - Table des matières; Prélavage
Table des matières 2 Votre contribution à la protection de l'environnement ......................................... 6 Consignes de sécurité et mises en garde ................................................................ 7 Utilisation du lave-linge ...................................................
Page 3 - Nettoyage et entretien
Table des matières 3 Nettoyage et entretien ................................................................................................. 43 Nettoyer la carrosserie et le bandeau ......................................................................... 43 Nettoyer le bac à produits.................
Page 4 - Mode exploitant
Table des matières 4 Mode exploitant ............................................................................................................ 73 Accès par code ............................................................................................................... 73 Modifier le code........
Page 6 - Votre contribution à la protection de l'environnement; Recyclage de l’emballage
Votre contribution à la protection de l'environnement 6 Recyclage de l’emballage Nos emballages protègent votre appa-reil des dommages qui peuvent survenirpendant le transport. Nous les sélec-tionnons en fonction de critères écolo-giques permettant d'en faciliter le recy-clage.En participant au recy...
Page 7 - Consignes de sécurité et mises en garde; Utilisation conforme
Consignes de sécurité et mises en garde 7 Ce lave-linge répond aux réglementations de sécurité en vigueur.Toute utilisation non conforme peut toutefois causer des dom-mages corporels et matériels.Lisez attentivement le mode d'emploi avant de mettre le lave-lingeen service. Vous y trouverez des infor...
Page 8 - Sécurité technique
Consignes de sécurité et mises en garde 8 Les enfants âgés de huit ans et plus peuvent utiliser le lave-linge sans surveillance uniquement si son fonctionnement leur a été expli-qué de telle sorte qu'ils puissent le manipuler en toute sécurité. Lesenfants doivent être en mesure d'appréhender et de...
Page 10 - Le fonctionnement temporaire ou permanent sur un système d’ali-; La capacité de charge maximale est de 7,0 kg de linge sec. Pour
Consignes de sécurité et mises en garde 10 Ce lave-linge est équipé d'une ampoule spéciale en raison d'exi- gences particulières (par ex. en matière de température, d'humidité,de résistance chimique, de résistance aux frottements et de vibra-tion). Cette ampoule spéciale convient uniquement à l'ut...
Page 11 - Assurez-vous qu'il n'y a pas de corps étrangers dans votre linge
Consignes de sécurité et mises en garde 11 Risque d'inondation ! Vérifiez que l'eau s'écoule suffisamment vite avant d'accrocher le tuyau de vidange dans un évier ou un lavabo.Bloquez le tuyau de vidange pour éviter qu'il ne glisse. Autrement laforce de refoulement de l'eau vidangée pourrait pouss...
Page 12 - Ne pas utiliser de nettoyeur sous pression ni de jet pour nettoyer
Consignes de sécurité et mises en garde 12 Evitez tout contact de surfaces en inox (façade, couvercle, carros- serie) avec des produits de nettoyage et de désinfection quicontiennent du chlore ou de l'hypochlorite de sodium. Ces produitspeuvent provoquer la corrosion de l'inox. Les vapeurs de chlo...
Page 13 - Accessoires; Des accessoires ne peuvent être rajoutés ou montés que s'ils sont
Consignes de sécurité et mises en garde 13 Accessoires Des accessoires ne peuvent être rajoutés ou montés que s'ils sont expressément autorisés par Miele. Le montage d'autres pièces exclutle bénéfice de la garantie. Pour réaliser une colonne lave-linge / sèche-linge, superposez un sèche-linge Mi...
Page 14 - Utilisation du lave-linge; Bandeau de commande
Utilisation du lave-linge 14 Bandeau de commande a Touche sensitive Langue Pour sélectionner la langue utilisateuractuelle.A la fin du programme, la langue del'exploitant s'affiche de nouveau. b Ecran tactile et touches sensitives affiche le programme sélectionné.Les touches sensitives de l'écran ...
Page 15 - Symboles sur le bandeau de commande
Utilisation du lave-linge 15 Symboles sur le bandeau de commande Blanc/Couleurs PRO Coton PRO Programmes spéciaux Express Non repassable Linge délicat Laine / Vidange/Essorage
Page 16 - Symboles à l’écran
Utilisation du lave-linge 16 Symboles à l’écran Température : La touche sensitive température permet de régler la tem- pérature du programme de lavage. Vitesse d'essorage : La touche sensitive vitesse d'essorage permet de régler la vitesse d'essorage du programme de lavage. Options : La tou...
Page 17 - Les touches sensitives; Menu principal; - le programme sélectionné avec la
Utilisation du lave-linge 17 Touches sensitives et écran tac-tile avec touches sensitives Les touches sensitives , et Start/Stop ainsi que les touches sensi- tives à l'écran réagissent au contact dudoigt. Tout contact est confirmé par unbip sonore. Vous pouvez modifier oudésactiver le volume du ...
Page 18 - Exemples d'utilisation; Listes de sélection; Sélection simple; Réglage des données chiffrées; OK
Utilisation du lave-linge 18 Exemples d'utilisation Listes de sélection Les flèches et à droite de l'écran indiquent qu'une liste de sélection estdisponible. Langue deutsch čeština english (AU) dansk La touche sensitive permet de faire défiler la liste de sélection vers le bas.La touche...
Page 19 - Première mise en service; Dommages dus à une installation; Vider le tambour; Appuyez sur la touche; Régler la langue d'affichage; Effleurez la touche sensitive
Première mise en service 19 Dommages dus à une installation et un raccordement incorrects.Une installation et un raccordementincorrects du lave-linge entraînent degraves dommages matériels.Pour plus d'informations, reportez-vous au chapitre « Installation ». Vider le tambour Une crosse pour le tuy...
Page 20 - Régler la luminosité de l'écran; Interrogation valider l'heure
Première mise en service 20 Information sur les appareils ex-ternes Une information sur le matériel externeapparaît. Validez en effleurant la touche sensi-tive OK . Raccordez la box XCI ou l'adaptateurXCI avant la première mise en serviceou poussez un module de communica-tion dans le logement prév...
Page 21 - Activer le dosage automatique
Première mise en service 21 Sélectionner les paquets deprogramme Paquets de programme DésinfectionRKI DésinfectionI Effleurez la touche sensitive ou jusqu’à ce que le paquet de pro-gramme souhaité apparaisse. Appuyez sur la touche sensitive dupaquet de programmes. L'écran affiche l...
Page 22 - Installer le monnayeur; Sélectionner eau de prélavage; Sélectionner l'eau de lavage
Première mise en service 22 Installer le monnayeur Si vous souhaitez installer un mon-nayeur, veuillez lire le chapitre « Modeexploitant », section « Monnayeur ».Si vous ne souhaitez pas installer demonnayeur, vous pouvez sauter l'instal-lation du monnayeur. Monnayeur Pas demonnayeur Mode prog...
Page 23 - Dommages provoqués par des; Terminer la mise en service
Première mise en service 23 Démonter les sécurités detransport A l'aide d'un message, l'écran vous rap-pelle de retirer les sécurités de trans-port. Dommages provoqués par des sécurités de transport non enlevées.Une sécurité de transport non retiréepeut entraîner des dommages sur lelave-linge et l...
Page 24 - Préparation du linge; Vider les poches; Conseils
1. Préparation du linge 24 Vider les poches Videz les poches. Dommages provoqués par des corps étrangers.Des clous, pièces de monnaie, trom-bones, etc. peuvent endommager lelinge et certains composants de l'ap-pareil.Vérifiez la présence de corps étran-gers sur le linge avant le lavage et re-tir...
Page 26 - Mettre le lave-linge en marche; Sélectionner un programme; Sélection des programmes spéciaux; Effleurez la touche
3. Sélectionner un programme 26 Mettre le lave-linge en marche Appuyez sur la touche . L'éclairage du tambour s'allume. L'éclairage du tambour s'éteint auto-matiquement au bout de 5 minutes ouaprès le démarrage du programme. Sélectionner un programme Sélection d'un programme standardgrâce au sé...
Page 27 - Sélectionner les paramètres du programme; La vitesse sélectionnée est encadrée.; Sélectionner des options; Sélectionner d'autres options
4. Sélectionner les paramètres du programme 27 Sélectionner la vitesse d'esso-rage Vous pouvez modifier la vitesse d'esso-rage préréglée. Effleurez la touche sensitive Vitesse de rotation . L’écran affiche : Vitesse de rotation 800 1000 400 0 1200 1600 Sélectionnez la vitesse d'essoragesouha...
Page 28 - Ajouter la lessive; Bac à produits; Dosage de la lessive; Remplissage de lessive
5. Ajouter la lessive 28 Vous pouvez doser la lessive de diffé-rentes manières. Bac à produits Vous pouvez utiliser toutes les lessivesadaptées au lave-linge. Dosage de la lessive Lors du dosage de la lessive, tenezcompte des indications du fabricant delessive. Le surdosage provoque une forma-tion e...
Page 29 - Rinçage; teur de remplissage maximale.; nage; Teintures et décolorants; Dosage externe
5. Ajouter la lessive 29 Ajout séparé d'adoucissant ou de pro-duit d'apprêt Sélectionnez le programme Rinçage supplémentaire . Modifiez la vitesse d'essorage, si né-cessaire. Versez l'assouplissant, le produitd'apprêt ou l'amidon liquide dans lecompartiment . Respectez la hau- teur de rempl...
Page 30 - Démarrer le programme - Fin du programme; Stop; Fin du programme; Sortir le linge
6. Démarrer le programme - Fin du programme 30 Monnayeur Pour utiliser le monnayeur, suivez lesinstructions de paiement qui s'affichentà l'écran. N'annulez pas le programme si ce der-nier est lancé. Vous risquez selon le ré-glage validé de perdre l'argent quevous avez mis dans le monnayeur. Démarrer...
Page 31 - Départ différé; Sélectionner Départ différé; autres; Démarrer un départ différé
Départ différé 31 Grâce au départ différé, vous pouvezsélectionner la durée jusqu'au démar-rage du programme ou la fin du pro-gramme (voir chapitre « Mode exploi-tant », section « Départ différé »). Sélectionner Départ différé Effleurez la touche sensitive autres sélections . Sélectionnez l'o...
Page 32 - Tableau des programmes; Programmes standard; Coton PRO
Tableau des programmes 32 Programmes standard Blanc/Couleurs 20 °C à 90 °C 7,0 kg max. Textiles Textiles en coton, lin ou fibres mélangées blancs Conseil - Sélectionnez la température selon les indications figurant sur l'étiquette d'entretien, sur la lessive, le type de salissure et lesexigences e...
Page 33 - rinçage supplémentaire; Programmes spéciaux; Nettoyage machine
Tableau des programmes 33 Laine 20 °C 2,5 kg max. Textiles Textiles en laine ou en laine mélangée lavables Conseil - Utiliser de la lessive laine. 1200 tr/min Cycles de rin-çage : 2 / Vidange/Essorage 7,0 kg maximal Conseil - Contrôlez la vitesse d'essorage réglée. - Sélectionnez l'option rinç...
Page 34 - Paquets de programmes; Désinfection RKI
Tableau des programmes 34 Paquets de programmes Vous pouvez sélectionner différents paquets de programmes. Les programmes sé-lectionnés dans les paquets de programmes sont ensuite affichés dans la liste sous Programmes spéciaux . Désinfection RKI Désinfection RKI 85 °C/15 min 7,0 kg max. Textiles ...
Page 36 - Désinfection I
Tableau des programmes 36 Désinfection I Désinfection 85 °C/15 min 7,0 kg max. Textiles Textiles en coton, lin ou fibres mélangées blancs Conseil - Désinfection thermique avec un temps de maintien de 15 mi- nutes à 85 °C. - Pas d'arrivée d’eau par le compartiment d'assouplissant. 1400 tr/min Optio...
Page 37 - Désinfection II
Tableau des programmes 37 Désinfection II Désinfection 80 °C / 10 min 7,0 kg max. Textiles Textiles en coton, lin ou fibres mélangées blancs Conseil - Désinfection thermique avec un temps de maintien de 10 mi- nutes à 80 °C. - Pas d'arrivée d’eau par le compartiment d'assouplissant. 1400 tr/min Op...
Page 38 - Désinfection 71 °C
Tableau des programmes 38 Désinfection 71 °C 71 °C 4,0 kg max. Textiles Textiles en coton ou fibres mélangées, triés par couleurs, adaptés àla désinfection. Conseil - Désinfection avec un temps de maintien de 3 minutes à 71 °C. - Pas d'arrivée d’eau par le compartiment d'assouplissant. 1400 tr/min O...
Page 39 - Sélection des options
Options 39 Vous pouvez ajouter des options auxprogrammes standard.La disponibilité des options dépend duprogramme de lavage sélectionné. Siune option n'est pas proposée, c'estqu'elle n'est pas compatible avec ceprogramme de lavage. Sélection des options Pour certains programmes, une optionest direct...
Page 40 - Spécificités selon les programmes; Essorage; Vitesse d'essorage final; Infroissable
Spécificités selon les programmes 40 Essorage Vitesse d'essorage final La vitesse d'essorage maximale pour leprogramme de lavage s'affiche toujoursà l'écran lors de la sélection du pro-gramme.Il est possible de réduire la vitesse d'es-sorage final.En revanche, il est impossible desélectionner une vi...
Page 41 - Modifier le déroulement d'un programme; Modifier un programme; Annuler un programme
Modifier le déroulement d'un programme 41 Si le lave-linge est équipé d'un mon-nayeur, il n'est pas possible d'inter-rompre ou de modifier le programme. Si le lave-linge est éteint pendant quele programme est en cours, la fonctionde veille n'éteindra pas complètementle lave-linge après 15 minutes. I...
Page 42 - Ajouter/retirer du linge
Modifier le déroulement d'un programme 42 Ajouter/retirer du linge Vous pouvez ajouter ou retirer du lingelors des premières minutes qui suiventle démarrage du programme. Effleurez la touche Start/Stop . L’écran affiche : Ajouter du linge Annuler programme Effleurez la touche sensitive Ajouter d...
Page 43 - Risque d'électrocution en raison; Nettoyer le bac à produits
Nettoyage et entretien 43 Risque d'électrocution en raison de la tension réseau.Les interventions de nettoyage et demaintenance doivent être réaliséesuniquement sur un appareil mis horstension.Débranchez le lave-linge du réseauélectrique. Nettoyer la carrosserie et lebandeau Dommages provoqués p...
Page 44 - Retirez le siphon du compartiment
Nettoyage et entretien 44 Nettoyage du tube d’aspiration et ducanal Retirez le siphon du compartiment . Nettoyez le siphon à l'eau courantechaude. Nettoyez également le tuyausur lequel le tube d'aspiration est fixé. Remettez le siphon en place sur letube. Nettoyez le canal de l'adoucissanta...
Page 45 - Utilisez régulièrement le programme; Ne chargez pas; toyage se fait tambour vide.
Nettoyage et entretien 45 Nettoyer le tambour, la cuve etle système de vidange En utilisant régulièrement des pro-grammes de lavage à partir de 60 °Cet des lessives universelles, vous pré-venez d'une éventuelle contaminationdu lave-linge. Utilisez régulièrement le programme Nettoyage machine , en pa...
Page 46 - Retirez le joint de caoutchouc
Nettoyage et entretien 46 Nettoyer les filtres d'arrivéed'eau Le lave-linge est équipé de filtres quiprotègent les vannes d'arrivée d'eau.Vérifiez ces filtres tous les 6 mois envi-ron, plus souvent en cas d’interruptionsfréquentes sur le réseau d’alimentationen eau. Nettoyer les filtres des tuyaux d...
Page 47 - Problème; Lorsque le programme
En cas d'anomalie 47 Aide en cas d'anomalie Vous pouvez régler la plupart des défauts ou anomalies courants par vous-même.Dans bon nombre de cas, vous économiserez ainsi du temps et de l'argent car vousn'aurez pas besoin de faire appel au service après-vente.Les tableaux suivants vous aideront à déc...
Page 48 - Annulation de programme et message d'anomalie; pas
En cas d'anomalie 48 Annulation de programme et message d'anomalie Problème Cause et solution Anomalie vidange.Nettoyez le filtre et lapompe de vidange.Vérifiez le tuyau devidange. La vidange est bloquée ou obstruée.Le tuyau de vidange est placé trop haut. Nettoyez les filtres et la pompe de vid...
Page 50 - Résultat de lavage non satisfaisant; Versez du sel détachant dans le compartiment
En cas d'anomalie 50 Résultat de lavage non satisfaisant Problème Cause et solution Le résultat de lavagen’est pas satisfaisantavec de la lessive li-quide. La lessive liquide ne contient pas d'agent de blanchi-ment. Les taches de fruit, de café ou de thé ne sontdonc pas toujours éliminées. Utilise...
Page 51 - Problèmes d'ordre général avec le lave-linge; Le réglage de la langue a été modifié.
En cas d'anomalie 51 Problèmes d'ordre général avec le lave-linge Problème Cause et solution Le lave-linge vibre forte-ment pendant l'esso-rage. Les pieds de l'appareil sont mal réglés et ne sont pasbloqués. Ajustez l'appareil de sorte qu'il soit bien d'aplombet bloquez les pieds. La pompe fait de...
Page 52 - La porte ne s’ouvre pas.
En cas d'anomalie 52 Problèmes d'ordre général avec le lave-linge Problème Cause et solution Le tambour est immo-bile, mais le programmecontinue de fonctionner. Allumez puis éteignez le lave-linge en appuyant surla touche . Prenez en compte le message qui s'affiche àl'écran : Effleurez la to...
Page 53 - Vidange obstruée; Risque d'ébouillantement dû au; Placez un récipient sous le clapet.
En cas d'anomalie 53 Déverrouillage manuel de porteen cas de vidange obstruée et/ou de panne de courant Risque d'électrocution en raison de la tension réseau.Les interventions de nettoyage et demaintenance doivent être réaliséesuniquement sur un appareil mis horstension.Débranchez le lave-linge du...
Page 54 - Nettoyer le filtre de vidange; Risque de dommages dus à; Ouvrir la porte; Risque de blessure due au tam-
En cas d'anomalie 54 Nettoyer le filtre de vidange Dès que l'eau ne coule plus : Dévissez entièrement le filtre et reti-rez-le. Nettoyez soigneusement le filtre devidange. Vérifiez si la turbine de la pompe devidange tourne facilement. Enlevez les corps étrangers (boutons,pièces de monnaie, ...
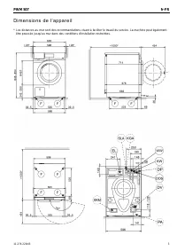
Page 57 - Installation; Vue de face; Branchement électrique
Installation *INSTALLATION* 57 Vue de face a Tuyau d'arrivée d'eau froide b Tuyau d'arrivée d'eau chaude c Branchement électrique d Bandeau de commande e Bac à produits f Porte g Trappe d’accès au filtre à lessive et àla pompe de vidange ou vanne de vi-dange et au déverrouillage d'urgence h Pieds ré...
Page 58 - Vue de dos
Installation *INSTALLATION* 58 Vue de dos a Branchement électrique b Interface de communication avec lesappareils externes c Raccordement pour le dosage ex-terne d Tuyau de vidange (variante pompe devidange) e Tuyau d'arrivée d'eau (eau froide) f Tuyau d'arrivée d'eau (eau chaude), simonté g Sécurit...
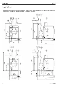
Page 59 - Possibilités d'installation; Vue latérale; Risque de blessures provoquées; Remarques sur l’installation; Dommages en cas de pénétra-
Installation *INSTALLATION* 59 Possibilités d'installation Vue latérale 1132 850 >1000 714 Colonne lave-linge/sèche-linge min. 300 1702 Le lave-linge peut être superposé à unsèche-linge Miele pour former une co-lonne lave-linge/sèche-linge. Un cadrede superposition est requis (accessoireen option...
Page 60 - Risque de blessures dû à un
Installation *INSTALLATION* 60 Transporter le lave-linge jus-qu'au lieu d'installation Risque de blessures dû à un transport incorrect.Si le lave-linge bascule, vous pouvezvous blesser et provoquer des dom-mages.Lors du transport du lave-linge,veillez à ce qu'il ne bascule pas. Transporter le lave...
Page 61 - Installez le lave-linge dans un; Retirer la tige de transport gauche; Retirez la tige de transport.
Installation *INSTALLATION* 61 Lieu d'installation La surface de montage la mieux adaptéeest un sol en béton. Contrairement à unplancher en bois ou à un sol « souple »,il ne transmet pratiquement pas de vi-brations lors de l’essorage. Installez le lave-linge bien d’aplomb etveillez à ce qu'il soit...
Page 62 - Retirer la tige de transport droite; Obstruer les orifices; Risque de blessure au contact
Installation *INSTALLATION* 62 Retirer la tige de transport droite Poussez le cache vers l'extérieur ettournez la tige de transport de 90° àl'aide de la clé à fourche fournie. Retirez la tige de transport. Obstruer les orifices Risque de blessure au contact des arêtes vives.Ne mettez jamais le...
Page 63 - Fixer les tiges de transport; Veillez à bien aligner les ori-; Ouvrir les caches; Soulevez légèrement le tam-
Installation *INSTALLATION* 63 Fixer les tiges de transport Fixez les tiges de transport sur la pa-roi arrière du lave-linge. Conseil : Veillez à bien aligner les ori- fices avec les pivots . Dommages liés à un transport in- correct.Le lave-linge peut être endommagés’il est transporté sans s...
Page 64 - Ajuster le lave-linge; Dévissage et blocage des pieds
Installation *INSTALLATION* 64 Ajuster le lave-linge Pour un fonctionnement optimal, lelave-linge doit être horizontal et biend'aplomb sur ses quatre pieds.Une installation non conforme aug-mente la consommation d'eau etd'énergie, et peut provoquer un dépla-cement de l'appareil. Dévissage et blocage...
Page 65 - Etrier de fixation pour socle
Installation *INSTALLATION* 65 Etrier de fixation pour socle L'étrier de fixation empêche le lave-lingede tomber du socle pendant le fonction-nement. La fixation au moyen de l'équerre defixation est uniquement prévue pour lessocles en béton. Le socle doit êtreplane, stable et bien à l'horizontale. L...
Page 66 - Installer l'étrier de fixation; Dispositifs externes
Installation *INSTALLATION* 66 Installer l'étrier de fixation Placez l'étrier de fixation au niveau dela marque sur le socle. Marquez un point pour chacun destrous de perçage au milieu des deuxtrous oblongs extérieurs. Percez 2 trous (8 mm) d'une profon-deur d'environ 55 mm chacun. Insérez l...
Page 67 - Raccordement à l'eau froide; vage; Vissez le capuchon fourni.; Maintenance
Installation *INSTALLATION* 67 Raccordement à l'eau Raccordement à l'eau froide Le raccordement du lave-linge à l'arrivéed'eau peut s'effectuer sans clapet anti-retour car il est construit suivant lesnormes DIN en vigueur.La pression d'écoulement doit êtresupérieure à 100 KPa et ne doit pas dé-passe...
Page 68 - Passer en mode eau chaude; Eau de lavage
Installation *INSTALLATION* 68 Raccordement à l'eau chaude* La température de l'eau chaude ne doitpas dépasser 70 °C.Pour assurer une consommation éner-gétique aussi réduite que possible pen-dant le fonctionnement à l'eau chaude,raccordez le lave-linge à une conduitecirculaire d'eau chaude. Des cond...
Page 69 - Clapet de vidange; cord fileté en plastique.
Installation *INSTALLATION* 69 Vidange d'eau Clapet de vidange La vidange du lave-linge s'effectue parun clapet motorisé. Un raccord enéquerre standard DN 70 permet de rac-corder la vidange à l'évacuation au sol àprévoir par l'utilisateur (bouche d'égoutavec siphon). Pompe de vidange Le bain est vid...
Page 70 - Dommages dus à une tension
Installation *INSTALLATION* 70 Branchement électrique La description s'applique aux lave-linge avec ou sans prise de raccorde-ment au réseau. Pour les lave-linge équipés d'une prisede raccordement au réseau : - Le lave-linge est prêt à être raccordé.- La prise électrique doit toujours être accessibl...
Page 71 - Caractéristiques techniques
Caractéristiques techniques 71 Hauteur 850 mm Largeur 596 mm Largeur (appareil avec couvercle inox) 605 mm Profondeur 714 mm Profondeur, porte ouverte 1132 mm Poids environ 100 kg Charge max. au sol en fonctionnement 3000 Newton Capacité 7,0 kg de linge sec Tension électrique voir plaque signalétiqu...
Page 72 - Déclaration de conformité
Caractéristiques techniques 72 Déclaration de conformité Par la présente, Miele déclare que ce lave-linge est conforme à la directive2014/53/EU. Le texte complet de la déclaration de conformité se trouve sous une des adressesInternet suivantes : - Page d'accueil miele France, sur www.miele.fr- Ongle...
Page 73 - Quitter le mode exploitant
Mode exploitant 73 Le menu comportant les réglages dansle mode exploitant est verrouillé contre tout accès non autorisé. L'ac-cès au menu est protégé par un code. Accès par code Le Mode exploitant s'ouvre avec uncode. Le code est 000 (réglage d'usine). Modifier le code Vous pouvez modifier le co...
Page 74 - Format heure
Mode exploitant 74 Langue Plusieurs langues d'affichage voussont proposées. Le sous-menu Languepermet de choisir la langue d'exploi-tant principale. La langue d'utilisateur peut être modi-fiée le temps d'un programme à l'aidede la touche sensitive . Luminosité La luminosité de l’écran peut être r...
Page 75 - - pour éviter tout risque d'ébouillantage
Mode exploitant 75 Infroissable La fonction Infroissable permet de ré-duire la formation de plis après la findu programme. Le tambour tourne encore jusqu'à30 minutes après la fin du programme.Vous pouvez ouvrir la porte du lave-lingeà tout moment.Réglage d'usine : activé Refroidissement bain A la fi...
Page 76 - SmartStart; Nom de programme
Mode exploitant 76 Départ différé L'heure et la date du départ différépeuvent être modifiées ou désacti-vées. - désactivé Le départ différé ne peut pas être mo-difié. - Fin de programme (réglage usine) Pour décider de l'heure de fin d'unprogramme de lavage, utilisez la fonc-tion « départ différé ». ...
Page 77 - empêche
Mode exploitant 77 Eau lavage Vous pouvez sélectionner le type d'eaupour le lavage. - froid L'eau qui arrive dans le lave-linge pourle lavage est froide uniquement. - chaud De l'eau chaude arrive égalementdans le lave-linge pour le lavage.L'arrivée d'eau chaude est unique-ment admise pour une tempér...
Page 78 - Détection du vide; La détection de vide est désactivée.; Compteur alerte précoce; Niveau non repassable; passable; Durée prélavage; Pour le programme
Mode exploitant 78 Détection du vide Un contact de lance d'aspiration peutdétecter quand les réservoirs externesde lessive liquide sont vides. Lorsqueles réservoirs sont vides, un messages'affiche à l'écran. - désactivé (réglage usine) La détection de vide est désactivée. - Contact à fermeture Les l...
Page 79 - Non repassable
Mode exploitant 79 Durée lavage Blanc/Couleurs La durée du lavage principal peut êtreaugmentée pour le programme Blanc/ Couleurs . - + 0 min (réglage d'usine)- + 10 min- + 20 min- + 30 min- + 40 min Durée lavage Non repassable La durée du lavage principal peut êtreaugmentée pour le programme Non re-...
Page 80 - Réglage d’usine : désactivé; ché dans la liste des
Mode exploitant 80 Rinçage désinfection Pour les programmes de désinfectionavec une température d'au moins60 °C, des cycles de rinçage supplé-mentaire peuvent être activés. Le rinçage se fait à l'eau chaude. La du-rée du programme est prolongée. Le linge peut être chaud au toucher àla fin du program...
Page 81 - Sélection module COM; – qualité de réception du Wi-Fi
Mode exploitant 81 Valeur d'ajustage dosage 1-6 Le débit de dosage (ml/min) despompes peut être corrigé afin de pou-voir réagir aux tolérances survenantdans le système de pompage pendantle temps de fonctionnement. La valeur de calibrage peut être réduitede 3 niveaux ou augmentée de 3 ni-veaux.La val...
Page 82 - – La connexion Wi-Fi est restaurée; Connexion réseau; claves
Mode exploitant 82 Le réseau n'est plus configuré. Pourpouvoir utiliser le réseau à nouveau,vous devez établir une nouvelleconnexion. – La connexion Wi-Fi est désactivée. – La connexion Wi-Fi est restaurée aux valeurs d'usine. Configuration Wi-Fi 2 méthodes de connexion sont pos-sibles. Système Aqua...
Page 83 - Signal de délestage; Réglage d’usine : activé
Mode exploitant 83 Signal de délestage Le dispositif d'arrêt de charge depointe permet de connecter le lave-linge à un système de gestion del'énergie. Un signal désactive tempo-rairement le chauffage du lave-linge. Lelave-linge ne doit être utilisé sur unsystème à charge de pointe que s'il estconnec...
Page 84 - SmartGrid; Le paramètre; Nettoyage pompe vidange
Mode exploitant 84 SmartGrid Le paramètre SmartGrid vous permet d'intégrer votre lave-linge dans les sys-tèmes de gestion de l'énergie des bâti-ments. Réglage d’usine : désactivé Nettoyage pompe vidange Le lave-linge indique à l'utilisateurquand le filtre de la pompe de vidangedoit être nettoyé. Ce ...
Page 85 - Réglages du monnayeur; Un monnayeur doit être raccordé.; Signal retour sur monnayeur; - Lâcher la touche Start
Mode exploitant 85 Monnayeur Pour toute modification ultérieure,contacter le SAV Miele. Le raccordement d'un monnayeur né-cessite l'accessoire XCI-AD ouBox XCI. Réglages du monnayeur Un monnayeur doit être raccordé. - Sans monnayeur Les paramétrages suivants sont igno-rés et la première mise en serv...
Page 86 - Verrouillage monnayeur; Supprimer signal payé
Mode exploitant 86 Verrouillage monnayeur Afin d’éviter les manipulations, un ver-rouillage du programme peut être régléen mode programme. Si la porte dulave-linge est ouverte après le ver-rouillage, le programme est annulé etl’argent inséré est perdu. Le moment du verrouillage peut êtremodifié afin...