Page 2 - Table des matières; Prélavage
Table des matières 2 Votre contribution à la protection de l'environnement ......................................... 6 Consignes de sécurité et mises en garde ................................................................ 7 Utilisation du lave-linge ...................................................
Page 3 - Lessives
Table des matières 3 Lessives ........................................................................................................................... 50 La bonne lessive ............................................................................................................. 50 Recommandatio...
Page 4 - Caractéristiques techniques
Table des matières 4 Vidange d'eau ................................................................................................................. 78 Clapet de vidange ..................................................................................................... 78 Pompe de vidange ...........
Page 6 - Votre contribution à la protection de l'environnement; Recyclage de l’emballage
Votre contribution à la protection de l'environnement 6 Recyclage de l’emballage Nos emballages protègent votre appa-reil des dommages qui peuvent survenirpendant le transport. Nous les sélec-tionnons en fonction de critères écolo-giques permettant d'en faciliter le recy-clage.En participant au recy...
Page 7 - Consignes de sécurité et mises en garde; Utilisation conforme
Consignes de sécurité et mises en garde 7 Ce lave-linge répond aux réglementations de sécurité en vigueur.Toute utilisation non conforme peut toutefois causer des dom-mages corporels et matériels.Lisez attentivement le mode d'emploi avant de mettre le lave-lingeen service. Vous y trouverez des infor...
Page 8 - Sécurité technique
Consignes de sécurité et mises en garde 8 Les enfants âgés de huit ans et plus peuvent utiliser le lave-linge sans surveillance uniquement si son fonctionnement leur a été expli-qué de telle sorte qu'ils puissent le manipuler en toute sécurité. Lesenfants doivent être en mesure d'appréhender et de...
Page 10 - Le fonctionnement temporaire ou permanent sur un système d’ali-; La capacité de charge maximale est de 8,0 kg de linge sec. Pour
Consignes de sécurité et mises en garde 10 Ce lave-linge est équipé d'une ampoule spéciale en raison d'exi- gences particulières (par ex. en matière de température, d'humidité,de résistance chimique, de résistance aux frottements et aux vibra-tions). Cette ampoule convient uniquement à l'utilisati...
Page 11 - Assurez-vous qu'il n'y a pas de corps étrangers dans votre linge
Consignes de sécurité et mises en garde 11 Risque d'inondation ! Vérifiez que l'eau s'écoule suffisamment vite avant d'accrocher le tuyau de vidange dans un évier ou un lavabo.Bloquez le tuyau de vidange pour éviter qu'il ne glisse. Autrement laforce de refoulement de l'eau vidangée pourrait pouss...
Page 12 - Accessoires
Consignes de sécurité et mises en garde 12 Ne pas utiliser de nettoyeur sous pression ni de jet pour nettoyer le lave-linge. En cas d'utilisation d'adjuvants et de produits spéciaux, suivre les conseils d'utilisation du fabricant. N'utiliser ces produits que dans lecadre prévu par le fabricant p...
Page 13 - Utilisation du lave-linge; Bandeau de commande
Utilisation du lave-linge 13 Bandeau de commande a Touche sensitive Langue Pour sélectionner la langue utilisa-teur actuelle.À la fin du programme, la langue del’exploitant s’affiche à nouveau. b Écran tactile et touches sensitives Affiche le programme sélectionné.Les touches sensitives de l’écran...
Page 14 - Symboles sur le bandeau de commande; Coton
Utilisation du lave-linge 14 Symboles sur le bandeau de commande Blanc/Couleurs Coton / Programmes spéciaux Express Non repassable Fin ECO 40-60 Coton ECO 40-60 / Vidange/Essorage
Page 16 - Menu principal
Utilisation du lave-linge 16 Touches sensitives et écran tac-tile avec touches sensitives Les touches sensitives , et Start/Stop ainsi que les touches sensi- tives à l'écran réagissent au contact dudoigt. Tout contact est confirmé par unbip sonore. Vous pouvez modifier oudésactiver le volume du ...
Page 17 - Exemples d'utilisation; Listes de sélection; Sélection simple; Réglage des données chiffrées; OK
Utilisation du lave-linge 17 Exemples d'utilisation Listes de sélection Les flèches et à droite de l'écran indiquent qu'une liste de sélection estdisponible. Langue deutsch čeština english (AU) dansk La touche sensitive permet de faire défiler la liste de sélection vers le bas.La touche...
Page 18 - Première mise en service; Dommages dus à une installation; Vider le tambour; Appuyez sur la touche
Première mise en service 18 Dommages dus à une installation et un raccordement incorrects.Une installation et un raccordementincorrects du lave-linge entraînent degraves dommages matériels.Pour plus d'informations, reportez-vous au chapitre « Installation ». Vider le tambour Une crosse pour le tuy...
Page 19 - Régler la langue d'affichage; Régler la luminosité de l'écran; Interrogation valider l'heure
Première mise en service 19 Régler la langue d'affichage Le système vous invite à régler la languequi apparaîtra à l'écran. Ce réglage peutêtre modifié à tout moment (voir cha-pitre « Mode exploitant », section« Langue »). Langue deutsch čeština english (AU) dansk Effleurez la touche sensiti...
Page 20 - et; Effleurez la touche sensitive
Première mise en service 20 Régler l'heure Heure 12 OK 05 : Réglez les heures avec les touchessensitives et et validez en appu- yant sur la touche sensitive OK . L'écran passe au réglage suivant. Sélectionner les paquets deprogramme Paquets de programme Sport Outdoor Effl...
Page 21 - Activer le dosage automatique; Sélectionner l'eau de lavage
Première mise en service 21 Activer le dosage automatique Le dosage automatique peut être com-mandé par la Box XCI ou le Module COM . Dosage auto Off Box XCI Effleurez la touche sensitive ou jusqu’à ce que l'option souhaitée ap-paraisse à l’écran. Effleurez la touche sensitive de l'op...
Page 22 - Dommages provoqués par des; Terminer la mise en service
Première mise en service 22 Démonter les sécurités detransport A l'aide d'un message, l'écran vous rap-pelle de retirer les sécurités de trans-port. Dommages provoqués par des sécurités de transport non enlevées.Une sécurité de transport non retiréepeut entraîner des dommages sur lelave-linge et l...
Page 23 - Lavage écologique; Express; Consommation de lessive
Lavage écologique 23 Consommation d'énergie etd'eau - Utilisez la charge maximale de chaque programme de lavage. La consomma-tion d’énergie et d’eau est plus avanta-geuse en charge pleine. - Les programmes visant à réduire la demande d’énergie et d’eau ont géné-ralement une durée plus longue. En al-...
Page 24 - Préparation du linge; Vider les poches; Conseils
1. Préparation du linge 24 Vider les poches Videz les poches. Dommages provoqués par des corps étrangers.Des clous, pièces de monnaie, trom-bones, etc. peuvent endommager lelinge et certains composants de l'ap-pareil.Vérifiez la présence de corps étran-gers sur le linge avant le lavage et re-tir...
Page 26 - Mettre le lave-linge en marche; Sélectionner un programme; Effleurez la touche
3. Sélectionner un programme 26 Mettre le lave-linge en marche Appuyez sur la touche . L'éclairage du tambour s'allume. L'éclairage du tambour s'éteint auto-matiquement au bout de 5 minutes ouaprès le démarrage du programme. Sélectionner un programme Sélection d'un programme standardgrâce au sé...
Page 27 - Sélectionner les paramètres du programme; Sélectionner la température; La vitesse sélectionnée est encadrée.; Sélectionner des options
4. Sélectionner les paramètres du programme 27 Sélectionner la température Pour certains programmes, vous pouvezmodifier la température pré-réglée. Effleurez la touche sensitive Tempéra- ture . L’écran affiche : Températur 40°C 60°C 30°C Sélectionnez la température de votrechoix. La températ...
Page 28 - Sélectionner d'autres options; Pour certains programmes, le
4. Sélectionner les paramètres du programme 28 Sélectionner d'autres options Vous pouvez activer la fonction de do-sage par capsules, sélectionner un dé-part différé ou modifier les réglages dulave-linge. Effleurez la touche sensitive . L’écran affiche : Autres sélections CapDosing Arrêt ...
Page 29 - Ajouter la lessive; Bac à produits; Dosage de la lessive; Remplissage de lessive
5. Ajouter la lessive 29 Vous pouvez doser la lessive de diffé-rentes manières. Bac à produits Vous pouvez utiliser toutes les lessivesadaptées au lave-linge. Dosage de la lessive Lors du dosage de la lessive, tenezcompte des indications du fabricant delessive. Le surdosage provoque une forma-tion e...
Page 30 - Rinçage; teur de remplissage maximale.; nage; Teintures et décolorants
5. Ajouter la lessive 30 Ajout séparé d'adoucissant ou de pro-duit d'apprêt Sélectionnez le programme Rinçage supplémentaire . Modifiez la vitesse d'essorage, si né-cessaire. Versez l'assouplissant, le produitd'apprêt ou l'amidon liquide dans lecompartiment . Respectez la hau- teur de rempl...
Page 31 - Activer le dosage en capsule; autres
5. Ajouter la lessive 31 Utiliser des capsules de lavage(Cap) Il existe trois types de capsules : = produits d'entretien des tex- tiles (par ex. : adoucissant etimperméabilisant) = additifs (par ex. : booster ou renforçateur de lavage) = lessives (uniquement pour le cycle de lavage) On peut sé...
Page 32 - Appuyez fermement sur la capsule.; et désactivez; Dosage externe
5. Ajouter la lessive 32 Appuyez fermement sur la capsule. Appuyez bien sur le couvercle pour lefermer. Repoussez le bac à produits dans lelave-linge. Une fois insérée dans le bac à pro-duits, la capsule s'ouvre. Si vous nel'avez pas complètement utilisée, soncontenu risque de couler.Jetez la ...
Page 33 - Démarrer le programme - Fin du programme; Monnayeur; Stop; Fin du programme; Sortir le linge
6. Démarrer le programme - Fin du programme 33 Monnayeur Pour utiliser le monnayeur, suivez lesinstructions de paiement qui s'affichentà l'écran. N'annulez pas le programme si ce der-nier est lancé. Vous risquez selon le ré-glage validé de perdre l'argent quevous avez mis dans le monnayeur. Démarrer...
Page 34 - Départ différé; Sélectionner Départ différé; Démarrer un départ différé
Départ différé 34 Grâce au départ différé, vous pouvezsélectionner la durée jusqu'au démar-rage du programme ou la fin du pro-gramme (voir chapitre « Mode exploi-tant », section « Départ différé »). Sélectionner Départ différé Effleurez la touche sensitive autres sélections . Sélectionnez l'o...
Page 35 - Tableau des programmes; Programmes standard
Tableau des programmes 35 Programmes standard Blanc/Couleurs 20 °C à 90 °C 8,0 kg max. Textiles Textiles en coton, lin ou fibres mélangées blancs Conseil - Sélectionnez la température selon les indications figurant sur l'étiquette d'entretien, sur la lessive, le type de salissure et lesexigences e...
Page 36 - Fin; rinçage supplémentaire
Tableau des programmes 36 Fin 30 °C 3,0 kg maximal Textiles Pour textiles délicats en fibres synthétiques, fibres mélangées, vis-cose Conseil - Désactiver l'essorage pour les textiles qui se froissent facile- ment. 600 tr/min Options : prélavage , défroissage Cycles de rin-çage : 2 ECO 40-60...
Page 37 - Programmes spéciaux; Linge éponge; Soie; Textiles foncés
Tableau des programmes 37 Programmes spéciaux Linge éponge 40 °C à 60 °C 8,0 kg maximal Textiles Serviettes et peignoirs en éponge Conseil - Pour les textiles foncés, utiliser une lessive couleurs. 1400 tr/min Options : prélavage Cycles de rin-çage : 2 Chemises 20 °C à 60 °C 3,0 kg maximal Textile...
Page 38 - Nettoyage machine
Tableau des programmes 38 Soie froid à 30 °C 3,0 kg maximal Textiles Soie et textiles lavables à la main qui ne contiennent pas de laine Conseil - Respecter les instructions figurant sur l'étiquette. - Laver les collants et les soutiens-gorge dans un sac de lavage. 600 tr/min Options : Rinçage suppl...
Page 39 - Paquets de programmes
Tableau des programmes 39 Paquets de programmes Vous pouvez sélectionner différents paquets de programmes. Les programmes sé-lectionnés dans les paquets de programmes sont ensuite affichés dans la liste sous Programmes spéciaux . Sport Textiles sport 30 °C à 60 °C 3,5 kg maximal Textiles Vêtements d...
Page 40 - Outdoor; imperméabilisation; Imperméabilisation
Tableau des programmes 40 Outdoor Duvets 30 °C à 60 °C 1 article max. Textiles Vestes d'extérieur (outdoor), sacs de couchage, oreillers et autrestextiles garnis de duvet Conseil - Ne pas utiliser d'adoucissant. - Avant le lavage, évacuer l'air. Pour cela, placer le linge dans un sac de lavage étroi...
Page 41 - Salon de coiffure/salon de beauté; çage supplémentaire
Tableau des programmes 41 Salon de coiffure/salon de beauté Serviettes de toilette 40 °C 6,0 kg maximal Textiles Linge éponge en coton légèrement sale Conseil - Pour les textiles foncés, utiliser une lessive couleurs. 1400 tr/min Cycles de rin-çage : 2 Serviettes + 40 °C à 80 °C 6,0 kg maximal Texti...
Page 42 - Hôtel
Tableau des programmes 42 Hôtel Draps 40 °C à 90 °C 8,0 kg maximal Textiles Draps en coton ou fibres mélangées Conseil - Un trempage est toujours effectué après le démarrage. - Pour les textiles colorés, utilisez une lessive couleurs. 1200 tr/min Options : prélavage , défroissage Cycles de rin...
Page 43 - Linge de maison
Tableau des programmes 43 Linge de maison Voilages délicats froid jusqu'à 40 °C 4,0 kg maximal Textiles Voilages déclarés lavables en machine par le fabricant. Conseil - Pour les voilages qui se froissent facilement, désactivez l’esso- rage. 600 tr/min Options : prélavage , rinçage supplémen- tai...
Page 44 - Vêtements de travail
Tableau des programmes 44 Vêtements de travail Huile/graisse spéciale 60 °C à 90 °C 8,0 kg maximal Textiles Blouses ou vestes de travail, toques, chiffons en coton ou fibresmélangées Conseil - Si le linge est très sale, activer le prélavage. - Utiliser de la lessive liquide. 1400 tr/min Options : pr...
Page 45 - Désinfection
Tableau des programmes 45 Désinfection Désinfection 85 °C/ 15 min 8,0 kg max. Article Textiles en coton ou fibres mélangées Conseil - Désinfection thermique avec un temps de maintien de 15 mi- nutes à 85 °C. - Il est possible d'activer un rinçage de désinfection supplémen- taire via le mode exploi...
Page 46 - Sélection des options; et être repassables; Rinçage supplémentaire
Options 46 Vous pouvez ajouter des options auxprogrammes standard.La disponibilité des options dépend duprogramme de lavage sélectionné. Siune option n'est pas proposée, c'estqu'elle n'est pas compatible avec ceprogramme de lavage. Sélection des options Pour certains programmes, une optionest direct...
Page 47 - Spécificités selon les programmes; Essorage; Vitesse d'essorage final; Infroissable
Spécificités selon les programmes 47 Essorage Vitesse d'essorage final La vitesse d'essorage maximale pour leprogramme de lavage s'affiche toujoursà l'écran lors de la sélection du pro-gramme.Il est possible de réduire la vitesse d'es-sorage final.En revanche, il est impossible desélectionner une vi...
Page 48 - Modifier le déroulement d'un programme; Modifier un programme; Annuler un programme
Modifier le déroulement d'un programme 48 Si le lave-linge est équipé d'un mon-nayeur, il n'est pas possible d'inter-rompre ou de modifier le programme. Si le lave-linge est éteint pendant quele programme est en cours, la fonctionde veille n'éteindra pas complètementle lave-linge après 15 minutes. I...
Page 49 - Ajouter/retirer du linge
Modifier le déroulement d'un programme 49 Ajouter/retirer du linge Vous pouvez ajouter ou retirer du lingelors des premières minutes qui suiventle démarrage du programme. Effleurez la touche Start/Stop . L’écran affiche : Ajouter du linge Annuler programme Effleurez la touche sensitive Ajouter d...
Page 50 - La bonne lessive
Lessives 50 La bonne lessive Vous pouvez utiliser toutes les lessives adaptées au lave-linge. Les indicationsd'utilisation et de dosage figurent sur l'emballage du produit. Recommandation de produits de lessive conformément à la directive (UE)n° 1015/2010 Les recommandations s'appliquent aux mêmes g...
Page 51 - Nettoyage et entretien; Risque d'électrocution en raison; Nettoyer le bac à produits
Nettoyage et entretien 51 Risque d'électrocution en raison de la tension réseau.Les interventions de nettoyage et demaintenance doivent être réaliséesuniquement sur un appareil mis horstension.Débranchez le lave-linge du réseauélectrique. Nettoyer la carrosserie et lebandeau Dommages provoqués p...
Page 52 - Retirez le siphon du compartiment
Nettoyage et entretien 52 Nettoyage du tube d’aspiration et ducanal Retirez le siphon du compartiment . Nettoyez le siphon à l'eau courantechaude. Nettoyez également le tuyausur lequel le tube d'aspiration est fixé. Remettez le siphon en place sur letube. Nettoyez le canal de l'adoucissanta...
Page 53 - Utilisez régulièrement le programme; Ne chargez pas; toyage se fait tambour vide.
Nettoyage et entretien 53 Nettoyer le tambour, la cuve etle système de vidange En utilisant régulièrement des pro-grammes de lavage à partir de 60 °Cet des lessives universelles, vous pré-venez d'une éventuelle contaminationdu lave-linge. Utilisez régulièrement le programme Nettoyage machine , en pa...
Page 54 - Retirez le joint de caoutchouc
Nettoyage et entretien 54 Nettoyer les filtres d'arrivéed'eau Le lave-linge est équipé de filtres quiprotègent les vannes d'arrivée d'eau.Vérifiez ces filtres tous les 6 mois envi-ron, plus souvent en cas d’interruptionsfréquentes sur le réseau d’alimentationen eau. Nettoyer les filtres des tuyaux d...
Page 55 - Problème; Lorsque le programme
En cas d'anomalie 55 Aide en cas d'anomalie Vous pouvez régler la plupart des défauts ou anomalies courants par vous-même.Dans bon nombre de cas, vous économiserez ainsi du temps et de l'argent car vousn'aurez pas besoin de faire appel au service après-vente.Les tableaux suivants vous aideront à déc...
Page 56 - Annulation de programme et message d'anomalie; pas
En cas d'anomalie 56 Annulation de programme et message d'anomalie Problème Cause et solution Anomalie vidange.Nettoyez le filtre et lapompe de vidange.Vérifiez le tuyau devidange. La vidange est bloquée ou obstruée.Le tuyau de vidange est placé trop haut. Nettoyez les filtres et la pompe de vid...
Page 58 - Résultat de lavage non satisfaisant; Versez du sel détachant dans le compartiment
En cas d'anomalie 58 Résultat de lavage non satisfaisant Problème Cause et solution Le résultat de lavagen’est pas satisfaisantavec de la lessive li-quide. La lessive liquide ne contient pas d'agent de blanchi-ment. Les taches de fruit, de café ou de thé ne sontdonc pas toujours éliminées. Utilise...
Page 59 - Problèmes d'ordre général avec le lave-linge; Le réglage de la langue a été modifié.
En cas d'anomalie 59 Problèmes d'ordre général avec le lave-linge Problème Cause et solution Le lave-linge vibre forte-ment pendant l'esso-rage. Les pieds de l'appareil sont mal réglés et ne sont pasbloqués. Ajustez l'appareil de sorte qu'il soit bien d'aplombet bloquez les pieds. La pompe fait de...
Page 61 - La porte ne s’ouvre pas.
En cas d'anomalie 61 La porte ne s’ouvre pas. Problème Cause et solution Il est impossible d'ouvrirla porte pendant le la-vage. La porte est verrouillée pendant le cycle de lavage. Effleurez la touche sensitive Start/Stop . Sélectionnez Annuler le programme ou Ajouter du linge . La porte est dév...
Page 62 - Vidange obstruée; Risque d'ébouillantement dû au; Placez un récipient sous le clapet.
En cas d'anomalie 62 Déverrouillage manuel de porteen cas de vidange obstruée et/ou de panne de courant Risque d'électrocution en raison de la tension réseau.Les interventions de nettoyage et demaintenance doivent être réaliséesuniquement sur un appareil mis horstension.Débranchez le lave-linge du...
Page 63 - Nettoyer le filtre de vidange; Risque de dommages dus à; Ouvrir la porte; Risque de blessure due au tam-
En cas d'anomalie 63 Nettoyer le filtre de vidange Dès que l'eau ne coule plus : Dévissez entièrement le filtre et reti-rez-le. Nettoyez soigneusement le filtre devidange. Vérifiez si la turbine de la pompe devidange tourne facilement. Enlevez les corps étrangers (boutons,pièces de monnaie, ...
Page 65 - Accessoires en option
Service après-vente 65 Contact en cas d'anomalies Vous n'arrivez pas à résoudre l'anomaliepar vous-même ? Contactez le serviceaprès-vente Miele ou votre revendeurMiele. Les numéros de téléphone du serviceaprès-vente Miele figurent en fin denotice. Veuillez indiquer le modèle et la réfé-rence de votr...
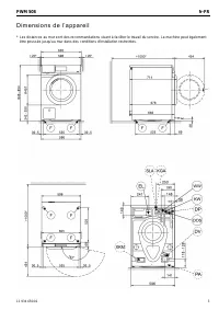
Page 66 - Installation; Vue de face; Branchement électrique
Installation *INSTALLATION* 66 Vue de face a Tuyau d'arrivée d'eau froide b Tuyau d'arrivée d'eau chaude c Branchement électrique d Bandeau de commande e Bac à produits f Porte g Trappe d’accès au filtre à lessive et àla pompe de vidange ou vanne de vi-dange et au déverrouillage d'urgence h Pieds ré...
Page 67 - Vue de dos
Installation *INSTALLATION* 67 Vue de dos a Branchement électrique b Interface de communication avec lesappareils externes c Raccordement pour le dosage ex-terne d Tuyau de vidange (variante pompe devidange) e Tuyau d'arrivée d'eau (eau froide) f Tuyau d'arrivée d'eau (eau chaude), simonté g Sécurit...
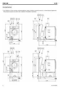
Page 68 - Possibilités d'installation; Vue latérale; Risque de blessures provoquées; Remarques sur l’installation; Dommages en cas de pénétra-
Installation *INSTALLATION* 68 Possibilités d'installation Vue latérale 1132 850 >1000 714 Colonne lave-linge/sèche-linge min. 300 1702 Le lave-linge peut être superposé à unsèche-linge Miele pour former une co-lonne lave-linge/sèche-linge. Un cadrede superposition est requis (accessoireen option...
Page 69 - Risque de blessures dû à un
Installation *INSTALLATION* 69 Transporter le lave-linge jus-qu'au lieu d'installation Risque de blessures dû à un transport incorrect.Si le lave-linge bascule, vous pouvezvous blesser et provoquer des dom-mages.Lors du transport du lave-linge,veillez à ce qu'il ne bascule pas. Transporter le lave...
Page 70 - Installez le lave-linge dans un; Retirer la tige de transport gauche; Retirez la tige de transport.
Installation *INSTALLATION* 70 Lieu d'installation La surface de montage la mieux adaptéeest un sol en béton. Contrairement à unplancher en bois ou à un sol « souple »,il ne transmet pratiquement pas de vi-brations lors de l’essorage. Installez le lave-linge bien d’aplomb etveillez à ce qu'il soit...
Page 71 - Retirer la tige de transport droite; Obstruer les orifices; Risque de blessure au contact
Installation *INSTALLATION* 71 Retirer la tige de transport droite Poussez le cache vers l'extérieur ettournez la tige de transport de 90° àl'aide de la clé à fourche fournie. Retirez la tige de transport. Obstruer les orifices Risque de blessure au contact des arêtes vives.Ne mettez jamais le...
Page 72 - Fixer les tiges de transport; Veillez à bien aligner les ori-; Ouvrir les caches; Soulevez légèrement le tam-
Installation *INSTALLATION* 72 Fixer les tiges de transport Fixez les tiges de transport sur la pa-roi arrière du lave-linge. Conseil : Veillez à bien aligner les ori- fices avec les pivots . Dommages liés à un transport in- correct.Le lave-linge peut être endommagés’il est transporté sans s...
Page 73 - Ajuster le lave-linge; Dévissage et blocage des pieds
Installation *INSTALLATION* 73 Ajuster le lave-linge Pour un fonctionnement optimal, lelave-linge doit être horizontal et biend'aplomb sur ses quatre pieds.Une installation non conforme aug-mente la consommation d'eau etd'énergie, et peut provoquer un dépla-cement de l'appareil. Dévissage et blocage...
Page 74 - Etrier de fixation pour socle; Installer l'étrier de fixation
Installation *INSTALLATION* 74 Etrier de fixation pour socle L'étrier de fixation empêche le lave-lingede tomber du socle pendant le fonction-nement. La fixation au moyen de l'équerre defixation est uniquement prévue pour lessocles en béton. Le socle doit êtreplane, stable et bien à l'horizontale. L...
Page 75 - Dispositifs externes; - Module de communication Box XCI
Installation *INSTALLATION* 75 Montez l'étrier de fixation avec les vishexagonales et les rondelles. Ne serrez pas trop les vis, pour quel'étrier de fixation puisse être déplacélatéralement. Fixation du lave-linge avec un étrier defixation Faites glisser le lave-linge sur l'étrierde fixation mon...
Page 76 - Raccordement à l'eau froide; vage; Vissez le capuchon fourni.; Maintenance
Installation *INSTALLATION* 76 Raccordement à l'eau Raccordement à l'eau froide Le raccordement du lave-linge à l'arrivéed'eau peut s'effectuer sans clapet anti-retour car il est construit suivant lesnormes DIN en vigueur.La pression d'écoulement doit êtresupérieure à 100 KPa et ne doit pas dé-passe...
Page 77 - Passer en mode eau chaude; Eau de lavage
Installation *INSTALLATION* 77 Raccordement à l'eau chaude* La température de l'eau chaude ne doitpas dépasser 70 °C.Pour assurer une consommation éner-gétique aussi réduite que possible pen-dant le fonctionnement à l'eau chaude,raccordez le lave-linge à une conduitecirculaire d'eau chaude. Des cond...
Page 78 - Clapet de vidange; cord fileté en plastique.
Installation *INSTALLATION* 78 Vidange d'eau Clapet de vidange La vidange du lave-linge s'effectue parun clapet motorisé. Un raccord enéquerre standard DN 70 permet de rac-corder la vidange à l'évacuation au sol àprévoir par l'utilisateur (bouche d'égoutavec siphon). Pompe de vidange Le bain est vid...
Page 79 - Dommages dus à une tension
Installation *INSTALLATION* 79 Branchement électrique La description s'applique aux lave-linge avec ou sans prise de raccorde-ment au réseau. Pour les lave-linge équipés d'une prisede raccordement au réseau : - Le lave-linge est prêt à être raccordé.- La prise électrique doit toujours être accessibl...
Page 81 - Déclaration de conformité
Caractéristiques techniques 81 Déclaration de conformité Par la présente, Miele déclare que ce lave-linge est conforme à la directive2014/53/EU. Le texte complet de la déclaration de conformité se trouve sous une des adressesInternet suivantes : - Page d'accueil miele France, sur www.miele.fr- Ongle...
Page 82 - Données de consommation
Données de consommation 82 Pr ogr ammes Charg e Énergie Eau Dur ée Tempér a tur e 1 Humidit é r ési- duelle Vit es se de r o - ta tion kg kWh Litr e h.:min. °C % tr/min E C O 4 0 – 6 0* 8,0 0,658 61,9 3:39 30 44, 1 16 00 4,0 0,4 9 6 4 9,0 2:4 8 30 4 3,3 16 00 2,0 0, 25 2 29, 1 2:4 8 2 4 4 7,0 16 00...
Page 83 - Mode exploitant; Quitter le mode exploitant
Mode exploitant 83 Le menu comportant les réglages dansle mode exploitant est verrouillé contre tout accès non autorisé. L'ac-cès au menu est protégé par un code. Accès par code Le Mode exploitant s'ouvre avec uncode. Le code est 000 (réglage d'usine). Modifier le code Vous pouvez modifier le co...
Page 84 - Format heure
Mode exploitant 84 Langue Plusieurs langues d'affichage voussont proposées. Le sous-menu Languepermet de choisir la langue d'exploi-tant principale. La langue d'utilisateur peut être modi-fiée le temps d'un programme à l'aidede la touche sensitive . Luminosité La luminosité de l’écran peut être r...
Page 85 - - pour éviter tout risque d'ébouillantage
Mode exploitant 85 Infroissable La fonction Infroissable permet de ré-duire la formation de plis après la findu programme. Le tambour tourne encore jusqu'à30 minutes après la fin du programme.Vous pouvez ouvrir la porte du lave-lingeà tout moment.Réglage d'usine : activé Refroidissement bain A la fi...
Page 86 - SmartStart; Nom de programme
Mode exploitant 86 Départ différé L'heure et la date du départ différépeuvent être modifiées ou désacti-vées. - désactivé Le départ différé ne peut pas être mo-difié. - Fin de programme (réglage usine) Pour décider de l'heure de fin d'unprogramme de lavage, utilisez la fonc-tion « départ différé ». ...
Page 87 - Eau lavage; empêche; Détection du vide; La détection de vide est désactivée.
Mode exploitant 87 Eau lavage Vous pouvez sélectionner le type d'eaupour le lavage. - froid L'eau qui arrive dans le lave-linge pourle lavage est froide uniquement. - chaud De l'eau chaude arrive égalementdans le lave-linge pour le lavage.L'arrivée d'eau chaude est unique-ment admise pour une tempér...
Page 89 - Non repassable
Mode exploitant 89 Prélavage Blanc/ Couleurs Pour le programme Blanc/Couleurs , un prérinçage du linge peut être activé. Réglage d'usine : désactivé Prélavage non repassable Pour le programme Non repassable , un prérinçage du linge peut être activé. Réglage d'usine : désactivé Prélavage Blanc/ Coule...
Page 90 - tions; ciaux
Mode exploitant 90 Après sélection des paquets de pro-gramme, chaque programme de la listeest activée. Les programmes activéssont indiqués par un cadre. Il faudra en-suite confirmer la sélection. Code programme désinfection Pour interrompre un programme dedésinfection, il faut saisir un code. Cecode...
Page 91 - Sélection module COM; – qualité de réception du Wi-Fi
Mode exploitant 91 Valeur d'ajustage dosage 1-6 Le débit de dosage (ml/min) despompes peut être corrigé afin de pou-voir réagir aux tolérances survenantdans le système de pompage pendantle temps de fonctionnement. La valeur de calibrage peut être réduitede 3 niveaux ou augmentée de 3 ni-veaux.La val...
Page 92 - – La connexion Wi-Fi est restaurée; Connexion réseau; claves
Mode exploitant 92 Le réseau n'est plus configuré. Pourpouvoir utiliser le réseau à nouveau,vous devez établir une nouvelleconnexion. – La connexion Wi-Fi est désactivée. – La connexion Wi-Fi est restaurée aux valeurs d'usine. Configuration Wi-Fi 2 méthodes de connexion sont pos-sibles. Système Aqua...
Page 93 - Signal de délestage; Réglage d’usine : activé
Mode exploitant 93 Signal de délestage Le dispositif d'arrêt de charge depointe permet de connecter le lave-linge à un système de gestion del'énergie. Un signal désactive tempo-rairement le chauffage du lave-linge. Lelave-linge ne doit être utilisé sur unsystème à charge de pointe que s'il estconnec...
Page 94 - SmartGrid; Le paramètre; Nettoyage pompe vidange
Mode exploitant 94 SmartGrid Le paramètre SmartGrid vous permet d'intégrer votre lave-linge dans les sys-tèmes de gestion de l'énergie des bâti-ments. Réglage d’usine : désactivé Nettoyage pompe vidange Le lave-linge indique à l'utilisateurquand le filtre de la pompe de vidangedoit être nettoyé. Ce ...
Page 95 - Réglages du monnayeur; Un monnayeur doit être raccordé.; Signal retour sur monnayeur; - Lâcher la touche Start
Mode exploitant 95 Monnayeur Pour toute modification ultérieure,contacter le SAV Miele. Le raccordement d'un monnayeur né-cessite l'accessoire XCI-AD ouBox XCI. Réglages du monnayeur Un monnayeur doit être raccordé. - Sans monnayeur Les paramétrages suivants sont igno-rés et la première mise en serv...
Page 96 - Verrouillage monnayeur; Supprimer signal payé
Mode exploitant 96 Verrouillage monnayeur Afin d’éviter les manipulations, un ver-rouillage du programme peut être régléen mode programme. Si la porte dulave-linge est ouverte après le ver-rouillage, le programme est annulé etl’argent inséré est perdu. Le moment du verrouillage peut êtremodifié afin...