Miele PWM 514 Self-Service [EL DV] - Manuels

Miele PWM 514 Self-Service [EL DV] - Manuel d'utilisation, Notice, Notice d'Installation, Guide rapide en ligne au format PDF.
Manuel d'utilisation Miele PWM 514 Self-Service [EL DV]




































































Résumé
Votre contribution à la protection de l'environnement 2 Nos emballages Nos emballages protègent votre appareil des dommages pouvantsurvenir pendant le transport. Nous les sélectionnons en fonction decritères écologiques permettant d'en faciliter le recyclage. En participant au recyclage de vos embal...
Table des matières 3 Votre contribution à la protection de l'environnement ................................................ 2 Consignes de sécurité et mises en garde ..................................................................... 6 Utilisation conforme ............................................
Table des matières 5 Commande/Affichage ....................................................................................................... 55 Langue........................................................................................................................... 55Accès langue ...........
Consignes de sécurité et mises en garde 6 Ce lave-linge répond aux réglementations de sécurité en vigueur.Toute utilisation non conforme peut toutefois causer des dom-mages corporels et matériels. Lisez attentivement le mode d'emploi avant de mettre le lave-lingeen service. Vous y trouverez des info...
Consignes de sécurité et mises en garde 7 Utilisation conforme Ce lave-linge est exclusivement conçu pour laver des textiles por- tant la mention « lavable en machine ». Toute autre utilisation pourraits'avérer dangereuse. Miele décline toute responsabilité en cas d'utili-sation non conforme. Il...
Consignes de sécurité et mises en garde 8 Erreur d'utilisation prévisible N'utilisez jamais de détergents contenant des solvants pour net- toyer le tambour de votre lave-linge. Ces produits risquent de détério-rer les pièces de l'appareil et de dégager des vapeurs toxiques. Risque d'incendie et d'...
Consignes de sécurité et mises en garde 9 Sécurité technique Vérifiez que votre lave-linge ne présente pas de dommages ex- ternes avant de l'installer. Si le lave-linge est endommagé, il ne doiten aucun cas être installé et mis en service. Seul un raccordement à une prise de terre conforme garan...
Consignes de sécurité et mises en garde 10 Veuillez suivre les instructions des chapitres « Installation et raccor- dement » et « Caractéristiques techniques ». La prise du lave-linge doit être constamment accessible pour pou- voir débrancher à tout moment le lave-linge. Si un raccordement fix...
Consignes de sécurité et mises en garde 12 Ne stockez et ne manipulez ni essence, pétrole ou autre produit in- flammable à proximité du lave-linge. N'utilisez pas le couvercle de lamachine comme support. Risque d'incendie et d'explosion ! Ne rangez pas de produits chimiques sur le couvercle de l...
Consignes de sécurité et mises en garde 13 Dommages sur les composants et liés au chlore Plus vous utilisez de chlore, plus les composants risquent d'être abîmés. L'utilisation de produits à base de chlore, comme l'hypochlorite de sodium et les blanchiments au chlore en poudre peut en fonction d...
Consignes de sécurité et mises en garde 14 Accessoires Seuls les accessoires expressément agréés par Miele peuvent être ajoutés ou montés sur votre appareil, faute de quoi tout droit de re-cours à la garantie produit du fabricant ou du revendeur devient ca-duque. Votre ancien ap-pareil Rendez le...
Description de la machine (avec boîte à produits) 15 Variantes avec boîte à produits (WEK) ⑪ ⑥ ⑦ ⑧ ⑨ ⑩ ⑫ ① ② ③ ④ ⑤ ⑧ ⑬ ⑮ ⑭ ⑯ ⑰ ⑱ a Écran voir chapitre « Fonction des éléments decommande » b Bouton d'arrêt d'urgence voir chapitre « Fonction des éléments decommande » c Poignée d Porte e Pied vissable,...
Commande 17 Bandeau de commande a Touche sensitiveLangue Pour sélectionner la langue uti-lisateur actuelle.À la fin du programme, lalangue de l’exploitant s’afficheà nouveau. b Touche sensitive Retour Revient au niveau précédentdans le menu. c Écran tactile d Touche sensitive Start/Stop Démarr...
Commande 18 Menu principal Lorsque vous allumez le lave-linge, le menu principal apparaît àl'écran. Vous pouvez accéder aux principaux sous-menus à partir du menuprincipal. Effleurez la touche sensitive pour retourner à tout moment au me- nu principal. Les valeurs réglées au préalable ne sont pas ...
Commande 20 Menu déroulant Le menu déroulant permet d’afficher différentes informations, par ex.celles d’un programme de lavage. 11:02 2:27 Couleurs Statut Tps rest. h Lavage Ajouter du linge Si une barre orange apparaît en haut de l'écran au milieu, vous pou-vez consulter le menu déroulant...
Commande 21 Jusqu'à 12 programmes pré-programmés sont proposés. Les 3 pre-miers programmes peuvent être directement sélectionnés. Les autresprogrammes sont sélectionnés via une liste de sélection . Ces pro- grammes ne peuvent pas être modifiés par l'utilisateur.
Préparation du lavage 22 Vider les poches Videz les poches. Dommages provoqués par des corps étrangers. Des clous, pièces de monnaie, trombones, etc. peuvent endomma-ger le linge et certains composants de l'appareil.Vérifiez la présence de corps étrangers sur le linge avant le lavageet retirez l...
Préparation du lavage 23 Charger le lave-linge Mettez le lave-linge en marche à l'aide de la touche . Ouvrez la porte en tirant sur la poignée. Chargez le linge déplié dans le tambour sans le tasser. Mélangerdes pièces de différentes tailles permet de renforcer l'efficacité delavage et de m...
Sélectionner un programme 24 Mettre le lave-linge en marche Appuyez sur la touche . Sélectionner un programme 11:02 Programmes Favoris Exploitant Aide Il existe plusieurs possibilités de sélectionner un programme. Vous pouvez sélectionner un programme dans le menu Programmes . Effleur...
Sélectionner les paramètres du programme 25 Sélectionner la charge Pour permettre un dosage externe en fonction de la charge, vouspouvez indiquer la charge pour certains programmes. Effleurez la touche sensitive Poids . Saisissez une valeur valide pour la capacité de charge. L'écran passe au me...
Lavage avec la boîte à produits 26 Dosage de la lessive via la boîte à produits Pour les programmes standard, placez la lessive en poudre pour lelavage dans le compartiment et si vous le souhaitez la lessive pour le prélavage dans le compartiment , l'assouplissant quant à lui doit être placé...
Lavage avec la boîte à produits 27 Agent de blanchiment Blanchissez ou javellisez uniquement des textiles qui portent le sym-bole d'entretien Δ . Les agents de blanchiment liquides doivent uniquement être ajoutésdans un compartiment prévu à cet effet. Ce n'est seulement que decette manière que le d...
Démarrer le programme - Fin du programme 29 Démarrer un programme Dès qu'un programme peut être démarré, la touche sensitive Start/ Stop clignote. Effleurez la touche sensitive Start/Stop . La porte se verrouille (symbole ) et le programme de lavage dé- marre. Si un départ différé a été sélecti...
Timer 30 La fonction « Timer » vous permet de définir le temps écoulé jusqu'audébut, jusqu'à l'heure de début ou jusqu'à la fin d'un programme. Réglage du Timer (minuteur) Effleurez la touche sensitive Minuteur . Sélectionnez l'option Arrêt à , Départ dans ou Départ à . Réglez les heures et...
Conseils en cas de panne 31 Panne de courant pendant le lavage Arrêtez la machine. Mettez l'interrupteur principal sur Arrêt (par l'utilisateur). Fermez les robinets d'eau et de vapeur côté installation. Pour retirer le linge, ouvrez le clapet de vidange manuellement et dé-verrouillez la porte...
Conseils en cas de panne 32 Tournez l'élément de déverrouillage à l'aide d'une clé Allen et d'uneclé Torx T 40 en effectuant deux tours complets dans le sens in- verse des aiguilles d'une montre (gauche) . Conseil : En appuyant en même temps sur la porte, la rotation du dé- verrouillage d'urgence ...
Conseils en cas de panne 33 Service après-vente En cas de pannes, contactez le service après-vente. Veuillez indiquer au service après-vente le modèle de la machine, lenuméro de série (SN) et le numéro de matériel (M.-Nr.). Ces indica-tions figurent sur la plaque signalétique. Elle est collée porte ...
En cas d'anomalie 34 Aide en cas d'anomalie Vous pouvez régler la plupart des défauts ou anomalies courants par vous-même. Dansbon nombre de cas, vous économiserez ainsi du temps et de l'argent car vous n'aurez pasbesoin de faire appel au service après-vente. Les tableaux suivants vous aideront à dé...
En cas d'anomalie 35 Résultat de lavage non satisfaisant Problème Cause et solution Le résultat de lavage n’estpas satisfaisant avec de lalessive liquide. La lessive liquide ne contient pas d'agent de blanchiment.Les taches de fruit, de café ou de thé ne sont donc pastoujours éliminées. Utilisez d...
En cas d'anomalie 36 Problèmes d'ordre général avec le lave-linge Problème Cause et solution Le lave-linge vibre forte-ment pendant l'essorage. Les pieds de l'appareil sont mal réglés et ne sont pas blo-qués. Ajustez l'appareil de sorte qu'il soit bien d'aplomb et blo-quez les pieds. Des résidus d...
En cas d'anomalie 37 Causes possibles pour la formation excessive de mousse Problème Cause et solution Formation de mousse ex-cessive pendant le lavage. Vous utilisez un type de détergent inadapté. Utilisez des détergents convenant aux machines profes-sionnelles. Les lessives ménagères ne sont pas...
En cas d'anomalie 38 Grandes pièces de linge étirées Problème Cause et solution Les grandes pièces delinge sont étirées pendantl'essorage Il peut arriver que des grandes pièces de linge soient éti-rées à l'essorage. Ceci peut être évité en modifiant la programmation.Contactez le service après-vent...
Nettoyage et entretien 39 Effectuez le nettoyage et l'entretien après l'utilisation du lave-linge. Ne pas utiliser de nettoyeur sous pression ni de jet pour nettoyer lelave-linge. Nettoyez la carrosserie, le bandeau de commande et les pièces en plastique uniquement avec un produit nettoyant doux...
Installation 42 Installation du lave-linge Ce lave-linge ne doit être installé que par le service après-vente ouun revendeur autorisé. Respecter les consignes dans les instruc-tions d'installation. Ce lave-linge est destiné au traitement du linge ne contenant pasde substances dangereuses ou inflamma...
Installation 43 Maintenance facilitée Afin de faciliter les interventions du service après-vente, respecter lescotes minimales et la distance par rapport au mur avec accès indi-quées. Respectez impérativement les côtes minimales indiquées et la dis-tance par rapport au mur. Distance minimale par r...
Installation 44 Sécurités de transport Enlever les sécurités de transport. Les 2 sécurités de transport à l'avant sont fixées par 3 vis à six panscreux. La sécurité de transport située à l'arrière est quant à elle fixéepar 4 vis à six pans creux. Elles ne doivent être enlevées que sur lelieu d'insta...
Installation 45 Dévissez les vis sur l'arête inférieure de la paroi arrière et enlevez laparoi arrière. Desserrez les vis à six pans creux pour démonter les sécurités detransport. Conservez les sécurités de transport. Elles doivent être montéespour tout transport de la machine. Raccordement à l'...
Installation 46 Note pour la Suisse Conformément à la norme SIA 385.351 / EN 1717 et à la recomman-dation de la SSIGE, il faut installer un anti-retour. Vous pouvez obtenirun anti-retour conforme aux normes en vigueur auprès de votre ins-tallateur en sanitaire.
Installation 48 Vidange Vidange AV côté machine DN 70, côté installation manchon DN 70.Débit temporaire 200 l/min.En cas de déclivité de vidange trop élevée, il faut prévoir une purgedes conduits, pour qu'il ne puisse pas se produire de vide dans lesystème de vidange du lave-linge. Évacuation de mou...
Options 49 Vous pouvez ajouter des options aux programmes standard. La disponibilité des options dépend du programme de lavage sélec-tionné. Si une option n'est pas proposée, c'est qu'elle n'est pas com-patible avec ce programme de lavage. Sélectionner des options Effleurez la touche sensitive Op...
Spécificités selon les programmes 51 Essorage Vitesse d'esso-rage final La vitesse d'essorage maximale pour le programme de lavage s'af-fiche toujours à l'écran lors de la sélection du programme. Il est possible de réduire la vitesse d'essorage final. En revanche, il est impossible de sélectionner u...
Modifier le déroulement d'un programme 52 Modifier un programme Modifier un pro-gramme de la-vage Pour choisir un autre programme, vous devez d'abord annuler le pro-gramme en cours et sélectionner le nouveau programme. Annuler un programme Vous pouvez annuler un programme de lavage à tout moment apr...
Modifier le déroulement d'un programme 53 Ajouter/retirer du linge Vous pouvez ajouter ou retirer du linge lors des premières minutes quisuivent le démarrage du programme. 11:02 0:49 Couleurs Statut Tps rest. h Lavage Ajouter du linge Effleurez la touche sensitive Ajouter du linge . Si Ajou...
Mode exploitant 54 Ouvrir le Mode exploitant Mettez le lave-linge en marche. 11:02 Programmes Favoris Exploitant Aide Effleurez la touche sensitive Exploitant . L'écran passe au menu Mode exploitant . Accès par code Le Mode exploitant s'ouvre avec un code. Le code est 000 (réglage d'usin...
Mode exploitant 55 Commande/Affichage Langue Plusieurs langues d'affichage vous sont proposées. Le sous-menuLangue permet de choisir la langue d'exploitant principale. La langue d'utilisateur peut être modifiée le temps d'un programme àl'aide de la touche sensitive . Accès langue L'écran peut aff...
Mode exploitant 56 Heure Une fois le format de temps sélectionné, l’heure peut être réglée. Format heure - 24 h - 12 h - Heure non affichée Régler - L’heure peut être réglée. Date La date peut être réglée une fois le format sélectionné. Format date - JJ.MM.AAAA - AAAA.MM.JJ - MM.JJ.AAAA Date - La da...
Mode exploitant 57 - sans arrêt - Arrêt au bout de 15 minutes (réglage d'usine) - Arrêt au bout de 20 minutes - Arrêt au bout de 30 minutes Départ différé L'affichage du départ différé (minuteur) peut être activé ou désacti-vé. Réglage d’usine : activé Mémoire Le lave-linge enregistre les derniers r...
Mode exploitant 58 Sélection du programme Commande Vous pouvez régler la commande du lave-linge sur « variante pourlaverie ». La commande simplifiée s'effectue via une sélection ra-pide. Les utilisateurs ne peuvent pas modifier les programmes pré-réglés. Conseil : Conseil : Commencez par effectuer t...
Mode exploitant 59 Paquets de pro-gramme La sélection du programme peut être étendue en activant des pro-grammes individuels à partir des paquets de programmes de groupecible. Les programmes sélectionnés (marqués en orange) dans les paquetsde programmes sont affichés à l'écran au moment de la sélect...
Mode exploitant 60 Technique des procédés Infroissable La fonction Infroissable permet de réduire la formation de plis aprèsla fin du programme. Le tambour tourne encore jusqu'à 30 minutesaprès la fin du programme. Vous pouvez ouvrir la porte du lave-linge à tout moment. Réglage d’usine : activé Fré...
Caractéristiques techniques 63 Caractéristiques de l’appareil PWM 514 Raccordement électrique Tension électrique Voir plaque signalétique Fréquence Voir plaque signalétique Consommation Voir plaque signalétique Consommation Voir plaque signalétique Protection par fusibles requise Voir plaque signalé...
Caractéristiques techniques 64 Caractéristiques de l’appareil PWM 520 Raccordement électrique Tension électrique Voir plaque signalétique Fréquence Voir plaque signalétique Consommation Voir plaque signalétique Consommation Voir plaque signalétique Protection par fusibles requise Voir plaque signalé...
Caractéristiques techniques 65 Déclaration de conformité UE Par la présente, Miele déclare que ce lave-linge est conforme à la directive 2014/53/EU.Le texte intégral de la déclaration de conformité UE est disponible à l'une des adressessuivantes : - www.miele.de/professional/index.htm sous « Produit...
Protection des données Wi-Fi 66 Protection et sécurité des données Dès que vous avez activé la fonction de mise en réseau et que votreappareil est connecté à l'Internet, votre appareil envoie les donnéessuivantes au Cloud Miele : - Numéro de fabrication de l'appareil - Type d'appareil et caractérist...
Miele S.A.SZ.I. du Coudray9, avenue Albert EinsteinB.P. 100093151 Le Blanc-Mesnil Cedexwww.miele.fr/professional R.C.S. Bobigny B 708 203 088 Tél. : Fax. :Mail : Tél. :Fax. :Mail : Tél. :Mail : 01 49 39 44 44 01 49 39 44 38[email protected] 01 49 39 44 7801 49 39 34 10[email protected] 01 49 39 44 8...
Notice Miele PWM 514 Self-Service [EL DV]
















































































































































































































































































































































































































































































































































Résumé
fr - Table des matières 191 Programmes proposés des différents modèles .................................................................. 192 Tableau des programmes ........................................................................................................... 195 Options sélectionnabl...
fr - Programmes proposés des différents modèles 192 Groupe de programmes Nom de programme Standard MopStar Self- service Programmes spéciaux en option (achat possible) Standard Blanc • - • - Standard Couleurs • • - - Standard Couleurs intensif • - - - Standard Couleurs éco court • ...
fr - Tableau des programmes 195 Options sélectionnables Option Symbole Description Prérinçage Démarrer le pré-rinçage avant le début du lavage Prélavage Prélavage avant le début du lavage principal Trempage Bloc au début du lavage principal, 30 °C, peu de mouvement, Hydro plus Augmentation d...
fr - Tableau des programmes 196 Tableau des programmes de base La durée de lavage est le temps minimum de lavage dans le lavage principal après avoir atteint la température de consigne. Les durées d'arrivée d'eau, de dosage, de chauffage,d'essorage intermédiaire, etc. ne sont pas prises en compte. P...
fr - Tableau des programmes 197 Programmes Couleurs Couleurs 60 °C (froid à 60 °C) Rapport de remplis-sage/Quantité decharge Type de textile Textiles en coton, lin ou fibres mélangées normale-ment sales, par ex. draps et serviettes éponge 1:9 PWM 514 – 14 kg PWM 520 – 20 kg Déroulement de pro-gramme...
fr - Tableau des programmes 198 Programmes Non repassable Non repassable 40 °C (froid à 60 °C) Rapport de remplis-sage/Quantité decharge Type de textile Textiles normalement sales en fibres synthétiques oumélangées 1.20 PWM 514 – 6,6 kg PWM 520 – 9 kg Déroulement de pro-gramme Lavage jusqu'à 60 °C, ...
fr - Tableau des programmes 199 Programmes Fin/Chemises/Laine Fin 30 °C (froid à 60 °C) Rapport de remplis-sage/Quantité decharge Type de textile Fibres synthétiques, satin 1.25 PWM 514 – 5,2 kg PWM 520 – 7,2 kg Déroulement de pro-gramme Lavage jusqu'à 60 °C, durée de lavage 12 minRythme de lavage &...
fr - Tableau des programmes 200 Programme Rinçage seul Rinçage seul Rapport de remplis-sage/Quantité decharge Type de textile Textiles qui doivent uniquement encore être rincés etessorés 1:9 PWM 514 – 14 kg PWM 520 – 20 kg Déroulement de pro-gramme 1 cycle de rinçageEssorage final Options Arrêt du r...
fr - Tableau des programmes 201 Nettoyage machine Nettoyage machine 70 °C (70 °C à 90 °C) Type de textile Sans charge Déroulement de pro-gramme + touche Intensif : lavage principal supplémentaire jusqu'à 90 °C, durée de lavage 6 min2 cycles de lavageVidange Options Trempage, Hydro plus, intensif, ...
fr - Tableau des programmes 202 Tableau des programmes hôtels/restaurants/traiteurs Cette catégorie concerne un grand nombre de textiles avec des degrés de salissure divers.Ce programme peut laver des draps et serviettes peu sales jusqu'au linge de cuisine trèssale, en passant par le linge de table ...
fr - Tableau des programmes 203 Programme Housses de matelas Housses de matelas 60 °C (froid à 90 °C) Rapport de remplis-sage/Quantité decharge Type de textile Housses de protection imperméables pour matelas ensynthétique 1.13 PWM 514 – 10 kg PWM 520 – 13,8 kg Déroulement de pro-gramme Lavage jusqu'...
fr - Tableau des programmes 204 Programme Peignoirs Peignoirs 60 °C (froid à 90 °C) Rapport de remplis-sage/Quantité decharge Type de textile Peignoirs en coton ou en fibres mélangées (s'ils sonttrès sales, sélectionner + Prélavage 40 °C) 1.13* PWM 514 – 10 kg PWM 520 – 13,8 kg Déroulement de pro-...
fr - Tableau des programmes 205 Linge de cuisine Linge de cuisine 90 °C (froid à 90 °C) Rapport de remplis-sage/Quantité decharge Type de textile Linge de cuisine en coton, lin ou tissu mélangé 1.13 PWM 514 – 10 kg PWM 520 – 13,8 kg Déroulement de pro-gramme PrérinçageLavage jusqu'à 90 °C, durée de ...
fr - Tableau des programmes 206 Tableau des programmes Literie/Voilages Voilages Voilages 40 °C (froid à 60 °C) Rapport de remplis-sage/Quantité decharge Type de textile Fibres synthétiques, satin 1.25 PWM 514 – 5,2 kg PWM 520 – 7,2 kg Déroulement de pro-gramme Lavage jusqu'à 60 °C, durée de lavage ...
fr - Tableau des programmes 207 Couettes Ces programmes permettent de laver les couettes, oreillers et/ou duvets avec garnissagede plumes et garnissage en fibres synthétiques ou naturelles. Ces programmes de lavage sont exclusivement conçus pour laver des textiles portant lamention « lavable en mach...
fr - Tableau des programmes 208 Quantité de charge : literie Les capacités maximales peuvent être relevées dans le tableau suivant. Ces données sontfournies à titre indicatif et varient en fonction de la taille et de l'épaisseur des couettes. Type Quantité* PWM 514 3 oreillers ou 1 oreiller + 1 coue...
fr - Tableau des programmes 209 Désinfection : généralités Qu'est-ce que la désinfection ? Destruction et réduction des germes de maladies contagieuses, de sorte qu'une contami-nation et une infection soient exclues. Désinfection thermique La désinfection thermique a lieu par l'action d'une températ...
fr - Tableau des programmes 210 Liste VAH VAH = Verbund für angewandte Hygiene e.V.(précédemment DGHM = Deutsche Gesellschaft für Hygiene und Mikrobiologie) La liste VAH décrit les procédés pour une désinfection prophylactique de routine pour laprévention des infections à l'hôpital, dans les cabinet...
fr - Tableau des programmes 211 Raccordement à l'eau pour les variantes avec chauffage externe (EH) L'appareil doit être raccordé à l'eau froide et à l'eau chaude. Une température d'eau chauded'au moins 80 °C est recommandée. L'utilisation de programmes de désinfection n'est enprincipe pas possible ...
fr - Tableau des programmes 212 Désinfection Désinfection thermique et la désinfection chimico-thermique sont des programmes pour la désinfection des textiles.Une désinfection thermique et chimico-thermique est réalisée. Pour la désinfection chimi-co-thermique, des détergents appropriés doivent être...
fr - Tableau des programmes 214 Tableau des programmes Fauberts Ces programmes sont conçus pour le lavage, la désinfection et l'apprêt (différents degrésd'humidité disponibles) de fauberts en coton ou en fibres mélangées, de tapis d'entrée la-vables, de disques de polissage et de lavettes utilisés p...
fr - Tableau des programmes 215 Fauberts Pour éviter la présence de grosses saletés dans la machine, secouez les fauberts avant deles mettre dans la machine. Fauberts standard 60 °C (froid à 90 °C) Rapport de remplis-sage/Quantité decharge Type de textile Fauberts en coton, viscose, polyester ou m...
fr - Tableau des programmes 216 Faubert dés. thermique 90 °C Rapport de remplis-sage/Quantité decharge Type de textile Fauberts en coton, viscose, polyester ou microfibres 1:9 PWM 514 – 14 kg PWM 520 – 20 kg Quantité voir tableau "Quantité de charge : fauberts" Déroulement de pro-gramme Esso...
fr - Tableau des programmes 218 Faubert dés. ch-t.20m+rtu 60 °C Rapport de remplis-sage/Quantité decharge Type de textile Fauberts en coton, viscose, polyester ou microfibres 1.10 PWM 514 – 13 kg PWM 520 – 18 kg Déroulement de pro-gramme Déroulement de programme comme pour faubertsdésinfection chimi...
fr - Tableau des programmes 219 Le programme Fauberts rtu convient pour l'apprêt ultérieur des fauberts secs et propres. Une solution désinfectante est rajoutée lors de l'apprêt.Les quantités de dosage doivent être réglées sur place et le standard de désinfectioncontrôlé. Quantité de charge : fauber...
fr - Tableau des programmes 220 Programmes Tapis de seuil/Disques de nettoyage Tapis de seuil 40 °C (froid à 60 °C) Rapport de remplis-sage/Quantité decharge Type de textile Tapis d'entrée lavables 1.15 PWM 514 – 8,8 kg PWM 520 – 12 kg Déroulement de pro-gramme PrérinçageLavage jusqu'à 60 °C, durée ...
fr - Tableau des programmes 221 Programmes Lavettes Ces programmes sont conçus pour le lavage, la désinfection et l'apprêt (différents degrésd'humidité disponibles) de lavettes en coton, en fibres mélangées ou en microfibres utili-sées par les entreprises de nettoyage. Lavettes standard 60 °C (froid...
fr - Tableau des programmes 222 Lavettes dés. thermique 90 °C Rapport de remplis-sage/Quantité decharge Type de textile Lavettes en coton, viscose, polyester ou microfibres 1.18 PWM 514 – 7 kg PWM 520 – 10 kg Quantité voir tableau « Quantité de charge : lavettes » Déroulement de pro-gramme Prérinçag...
fr - Tableau des programmes 224 Lavettes rtu Rapport de remplis-sage/Quantité decharge Type de textile Lavettes en coton, viscose, polyester ou microfibres 1.18 PWM 514 – 7 kg PWM 520 – 10 kg Quantité voir tableau « Quantité de charge : lavettes » Déroulement de pro-gramme 1 cycle de rinçageen fin d...
fr - Tableau des programmes 225 Tableau des programmes Pompiers Ces programmes conviennent pour le lavage et l'imprégnation de tenues, vestes, panta-lons, masques respiratoires et tenues de protection anti-produits chimiques pour pom-piers Nomex. Programmes Vêtements de protection Tenue de protectio...
fr - Tableau des programmes 226 Tenue de protection Pour préparer le linge N'agrafez pas d'étiquettes sur les articles à laver. Si possible, retirez les mousquetons ou placez-les dans une poche latérale soigneuse-ment fermée. Fermez les fermetures velcro ou couvrez-les avec du velcro. Lavez ...
fr - Tableau des programmes 227 Programmes Masques Les programmes Masques sont conçus pour le lavage et la désinfection de masques res- piratoires avec croisillon. Avant le chargement de la machine, relevez les lanières des masques pour protéger les vi-sières. Placez chaque masque dans le sac de...
fr - Tableau des programmes 228 Vêtements chimie est un programme de lavage des vêtements de protection chimique des pompiers.Une désinfection thermochimique (60 °C - 140 °F / 20 min) est réalisée pour laquelle desdétergents appropriés doivent être utilisés. Vêtements chimie 60 °C Rapport de remplis...
fr - Tableau des programmes 229 Casque * 60 °C (froid à 60 °C) Rapport de remplis-sage/Quantité decharge Type de textile Casques de protection pour pompiers PWM 514 - 4 casques PWM 520 - 5 casques Déroulement de pro-gramme Prélavage jusqu'à 40 °Ccycle de lavage principal jusqu'à 60 °C, durée de la...
fr - Tableau des programmes 230 Mettre 2 à 3 couplages (sangles de retenue) de chaque côté dans les sacs de protectionrembourrés prévus à cet effet et les fermer. Il est possible de se procurer les sachets de protection via le service après-vente Miele. Après le lavage, les couplages sont séchés à l...
fr - Tableau des programmes 232 Tableau des programmes Outdoor Outdoor 40 °C (froid à 40 °C) Rapport de remplis-sage/Quantité decharge Type de textile Textiles polyamide, à membrane 1.15 PWM 514 – 8,8 kg PWM 520 – 12 kg Déroulement de pro-gramme Lavage jusqu'à 40 °C, durée de lavage 6 min2 cycles de...
fr - Tableau des programmes 233 Sport Textiles sport 40 °C (froid à 60 °C) Rapport de remplis-sage/Quantité decharge Type de textile Tricots, maillots et pantalons en microfibres ou fibresmélangées 1.20 PWM 514 – 6,6 kg PWM 520 – 9 kg Déroulement de pro-gramme Lavage jusqu'à 60 °C, durée de lavage 6...
fr - Tableau des programmes 234 Vêtements de travail Huile/Graisse 60 °C (froid à 90 °C) Rapport de remplis-sage/Quantité decharge Type de textile Vêtements de travail, nappes et chiffons en coton oufibres mélangées salis d'huile ou de graisse 1.10 PWM 514 – 13 kg PWM 520 – 18 kg Déroulement de pro-...
fr - Tableau des programmes 235 Tableau des programmes Sluice (Laundry Regulation HTM 01-04) Les programmes Sluice sont destinés au linge de corps extrêmement sale ainsi qu'au lingeéponge et aux draps également très sales. La désinfection est effectuée selon les prescriptions locales en vigueur. Deu...
fr - Tableau des programmes 236 Tableau des programmes Self Service Couleurs 60 °C (froid à 60 °C) Rapport de remplis-sage/Quantité decharge Type de textile Textiles en coton, lin ou fibres mélangées normale-ment sales, par ex. draps et serviettes éponge 1:9 PWM 514 – 14 kg PWM 520 – 20 kg Dérouleme...
fr - Tableau des programmes 237 Tableau des programmes Eco Couleurs éco 40 °C (froid à 40 °C) Rapport de remplis-sage/Quantité decharge Type de textile Textiles en coton, lin ou fibres mélangées peu sales,par ex. draps et serviettes éponge 1:9 PWM 514 - 14 kg PWM 520 - 20 kg Déroulement de pro-gramm...
fr - Tableau des programmes 238 Non repass. éco 30 °C (froid à 30 °C) Rapport de remplis-sage/Quantité decharge Type de textile Textiles peu sales en fibres synthétiques ou mélan-gées 1.20 PWM 514 - 6,6 kg PWM 520 - 9 kg Déroulement de pro-gramme Lavage jusqu'à 30 °C, durée de lavage 7 min2 cycles d...
Notice d'Installation Miele PWM 514 Self-Service [EL DV]

































































































































Résumé
fr - Table des matières 44 Consignes d'installation ............................................................................................................. 45 Explication des consignes de sécurité et des avertissements sur la machine .................... 45 Conditions d'installation .............
fr - Consignes d'installation *INSTALLATION* 45 Explication des consignes de sécurité et des avertissementssur la machine Veuillez lire le mode d'emploi Lisez les instructions, par exemple les instructionsd'installation Attention : surfaces brûlantes Attention tension jusqu'à 1000 V ! Mise à la terr...
fr - Consignes d'installation *INSTALLATION* 46 Installation Transportez le lave-linge sur le lieu d'installation à l'aide d'un chariotet retirez l'emballage de transport. Le lave-linge doit être placé sur une surface totalement plane, horizon-tale et solide qui résiste au moins à une charge au sol ...
fr - Consignes d'installation *INSTALLATION* 47 Pour garantir un fonctionnement efficace et économe en énergie, lelave-linge doit être posé bien à l'horizontale sur ses 4 pieds. Dans lecas contraire, la consommation d'eau et d'énergie augmente et peutprovoquer un déplacement de l'appareil. Serrez ...
fr - Consignes d'installation *INSTALLATION* 48 Lors de raccordement à une tension électrique différente de celleindiquée sur la plaque signalétique, il peut se produire des dysfonc-tionnements ou une défaillance du lave-linge !Si plusieurs valeurs de tension sont inscrites sur la plaque signalé-tiq...
fr - Consignes d'installation *INSTALLATION* 50 Vanne de vidange Dans les lave-linge équipés d'une vanne de vidange, le bain lessivielest évacué par une vanne motorisée. La vanne de vidange peut êtreraccordée via un raccord en équerre standard fourni HT DN 70 direc-tement à l'évacuation des eaux usé...
fr - Consignes d'installation *INSTALLATION* 52 Options / Accessoires en option Des accessoires ne peuvent être rajoutés ou montés que s'ils sontexpressément autorisés par Miele.Le montage d'autres pièces exclut le bénéfice de la garantie. Kit de raccorde-ment à l'eau dure(APWM062) Le raccordement p...
fr - Consignes d'installation *INSTALLATION* 53 Interface LAN/WLAN Le lave-linge est équipé d'une interface WLAN/LAN pour l'échangede données. L'interface de données fournie par le port LAN est conforme à lanorme SELV (basse tension) selon la norme EN 60950. La connexionLAN est réalisée à l'aide d'u...
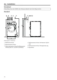
fr - Installation 54 Par défaut Dimensions en millimètres a Raccordement électrique b Raccordement à l'eau froide c Raccordement d'eau chaude/chaude(pour les variantes EH et RH) d Raccordement à l'eau froide eau dure (enoption) e Raccordement eau froide pour dosage deproduits liquides l Tuyau d'évac...
fr - Installation 56 Socle Dimensions en millimètres a Raccordement électrique b Raccordement à l'eau froide c Raccordement d'eau chaude/chaude(pour les variantes EH et RH) d Raccordement à l'eau froide eau dure (enoption) e Raccordement eau froide pour dosage deproduits liquides l Tuyau d'évacuatio...
fr - Caractéristiques techniques 61 Variantes de tension et caractéristiques électriques 3N AC 400 V EL DV Tension électrique 3N AC 400 V Fréquence 50/60 Hz Protection par fusibles requise (côté installation) Caractéristique de déclenchement du disjoncteur automatique 16 A Type B Consommation 9,6 kW...
fr - Caractéristiques techniques 62 Raccordement à l'eau Raccordement à l'eau froide Pression nécessaire 100 - 1000 kPa (1 - 10 bar) Débit volumétrique maximal 31,5 l/min Raccord fileté requis (filetage extérieur, côté installation conforme à DIN 44991, joint plat) 3 x 3/4" Longueur du tuyau d’a...
fr - Caractéristiques techniques 63 Dimensions d’installation Largeur de la carrosserie (sans pièces ajoutées) 795 mm Hauteur de la carrosserie (sans pièces ajoutées) 1347 mm Profondeur de la carrosserie (sans pièces ajoutées) 895 mm Largeur hors tout 799 mm Hauteur hors tout 1350 mm Profondeur hors...
Guide rapide Miele PWM 514 Self-Service [EL DV]




































































































































































































Résumé
fr - Table des matières 42 Votre contribution à la protection de l'environnement ................................................ 44 Votre ancien appareil ......................................................................................................... 44 Consignes de sécurité et mises en ga...
fr - Table des matières 43 Caractéristiques techniques .......................................................................................... 76 Caractéristiques de l’appareil PWM 514 ........................................................................... 76 Raccordement électrique ............
fr - Votre contribution à la protection de l'environnement 44 Nos emballages Nos emballages protègent votre appareil des dommages pouvantsurvenir pendant le transport. Nous les sélectionnons en fonction decritères écologiques permettant d'en faciliter le recyclage. En participant au recyclage de vos...
fr - Consignes de sécurité et mises en garde 45 Documentation Ce document contient un condensé d'informations. Vous pouveztrouver le mode d'emploi complet et d'autres documents sur le siteinternet de Miele : https://www.miele.fr/professional/modes-d-emploi-177.htm Pour récupérer les documents, vous ...
fr - Consignes de sécurité et mises en garde 46 Utilisation conforme Ce lave-linge est exclusivement conçu pour laver des textiles por- tant la mention « lavable en machine ». Toute autre utilisation pourraits'avérer dangereuse. Miele décline toute responsabilité en cas d'utili-sation non conforme...
fr - Consignes de sécurité et mises en garde 47 Erreur d'utilisation prévisible N'utilisez jamais de détergents contenant des solvants pour net- toyer le tambour de votre lave-linge. Ces produits risquent de détério-rer les pièces de l'appareil et de dégager des vapeurs toxiques. Risque d'incendie...
fr - Consignes de sécurité et mises en garde 48 Sécurité technique Vérifiez que votre lave-linge ne présente pas de dommages ex- ternes avant de l'installer. Si le lave-linge est endommagé, il ne doiten aucun cas être installé et mis en service. Seul un raccordement à une prise de terre conforme...
fr - Consignes de sécurité et mises en garde 51 Ne stockez et ne manipulez ni essence, pétrole ou autre produit in- flammable à proximité du lave-linge. N'utilisez pas le couvercle de lamachine comme support. Risque d'incendie et d'explosion ! Ne rangez pas de produits chimiques sur le couvercle...
fr - Consignes de sécurité et mises en garde 52 Dommages sur les composants et liés au chlore Plus vous utilisez de chlore, plus les composants risquent d'être abîmés. L'utilisation de produits à base de chlore, comme l'hypochlorite de sodium et les blanchiments au chlore en poudre peut en fonct...
fr - Consignes de sécurité et mises en garde 53 Accessoires Des accessoires ne peuvent être rajoutés ou montés que s'ils sont expressément autorisés par Miele. Si d’autres pièces sont rajoutéesou montées, les prétentions à la garantie et/ou fondées sur la respon-sabilité du fait du produit devienn...
fr - Commande 56 Bandeau de commande a Touche sensitiveLangue Pour sélectionner la langue uti-lisateur actuelle.À la fin du programme, lalangue de l’exploitant s’afficheà nouveau. b Touche sensitive Retour Revient au niveau précédentdans le menu. c Écran tactile d Touche sensitive Start/Stop D...
fr - Commande 57 Touches sensitives et écran tactile Les touches sensitives , et Start/Stop ainsi que les affi- chages à l’écran réagissent au contact du doigt. Tout contact estconfirmé par un bip sonore. Vous pouvez modifier ou désactiver levolume du bip sonore (voir chapitre « Mode exploitant...
fr - Commande 60 Utilisation dans une laverie Selon la programmation effectuée, le menu d'accueil peut se présen-ter de différentes manières (voir chapitre « Mode exploitant », section« Commande »). La commande simplifiée s'effectue via une sélection rapide. Les utili-sateurs ne peuvent pas modifier...
fr - Préparation du lavage 61 Vider les poches Videz les poches. Dommages provoqués par des corps étrangers. Des clous, pièces de monnaie, trombones, etc. peuvent endomma-ger le linge et certains composants de l'appareil.Vérifiez la présence de corps étrangers sur le linge avant le lavageet reti...
fr - Préparation du lavage 62 Charger le lave-linge Mettez le lave-linge en marche à l'aide de la touche . Ouvrez la porte en tirant sur la poignée. Chargez le linge déplié dans le tambour sans le tasser. Mélangerdes pièces de différentes tailles permet de renforcer l'efficacité delavage et...
fr - Sélectionner un programme 63 Mettre le lave-linge en marche Appuyez sur la touche . Sélectionner un programme 11:02 Programmes Favoris Exploitant Aide Il existe plusieurs possibilités de sélectionner un programme. Vous pouvez sélectionner un programme dans le menu Programmes . Ef...
fr - Sélectionner les paramètres du programme 64 Sélectionner la charge Pour permettre un dosage externe en fonction de la charge, vouspouvez indiquer la charge pour certains programmes. Effleurez la touche sensitive Poids . Saisissez une valeur valide pour la capacité de charge. L'écran passe ...
fr - Lavage avec la boîte à produits 65 Dosage de la lessive via la boîte à produits Pour les programmes standard, placez la lessive en poudre pour lelavage dans le compartiment et si vous le souhaitez la lessive pour le prélavage dans le compartiment , l'assouplissant quant à lui doit être ...
fr - Lavage avec la boîte à produits 66 Agent de blanchiment Blanchissez ou javellisez uniquement des textiles qui portent le sym-bole d'entretien Δ . Les agents de blanchiment liquides doivent uniquement être ajoutésdans un compartiment prévu à cet effet. Ce n'est seulement que decette manière que...
fr - Démarrage de programme - fin de programme 67 Démarrer un programme Dès qu'un programme peut être démarré, la touche sensitive Start/ Stop clignote. Effleurez la touche sensitive Start/Stop . La porte se verrouille (symbole ) et le programme de lavage dé- marre. 11:02 2:27 Blanc Laver e...
fr - Démarrage de programme - fin de programme 68 Le linge oublié dans le tambour pourrait rétrécir ou déteindre lorsde la prochaine lessive.Retirez le linge du tambour. Vérifiez qu'aucun corps étranger n'est resté coincé dans le jointd'étanchéité de la porte. Conseil : Laissez la porte entrouvert...
fr - Installation 69 Installation du lave-linge Ce lave-linge ne doit être installé que par le service après-vente ouun revendeur autorisé. Respecter les consignes dans les instruc-tions d'installation. Ce lave-linge est destiné au traitement du linge ne contenant pasde substances dangereuses ou inf...
fr - Installation 71 Sécurités de transport Enlever les sécurités de transport. Les 2 sécurités de transport à l'avant sont fixées par 3 vis à six panscreux. La sécurité de transport située à l'arrière est quant à elle fixéepar 4 vis à six pans creux. Elles ne doivent être enlevées que sur lelieu d'...
fr - Installation 72 Dévissez les vis sur l'arête inférieure de la paroi arrière et enlevez laparoi arrière. Desserrez les vis à six pans creux pour démonter les sécurités detransport. Conservez les sécurités de transport. Elles doivent être montéespour tout transport de la machine. Raccordement...
fr - Installation 73 Note pour la Suisse Conformément à la norme SIA 385.351 / EN 1717 et à la recomman-dation de la SSIGE, il faut installer un anti-retour. Vous pouvez obtenirun anti-retour conforme aux normes en vigueur auprès de votre ins-tallateur en sanitaire.
fr - Installation 75 Vidange Vidange AV côté machine DN 70, côté installation manchon DN 70.Débit temporaire 200 l/min.En cas de déclivité de vidange trop élevée, il faut prévoir une purgedes conduits, pour qu'il ne puisse pas se produire de vide dans lesystème de vidange du lave-linge. Évacuation d...
fr - Caractéristiques techniques 76 Caractéristiques de l’appareil PWM 514 Raccordement électrique Tension électrique Voir plaque signalétique Fréquence Voir plaque signalétique Consommation Voir plaque signalétique Consommation Voir plaque signalétique Protection par fusibles requise Voir plaque si...
fr - Caractéristiques techniques 77 Caractéristiques de l’appareil PWM 520 Raccordement électrique Tension électrique Voir plaque signalétique Fréquence Voir plaque signalétique Consommation Voir plaque signalétique Consommation Voir plaque signalétique Protection par fusibles requise Voir plaque si...
fr - Caractéristiques techniques 78 Déclaration de conformité UE Par la présente, Miele déclare que ce lave-linge est conforme à la directive 2014/53/EU.Le texte intégral de la déclaration de conformité UE est disponible à l'une des adressessuivantes : - www.miele.de/professional/index.htm sous « Pr...
fr - Protection des données Wi-Fi 79 Protection et sécurité des données Dès que vous avez activé la fonction de mise en réseau et que votreappareil est connecté à l'Internet, votre appareil envoie les donnéessuivantes au Cloud Miele : - numéro de fabrication de l’appareil - type d’appareil et caract...
Other Miele Autres Manuals
-
Miele APWM 066 Notice d'Installation
-
Miele APWM 062 Notice d'Installation
-
Miele APWM 065 Notice d'Installation
-
Miele APWM 020 Manuel d'utilisation
-
Miele APWM 020 Notice d'Installation
-
Miele SC Notice d'Installation
-
Miele PR Notice d'Installation
-
Miele FP 900 Notice d'Installation
-
Miele RP 900 Notice d'Installation
-
Miele APWM 019 Manuel d'utilisation
-
Miele APWM 019 Notice d'Installation
-
Miele A 830/1 Manuel d'utilisation
-
Miele TT 86 Manuel d'utilisation
-
Miele RP 1150 Notice d'Installation
-
Miele UG 5010 Notice d'Installation
-
Miele UO 5010 Notice d'Installation
-
Miele APCL 001 Notice d'Installation
-
Miele E 473/2 Manuel d'utilisation
-
Miele APRI 312 Notice d'Installation
-
Miele DOS K 85 flex Notice d'Installation