Page 2 - TABLE DES MATIÈRES
2 PROFORM est une marque déposée d'ICON Health & Fitness, Inc. iFIT est une marque déposée d'ICON Health & Fitness, Inc. App store est une marque d'Apple Inc. déposée aux États-Unis et dans d'autres pays. Android et Google Play sont des marques de Google Inc. Le mot et les logos BLUETOOTH ® ...
Page 4 - AVANT DE COMMENCER
4 Détecteur du Rythme Cardiaque Porte-tablette Siège Bouton du Siège Poignée Pied de Nivellement Roue Pédale/Sangle Console Guidon Ventilateur Bouton du Montant du Siège Plateau d’Accessoires Merci d’avoir choisi le vélo d’exercice révolutionnaire PROFORM ® 225 CSX. La pratique du vélo est un des ex...
Page 5 - TABLEAU D’IDENTIFICATION DES PIÈCES
5 Vis M4 x 16mm (2)–7 Écrou de Verrouillage M8 (17)–2 Boulon M8 x 58mm (24)–2 Vis M8 x 70mm (46)–4 Vis M8 x 20mm (29)–4 Vis #8 x 5/8" (8)–4 TABLEAU D’IDENTIFICATION DES PIÈCES Voir les schémas ci-dessous pour identifier les petites pièces utilisées lors de l’assemblage. Le nombre entre paren- th...
Page 6 - ASSEMBLAGE
6 • Il faut être deux personnes pour assembler l'appareil. • Placez toutes les pièces sur un espace dégagé et retirez tout le matériel d'emballage. Ne jetez pas le matériel d'emballage avant d'avoir terminé toutes les étapes de l'assemblage. • Les pièces gauche portent l'indication « L » ou « Left »...
Page 14 - COMMENT UTILISER LE VÉLO D’EXERCICE
14 COMMENT BRANCHER LE BLOC D'ALIMENTATION IMPORTANT : si le vélo d'exercice a été exposé à des températures froides, laissez-le se réchauffer à la température ambiante avant de brancher le bloc d'alimentation. Si vous ne suivez pas cette précaution, vous risquez d'endommager l'écran ou d'autres com...
Page 16 - Titanium
16 SCHÉMA DE LA CONSOLE CARACTÉRISTIQUES DE LA CONSOLE La console de pointe offre un large choix de fonction- nalités conçues pour rendre vos entrainements plus efficaces et plus agréables. Quand vous utilisez le mode manuel de la console, vous pouvez changer la résistance des pédales d’une simple p...
Page 23 - ENTRETIEN ET RÉSOLUTION DES PROBLÈMES
23 ENTRETIEN Un entretien régulier de votre appareil est important pour obtenir des performances optimales et limiter son usure. Vérifiez et serrez correctement toutes les pièces chaque fois que le vélo d'exercice est utilisé. Remplacez immédiatement toute pièce usée. Nettoyer le vélo d’exercice ave...
Page 25 - CONSEILS POUR L’EXERCICE
25 Ces conseils pour l’exercice vous aideront à planifier votre programme d’exercice. Pour plus de détails sur l’exercice, procurez-vous un livre réputé sur le sujet ou consultez votre médecin. Gardez en tête qu’une alimentation équilibrée et un repos adéquat sont essentiels pour de bons résultats. ...
Page 26 - LISTE DES PIÈCES
26 1 1 Porte-tablette 2 9 Vis M4 x 16mm 3 1 Boîtier de la Console 4 1 Guidon 5 2 Embout du Guidon 6 2 Détecteur du Rythme Cardiaque 7 1 Console 8 4 Vis #8 x 5/8" 9 3 Attache 10 1 Vis Brillante M4 x 19mm 11 1 Pince 12 1 Siège 13 2 Embout du Chariot 14 1 Support du Siège 15 1 Chariot du Siège 16 8...
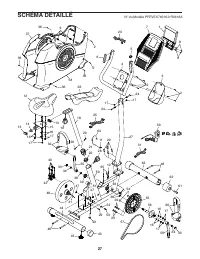
Page 27 - SCHÉMA DÉTAILLÉ
27 36 1 3 6 8 8 10 12 5 2 2 2 2 4 7 11 14 16 16 16 16 18 19 28 13 13 15 17 17 17 17 17 17 20 20 21 23 9 26 30 32 25 22 24 24 27 29 29 29 29 31 34 34 36 36 36 38 38 39 39 33 33 35 37 40 43 46 46 48 52 45 42 44 47 41 47 49 51 50 54 56 58 59 53 55 57 60 61 63 65 62 64 SCHÉMA DÉTAILLÉ N° du Modèle PFEVE...
Page 28 - INFORMATION POUR LE RECYCLAGE; POUR COMMANDER DES PIÈCES DE RECHANGE
Cet appareil électronique ne doit pas être éliminé avec les déchets ménagers. Afin de préserver l’environnement, cet appareil doit être recyclé au terme de sa durée de vie utile comme l’exige la loi. Veuillez utiliser des installations de recyclage autorisées à collecter ce type de déchets dans votr...