Miele PDR 522 ROP [G] - Manuels

Miele PDR 522 ROP [G] - Manuel d'utilisation, Notice, Notice d'Installation, Guide rapide en ligne au format PDF.
Manuel d'utilisation Miele PDR 522 ROP [G]


























































Résumé
Votre contribution à la protection de l'environnement 2 Nos emballages Nos emballages protègent votre sèche-linge des dommages quipeuvent survenir pendant le transport. Nous les sélectionnons enfonction de critères écologiques qui permettent de les recycler. En participant au recyclage de vos emball...
Table des matières 3 Votre contribution à la protection de l'environnement ................................................ 2 Consignes de sécurité et mises en garde .................................................................... 5 Utilisation conforme .............................................
Table des matières 4 Tableau du mode exploitant .............................................................................................. 27 Température batterie de chauffe ................................................................................... 32Température air séchage ...............
Consignes de sécurité et mises en garde 5 Veuillez impérativement lire ce mode d'emploi. Ce sèche-linge répond aux réglementations de sécurité en vigueur. Toute utilisation nonconforme peut toutefois causer des dommages corporels et matériels. Lisez attentivement le mode d'emploi avant de mettre l...
Consignes de sécurité et mises en garde 6 Les enfants ne sont pas autorisés à procéder au nettoyage ou à l'entretien de l'appareil hors de la surveillance d'un adulte. Ne laissez pas les enfants sans surveillance à proximité de l'appareil. Ne les laissez pas jouer avec l'appareil. Ce sèche-lin...
Consignes de sécurité et mises en garde 7 Risque d'incendie dû à une prise programmable. Ne raccordez pas le sèche-linge à une prise programmable (comme une minuterie). Si la phase de refroidissement du sèche-lingeest interrompu, il y a un risque de combustion spontanée du linge. Seul un raccord...
Consignes de sécurité et mises en garde 8 Il existe un risque d'asphyxie et d'intoxication en refoulant des gaz brûlés, si le circula- teur chauffant à gaz, le chauffage à gaz, le four à charbon avec raccordement de cheminéeetc. sont installés dans la même pièce ou dans le logement ou dans les piè...
Consignes de sécurité et mises en garde 10 Pour les éléments inox, le principe suivant s'applique : les surfaces en inox ne doivent pas entrer en contact avec des produits de nettoyage et dedésinfection qui contiennent du chlore ou de l'hypochlorite de sodium. Ces produitspeuvent provoquer la corr...
Description de la machine 11 ① ② ④ ⑤ ⑥ ⑨ ⑩ ⑦ ③ ⑧ a Bandeau de commande avec sélecteur rotatif b Porte c Clapet du filtre à peluches d 4 pieds à vis réglables en hauteur e Raccordement électrique f Logement pour module de communication g Ouvertures d'aspiration pour l'air de séchage h Raccord d’évacu...
Utilisation 12 Appareils avec commande par humidité résiduelle 1 2 3 4 5 6 7 8 9 a Bandeau de commande b Touches sensitives pour paliers de séchage c Affichages d’état S’allument en cas de besoin d Touche sensitive active la cadence du ventilateur pour un séchage optimal des textiles légers...
Utilisation 13 Paliers de sé-chage - Touche sensitive = „Séch.normal +“ - Touche sensitive = „Séchage normal“ - Touche sensitive = „Séchage fer à repasser“ - Touche sensitive = „Séchage repasseuse“ - Touche sensitive : fonction « Literie » Programmes deséchage - Position = program...
Utilisation 15 Paliers de sé-chage (TOP) - Touche sensitive = Palier de température « élevé » - Touche sensitive = Palier de température « moyen » - Touche sensitive = Palier de température « faible » - Touche sensitive = Palier de température « froid » Minuterie - Position 5 = Programme...
Utilisation 18 Fonctionnement du bandeau de commande Les touches sensitives réagissent au contact du bout des doigts. Lasélection est possible tant que la touche sensitive correspondanteest éclairée. Une touche sensitive avec un éclairage clair signifie qu'elle est actuel-lement sélectionnée. Une to...
Première mise en service 19 Dommages corporels ou matériels dus à une mauvaise installa- tion.Une mauvaise installation du sèche-linge peut causer des dom-mages corporels ou matériels.Installez et raccordez le sèche-linge correctement avant sa pre-mière mise en service.Raccordez le sèche-linge cor...
Séchage 20 1. « Conseils d'entretien de votre linge ». Laver votre lingeavant de le sécher Lavez soigneusement les textiles très sales. Utilisez suffisamment delessive et lavez à haute température. En cas de doute, lavez le lingeplusieurs fois. Si des produits chimiques industriels ont été utilisés ...
Séchage 21 Charger le linge Dommages causés aux textiles dus à un entretien incorrect du linge.Si l'entretien du linge n'est pas respecté, les textiles peuvent êtreendommagés par le processus de séchage.Avant de charger votre sèche-linge, lisez tout d'abord le chapitre« 1. Conseils d'entretien de ...
Séchage 23 Effleurez la touche sensitive Start/Stop (Départ/Arrêt). Le décompte du départ différé reprend son cours. Annuler/supprimerle départ différé Tournez le sélecteur de programme sur la position . Vous pouvez également annuler le départ différé en ouvrant la porte. Déroulement d'undépa...
Séchage 24 5. Retirer le linge du sèche-linge Fin du pro-gramme Le sèche-linge peut être réglé de manière à ce qu'un signal sonoreretentisse à la fin du programme. A la fin du programme ( s'affiche sur l'écran), le linge est refroidi et peut être retiré. Si l'option Rotation infroissable a été...
Modifier le déroulement d'un programme 25 Changer le programme en cours Une nouvelle sélection de programme n'est plus possible pendant leprogramme en cours (protection contre toute modification involon-taire). Pour pouvoir choisir un nouveau programme, vous devez toutd'abord annuler celui qui est e...
Modifier le déroulement d'un programme 26 - Si vous le souhaitez, vous avez encore la possibilité de changer de palier de séchage. Ouvrez la porte. Ajoutez ou retirez du linge. Fermez la porte. Effleurez la touche sensitive Départ/Arrêt pour que le départ différé se poursuive. Temps restant ...
Mode exploitant (mode de programmation) 32 Pro- gramme Désignation Valeur de ré- glage pos- sible Préréglage Explication Infroissable = désactivé = 1 h = 2 h = 3 h = 4 h = 5 h = 6 h = 7 h = 8 h = 9 h = 10 h ...
Mode exploitant (mode de programmation) 33 Valeur de réglage dans l'affichage Température 85 °C/185 °F 90 °C/194 °F 95 °C/203 °F 100 °C/212 °F 105 °C/221 °F 110 °C/230 °F 115 °C/239 °F 120 °C/248 °F 125 °C/257 °F 130 °C/266 °F 135 °C/275 °F 140 °C/284 °F 145 °C...
Mode exploitant (mode de programmation) 36 Temps de pause Valeur de réglage dans l'affichage secondes 2 s 3 s 4 s 5 s 6 s 7 s 8 s 9 s 10 s 11 s 12 s 13 s 14 s 15 s Terminer le mode de programmation Pour quitter le mode de programmation, tournez le sélecteu...
Nettoyage et entretien 37 Nettoyer le filtre à peluches Risque d'incendie dû au fonctionnement du sèche-linge sans filtre à peluches.Les conduites d'air, le chauffage et l'évacuation peuvent être obs-trués pendant le fonctionnement du sèche-linge sans filtre à pe-luches et provoquer un incendie.Le...
Nettoyage et entretien 38 Nettoyer le tambour et les parties extérieures de la car-rosserie Il existe un risque de choc électrique ! Un sèche-linge qui n'est pas complètement déconnecté de l'ali-mentation électrique ne doit pas être nettoyé ou entretenu.Avant de procéder au nettoyage ou à l'entret...
En cas d'anomalie 39 En cas d'anomalie Message Cause et solution L'écran reste sombre. Le sèche-linge n'est pas alimenté. Contrôlez le connecteur, l'interrupteur principal et les fu-sibles (côté installation). Problème Cause et solution L'eau condensée s'écoulesur une zone imprévisible. La vidange...
En cas d'anomalie 40 Problème Cause et solution Retirez toutes les peluches. La zone de circulation d'air est par exemple obstruée pardes cheveux et des peluches. Nettoyez la zone du conduit d'air. Vous pouvez retirer la protection dans la zone d'ouver-ture pour nettoyer la zone du conduit d'a...
Installation 42 Conditions d'installation Dommages corporels ou matériels dus à une mauvaise installation. Une mauvaise installation du sèche-linge peut causer des dommages corporels ou ma-tériels. Seul un professionnel agréé par Miele ou le service après-vente Miele doit se charger del'installati...
Installation 43 Installer le sèche-linge Placez le sèche-linge sur une surface rigide, horizontale et totalement plane qui résisteaux charges indiquées. La charge au sol du sèche-linge se concentre sur les pieds au niveau de la surface d'ins-tallation. Il n'est pas nécessaire de créer une fondatio...
Installation 44 Afin de faciliter une intervention de maintenance ultérieure, il faut installer un accès demaintenance derrière l'appareil d'au moins 500 mm de large et accessible à tout mo-ment. Il ne faut pas dépasser les distances à la paroi indiquées. Ajustez le sèche-linge à l'aide des pied...
Installation 45 La tension électrique requise, la consommation de puissance et les indications pour laprotection externe par fusibles sont indiquées sur la plaque signalétique du sèche-linge.Vérifiez que la tension de raccordement coïncident avec les valeurs de tension sur laplaque signalétique avan...
Installation 46 Raccordement à l'eau chaude (uniquement pour variantes chauffées àl'eau chaude) Seul un installateur habilité peut effectuer l'installation du raccordement à l'eau chaude. Respectez les instructions d'installation, elles sont importantes pour le raccordement àl'eau chaude. Si un robi...
Mise en réseau 47 Instructions d'appariement Pour connecter le sèche-linge à votre réseau, procédez comme suit. Ouvrir le Mode exploitant Allumez l'appareil en tournant le commutateur rotatif de la position de l'interrupteur sur n'importe quelle autre position. Ouvrez la porte du sèche-linge....
Mise en réseau 48 Maintenez la touche enfoncée jusqu’à ce que s’affiche à l’écran. Un minuteur (Timer) démarre ensuite. Le sèche-linge ouvre alors le Soft-AP pendant 10 mi-nutes. Connectez-vous avec le Device Connector dans Miele MOVE. Dès qu'une connexion est établie, des points clignote...
Mise en réseau 49 Puissance du signal Wi-Fi Signification MDU * 76 - 100 % 3/3** En général, fonctionnement fiable possible 51 - 75 % 2/3 26 - 50 % 1/3 En général, fonctionnement possible 1 - 25 % 0/3 En général, fonctionnement fiable impossible 0 % Fonctionnement impossible * s'affiche sur l'ap...
Mise en réseau 50 Ethernet Ethernet Technologie de transmission standard pour des réseaux reliés par câble à différentes vi-tesses de transmission (10/100/1.000 Mbit/s). IEEE Institute of Electrical and Electronics Engineers Association professionnelle mondiale d’ingénieurs provenant principalement ...
Mise en réseau 54 Exemple pour un réseau Wi-Fi 1 Internet 2 Routeur WiFi = 192.168.1.1 3 PC = 192.168.1.2 4 Imprimante = 192.168.1.3 5 Smartphone = 192.168.1.4 6 Ordinateur portable = 192.168.1.5 7 Lave-linge = 192.168.1.6 Le routeur attribue automatiquement à chaque participant une adresse IP (DHCP...
Accessoires en option 55 Des accessoires ne peuvent être rajoutés ou montés que s'ils sont expressément autori- sés par Miele. Si d’autres pièces sont rajoutées ou montées, les prétentions à la garantieet/ou fondées sur la responsabilité du fait du produit deviennent caduques. Boîtier de communica...
Accessoires en option 56 Configuration du réseau réglages d'usine Vous pouvez réinitialiser tous les paramètres du module de communication ou de votremodule Wi-Fi intégré aux réglages d'usine. Réinitialisez la configuration du réseau si vouséliminez votre appareil, le vendez ou mettez un appareil d'...
Caractéristiques techniques 57 Caractéristiques techniques PDR 514 PDR 518 PDR 522 PDR 528 PDR 544 Hauteur 1400 mm 1400 mm 1400 mm 1640 mm 1640 mm Largeur 906 mm 906 mm 906 mm 1206 mm 1206 mm Profondeur 852 mm 1035 mm 1162 mm 1019 mm 1385 mm Profondeur avec porte ouverte 1456 mm 1639 mm 1768 mm 1623...
Belgique: S.A. Miele Belgique Z.5 Mollem 480 – 1730 Mollem (Asse)Tel. 02/451.15.40E-mail: [email protected] Internet: www.miele-professional.be Miele SALimmatstrasse 4, 8957 SpreitenbachTéléphone +41 56 417 27 51Téléfax +41 56 417 24 69[email protected]www.miele.ch/professionalService de réparation ...
Notice Miele PDR 522 ROP [G]






































































































































































Notice d'Installation Miele PDR 522 ROP [G]




















































Résumé
fr - Table des matières 21 Consignes d'installation ................................................................................................. 22 Conditions d'installation .................................................................................................... 22Raccordement élect...
fr - Consignes d'installation 22 Conditions d'installation Seul un professionnel agréé par Miele ou le service après-vente Miele doit se charger del'installation et de la mise en service du sèche-linge. Le sèche-linge doit être installé en conformité avec les directives et normes en vigueur. Uti...
fr - Consignes d'installation 23 Installez selon les directives locales, un disjoncteur différentiel (RCD) tous courants im-munisé 30 mA de type B . Raccordement au gaz (uniquement pour variantes chauffées au gaz) Le raccordement au gaz doit être effectué uniquement par un installateur agréé par le ...
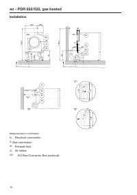
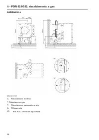
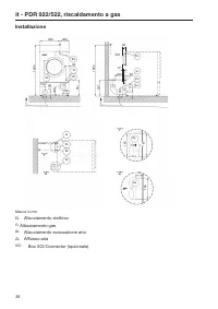
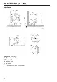
fr - PDR 922/522, chauffage gaz 25 Installation 620 280 90 G 501 305 1600 150 305 1600 ~ 50 2 x 150 128 200 EL AL ZL ZL EL AL 501 G G ZL EL AL AL ZL 161 160 "Z" "Y" "Y" "Z" XCI 96 31 ~350 28 128 Dimensions en millimètres EL Raccordement électrique G Raccordement au ga...
fr - PDR 922/522, chauffage gaz 26 Montage (standard/ socle en béton) 20 1400 Ø 10 1400 BS 395 B ~ 48 55 1059 ~ 55 >50 Ø 10 ~ 55 B 1600 55 790 395 1066 900 534 B B A A BS >1200 >55 BS >900 534 1066 B B B B A - A B - B >55 790 1600 ~ 48 BS >50 20 Dimensions en millimètres B Point de...
fr - Caractéristiques techniques 27 Variantes de tension/ caractéristiques électriques Raccordement standard Tension électrique 1N AC 230 V Fréquence 50 Hz Consommation 1,0 kW Protection électrique par fusibles (côté installation) 10 A Diamètre minimum du câble d'alimentation 3×1,5 mm² Vissage de câ...
fr - Caractéristiques techniques 28 Caractéristiques de l’appareil Largeur hors tout 906 mm Hauteur hors tout 1.400 mm Profondeur hors tout 1.162 mm Largeur de la niche 1.250 mm Distance conseillée au mur ( jusqu' au rebord avant de l'appareil) 1.600 mm Distance minimale au mur ( jusqu'au rebord arr...
Guide rapide Miele PDR 522 ROP [G]


















































































































































Résumé
fr - Table des matières 32 Votre contribution à la protection de l'environnement ........................................................ 34 Consignes de sécurité et mises en garde .............................................................................. 35 Documentation ..........................
fr - Table des matières 33 Raccordement vapeur (uniquement pour variantes chauffées à la vapeur) ......................... 58 Raccordement à l'eau chaude (uniquement pour variantes chauffées à l'eau chaude) ..... 58 Raccordement au gaz (uniquement pour variantes chauffées au gaz) ......................
fr - Votre contribution à la protection de l'environnement 34 Nos emballages Nos emballages protègent votre sèche-linge des dommages quipeuvent survenir pendant le transport. Nous les sélectionnons enfonction de critères écologiques qui permettent de les recycler.En participant au recyclage de vos e...
fr - Consignes de sécurité et mises en garde 35 Veuillez impérativement lire ce mode d'emploi. Documentation Ce document contient un condensé d'informations. Vous pouvez trouver le mode d'emploicomplet et d'autres documents sur le site internet de Miele :https://www.miele.fr/professional/modes-d-e...
fr - Consignes de sécurité et mises en garde 36 Les personnes qui en raison de déficiences physiques, sensorielles ou mentales, de leur inexpérience ou de leur ignorance, ne peuvent pas utiliser ce sèche-linge en toute sécuriténe doivent pas l'utiliser sans la surveillance et les instructions d'un...
fr - Consignes de sécurité et mises en garde 37 Risque d'incendie dû à une prise programmable. Ne raccordez pas le sèche-linge à une prise programmable (comme une minuterie). Si la phase de refroidissement du sèche-lingeest interrompu, il y a un risque de combustion spontanée du linge. Seul un r...
fr - Consignes de sécurité et mises en garde 38 Lors d'installation de plusieurs séche-linge sur un conduit collecteur d'évacuation d'air, il faut installer sur chaque séche-linge, un clapet anti-retour placé directement sur le conduitcollecteur.À défaut de quoi, les sèche-linge peuvent être endom...
fr - Consignes de sécurité et mises en garde 39 Le local d’installation du sèche-linge doit toujours être exempt de poussières et de pe- luches. Les particules de poussière aspirées avec l'air favorisent les obstructions. Celapourrait perturber le fonctionnement de l'appareil et causer un incendie...
fr - Utilisation 40 Appareils avec commande par humidité résiduelle 1 2 3 4 5 6 7 8 9 a Bandeau de commande b Touches sensitives pour paliers de séchage c Affichages d’état S’allument en cas de besoin d Touche sensitive active la cadence du ventilateur pour un séchage optimal des textiles l...
fr - Utilisation 41 Programmes de séchage - Position = programme « Blanc/Couleurs » Pour sécher les textiles en coton/lin - Position = programme « Blanc/Couleurs Délicat » Pour sécher les textiles fragiles en coton/lin - Position = programme « Synthétique/ Délicat » Pour sécher les fib...
fr - Utilisation 42 Appareils avec commande minutée (TOP) 1 2 3 4 5 6 7 8 9 a Bandeau de commande b Touches sensitives pour paliers de séchage c Affichages d’état S’allument en cas de besoin d Touche sensitive active la cadence du ventilateur pour un séchage optimal des textiles légers, com...
fr - Utilisation 46 Fonctionnement du bandeau de commande Les touches sensitives réagissent au contact du bout des doigts. La sélection est possibletant que la touche sensitive correspondante est éclairée. Une touche sensitive avec un éclairage clair signifie qu'elle est actuellement sélectionnée.Un...
fr - Séchage 47 1. « Conseils d'entretien de votre linge ». Laver votre lingeavant de le sécher Lavez soigneusement les textiles très sales. Utilisez suffisamment delessive et lavez à haute température. En cas de doute, lavez le lingeplusieurs fois. Si des produits chimiques industriels ont été util...
fr - Séchage 48 Charger le linge Dommages causés aux textiles dus à un entretien incorrect du linge.Si l'entretien du linge n'est pas respecté, les textiles peuvent êtreendommagés par le processus de séchage.Avant de charger votre sèche-linge, lisez tout d'abord le chapitre« 1. Conseils d'entretie...
fr - Séchage 50 Annuler/supprimerle départ différé Tournez le sélecteur de programme sur la position . Vous pouvez également annuler le départ différé en ouvrant la porte. Déroulement d'undépart différé - Le décompte du temps restant avant le départ différé s'affiche d'abord en heures jusqu'à ...
fr - Séchage 51 Si l'option Rotation infroissable a été sélectionnée, le tambour conti- nue de tourner à intervalles réguliers. Cela permet de réduire les fauxplis si le linge ne peut pas être sorti immédiatement.Le sèche-linge s'éteint automatiquement après la durée programmée,après la fin du prog...
fr - Nettoyage et entretien 52 Nettoyer le filtre à peluches Risque d'incendie dû au fonctionnement du sèche-linge sans filtre à peluches.Les conduites d'air, le chauffage et l'évacuation peuvent être obs-trués pendant le fonctionnement du sèche-linge sans filtre à pe-luches et provoquer un incend...
fr - Nettoyage et entretien 53 Risque d'endommagement par des nettoyants et des produits abrasifs contenant des solvants.N'utilisez ni détergent contenant des solvants, ni produit abrasif, niproduit à vitres ou multi-usages. Ces produits risquent d'endomma-ger les surfaces plastiques et autres piè...
fr - Installation 55 Conditions d'installation Dommages corporels ou matériels dus à une mauvaise installation. Une mauvaise installation du sèche-linge peut causer des dommages corporels ou maté-riels.Seul un professionnel agréé par Miele ou le service après-vente Miele doit se charger del'instal...
fr - Installation 57 Serrez les écrous des pieds de vis après les avoir alignés avec une clé à fourche sur la tôlede fond. Fixation Pour le stabiliser, il faut fixer le sèche-linge au sol à l'aide des pattes de fixation fourniesau-dessus des pieds. Le matériel de fixation fourni est prévu pour u...
fr - Installation 58 Le sèche-linge peut être raccordé soit par raccordement fixe, soit par prise, conformémentà la norme IEC 60309-1. Pour un raccordement fixe, il faut installer sur le lieu d'installationun dispositif de sectionnement phase et neutre. Ce dispositif peut être constitué d'un interru...
fr - Caractéristiques techniques 60 Caractéristiques techniques PDR 514 PDR 518 PDR 522 PDR 528 PDR 544 Hauteur 1400 mm 1400 mm 1400 mm 1640 mm 1640 mm Largeur 906 mm 906 mm 906 mm 1206 mm 1206 mm Profondeur 852 mm 1035 mm 1162 mm 1019 mm 1385 mm Profondeur avec porte ouverte 1456 mm 1639 mm 1768 mm...
Other Miele Autres Manuals
-
Miele APWM 066 Notice d'Installation
-
Miele APWM 062 Notice d'Installation
-
Miele APWM 065 Notice d'Installation
-
Miele APWM 020 Manuel d'utilisation
-
Miele APWM 020 Notice d'Installation
-
Miele SC Notice d'Installation
-
Miele PR Notice d'Installation
-
Miele FP 900 Notice d'Installation
-
Miele RP 900 Notice d'Installation
-
Miele APWM 019 Manuel d'utilisation
-
Miele APWM 019 Notice d'Installation
-
Miele A 830/1 Manuel d'utilisation
-
Miele TT 86 Manuel d'utilisation
-
Miele RP 1150 Notice d'Installation
-
Miele UG 5010 Notice d'Installation
-
Miele UO 5010 Notice d'Installation
-
Miele APCL 001 Notice d'Installation
-
Miele E 473/2 Manuel d'utilisation
-
Miele APRI 312 Notice d'Installation
-
Miele DOS K 85 flex Notice d'Installation