Page 3 - PRÉCAUTIONS IMPORTANTES
3 PRÉCAUTIONS IMPORTANTES AVERTISSEMENT : pour réduire les risques de brûlure, d’incendie, de choc élec- trique ou de blessure, lisez toutes les précautions importantes et toutes les instructions présentées dans ce manuel, ainsi que tous les avertissements apposés sur votre vélo elliptique avant de ...
Page 4 - CONSERVEZ CES INSTRUCTIONS
4 17. Tenez les guidons ou les bras PSC lorsque vous montez et descendez du vélo elliptique, et quand vous l’utilisez. Avant de monter ou de descendre, arrêtez les pédales avec la pédale sur laquelle vous allez monter ou des- cendre dans sa position la plus basse. 18. Le vélo elliptique n’est pas éq...
Page 5 - AVANT DE COMMENCER
5 Merci d’avoir choisi le vélo elliptique révolutionnaire NORDICTRACK ® COMMERCIAL 14.9. Le vélo elliptique COMMERCIAL 14.9 offre une sélection impressionnante de fonctionnalités conçues pour rendre vos séances d’entraînement à domicile plus agréables et plus efficaces. Il est important de lire atte...
Page 6 - TABLEAU D’IDENTIFICATION DES PIÈCES
6 TABLEAU D’IDENTIFICATION DES PIÈCES Utilisez les illustrations ci-dessous pour repérer les petites pièces nécessaires à l’assemblage. Le nombre entre parenthèses sous chaque pièce est le numéro-clé de la pièce dans la LISTE DES PIÈCES figurant à la fin du présent manuel. Le nombre après le numéro-...
Page 7 - ASSEMBLAGE
7 • L’assemblage requiert deux personnes. • Placez toutes les pièces sur une surface dégagée et retirez tout le matériel d’emballage. Ne jetez pas le matériel d’emballage avant d’avoir terminé toutes les étapes de l’assemblage. • Les pièces du côté gauche portent l’indication « L » ou « Left » et le...
Page 16 - COMMENT BRANCHER LE CORDON D’ALIMENTATION; AUS
16 COMMENT BRANCHER LE CORDON D’ALIMENTATION Ce produit doit être relié à la terre. En cas d’un mauvais fonctionnement ou d’une panne, la mise à la terre réduit les risques de chocs électriques en offrant une voie de fuite au courant électrique. Le cordon d’alimentation de ce produit est équipé d’un...
Page 17 - COMMENT UTILISER LE VÉLO ELLIPTIQUE
17 COMMENT DÉPLACER LE VÉLO ELLIPTIQUE À cause de la taille et du poids du vélo elliptique, il faut être deux personnes pour le déplacer. Prenez toutes les mesures nécessaires pour éviter d’en- dommager votre sol. Placez-vous devant le vélo elliptique, tenez le montant (A), puis placez un pied contr...
Page 19 - COMMENT UTILISER LA CONSOLE
19 Rat ELNT71420U NTEL71420 COMMENT UTILISER LA CONSOLE SCHÉMA DE LA CONSOLE FONCTIONNALITÉS DE LA CONSOLE La console de pointe offre un choix de fonctionnalités conçues pour rendre vos entrainements plus efficaces et plus agréables. La console est équipée de la technologie sans fil qui lui permet d...
Page 31 - ENTRETIEN ET RÉSOLUTION DES PROBLÈMES
31 ENTRETIEN Un entretien régulier est important pour obtenir des performances optimales et limiter l’usure. Vérifiez et serrez correctement toutes les pièces chaque fois que vous utilisez le vélo elliptique. Remplacez immé- diatement toute pièce usée. N’utilisez que des pièces fournies par le fabri...
Page 33 - CONSEILS POUR LES EXERCICES
33 CONSEILS POUR LES EXERCICES Les conseils suivants vous aideront à planifier votre programme d’exercices physiques. Pour obtenir des informations détaillées sur les exercices, procurez-vous un livre réputé sur le sujet ou consultez votre médecin. Gardez en tête qu’une alimentation équilibrée et un...
Page 35 - LISTE DES PIÈCES
35 LISTE DES PIÈCES N° du modèle NTEL71420-INT.2 R0921A 1 1 Cadre/Rampe 2 1 Stabilisateur Arrière 3 1 Panneau d’Accès 4 1 Montant 5 6 Vis M4 x 19mm 6 1 Stabilisateur Avant 7 1 Console 8 2 Guide du Rouleau 9 2 Manchon du Roulement à Billes du Pédalier 10 1 Boîtier Arrière de la Rampe 11 1 Moteur d’In...
Page 37 - SCHÉMA DÉTAILLÉ A
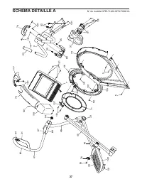
37 SCHÉMA DÉTAILLÉ A 4 35 35 37 81 54 63 71 79 73 75 80 101 101 101 101 92 124 5 101 50 101 101 11 7 11 6 11 8 101 101 101 5 50 46 52 45 44 47 49 68 62 21 67 70 72 76 95 127 143 94 7 N° du modèle NTEL71420-INT.2 R0921A
Page 38 - SCHÉMA DÉTAILLÉ B
38 SCHÉMA DÉTAILLÉ B 26 26 107 9 121 121 11 0 11 9 111 146 133 6 10 2 16 18 15 17 25 20 130 28 30 22 33 40 43 43 48 42 88 93 31 31 89 135 90 91 27 136 108 103 145 11 3 84 102 101 102 30 131 131 16 122 36 20 34 104 26 109 11 2 23 40 82 82 9 78 86 78 86 92 135 108 26 105 128 104 1 24 12 11 19 101 11 5...
Page 39 - SCHÉMA DÉTAILLÉ C
39 SCHÉMA DÉTAILLÉ C 74 124 50 50 5 5 11 6 5 101 32 32 95 127 137 138 139 140 141 141 142 58 57 57 64 103 103 87 59 99 123 77 95 56 55 120 56 51 53 95 98 95 8 71 60 101 61 66 65 69 83 101 126 126 101 101 101 3 82 96 129 102 82 97 100 100 54 101 101 134 125 132 85 144 26 29 N° du modèle NTEL71420-INT...
Page 40 - COMMANDER DES PIÈCES DE RECHANGE; INFORMATIONS SUR LE RECYCLAGE
N° de la pièce 435302 R0921A Imprimé en Chine © 2021 ICON Health & Fitness, Inc. Pour commander des pièces de rechange, veuillez vous référer à la page de couverture de ce manuel. Pour une assistance plus efficace, préparez les informations suivantes avant de nous contacter : • le numéro du modè...