NordicTrack NTRW19422 - Notice

NordicTrack NTRW19422

NordicTrack NTRW19422 - Notice, à lire gratuitement en ligne au format PDF. Nous espérons que cela vous aidera à résoudre toutes les questions que vous pourriez avoir. Si vous avez encore des questions, contactez-nous via le formulaire de contact.

1 Page 1
2 Page 2
3 Page 3
4 Page 4
5 Page 5
6 Page 6
7 Page 7
8 Page 8
9 Page 9
10 Page 10
11 Page 11
12 Page 12
13 Page 13
14 Page 14
15 Page 15
16 Page 16
17 Page 17
18 Page 18
19 Page 19
20 Page 20
21 Page 21
22 Page 22
23 Page 23
24 Page 24
25 Page 25
26 Page 26
27 Page 27
28 Page 28
29 Page 29
30 Page 30
31 Page 31
32 Page 32
Page: / 32

Table des matières:

  • Page 3 – PRÉCAUTIONS IMPORTANTES
  • Page 4 – AVANT DE COMMENCER
  • Page 5 – TABLEAU D’IDENTIFICATION DES PIÈCES
  • Page 6 – ASSEMBLAGE
  • Page 12 – COMMENT UTILISER LE RAMEUR
  • Page 14 – Florida; COMMENT UTILISER LA CONSOLE
  • Page 24 – ENTRETIEN ET RÉSOLUTION DES PROBLÈMES
  • Page 27 – CONSEILS POUR LES EXERCICES
  • Page 28 – LISTE DES PIÈCES
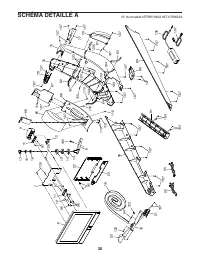
  • Page 30 – SCHÉMA DÉTAILLÉ A
  • Page 31 – SCHÉMA DÉTAILLÉ B
  • Page 32 – COMMANDER DES PIÈCES DE RECHANGE; INFORMATIONS SUR LE RECYCLAGE
Téléchargement du manuel

Autocollant

du numéro de

série

MANUEL DE L’UTILlSATEUR

N° du modèle NTRW19422-INT.4

N° de série

Écrivez le numéro de série sur la

ligne ci-dessus pour référence.

iconeurope.com

ATTENTION

Lisez toutes les précautions et

instructions contenues dans

ce manuel avant d’utiliser cet

équipement. Conservez ce

manuel pour vous y référer

ultérieurement.

SERVICE AUX

MEMBRES

Si vous avez besoin d’aide, veuillez

enregistrer votre produit sur notre

site web iFITsupport.eu.

FRANCE

Téléphone : 08 00 00 12 65

BELGIQUE

Téléphone : 08-005 80 95

Heures d’ouverture : du lundi au

vendredi, de 9h00 à 19h00 ; le

samedi, de 9h00 à 13h00

„Téléchargement du manuel“ signifie que vous devez attendre que le fichier soit complètement chargé avant de pouvoir le lire en ligne. Certains manuels sont très volumineux, et le temps de chargement dépend de la vitesse de votre connexion Internet.

Résumé

Page 3 - PRÉCAUTIONS IMPORTANTES

3 PRÉCAUTIONS IMPORTANTES AVERTISSEMENT : pour réduire les risques de blessures graves, lisez toutes les précautions importantes et toutes les instructions contenues dans ce manuel, ainsi que tous les avertissements apposés sur le rameur avant de l’utiliser. iFIT ne peut être tenu responsable des bl...

Page 4 - AVANT DE COMMENCER

4 Merci d’avoir choisi le nouveau rameur NORDICTRACK ® RW 900. La pratique du rameur est un des exercices les plus efficaces pour améliorer le système cardiovasculaire, développer l’endurance et raffermir le corps. Le rameur RW 900 est conçu pour vous faire bénéficier d’exercices efficaces dans le c...

Page 5 - TABLEAU D’IDENTIFICATION DES PIÈCES

5 TABLEAU D’IDENTIFICATION DES PIÈCES Utilisez les illustrations ci-dessous pour repérer les petites pièces nécessaires à l’assemblage. Le nombre entre parenthèses sous chaque pièce est le numéro-clé de la pièce dans la LISTE DES PIÈCES figurant à la fin du présent manuel. Le nombre après le numéro-...

Autres modèles de NordicTrack