Page 2 - TABLE DES MATIÈRES
2 — Français Introduction ..................................................................................................................................................................... 2 Garantie ................................................................................................
Page 3 - RÈGLES DE SÉCURITÉ GÉNÉRALES; SÉCURITÉ PERSONNELLE; UTILISATION ET ENTRETIEN DES OUTILS; SÉCURITÉ ÉLECTRIQUE
3 — Français RÈGLES DE SÉCURITÉ GÉNÉRALES SÉCURITÉ PERSONNELLE Rester attentif, prêter attention au travail et faire preuve de bon sens lors de l’utilisation de tout outil électrique. Ne pas utiliser cet outil en état de fatigue ou sous l’influence de l’alcool, de drogues ou de médicaments. Un mom...
Page 4 - UTILISATION ET ENTRETIEN DE LA BATTERIE; DÉPANNAGE
4 — Français RÈGLES DE SÉCURITÉ GÉNÉRALES RÈGLES DE SÉCURITÉ PARTICULIÈRES DANGER! Garder les mains à l’écart de la zone de coupe et de la meule. Garder l’autre main à une distance d’au moins 76,2 mm (3 po) de la meule en tout temps. Garder le corps d’un côté ou de l’autre de la meule de coupe, ...
Page 5 - RÈGLES DE SÉCURITÉ PARTICULIÈRES
5 — Français RÈGLES DE SÉCURITÉ PARTICULIÈRES AVERTISSEMENT : La poussière dégagée lors du ponçage, sciage, meulage, perçage de certains matériaux et lors d’autres opérations de construction contient des produits chimiques reconnus causer le cancer, des malformations congénitales ou des lésions de l...
Page 6 - SYMBOLES
6 — Français SYMBOLES Certains des symboles ci-dessous peuvent être présents sur le produit. Veiller à les étudier et à apprendre leur signification. Une interprétation correcte de ces symboles permettra d’utiliser l’outil plus efficacement et de réduire les risques. SYMBOLE NOM DÉSIGNATION / EXPLIC...
Page 7 - caractéristiques
7 — Français caractéristiques PrODuct sPeciFicatiONs Moteur ....................................................................18 V DC Diamètre de la meule................................. 101,6 mm (4 po)Alésage ........................................................16 mm (5/8 po)Profondeur de cou...
Page 8 - ASSEMBLAGE; INSTALER LE MUELE DE COUPE
8 — Français ASSEMBLAGE AVERTISSEMENT : Ne pas utiliser de mueles dont la vitesse à vide de rotation nominale est inférieure à celle de l’outil. Le non-respect de cet avertissement pourrait entraîner des blessures graves. Ne jamais utiliser des meules qui ont des ouver-tures, des rainures, ou des de...
Page 9 - UTILISATION; APPLICATIONS
9 — Français UTILISATION AVERTISSEMENT : Ne pas laisser la familiarité avec ce produit faire oublier la prudence. Ne pas oublier qu’une fraction de seconde d’inattention peut entraîner des blessures graves. AVERTISSEMENT : Toujours porter une protection oculaire avec écrans latéraux certifiée confor...
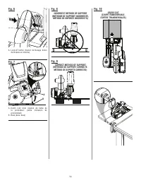
Page 10 - MISE EN MARCHE ET ARRÊT DE LA SCIE; BOUTON DE VERROUILLAGE; EXÉCUTION DE COUPES; POUR EFFECTUER UNE COUPE TRANSVERSALE
10 — Français MISE EN MARCHE ET ARRÊT DE LA SCIE Voir la Figure 5, page 13. Pour mettre la scie en marche : Appuyer sur bouton de verrouillage. Appuyer sur la gâchette. Toujours laisser la meule parvenir à sa vitesse maximum avant de l’engager dans le bois. Pour arrêter la scie : Relâcher la gâc...
Page 11 - POUR EFFECTUER UNE COUPE EN DIAGONALE; POUR EFFECTUER UNE COUPE D’ONGLET; POUR EFFECTUER UNE COUPE EN L; POUR EFFECTUER UNE COUPE BISEAU
11 — Français UTILISATION Laissez le muele de coupe atteindre son régime maximum et attendre le muele pour obtenir mouillé avant d’avancer le meule vers le matériau. Une fois la coupe effectuée, relâcher la gâchette. Attendre que la meule s’arrête complètement avant de retirer la scie du matér...
Page 12 - ENTRETIEN; OUTILS DE RANGEMENT; 3 DE PAGE APRÈS LA SECTION ESPAGNOL.
12 — Français ENTRETIEN OUTILS DE RANGEMENT Avant rangement, toujours enlever le bloc-piles de l’outil. RETRAIT ET PRÉPARATION DU BLOC DE BATTERIES POUR LE RECYCLAGE AVERTISSEMENT : Après avoir retiré le bloc de batteries, couvrir ses bornes avec un ruban adhésif de qualité industrielle. Ne pas es-s...
Page 16 - PaRts and sERVicE; • MODEL NUMBER; • HOw tO OBtAIN REpLAcEMENt pARtS:; • HOw tO LOcAtE AN AUtHORIzED SERvIcE cENtER:; • HOw tO OBtAIN cUStOMER OR tEcHNIcAL SUppORt:; PiÈcEs Et sERVicE
P580 98700061711-5-09 (REV:05) • PaRts and sERVicE Prior to requesting service or purchasing replacement parts, please obtain your model and serial number from the product data plate. • MODEL NUMBER ____________________ • SERIAL NUMBER ____________________ • HOw tO OBtAIN REpLAcEMENt pARtS: Replacem...