Ryobi RY09050- Manuels

Ryobi RY09050- Manuel d'utilisation en ligne au format PDF.

1 Page 1
2 Page 2
3 Page 3
4 Page 4
5 Page 5
6 Page 6
7 Page 7
8 Page 8
9 Page 9
10 Page 10
11 Page 11
12 Page 12
13 Page 13
14 Page 14
15 Page 15
16 Page 16
17 Page 17
18 Page 18

Résumé

Page 2 - en el manual del operador.

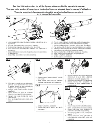
i Fig. 1 Fig. 2 Fig. 3 Fig. 5 Fig. 6 Fig. 4 a - lower vacuum tube (tube d’aspiration inférieur, tubo inferior de la aspiradora) b - shoulder strap (bandoulière, correa para el hombro) c - cruise control (régulateur de vitesse, control de crucero) d - upper vacuum tube (tube d’aspiration supérieur, t...

Page 4 - INTRODUCTION; INTRODUCTION / INTRODUCCIóN; TABLE OF CONTENTS

2 - English INTRODUCTION INTRODUCTION / INTRODUCCIóN This product has many features for making its use more pleasant and enjoyable. Safety, performance, and dependability have been given top priority in the design of this product making it easy to maintain and operate. * * * Ce produit offre de nomb...

Page 5 - Règles de sécuRité généRales; aVeRtisseMent; conseRVeR ces instRuctions

3 - Français Règles de sécuRité généRales aVeRtisseMent : liRe et VeilleR à bien coMpRendRe toutes les instRuctions. Le non respect de toutes les instruc-tions ci-dessous peut entraîner un choc électrique, un incendie et / ou des blessures graves. conseRVeR ces instRuctions  Ne pas laisser des enfa...

Ryobi Manuels