Broan PM400SSV - Manuel d'utilisation

Hotte de cuisine Broan PM400SSV - Manuel d'utilisation, à lire gratuitement en ligne au format PDF. Nous espérons que cela vous aidera à résoudre toutes les questions que vous pourriez avoir. Si vous avez encore des questions, contactez-nous via le formulaire de contact.
Téléchargement du manuel
INSTALLATION,
USE & CARE INSTRUCTIONS
WWW.BROAN-NUTONE.COM
WWW.BROAN-NUTONE.CA
Serial number:
1105025A
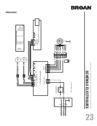
Powerpack Inserts
Model numbers: PM400SSV,
PM600SSV
PM400SSV
PM600SSV
„Téléchargement du manuel“ signifie que vous devez attendre que le fichier soit complètement chargé avant de pouvoir le lire en ligne. Certains manuels sont très volumineux, et le temps de chargement dépend de la vitesse de votre connexion Internet.