Graco 288716 - Notice

Graco 288716

Graco 288716 - Notice, à lire gratuitement en ligne au format PDF. Nous espérons que cela vous aidera à résoudre toutes les questions que vous pourriez avoir. Si vous avez encore des questions, contactez-nous via le formulaire de contact.

1 Page 1
2 Page 2
3 Page 3
4 Page 4
5 Page 5
6 Page 6
7 Page 7
8 Page 8
9 Page 9
10 Page 10
11 Page 11
12 Page 12
13 Page 13
14 Page 14
15 Page 15
16 Page 16
17 Page 17
18 Page 18
19 Page 19
20 Page 20
21 Page 21
22 Page 22
23 Page 23
24 Page 24
25 Page 25
26 Page 26
27 Page 27
28 Page 28
29 Page 29
30 Page 30
31 Page 31
32 Page 32
33 Page 33
34 Page 34
35 Page 35
36 Page 36
37 Page 37
38 Page 38
39 Page 39
40 Page 40
41 Page 41
42 Page 42
43 Page 43
44 Page 44
45 Page 45
46 Page 46
47 Page 47
48 Page 48
49 Page 49
50 Page 50
51 Page 51
52 Page 52
53 Page 53
54 Page 54
55 Page 55
56 Page 56
57 Page 57
58 Page 58
59 Page 59
60 Page 60
Page: / 60

Table des matières:

  • Page 2 – Table des matières
  • Page 4 – Modèles
  • Page 5 – Informations importantes destinées à l’utilisateur; Informations importantes destinées; Merci de votre achat !
  • Page 6 – Avertissements; AVERTISSEMENT; MISE À LA TERRE
  • Page 7 – RISQUES D’INCENDIE ET D’EXPLOSION
  • Page 8 – RISQUES D’INJECTION CUTANÉE; RISQUES LIÉS AVEC UNE UTILISATION INCORRECTE
  • Page 9 – RISQUES DE DÉCHARGE ÉLECTRIQUE; RISQUES LIÉS AUX FUMÉES OU VAPEURS TOXIQUES
  • Page 10 – Connaître le pulvérisateur
  • Page 13 – Modèles à trémie
  • Page 14 – Configuration
  • Page 15 – Filtrage de la peinture
  • Page 16 – Démarrage; Procédure de
  • Page 17 – Vanne d’amorçage/de pulvérisation
  • Page 18 – Rinçage du produit; Modèles sur pied
  • Page 20 – Remplissage de la pompe
  • Page 21 – Comment pulvériser; Installation de la buse; Pulvérisation
  • Page 22 – Réglage de la pression; Buses haute finition
  • Page 23 – Techniques de pulvérisation
  • Page 24 – Débouchage de la buse
  • Page 25 – Nettoyage; Nettoyage dans un seau
  • Page 27 – Rinçage forcé
  • Page 29 – Rinçage de la trémie
  • Page 31 – Nettoyage du filtre; Nettoyage du pistolet
  • Page 32 – Stockage
  • Page 33 – Référence; Sélection de la taille de la buse; Largeur du jet; Signification du numéro; Compatibilité des; Produits à l’huile ou à l’eau
  • Page 34 – Instructions de mise à la
  • Page 35 – Guide de référence rapide
  • Page 36 – Maintenance; Flexibles airless; Démontage de la pompe
  • Page 37 – Outil de démontage ProXChange
  • Page 38 – Installation de la pompe
  • Page 39 – Dépannage
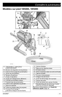
  • Page 45 – Nomenclature des pièces de pulvérisateurs sur pied; Pièce
  • Page 46 – Pièces du pulvérisateur sur pied 18H284,
  • Page 47 – Description
  • Page 49 – Nomenclature des pièces de pulvérisateurs sur pied DI
  • Page 51 – Nomenclature des pièces de pulvérisateurs à trémie; Pièce Description
  • Page 53 – Nomenclature
  • Page 56 – Caractéristiques techniques
  • Page 57 – Proposition 65 de Californie; RÉSIDENTS DE CALIFORNIE; Cancer et effet nocif sur la reproduction -
  • Page 58 – GX FF
  • Page 59 – Garantie standard de Graco
  • Page 60 – Informations Graco
Téléchargement du manuel

3A3295P

FR

Fonctionnement, pièces

Pulvérisateurs airless

électriques GX

Pour un usage professionnel uniquement.

Système non homologué pour une utilisation dans les atmosphères

explosives ou zones dangereuses. Pour l’application mobile et sans air

de peintures et revêtements architecturaux.

Modèles : GX

Pression de service maximum 3 000 psi (207 bar, 20,7 MPa)

Voir page 4 pour plus de renseignements sur les autres modèles.

Instructions de sécurité importantes

Lire tous les avertissements et instructions de ce manuel, des manuels associés

et se trouvant sur l’appareil, notamment au niveau du cordon d’alimentation.

Se familiariser avec les commandes et l’utilisation appropriée de l’équipement.

Conserver ces instructions.

Manuels afférents

Pistolet – 311861 (FTX) 312830 (SG3)

Pompe – 3A3172

Utiliser uniquement des pièces de rechange d’origine Graco.

L’utilisation de pièces de rechange d’une marque autre que Graco peut annuler la garantie.

www.graco.com/techsupport

??

??

„Téléchargement du manuel“ signifie que vous devez attendre que le fichier soit complètement chargé avant de pouvoir le lire en ligne. Certains manuels sont très volumineux, et le temps de chargement dépend de la vitesse de votre connexion Internet.

Résumé

Page 2 - Table des matières

Table des matières 2 3A3295P Table des matières Modèles . . . . . . . . . . . . . . . . . . . . . . . . . . . . . . . . . . . . . . . . . . . . . . . . . . . . . . . . . . . . . . 4 Informations importantes destinées à l’utilisateur . . . . . . . . . . . . . . . . . . . . . . . . . . . 5 Avertisseme...

Page 4 - Modèles

Modèles 4 3A3295P Modèles VCA Modèle Pied Diam. int. pied Trémie 120 États-unis GX 19 17H211 FinishPro GX 19 17F924 SA et Brésil 230 Schuko ® GX 21 17H221 CA et Brésil et Mexique 110 GX 21 24Y680 230 Europe Multi GX 21 17H218 GX FF 17H222 230 Schuko GX 21 17G183 GX FF 17G184 230 Afrique du Sud GX 21...

Page 5 - Informations importantes destinées à l’utilisateur; Informations importantes destinées; Merci de votre achat !

Informations importantes destinées à l’utilisateur 3A3295P 5 Informations importantes destinées à l’utilisateur Merci de votre achat ! Avant d’utiliser votre pulvérisateur, veuillez lire ce manuel d’instructions pour obtenir des instructions complètes concernant la bonne utilisation et les avertisse...

Autres modèles de Graco

Tous les autres Graco