Maytag UXT5530AAS - Manuel d'utilisation

Hotte de cuisine Maytag UXT5530AAS - Manuel d'utilisation, à lire gratuitement en ligne au format PDF. Nous espérons que cela vous aidera à résoudre toutes les questions que vous pourriez avoir. Si vous avez encore des questions, contactez-nous via le formulaire de contact.
Table des matières:
- Page 1 – Your safety and the safety of others are very important.; DANGER
- Page 2 – SÉCURITÉ DE LA HOTTE DE CUISINIÈRE; Votre sécurité et celle des autres est très importante.; AVERTISSEMENT
- Page 3 – IMPORTANTES INSTRUCTIONS DE SÉCURITÉ; LIRE ET CONSERVER CES INSTRUCTIONS
- Page 4 – EXIGENCES D'INSTALLATION; Outils et pièces; Outils nécessaires; Exigences d'emplacement; Installation dans une résidence mobile
- Page 5 – Dégagements de séparation à respecter; Exigences concernant l'évacuation; (Uniquement pour modèles avec évacuation); Installations pour régions à climat froid
- Page 7 – Spécifications électriques; INSTRUCTIONS DE MISE À LA TERRE
- Page 8 – INSTRUCTIONS D'INSTALLATION; Préparation de l'emplacement; Déterminer l’emplacement du trou de passage du câble; Décharge à travers le toit; Évacuation par le mur
- Page 9 – Installation du conduit d’évacuation; Installation de la hotte
- Page 11 – Achever l’installation; UTILISATION DE LA HOTTE; Commandes de la hotte de cuisinière; Commande de la lampe
- Page 12 – ENTRETIEN DE LA HOTTE; Nettoyage; Filtre à graisse métallique :; Remplacement d’une lampe à halogène
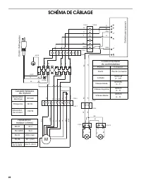
- Page 13 – SCHÉMA DE CÂBLAGE; Fonctionnement
- Page 14 – ASSISTANCE OU SERVICE; Si vous avez besoin de pièces de rechange; Au Canada; Pour plus d’assistance; Accessoires; Filtre à charbon de rechange (Ensemble de 2 filtres); GARANTIE DES GROS APPAREILS MÉNAGERS
2
TABLE OF CONTENTS
RANGE HOOD SAFETY ................................................................. 2
INSTALLATION REQUIREMENTS ................................................ 3
Tools and Parts ............................................................................ 3
Location Requirements ................................................................ 4
Venting Requirements .................................................................. 5
Electrical Requirements ............................................................... 6
INSTALLATION INSTRUCTIONS .................................................. 7
Prepare Location .......................................................................... 7
Install Range Hood ....................................................................... 9
Complete Installation ................................................................. 10
RANGE HOOD USE ...................................................................... 10
Range Hood Controls ................................................................ 11
RANGE HOOD CARE ...................................................................11
Cleaning...................................................................................... 11
WIRING DIAGRAM ...................................................................... 12
ASSISTANCE OR SERVICE ......................................................... 13
In the U.S.A. ............................................................................... 13
In Canada ................................................................................... 13
Accessories ................................................................................ 13
WARRANTY ..................................................................................14
TABLE DES MATIÈRES
SÉCURITÉ DE LA HOTTE DE CUISINIÈRE ...............................15
EXIGENCES D'INSTALLATION ...................................................17
Outils et pièces ...........................................................................17
Exigences d'emplacement .........................................................17
Exigences concernant l'évacuation ...........................................18
Spécifications électriques ..........................................................20
INSTRUCTIONS D'INSTALLATION.............................................21
Préparation de l'emplacement ...................................................21
Installation de la hotte ................................................................22
Achever l’installation ..................................................................24
UTILISATION DE LA HOTTE .......................................................24
Commandes de la hotte de cuisinière .......................................24
ENTRETIEN DE LA HOTTE..........................................................25
Nettoyage ...................................................................................25
SCHÉMA DE CÂBLAGE ...............................................................26
ASSISTANCE OU SERVICE .........................................................27
Au Canada ..................................................................................27
Accessoires ................................................................................27
GARANTIE .....................................................................................27
RANGE HOOD SAFETY
You can be killed or seriously injured if you don't immediately
You
can be killed or seriously injured if you don't follow
All safety messages will tell you what the potential hazard is, tell you how to reduce the chance of injury, and tell you what can
happen if the instructions are not followed.
Your safety and the safety of others are very important.
We have provided many important safety messages in this manual and on your appliance. Always read and obey all safety
messages.
This is the safety alert symbol.
This symbol alerts you to potential hazards that can kill or hurt you and others.
All safety messages will follow the safety alert symbol and either the word “DANGER” or “WARNING.”
These words mean:
follow instructions.
instructions.
DANGER
WARNING
„Téléchargement du manuel“ signifie que vous devez attendre que le fichier soit complètement chargé avant de pouvoir le lire en ligne. Certains manuels sont très volumineux, et le temps de chargement dépend de la vitesse de votre connexion Internet.
Résumé
2 TABLE OF CONTENTS RANGE HOOD SAFETY ................................................................. 2 INSTALLATION REQUIREMENTS ................................................ 3 Tools and Parts ............................................................................ 3Location Requirements ....
15 SÉCURITÉ DE LA HOTTE DE CUISINIÈRE Risque possible de décès ou de blessure grave si vous ne suivez pas immédiatement les instructions. Risque possible de décès ou de blessure grave si vous ne suivez pas les instructions. Tous les messages de sécurité vous diront quel est le danger potentiel et vo...
16 IMPORTANTES INSTRUCTIONS DE SÉCURITÉ LIRE ET CONSERVER CES INSTRUCTIONS AVERTISSEMENT : POUR RÉDUIRE LE RISQUE D'INCENDIE, CHOC ÉLECTRIQUE OU DOMMAGES CORPORELS, RESPECTER LES INSTRUCTIONS SUIVANTES : ■ Utiliser cet appareil uniquement dans les applications envisagées par le fabricant. Pour toute...