Page 3 - Symboles et messages; SYMBOLES DE SÉCURITÉ UTILISÉS DANS CE MANUEL
Symboles et messages SYMBOLES DE SÉCURITÉ UTILISÉS DANS CE MANUEL AVERTISSEMENT : indique une situation dangereuse qui, si elle n'est pasévitée, peut entraîner la mort ou des blessures graves. Dans le contexte d'un stérilisateur, ces avertissements se rapportentà des situations dangereuses qui peuve...
Page 4 - Introduction; À propos de ce manuel; INTRODUCTION
Introduction À propos de ce manuel INTRODUCTION Ce manuel contient le Mode d'emploi des stérilisateurs Miele PST1710 et PST 2210, ci-après dénommés CUBE - 17 et CUBE - 22. POUR VOTRE SÉCURITÉ ET LA SÉCURITÉ DE VOS PATIENTS Le but de ce manuel est de fournir des informations sur lesstérilisateurs CUB...
Page 5 - Restrictions d'utilisation; USAGE PRÉVU
Les informations contenues dans ce document sont sujettes àmodification sans préavis. Restrictions d'utilisation USAGE PRÉVU Les stérilisateurs CUBE sont majoritairement utilisés à des finsmédicales (par exemple dans les cabinets de médecine générale,les cabinets dentaires, les centres d'hygiène per...
Page 6 - Informations de sécurité; Avertissements de sécurité; RISQUES THERMIQUES
Informations de sécurité Avertissements de sécurité RISQUES THERMIQUES n La cuve commence automatiquement à chaufferà haute température dès que le stérilisateur estallumé - risque de brûlures ! n Les plateaux et la charge de stérilisation sontchauds à la fin de chaque cycle. Utilisez unporte-plateau...
Page 7 - Responsabilité; RESPONSABILITÉ DE L'UTILISATEUR
MAUVAISE UTILISATION DU STÉRILISATEUR n Le stérilisateur ne doit pas être utilisé enprésence de gaz, vapeurs, liquides ou solidesexplosifs ou inflammables. n Le stérilisateur n'a pas été conçu pour lastérilisation de produits alimentaires ou dedéchets. n Veillez à ne pas dépasser les limites de poid...
Page 9 - Démarrage; Déballage; CONTENU DE L'EMBALLAGE
Démarrage Déballage CONTENU DE L'EMBALLAGE Stérilisateur Plateaux (trois) Panier réversible Porte-plateau Câble secteur Tuyau de vidange Clé USB contenant le Mode d'emploi Ce manuel, la déclaration de conformité, la carte de garantie, le rapport de test de fonctionnalité CUBE | Guide de démar r age ...
Page 10 - COMPOSANTS NON FOURNIS AVEC LE STÉRILISATEUR; Manipulation; COMMENT DÉPLACER LE STÉRILISATEUR
COMPOSANTS NON FOURNIS AVEC LE STÉRILISATEUR Les composants suivants ne sont pas fournis : n Récipient d'eau pour capturer l'eau usée lors de la vidangemanuelle de la cuve (volume supérieur à 5 l (1,3 gal)) Veuillez vous référer au Mode d'emploi pour accéder à la listeexhaustive des accessoires disp...
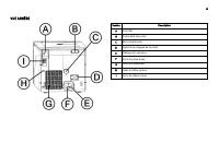
Page 11 - Description du produit; VUE AVANT
Description du produit VUE AVANT Section Description A Porte de la cuv e B Cache de remplissage des réserv oirs C Capot des réserv oirs d'eau D Écran tactile E Porte du compartiment d'entretien F Cuv e de stérilisation G Filtre anti-poussière H Bouton de réinitialisation du thermostat I Joint de por...
Page 12 - STRUCTURE INTERNE SUPÉRIEURE
STRUCTURE INTERNE SUPÉRIEURE Section Description A Réserv oir B Capteur de niv eau d'eau C Capot des réserv oirs d'eau D Capot interne des réserv oirs E Filtres internes des réserv oirs av ec cartouches métalliques 12
Page 13 - CONTENU DU COMPARTIMENT D'ENTRETIEN
CONTENU DU COMPARTIMENT D'ENTRETIEN Section Description A Filtre bactériologique B Interrupteur secteur C Étiquette d'identification D Orifice de v idange de l'eau usée (gris) E Orifice de v idange de l'eau propre (bleu) F Bouton de libération du tuyau de v idange G Port USB CUBE | Guide de démar r ...
Page 14 - VUE ARRIÈRE
VUE ARRIÈRE Section Description A Port USB B Cache de la lame d'air C Raccord des tests D Capot de la soupape de sécurité E Vidange de l'eau usée F Prise d'arriv ée d'eau G Grille du condenseur H Guide du câble secteur I Prise du câble secteur 14
Page 15 - Installation du stérilisateur; EXIGENCES DE POSITIONNEMENT; CONNEXIONS ÉLECTRIQUES
Installation du stérilisateur EXIGENCES DE POSITIONNEMENT Avis :Placez le stérilisateur de sorte qu'il soit aisé d'utiliser lescommandes situées derrière la porte du compartiment d'entretien.Placez le stérilisateur de sorte que la fiche d'alimentation puisseêtre débranchée sans difficulté.Veillez à ...
Page 16 - INSTALLATION DU STÉRILISATEUR
L'alimentation électrique du stérilisateur doit respecter toutes lesnormes en vigueur dans le pays d'utilisation et doit être conforme àl'étiquette de données située à l'arrière du stérilisateur. RACCORDEMENTS D'EAU Le réservoir d'eau propre du stérilisateur peut être remplimanuellement par l'utilis...
Page 19 - COMMANDES ET ICÔNES COMMUNES
COMMANDES ET ICÔNES COMMUNES Icône Fonction Activ e/Désactiv e le mode v eille. Permet d'accéder à l'écranprécédent/suiv ant. Ouv re la page d'accueil. Accède aux sous-menus. Permet d'accéder à l'écran de réglaged'une zone spécifique. Affiche la liste de tous les paramètres defonctionnement du stéri...
Page 21 - Cycles de stérilisation; Préparation du stérilisateur; AVERTISSEMENTS; INSERTION DU PANIER DE LA CUVE DANS LE STÉRILISATEUR
Cycles de stérilisation Préparation du stérilisateur AVERTISSEMENTS Avis : utilisez uniquement de l'eau distillée ou déminéralisée(veuillez consulter le Mode d'emploi pour connaître les exigencestechniques). N'ajoutez aucun produit chimique/additif à l'eau. REMPLISSAGE DU RÉSERVOIR D'EAU PROPRE 1 Me...
Page 22 - Gestion du cycle de stérilisation; EXÉCUTION D'UN CYCLE DE STÉRILISATION
Gestion du cycle de stérilisation EXÉCUTION D'UN CYCLE DE STÉRILISATION 1 Dans la page d'accueil, appuyez surle cycle souhaité. 2 Vérifiez les conditions requises ducycle. 3 Vérifiez l'icône dans le coinsupérieur gauche de la page pourconnaître le mode de séchageattribué au cycle. 4 Pour modifier la...
Page 23 - PAGE DU CYCLE DE STÉRILISATION
7 Attendez la fin de la stérilisation.Appuyez sur pour afficher les paramètres du cycle en temps réel.Veuillez vous référer au Moded'emploi. 8 La stérilisation est terminée.Appuyez sur pour afficher le résumé du cycle ou appuyez sur pour afficher les informations sur le cycle. Veuillez vous référera...
Page 24 - FIN D'UN CYCLE DE STÉRILISATION
FIN D'UN CYCLE DE STÉRILISATION Lorsqu'un cycle est terminé avec succès, le message « Cycleterminé » apparaît à l'écran. Pour terminer le cycle : 1 Appuyez sur pour afficher le résumé du cycle ou appuyezsur pour afficher les paramètres du cycle. Veuillezvous référer au Mode d'emploi. 2 Appuyez sur O...
Page 25 - Entretien; Entretien extraordinaire; VIDANGE DES RÉSERVOIRS D'EAU USÉE ET D'EAU PROPRE
Entretien Entretien extraordinaire VIDANGE DES RÉSERVOIRS D'EAU USÉE ET D'EAU PROPRE Si vous laissez accidentellement les réservoirs pleins pendant plus de sept jours ou si vous prévoyez de ne pas utiliser le stérilisateur pendantau moins sept jours, vous devez vider les réservoirs. 1 Ouvrez la port...
Page 26 - Données techniques; CYCLES DE STÉRILISATION STANDARD DISPONIBLES
Données techniques Cycles de stérilisation AVERTISSEMENTS Pour votre sécurité et la sécurité de vos patients : AVERTISSEMENT !Ne traitez jamais des objets différents de ceux spécifiés dans le tableau des programmes de cycle et veillez à ne jamais dépasser leslimites de poids maximales spécifiées pou...
Page 29 - SYSTÈME D'ALIMENTATION
Données techniques SYSTÈME D'ALIMENTATION EN EAU (CONFORME À LA NORMECEI 61770) Raccor d Dispositif anti-r etour (CEI 61770) Tempér atur e max. 35 ° C (95 ° F) Pr ession min. 2 bar – max. 8,6 bar (min 29 psi - max. 124,7 psi) Débit min. 0,25 – max. 0,5 l/min (min. 0,066 - max. 0,132 gal/min) SYSTÈME...
Page 30 - Recommandations pour la validation; POINTS DE VALIDATION DU TEST
Volume total CUBE - 17 : 17 l / Ø : 250 mm / P : 362 mm (4,5 gal, Ø : 9,8’’ / P :14’’) CUBE - 22 : 22 l / Ø : 250 mm / P : 440 mm (5,8 gal, Ø : 9,8’’ / P :17’’) Espace utilisable CUBE - 17 : 11,8 l / L : 195 mm / H : 195 mm / P : 312 mm (3 gal/ L : 7,7’’ / H : 7,7’’ / P : 11,7’’) CUBE - 22 : 15,2 l ...
Page 31 - Partenaires d'entretien Miele autorisés
Partenaires d'entretien Miele autorisés Trouvez votre partenaire d'entretien Miele le plus proche sur le siteInternet www.miele.com.Vous pouvez également vous référer aux coordonnées suivantes : Allemagne (DE) Miele & Cie. KG Vertriebsgesellschaft Deutschland Geschäftsbereich Professional Carl-M...
Page 35 - Formulaires de documentation; QUESTIONS
Formulaires de documentation Miele - Liste de contrôle relative àl'installation QUESTIONS N° Question Réponse Responsabilité 1 Le responsable de la clinique ou du cabinet était-il présentpendant toute la mise en serv ice ? Oui Non Emballage et contenu 2 L'emballage du stérilisateur est-il intact ? O...
Page 36 - INFORMATIONS D'INSTALLATION
N° Question Réponse 17 Av ez-v ous montré au responsable de la clinique/du cabinet leprogramme et les procédures d'entretien ? Oui Non 18 Av ez-v ous montré au responsable de la clinique/du cabinetcomment utiliser tous les accessoires ? Oui Non 19 Av ez-v ous montré au responsable de la clinique/du ...