Miele PWM 908 [EL DV] - Notice d'Installation

Miele PWM 908 [EL DV]

Miele PWM 908 [EL DV] - Notice d'Installation, à lire gratuitement en ligne au format PDF. Nous espérons que cela vous aidera à résoudre toutes les questions que vous pourriez avoir. Si vous avez encore des questions, contactez-nous via le formulaire de contact.

1 Page 1
2 Page 2
3 Page 3
4 Page 4
5 Page 5
6 Page 6
7 Page 7
8 Page 8
9 Page 9
10 Page 10
11 Page 11
12 Page 12
13 Page 13
14 Page 14
Page: / 14

Table des matières:

  • Page 3 – D i m e n s io n s d e l ’a p p a re i l
  • Page 4 – I n s t a l l a t i o n
  • Page 5 – C o l o n n e l a v e - l i n g e / s è c h e - l i n g e
  • Page 8 – C a r a c t é r i s t i q u e s t e c h n i q u e s; B r a n c h e m e n t é l e c t r i q u e ( E L )
  • Page 9 – S p é c i f i c i t é s s e l o n l e s p a y s :
  • Page 10 – V a n n e d e v i d a n g e ( D V )
  • Page 11 – P o m p e d e v i d a n g e ( D P )
  • Page 12 – C a r a c t é r i s t i q u e s d e l ' a p p a r e i l
  • Page 13 – C o n s e i l s d ' i n s t a l l a t i o n e t d e p l a n i f i c a t i o n
Téléchargement du manuel

S c h é m a d ' i m p l a n t a t i o n

Lave-linge

P W M 9 0 8 D V / D P






Lisez

impérativement

ce mode d'emploi avant d'installer et de mettre en service

votre appareil afin de prévenir tout dommage corporel ou matériel.
Vous vous protégerez ainsi et éviterez de détériorer votre appareil.

f r - F R

11 276 260/03

„Téléchargement du manuel“ signifie que vous devez attendre que le fichier soit complètement chargé avant de pouvoir le lire en ligne. Certains manuels sont très volumineux, et le temps de chargement dépend de la vitesse de votre connexion Internet.

Autres Manuels pour Miele PWM 908 [EL DV]

Résumé

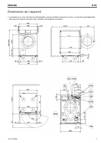
Page 3 - D i m e n s io n s d e l ’a p p a re i l

PWM 908 fr-FR 11 276 260/03 3 D i m e n s io n s d e l ’a p p a re i l * Les distances au mur sont des recommandations visant à faciliter le travail du service. La machine peut également être poussée jusqu'au mur dans des conditions d'installation restreintes.

Page 4 - I n s t a l l a t i o n

PWM 908 fr-FR 4 11 276 260/03 I n s t a l l a t i o n * Les distances au mur sont des recommandations visant à faciliter le travail du service. La machine peut également être poussée jusqu'au mur dans des conditions d'installation restreintes.

Page 5 - C o l o n n e l a v e - l i n g e / s è c h e - l i n g e

PWM 908 fr-FR 11 276 260/03 5 C o l o n n e l a v e - l i n g e / s è c h e - l i n g e * Les distances au mur sont des recommandations visant à faciliter le travail du service. La machine peut également être poussée jusqu'au mur dans des conditions d'installation restreintes.

Autres modèles de Miele