Whirlpool WVW93UC0LS - Notice d'Installation

Hotte de cuisine Whirlpool WVW93UC0LS - Notice d'Installation, à lire gratuitement en ligne au format PDF. Nous espérons que cela vous aidera à résoudre toutes les questions que vous pourriez avoir. Si vous avez encore des questions, contactez-nous via le formulaire de contact.
Table des matières:
- Page 2 – Your safety and the safety of others are very important.; DANGER
- Page 4 – SÉCURITÉ DE LA HOTTE DE CUISINIÈRE; Votre sécurité et celle des autres est très importante.; AVERTISSEMENT
- Page 5 – IMPORTANTES INSTRUCTIONS DE SÉCURITÉ; LIRE ET CONSERVER CES INSTRUCTIONS
- Page 6 – EXIGENCES D’INSTALLATION; Outils et pièces; Exigences d’emplacement
- Page 7 – Exigences concernant l’évacuation; (seulement pour un modèle
- Page 9 – Spécifications électriques
- Page 10 – INSTRUCTIONS D’INSTALLATION; Préparation de l’emplacement
- Page 11 – Raccordement du circuit d’évacuation
- Page 12 – Raccordement électrique; Installation des cache‐conduits
- Page 13 – UTILISATION DE LA HOTTE; Commandes de la hotte de cuisinière
- Page 14 – ENTRETIEN DE LA HOTTE; Nettoyage
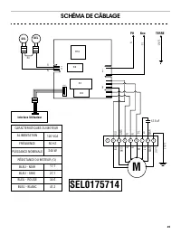
- Page 15 – SCHÉMA DE CÂBLAGE; Neu
- Page 16 – ASSISTANCE OU SERVICE; Au Canada
30" AND 36" (76.2 AND 91.4 CM)
WALL‑MOUNT CANOPY RANGE HOOD
Installation Instructions and Use & Care Guide
For questions about features, operation/performance, parts, accessories or service, call:
1-800-253-1301
or visit our website at
www.whirlpool.com
In Canada, call
1-800-807-6777
or visit our website at
www.whirlpool.ca
HOTTE DE CUISINIÈRE À MONTAGE MURAL
DE 30" ET 36" (76,2 ET 91,4 CM)
Instructions d’installation et Guide d’utilisation et d’entretien
Au Canada, pour assistance, installation ou service, composer le
1-800-807-6777
ou visiter notre site Web à
www.whirlpool.ca
Table of Contents/Table des matières ..................................... 2
LIB0175705/W11549256A
IMPORTANT: READ AND SAVE THESE ISNTRUCTIONS. FOR RESIDENTIAL USE ONLY.
IMPORTANT: LIRE ET CONSERVER CES INSTRUCTIONS. POUR UTILISATION RÉSIDENTIELLE UNIQUEMENT.
„Téléchargement du manuel“ signifie que vous devez attendre que le fichier soit complètement chargé avant de pouvoir le lire en ligne. Certains manuels sont très volumineux, et le temps de chargement dépend de la vitesse de votre connexion Internet.
Autres Manuels pour Whirlpool WVW93UC0LS
Résumé
2 TABLE OF CONTENTS/TABLE DES MATIÈRES RANGE HOOD SAFETY .................................................................2INSTALLATION REQUIREMENTS .................................................4 Tools and Parts .............................................................................4Locati...
14 SÉCURITÉ DE LA HOTTE DE CUISINIÈRE Risque possible de décès ou de blessure grave si vous ne suivez pas immédiatement les instructions. Risque possible de décès ou de blessure grave si vous ne suivez pas les instructions. Tous les messages de sécurité vous diront quel est le danger potentiel et vo...
15 IMPORTANTES INSTRUCTIONS DE SÉCURITÉ LIRE ET CONSERVER CES INSTRUCTIONS AVERTISSEMENT : POUR RÉDUIRE LE RISQUE D'INCENDIE, CHOC ÉLECTRIQUE OU DOMMAGES CORPORELS, RESPECTER LES INSTRUCTIONS SUIVANTES : ■ Utiliser cet appareil uniquement dans les applications envisagées par le fabricant. Pour toute...