Graco 206994 - Manuels

Graco 206994 - Notice en ligne au format PDF.

Manuels:

1 Page 1
2 Page 2
3 Page 3
4 Page 4
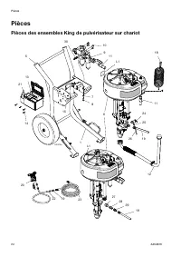
5 Page 5
6 Page 6
7 Page 7
8 Page 8
9 Page 9
10 Page 10
11 Page 11
12 Page 12
13 Page 13
14 Page 14
15 Page 15
16 Page 16
17 Page 17
18 Page 18
19 Page 19
20 Page 20
21 Page 21
22 Page 22
23 Page 23
24 Page 24
25 Page 25
26 Page 26
27 Page 27
28 Page 28
29 Page 29
30 Page 30
31 Page 31
32 Page 32
33 Page 33
34 Page 34
35 Page 35
36 Page 36
37 Page 37
38 Page 38
39 Page 39
40 Page 40
41 Page 41
42 Page 42
43 Page 43
44 Page 44
45 Page 45
46 Page 46
47 Page 47
48 Page 48
49 Page 49
50 Page 50
51 Page 51
52 Page 52

Résumé

Page 3 - Avertissements; AVERTISSEMENTS

Avertissements 3A5493K 3 Avertissements Les avertissements suivants concernent la configuration, l’utilisation, la mise à la terre, la maintenance et la réparation de cet équipement. Le point d’exclamation est un avertissement général tandis que le symbole de danger fait référence aux risques associ...

Page 5 - Ensembles de pulvérisateurs air assistés

Ensembles de pulvérisateurs 3A5493K 5 Ensembles de pulvérisateurs Tableau des références du moteur pneumatique Consulter, sur le côté de la barre de fixation sur tablette, la plaque d’identification (ID) de son ensemble de pulvérisateur ou de montage mural pour connaître le numéro de pièce à six car...

Page 6 - Ensembles de pompe; Tableau des références

Ensembles de pompe 6 3A5493K Ensembles de pompe Tableau des références du moteur pneumatique Consulter la plaque d’identification (ID) sur son ensemble de pompe (attachée au dos du capot noir du moteur) pour le numéro de pièce à six caractères de son ensemble de pompe. Un exemple : le numéro de pièc...

Other Graco Autres Manuals