Page 2 - ii; Copyright © 2013 ASUSTeK COMPUTER INC. Tous droits réservés.; Offer to Provide Source Code of Certain Software
ii F8190Première édition Mai 2013 Copyright © 2013 ASUSTeK COMPUTER INC. Tous droits réservés. Aucun extrait de ce manuel, incluant les produits et logiciels qui y sont décrits, ne peut être reproduit, transmis, transcrit, stocké dans un système de restitution, ou traduit dans quelque langue que ce ...
Page 3 - iii; Table des matières; Résumé des spécifications de la H87-PLUS; Introduction au produit; Vue d’ensemble de la carte mère; Diagramme; Procédures d’installation de base; Connecteurs arrières et audio de la carte mère
iii Table des matières Informations relatives à la sécurité ........................................................... viÀ propos de ce manuel ............................................................................. vii Résumé des spécifications de la H87-PLUS ....................................
Page 4 - iv; Le BIOS; Présentation du BIOS; System Agent Configuration; Menu Monitor
iv Table des matières Chapitre 3 : Le BIOS 3.1 Présentation du BIOS .................................................................. 3-1 3.2 Programme de configuration du BIOS ....................................... 3-2 3.2.1 EZ Mode ...................................................................
Page 5 - Logiciels; Installer un système d’exploitation; Configu; Configuration de volumes RAID; Utilitaire Intel; Créer un disque du pilote RAID; Créer un disque du pilote RAID sous Windows; Appendice
v Table des matières Chapitre 4 : Logiciels 4.1 Installer un système d’exploitation ............................................ 4-1 4.2 Informations sur le DVD de support ........................................... 4-1 4.2.1 Lancer le DVD de support ............................................... 4...
Page 6 - Informations relatives à la sécurité; Sécurité électrique
vi Informations relatives à la sécurité Sécurité électrique • Pour éviter tout risque de choc électrique, débranchez le câble d’alimentation de la prise de courant avant de toucher au système. • Lors de l’ajout ou du retrait de composants, vérifiez que les câbles d’alimentation sont débranchés avant...
Page 7 - vii; Où trouver plus d’informations ?; produits ASUS et sur les logiciels afférents.; À propos de ce manuel; configurer la carte mère.; Organisation du manuel; Ce manuel contient les parties suivantes :; connecteurs, boutons et interrupteurs de la carte mère.; : Procédures d’installation de base; lors de l’installation de composants système.; : Configurations RAID
vii Où trouver plus d’informations ? Reportez-vous aux sources suivantes pour plus d’informations sur nos produits. 1. Site web ASUS Le site web d’ASUS contient des informations complètes et à jour sur les produits ASUS et sur les logiciels afférents. 2. Documentation optionnelle Le contenu livré av...
Page 8 - Typographie; Texte en gras; Conventions utilisées dans ce guide; DANGER/AVERTISSEMENT
viii Typographie Texte en gras Indique un menu ou un élément à sélectionner. Italique Met l’accent sur une phrase ou un mot. <touche> Une touche entourée par les symboles < et > inférieurs indique une touche à presser Exemple: <Entrée> signifie que vous devez presser la touche Entr...
Page 9 - ix; Processeur; Jeu de puces; Slots d’extension
ix Résumé des spécifications de la H87-PLUS (continue à la page suivante) Processeur Interface de connexion LGA1150 pour processeurs Intel ® Core™ i7 / Core™ i5 / Core™ i3 / Pentium ® / Celeron ® de 4ème génération Compatible avec les processeurs de 22nm Compatible avec la technologie Intel ® Turbo ...
Page 10 - Audio; USB; ASUS DRAM Fuse
x Audio CODEC High Definition Audio Realtek ® ALC887 (8 canaux) - Prise en charge de la détection et de la réaffectation (en façade uniquement) des prises audio ainsi que de la multi- diffusion des flux audio * Utilisez un châssis d’ordinateur doté d’un module HD audio en façade pour pouvoir utilise...
Page 11 - xi; Fonctionnalités uniques
xi Fonctionnalités uniques (suite) ASUS EZ DIY - BIOS UEFI ASUS (avec interface simplifiée EZ Mode) - ASUS CrashFree BIOS 3 - ASUS EZ Flash 2 ASUS Q-Design - ASUS Q-Slot Interfaces de connexion arrières 1 x port combo souris + clavier PS/2 1 x port HDMI 1 x port DVI 1 x port VGA 2 x ports USB 3.0/2....
Page 12 - xii; Contenu de la boîte; User Manual; arte mère
xii Contenu de la boîte Vérifiez que la boîte de la carte mère contienne bien les éléments suivants. • Si l’un des éléments ci-dessus était manquant ou end ommagé, contactez votre revendeur. • Les éléments illustrés ci-dessus sont données à titre indicatif uniquement. Les spécifications du produit p...
Page 13 - xiii; Outils et composants additionnels pour monter un; sachet de vis
xiii Outils et composants additionnels pour monter un ordinateur de bureau 1 sachet de vis Tournevis Philips (croix) Châssis d’ordinateur Bloc d’alimentation Processeur Intel ® au format LGA 1150 Ventilateur CPU compatible Intel LGA 1150 Module(s) mémoire Disque(s) dur(s) SATA Lecteur optique SATA (...
Page 15 - Fonctions spéciales; Points forts du produit; Compatible avec les processeurs de quatrième génération Intel; Pentium
ASUS H87-PLUS 1-1 1.1 Fonctions spéciales 1.1.1 Points forts du produit Compatible avec les processeurs de quatrième génération Intel ® Core™ i7 / Core™ i5 / Core™ i3 / Pentium ® / Celeron ® au format LGA1150 Cette carte mère est compatible avec les derniers processeurs Intel ® Core™ i7 / i5 / i3 / ...
Page 16 - Chapit; La technologie Intel; Smart; Technologie Intel; jour et d’assurer un meilleur confort d’utilisation.; X Protection; X PROTECTION; grâce à un système de distribution constant et cohérent.; système et optimiser la durée de vie des composants.; ASUS ESD Guards
1-2 Chapitre 1 : Introduction au produit Chapit re 1 Technologie Intel ® Smart Response* La technologie Intel ® Smart Response, faisant partie intégrante de la politique de protection de l’environnement d’ASUS, permet de réduire les temps de chargement et la consommation électrique de par la diminut...
Page 17 - Condensateurs d’une durée de vie de 5000 heures; Revêtement résistant à la corrosion et 3 fois plus durable; Fonctionnalités exclusives; EPU; stables du système quel que soit vos besoins.; Network iControl; les dommages causés par les coupures de courant.
ASUS H87-PLUS 1-3 Chapit re 1 Condensateurs d’une durée de vie de 5000 heures Les condensateurs de grande qualité utilisés sur cette carte mère ASUS assurent une durée de vie atteignant jusqu’à 5,000 heures – soit 2,5 fois plus que les condensateurs traditionnels. Tous les condensateurs embarqués on...
Page 18 - AI Suite 3; Solutions thermiques silencieuses; Conception sans ventilateur - Solution à dissipateur; ASUS EZ DIY; faciliter les dépannages
1-4 Chapitre 1 : Introduction au produit Chapit re 1 AI Suite 3 Grâce à son interface d’utilisation conviviale, ASUS AI Suite 3 regroupe toutes les fonctionnalités exclusives d’ASUS en un seull logiciel. Cette interface vous permet de superviser un overclocking, de gérer le système d’alimentation, l...
Page 19 - Avant de commencer; Autres caractéristiques spéciales; Interface HDMI
ASUS H87-PLUS 1-5 Chapit re 1 1.2 Vue d’ensemble de la carte mère 1.2.1 Avant de commencer Suivez les précautions ci-dessous avant d’installer la carte mère ou d’en modifier les paramètres. • Débranchez le câble d’alimentation de la prise murale avant de toucher les composants. • Utilisez un bracele...
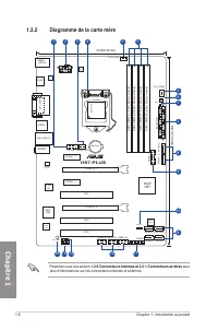
Page 21 - Contenu du diagramme; Page
ASUS H87-PLUS 1-7 Chapit re 1 Contenu du diagramme Connecteurs/Boutons/Interrupteurs/Jumpers/LED Page 1. Connecteur COM (10-1 pin COM) 1-17 2. Connecteurs d’alimentation (24-pin EATXPWR, 8-pin EATX12V) 1-20 3. Connecteurs de ventilation (4-pin CPU_FAN, 4-pin CHA_FAN1/2) 1-19 4. Interface de connexio...
Page 22 - d’un processeur Intel; Interface de connexion LGA1150 de la H87-PLUS
1-8 Chapitre 1 : Introduction au produit Chapit re 1 1.2.3 Processeur La carte mère est livrée avec une interface de connexion LGA1150 conçue pour l’installation d’un processeur Intel ® Core™ i7 / Core™ i5 / Core™ i3 / Pentium™ / Celeron™ de 4ème génération. • Assurez-vous que tous les câbles sont d...
Page 23 - Mémoire système; Configurations mémoire recommandées; Interfaces de connexion pour modules mémoire
ASUS H87-PLUS 1-9 Chapit re 1 1.2.4 Mémoire système La carte mère est livrée avec quatre interfaces de connexion destinées à l’installation de modules mémoire DDR3 (Double Data Rate 3). Un module DDR3 possède les même dimensions physiques qu’un module DDR2 mais s’encoche différemment pour éviter son...
Page 24 - Configurations mémoire; et 8 Go sur les interfaces de connexion DDR3.
1-10 Chapitre 1 : Introduction au produit Chapit re 1 Configurations mémoire Vous pouvez installer des modules mémoire DDR3 non taponnés et non ECC de 2 Go, 4 Go et 8 Go sur les interfaces de connexion DDR3. • Vous pouvez installer des modules mémoire de tailles variables dans le canal A et B. Le sy...
Page 25 - Description
ASUS H87-PLUS 1-11 Chapit re 1 1.2.5 Slots d’extension Assurez-vous d’avoir bien débranché le câble d’alimentation avant d’ajouter ou de retirer des cartes d’extension. Manquer à cette précaution peut vous blesser et endommager les composants de la carte mère. N° Description 1 Slot PCIe 2.0 x1_1 2 S...
Page 26 - Configuration; Mode de fonctionnement PCI Express 3.0; Assignation des IRQ pour cette carte mère
1-12 Chapitre 1 : Introduction au produit Chapit re 1 • Lors de l’utilisation d’une seule carte graphique PCI Express x16, utilisez le slot PCIe 3.0/2.0 x16_1 (jaune) pour obtenir de meilleures performances. • Il est recommandé d’utiliser un bloc d’alimentation pouvant fournir une puissance électriq...
Page 27 - Bouton d’effacement de la mémoire CMOS de la H87-PLUS; Jumper; incluant les paramètres système tels que les mots de passe.; Pour effacer la mémoire RTC :; Maintenez enfoncée la touche; Suppr; du clavier lors du démarrage et entrez dans; H87-PLUS Clear RTC RAM; Z87M-PLUS Clear RTC RAM
ASUS H87-PLUS 1-13 Chapit re 1 Bouton d’effacement de la mémoire CMOS de la H87-PLUS 1.2.6 Jumper Jumper d’effacement de la mémoire CMOS (3-pin CLRTC) Ce jumper vous permet d’effacer la mémoire RTC (Real Time Clock) du CMOS. La mémoire CMOS stocke les éléments suivants : la date, l’heure et les para...
Page 28 - Boutons et interrupteurs embarqués; assurer un bon démarrage du système.
1-14 Chapitre 1 : Introduction au produit Chapit re 1 1.2.7 Boutons et interrupteurs embarqués Les boutons et les interrupteurs embarqués vous permettent de booster les performances lorsque vous travaillez à système ouvert. Idéal pour l’overclocking et les joueurs qui changent continuellement de con...
Page 29 - LED embarquées; Voyant lumineux d’alimentation; Voyant d’alimentation de la H87-PLUS; Voyant lumineux DRAM; Voyant DRAM de la H87-PLUS
ASUS H87-PLUS 1-15 Chapit re 1 1.2.8 LED embarquées 1. Voyant lumineux d’alimentation La carte mère est fournie avec un voyant d’alimentation qui s’allume pour indiquer que le système est allumé, en veille ou en veille prolongée. Ceci vous rappelle d’éteindre le système et de débrancher le câble d’a...
Page 30 - Connecteurs internes; Rapid Storage par le biais du jeu de puces Intel; SATA Mode; Configurations RAID; Manual
1-16 Chapitre 1 : Introduction au produit Chapit re 1 1.2.9 Connecteurs internes 1. Connecteurs SATA 6.0 Gb/s Intel ® H87 ( 7-pin SATA6G_1-6 [jaunes]) Ces connecteurs sont destinés à des câbles Serial ATA pour la connexion de disques durs Serial ATA 6.0 Gb/s.Si vous installez des disques durs Serial...
Page 31 - Connecteur; ce connecteur pour brancher un périphérique USB 3.0.; Connecteur COM; Connecteur pour port COM de la H87-PLUS
ASUS H87-PLUS 1-17 Chapit re 1 2. Connecteur USB 3.0 (20-1 pin USB3_12) Ce connecteur est dédié à la connexion de ports USB3.0 additionnels et est conforme au standard USB 3.0 qui peut supporter un débit pouvant atteindre jusqu’à 4.8Gbps. Si le panneau avant de votre châssis intègre un connecteur US...
Page 32 - Connecteur audio numérique de la H87-PLUS; H87-PLUS Digital audio connector
1-18 Chapitre 1 : Introduction au produit Chapit re 1 4. Connecteur audio numérique (4-1 pin SPDIF_OUT) Ce connecteur est destiné à un/des port/s additionnel S/PDIF (Sony/Philips Digital Interface). Le module S/PDIF est vendu séparément. Connecteur audio numérique de la H87-PLUS 5. Connecteurs USB 2...
Page 33 - Connecteurs de ventilation; Connecteurs de ventilation de la H87-PLUS; HD Audio; Front Panel Type; Front Panel Typ; Connecteur audio pour panneau avant de la H87-PLUS; H87-PLUS Fan connectors
ASUS H87-PLUS 1-19 Chapit re 1 6. Connecteurs de ventilation (4-pin CPU_FAN; 4-pin CHA_FAN1/2) Connectez les câbles des ventilateurs à ces connecteurs sur la carte mère, en vous assurant que le fil noir de chaque câble corresponde à la broche de terre de chaque connecteur. Connecteurs de ventilation...
Page 34 - Connecteurs d’alimentation de la H87-PLUS; H87-PLUS ATX power connectors
1-20 Chapitre 1 : Introduction au produit Chapit re 1 • Pour un système totalement configuré, nous vous recommandons d’utiliser une alimentation conforme à la spécification ATX 12 V 2.0 (ou version ultérieure), et qui fournit au minimum de 350 W. • N’oubliez pas de connecter la prise EATX12V 4/8 bro...
Page 35 - ce dernier est en veille.; H87-PLUS System panel connector
ASUS H87-PLUS 1-21 Chapit re 1 • LED d’alimentation système (2-pin PWR_LED) Ce connecteur 2 broches est dédié à la LED d’alimentation système. La LED d’alimentation système s’allume lorsque vous démarrez le système et clignote lorsque ce dernier est en veille. • Activité HDD (2-pin HDD_LED) Ce conne...
Page 37 - Monter votre ordinateur; Installation de la carte mère; châssis d’ordinateur.; Procédures
ASUS H87-PLUS 2-1 2.1 Monter votre ordinateur 2.1.1 Installation de la carte mère 2 Les illustrations de cette section sont uniquement données à titre indicatif. La topologie de la carte mère peut varier en fonction des modèles. Les étapes d'installation sont toutefois identiques. 1. Placez la plaqu...
Page 39 - page) pour sécuriser la carte mère au châssis d’ordinateur.
ASUS H87-PLUS 2-3 Chapit re 2 Ne vissez pas trop fort ! Vous risqueriez d’endommager la carte mère. 3. Placez 6 vis dans les pas de vis (marqués d’un cercle rouge sur l’illustration de bas de page) pour sécuriser la carte mère au châssis d’ordinateur. H87-PLUS
Page 40 - Installation d'un processeur
2-4 Chapitre 2 : Procédures d’installation de base Chapit re 2 2.1.2 Installation d'un processeur Les processeurs au format LGA1156 / LGA1155 ne sont pas compatibles avec l’interface de connexion LGA1150. NE PAS installer de processeur LGA1156 / LGA1155 sur l’interface de connexion LGA1150. 1 A B 2 ...
Page 41 - Installation du ventilateur/dissipateur de processeur; Pour installer le ventilateur/dissipateur de processeur
ASUS H87-PLUS 2-5 Chapit re 2 2.1.3 Installation du ventilateur/dissipateur de processeur Si nécessaire, appliquez le matériau d’interface thermique sur la surface du processeur et du dissipateur avant toute installation. Pour installer le ventilateur/dissipateur de processeur 2 B B A A 1 3 4
Page 46 - Pour installer le conneteur système
2-10 Chapitre 2 : Procédures d’installation de base Chapit re 2 2.1.7 Connecteur d'E/S frontal Pour installer le conneteur système Connecteur USB 2.0 Connecteur audio pour façade de châssis d’ordinateur USB 2.0 AAFP USB 3.0 Connecteur USB 3.0 HDD_ LED
Page 48 - Connecteurs arrières; Port VGA
2-12 Chapitre 2 : Procédures d’installation de base Chapit re 2 2.2.1 Connecteurs arrières * et **: reportez-vous aux tableaux de la page suivante pour plus de détails sur les ports réseau et audio. 2.2 Connecteurs arrières et audio de la carte mère Connecteurs arrières 1. Port combo souris + clavie...
Page 49 - Port réseau; LED Vitesse; Pas de lien; * Indicateurs LED des ports réseau
ASUS H87-PLUS 2-13 Port réseau LED Activité/Lien LED Vitesse État Description État Description Eteint Pas de lien Eteint Connexion 10 Mbps Orange Lié Orange Connexion 100 Mbps Clignotant Activité de données Vert Connexion 1 Gbps Clignotant puis solide Prêt à sortir du mode veille S5 * Indicateurs LE...
Page 50 - Connexions audio; Connecteurs audio
2-14 Chapitre 2 : Procédures d’installation de base Chapit re 2 2.2.2 Connexions audio Connecteurs audio Connexion à un casque ou un microphone Connexion à des haut-parleurs stéréo Connexion à un système de haut-parleurs 2.1
Page 52 - Bip BIOS; bip court; Éteindre l’ordinateur
2-16 Chapitre 2 : Procédures d’installation de base Chapit re 2 2.3 Démarrer pour la première fois 1. Après avoir effectué tous les branchements, refermez le châssis d’ordinateur. 2. Assurez-vous que tous les interrupteurs sont éteints. 3. Connectez le câble d’alimentation au connecteur d’alimentati...
Page 53 - des utilisations pour assurer des performances optimales.; Il est recommandé de ne pas; sauf dans les cas suivants :; Il est fortement recommandé de ne modifier les paramètres du BIOS
ASUS H87-PLUS 3-1 Le BIOS (Basic Input and Output System) stocke divers paramètres matériels du système tels que la configuration des périphériques de stockage, les paramètres d’overclocking, les paramètres de gestion de l’alimentation et la configuration des périphériques de démarrage nécessaires à...
Page 54 - Accéder au BIOS au démarrage du système; Load Optimized Settings; Exit; EZ; et; Advanced Mode
3-2 Chapitre 3 : Le BIOS Chapit re 3 3.2 Programme de configuration du BIOS Utilisez le programme de configuration du BIOS pour mettre à jour ou modifier les options de configuration du BIOS. Accéder au BIOS au démarrage du système Pour accéder au BIOS au démarrage du système : • Appuyez sur <Sup...
Page 55 - EZ Mode; est le premier à apparaître lors de l’accès au BIOS. L’interface; EZ Mode; périphériques. Pour accéder à l’interface; ou appuyez sur la touche F7 de votre clavier.
ASUS H87-PLUS 3-3 Chapit re 3 3.2.1 EZ Mode Par défaut, l’écran EZ Mode est le premier à apparaître lors de l’accès au BIOS. L’interface EZ Mode offre une vue d’ensemble des informations de base du système, mais permet aussi de modifier la langue du BIOS, le mode de performance et l’ordre de démarra...
Page 56 - L’interface; (Mode avancé) offre des options avancées pour les; . Consultez les sections; Barre des menus; Ai Tweaker
3-4 Chapitre 3 : Le BIOS Chapit re 3 3.2.2 Advanced Mode (Mode avancé) L’interface Advanced Mode (Mode avancé) offre des options avancées pour les utilisateurs expérimentés dans la configuration des paramètres du BIOS. L’écran ci-dessous est un exemple de l’interface Advanced Mode . Consultez les se...
Page 57 - Éléments de menu
ASUS H87-PLUS 3-5 Chapit re 3 Éléments de menu L’élément sélectionné dans la barre de menu affiche les éléments de configuration spécifiques à ce menu. Par exemple, sélectionner Main affiche les éléments du menu principal. Les autres éléments (My Favorites (Favoris), Ai Tweaker, Advanced (Avancé), M...
Page 58 - Bouton de prise de notes; Ce bouton vous permet de prendre des notes dans le BIOS.; Dernières modifications; modifier vos éléments de configuration de BIOS favoris.; Ajouter des éléments à la liste des favoris; ajouter l’élément à la page des favoris.
3-6 Chapitre 3 : Le BIOS Chapit re 3 Bouton de prise de notes Ce bouton vous permet de prendre des notes dans le BIOS. • Cette fonctionnalité ne prend pas en charge les touches ou les raccourcis clavier suivants : touche Suppr et raccourcis copier, couper et coller. • Seuls les caractères alphanumér...
Page 59 - L’écran du menu; Main; apparaît lors de l’utilisation de l’interface; la date, l’heure, la langue et les paramètres de sécurité du système.; Administrator; Not Installed; Installed
ASUS H87-PLUS 3-7 Chapit re 3 3.4 Menu Main (Principal) L’écran du menu Main apparaît lors de l’utilisation de l’interface Advanced Mode du BIOS. Ce menu offre une vue d’ensemble des informations de base du système et permet de régler la date, l’heure, la langue et les paramètres de sécurité du syst...
Page 60 - Administrator Password (Mot de passe administrateur)
3-8 Chapitre 3 : Le BIOS Chapit re 3 Administrator Password (Mot de passe administrateur) Si vous avez défini un mot de passe administrateur, il est fortement recommandé d’utiliser ce mot de passe lors de l’accès au système. Sinon, il se peut que certains éléments du BIOS ne puissent pas être modifi...
Page 61 - Le menu; permet de configurer les éléments liés à l’overclocking.; Faites défiler la page pour afficher plus d’éléments.
ASUS H87-PLUS 3-9 Chapit re 3 3.5 Menu Ai Tweaker Le menu Ai Tweaker permet de configurer les éléments liés à l’overclocking. Prenez garde lors de la modification des éléments du menu Ai Tweaker. Une valeur incorrecte peut entraîner un dysfonctionnement du système. Les options de configuration de ce...
Page 62 - Charge les paramètres d’overclocking optimum pour le système.; Ai Overclocking Tuner; Performances maximum lors d’un surfréquençage manuel ou XMP.; CPU Core Ratio; ou égale à la valeur 3-coeurs. La valeur 1-coeur ne doit toutefois pas
3-10 Chapitre 3 : Le BIOS Chapit re 3 Ai Overclock Tuner [Auto] Permet de sélectionner les options d’overclocking du CPU pour obtenir la fréquence interne désirée. Sélectionnez l’une des options de configuration pré-définies suivantes : [Auto] Charge les paramètres d’overclocking optimum pour le sys...
Page 63 - CPU bus speed : DRAM speed ratio mode; Permet de définir le ratio vitesse de bus CPU / vitesse DRAM.
ASUS H87-PLUS 3-11 Chapit re 3 [Manual] Assignation manuelle d’une valeur4-coeurs devant être inférieure ou égale à la valeur 3-coeurs. La valeur 1-coeur/2-coeurs/3-coeurs ne doit toutefois pas être définie sur [Auto]. Min CPU Cache Ratio (Ratio cache CPU minimum) [Auto] Détermine le ratio minimum d...
Page 64 - GPU Boost; Primary Timings
3-12 Chapitre 3 : Le BIOS Chapit re 3 GPU Boost [As Is] Permet d’accélérer les performances du GPU dédié en fonction de la charge de ce dernier. Options de configuration : [As Is] [Ratio Only] [BCLK First] EPU Power Saving Mode (Mode d’économies d’énergie EPU) [Disabled] Permet d’activer ou de désac...
Page 65 - processeur de; CPU Voltage
ASUS H87-PLUS 3-15 Chapit re 3 DIGI+ VRM Ne retirez pas le module thermique lors du réglage manuel des paramètres DIGI+ VRM . Les conditions thermiques doivent être surveillées. CPU Load-line Calibration (Calibration de ligne de charge du CPU) [Auto] La Ligne de charge est définie par les spécificat...
Page 66 - CPU Power Management (Gestion d’alimentation du CPU); Enhanced Intel SpeedStep Technology; Turbo Mode; Short Duration Package Power Limit [Auto]; CPU Internal Power Switching Frequency; Frequency Tuning Offset
3-16 Chapitre 3 : Le BIOS Chapit re 3 CPU Power Management (Gestion d’alimentation du CPU) Les sous-éléments suivants permettent de régler le ratio et certaines autres fonctionnalités du CPU. Enhanced Intel SpeedStep Technology (Technologie EIST) [Enabled] Permet d’activer ou de désactiver la techno...
Page 67 - CPU Internal Power Fault Control; désactiver cet élément lors d’un overclocking.; CPU Internal Power Configuration; fonctionne constamment à plein régime.
ASUS H87-PLUS 3-17 Chapit re 3 CPU Internal Power Fault Control (Contrôle de perte de courant du processeur) Thermal Feedback (Rétroaction thermique) [Auto] Autorise le système à prendre des mesures préventives et exécutées par le processeur lorsque les conditions thermiques du régulateur de tension...
Page 68 - CPU Internal Power Saving Control; Power Saving Level 2 Threshold; par incréments de 1Amp.; Power Saving Level 3 Threshold; par incréments de 1Amp.; CPU Core Voltage; Adaptive Mode; CPU Core Voltage Override; CPU Core Voltage; Décalage de la tension par valeur positive.
3-18 Chapitre 3 : Le BIOS Chapit re 3 CPU Internal Power Saving Control (Gestion d’économies d’énergie de l’alimentation interne du processeur) Power Saving Level 1 Threshold (Seuil d’économies d’énergie de niveau 1) [Auto] Une valeur faible offre une tolérance d’overclocking suffisante pour amélior...
Page 69 - CPU Cache Voltage Override; CPU Cache Voltage; CPU Cache Voltage Offset; CPU Cache Voltage
ASUS H87-PLUS 3-19 Chapit re 3 CPU Core Voltage Offset (Décalage de tension du coeur de processeur) Utilisez les touches <+> et <-> de votre clavier pour ajuster la valeur. La fourchette de valeur est comprise entre 0.001V to 0.999V par incréments de 0.001V. L’élément suivant n’apparaît ...
Page 70 - CPU Graphics Voltage Override; CPU Graphics Voltage; CPU Graphics Voltage Offset (Décalage de la tension de l’iGPU); CPU Graphics Voltage; CPU System Agent Voltage Offset Mode Sign; CPU System Agent Voltage Offset; CPU Analog I/O Voltage Offset Mode Sign
3-20 Chapitre 3 : Le BIOS Chapit re 3 CPU Graphics Voltage (Tension du iGPU de processeur) [Auto] Détermine la tension de la puce graphique intégré au processeur (iGPU). Augmentez la tension si vous avez défini une fréquence iGPU élevée. Options de configuration : [Auto] [Manual Mode] [Offset Mode] ...
Page 71 - CPU Analog I/O Voltage Offset; CPU Digital I/O Voltage Offset Mode Sign; CPU Digital I/O Voltage Offset; Lors d’un overclocking, réglez cet élément sur; SVID Support
ASUS H87-PLUS 3-21 Chapit re 3 CPU Analog I/O Voltage Offset (Décalage de la tension du contrôleur d’E/S analogique) [Auto] Détermine la tension de la partie analogique du contrôleur d’E/S du processeur. La valeur d’usine du processeur est celle utilisée par défaut. Augmentez la tension si vous avez...
Page 72 - par incréments de; les performances d’overclocking de la DRAM.
3-22 Chapitre 3 : Le BIOS Chapit re 3 PCH VLX Voltage (Tension VLX PCH) [Auto] Détermine la tension I/O du hub PCH (Platform Controller Hub). Utilisez les touches <+> et <-> de votre clavier pour ajuster la valeur. La fourchette de valeur est comprise entre 1.185V et 2.135V par incrément...
Page 73 - Advanced
ASUS H87-PLUS 3-23 Chapit re 3 Prenez garde lors de la modification des paramètres du menu Advanced . Des valeurs incorrectes risquent d’entraîner un mauvais fonctionnement du système. 3.6 Menu Advanced (Avancé) Le menu Advanced permet de modifier certains paramètres du CPU et d’autres composants du...
Page 74 - All
3-24 Chapitre 3 : Le BIOS Chapit re 3 3.6.1 CPU Configuration (Configuration du CPU) Les éléments de ce menu affichent les informations CPU auto-détectées par le BIOS. Les éléments apparaissant sur cet écran peuvent varier selon le type de CPU installé. Intel Adaptive Thermal Monitor (Surveillance t...
Page 75 - Hardware Prefetcher; CPU Power Management Configuration; CPU C States
ASUS H87-PLUS 3-25 Chapit re 3 Execute Disable Bit [Enabled] Cette fonctionnalité permet d’éviter certaines classes d’attaques de dépassement de mémoire tampon lorsque celle-ci est combinée à certains systèmes d’exploitation (SuSE Linux 9.2, RedHat Enterprise 3 Update 3). Options de configuration : ...
Page 76 - PCI Express Configuration (Configuration PCI Express)
3-26 Chapitre 3 : Le BIOS Chapit re 3 Enhanced C1 state (État C1 amélioré) [Enabled] Permet au processeur de réduire sa consommation électrique lorsque le système est inactif. Options de configuration : [Enabled] [Disabled] CPU C3 Report (Envoi de rapport C3) [Enabled] Active ou désactive le report ...
Page 77 - Enabled
ASUS H87-PLUS 3-27 Chapit re 3 PCIe Speed (Vitesse PCIe) [Auto] Détermine la vitesse des slots PCI Express. Options de configuration : [Auto] [Gen1] [Gen2] Intel Rapid Start Technology (Technologie Intel Rapid Start) [Disabled] Permet d’activer ou de désactiver la technologie Intel ® Rapid Start. In...
Page 78 - IDE Legacy / Native Mode Selection; SATA Mode Selection
3-28 Chapitre 3 : Le BIOS Chapit re 3 SATA Mode Selection (Sélection de mode SATA) [AHCI] Détermine le mode de configuration SATA.[Disabled] Désactive la fonctionnalité SATA. [IDE] Utilisez ce mode si vous souhaitez configurer des disques durs Serial ATA comme périphériques de stockage physiques PAT...
Page 79 - Cet élément n’apparaît que si l’option; System Agent Configuration (Agent de configuration système); Active ou désactive les dispositifs audio SA du processeur.
ASUS H87-PLUS 3-29 Chapit re 3 S.M.A.R.T. Status Check (Vérification d’état S.M.A.R.T.) [Enabled] La technologie S.M.A.R.T. (Self-Monitoring, Analysis and Reporting Technology) permet de surveiller l’état des disques. Lorsqu’une erreur de lecture/écriture survient sur un disque dur, cette fonction p...
Page 80 - mémoire système allouée au GPU dédié est fixée sur 64 Mo.; NB PCIe Configuration (Configuration PCIe du NorthBridge); Northbridge et du Southbridge.; Memory Configuration (Configuration de la mémoire)
3-30 Chapitre 3 : Le BIOS Chapit re 3 Render Standby (Mise en veille du moteur de rendu) [Auto] Active ou désactive la mise en veille du moteur de rendu pour le GPU dédié. Options de configuration : [Auto] [Disabled] [Enabled] iGPU Multi-Monitor (Multi-affichage iGPU) [Disabled] Autorise le multi-af...
Page 81 - USB Devices; USB Single Port Control (Gestion individuelle des ports USB)
ASUS H87-PLUS 3-31 Chapit re 3 3.6.5 USB Configuration (Configuration USB) Les éléments de ce menu vous permettent de modifier les fonctions liées à l’interface USB L’élément USB Devices affiche les valeurs auto-détectées. Si aucun périphérique USB n’est détecté, l’élément affiche None . Legacy USB ...
Page 82 - effectuer les opérations ASPM sous le système d’exploitation.; PCI Express Native Power Management; Le système d’exploitation gère la prise en charge ASPM.
3-32 Chapitre 3 : Le BIOS Chapit re 3 3.6.6 Platform Misc Configuration (Paramètres de plate-forme) Les éléments de ce menu permettent de configurer les fonctionnalités propres à la plate- forme utilisée. PCI Express Native Power Management (Gestion d’alimentation native PCI Express) [Disabled] Perm...
Page 83 - Onboard Devices Configuration; HD Audio Controller
ASUS H87-PLUS 3-33 Chapit re 3 3.6.7 Onboard Devices Configuration (Configuration des périphériques embarqués) HD Audio Controller (Contrôleur audio HD) [Enabled] [Enabled] Active le contrôleur High Definition Audio. [Disabled] Désactive le contrôleur. Les 2 éléments suivants n’apparaissent que si l...
Page 84 - Active le contrôleur réseau Realtek; Intel LAN Controller; Serial Port Configuration (Configuration du port série)
3-34 Chapitre 3 : Le BIOS Chapit re 3 Realtek LAN Controller (Contrôleur réseau Realtek) [Enabled] [Enabled] Active le contrôleur réseau Realtek ® . [Disabled] Désactive ce contrôleur. L’élément suivant n’apparaît que si Intel LAN Controller est réglé sur [Enabled] . Realtek PXE OPROM (ROM d’option ...
Page 85 - un appel quand le système est en mode; options
ASUS H87-PLUS 3-35 Chapit re 3 Deep S4 (Veille profonde S4) [Disabled] Cet élément permet de basculer le système en mode veille profond S4 pour réduire la consommation énergétique. Les ports USB et PS/2 sont désactivés et ne peuvent être utilisés pour réveiller l’ordinateur. Pour sortir le système d...
Page 86 - Permet d’activer ou de désactiver la pile réseau du BIOS UEFI.; Network Stack
3-36 Chapitre 3 : Le BIOS Chapit re 3 3.6.9 Network Stack (Pile réseau) Network Stack (Pile réseau) [Disabled] Permet d’activer ou de désactiver la pile réseau du BIOS UEFI. Options de configuration : [Disabled] [Enabled] Ipv4 PXE Support [Enable] Options de configuration : [Disabled] [Enabled] Ipv6...
Page 87 - Monitor; CPU Temperature / MB Temperature; Ignore
ASUS H87-PLUS 3-37 Chapit re 3 3.7 Menu Monitor (Surveillance) Le menu Monitor affiche l’état de la température et de l’alimentation du système, mais permet aussi de modifier les paramètres de ventilation. Faites défiler l’écran vers le bas pour afficher les éléments suivants. CPU Temperature / MB T...
Page 88 - Active le contrôleur Q-Fan du processeur.; CPU Fan Speed Low Limit; température du processeur.; CPU Fan Min. Duty Cycle
3-38 Chapitre 3 : Le BIOS Chapit re 3 CPU Q-Fan Control (Contrôle Q-Fan du processeur) [Enabled] Détermine le mode de fonctionnement de la fonctionnalité Q-Fan dédiée au processeur. [Enabled] Active le contrôleur Q-Fan du processeur. [Disabled] Désactive le contrôleur Q-Fan du processeur. Les élémen...
Page 89 - Chassis Q-Fan Control; Chassis Fan Profile; Chassis Fan Min. Duty Cycle; Anti Surge Support
ASUS H87-PLUS 3-39 Chapit re 3 Chassis Q-Fan Control 1/2 (Contrôle Q-Fan du châssis) [Enabled] [Disabled] Désactive le contrôleur Q-Fan du châssis. [Enabled] Active le contrôleur Q-Fan du châssis. Chassis Fan Speed Low Limit 1/2 (Seuil de rotation minimum du ventilateur châssis) [600 RPM] Cet élémen...
Page 90 - Boot; Fast Boot
3-40 Chapitre 3 : Le BIOS Chapit re 3 3.8 Menu Boot (Démarrage) Le menu Boot vous permet de modifier les options de démarrage du système. Fast Boot (Démarrage rapide) [Disabled] Active ou désactive la fonctionnalité de démarrage rapide du système. Options de configuration : [Disabled] [Enabled] Les ...
Page 91 - Next boot after AC Power Loss; Boot Logo Display
ASUS H87-PLUS 3-41 Chapit re 3 Network Stack Driver Support (Support pilote de pile réseau) [Disabled] [Disabled] Désactive la prise en charge du pilote de pile réseau au POST. [Enabled] Active la prise en charge du pilote de pile réseau au POST. Next boot after AC Power Loss (Mode de réamorçage apr...
Page 92 - soit pressée lors de la détection; Launch CSM; Boot Device Control [UEFI and Legacy OpROM]
3-42 Chapitre 3 : Le BIOS Chapit re 3 Bootup NumLock State (État du verrou numérique) [On] [On] Active le pavé numérique du clavier au démarrage. [Off] Désactive le pavé numérique du clavier au démarrage. Wait For ‘F1’ If Error (Attendre pression de F1 si erreur) [Enabled] [Disabled] Désactive cette...
Page 93 - Fonctionnalités optimales lors du démarrage en; Install Default Secure Boot keys
ASUS H87-PLUS 3-43 Chapit re 3 Secure Boot (Démarrage sécurisé) Permet de configurer les paramètres Windows ® Secure Boot et de gérer ses clés pour protéger le système contre les accès non autorisés et les logiciels malveillants lors de l’exécution du POST. OS Type (Type de système d’exploitation) [...
Page 94 - Permet de charger une clé PK à partir d’un périphérique de stockage; pouvant être chargés à partir d’un ordinateur.
3-44 Chapitre 3 : Le BIOS Chapit re 3 KEK Management (Gestion de clé KEK) La clé KEK (Key-exchange Key ou Key Enrollment Key) permet de gérer les bases de données “db” (Signature db) et “dbx” (Revoked Signature database). La clé KEK (Key-exchange Key) fait référence à la clé KEK de l’utilitaire Micr...
Page 95 - Permet de supprimer une base de données du système.; Boot Option Priorities (Priorités de démarrage); périphériques installés dans le système.; Boot Override (Substitution de démarrage)
ASUS H87-PLUS 3-45 Chapit re 3 dbx Management (Gestion de base de données dbx) La base de données “dbx” (Revoked Signature database) liste les images non autorisées des éléments de la base de données n’étant plus admissibles et à ne pas charger. Delete the dbx (Supprimer une base de données dbx) Per...
Page 96 - Tools; vous permet de configurer les options de fonctions spéciales.; ASUS EZ Flash 2 Utility; message de confirmation apparaît. Sélectionnez; Setup Profile Status; Label; Permet de définir le label d’un profil de configuration.; Yes
3-46 Chapitre 3 : Le BIOS Chapit re 3 3.9 Menu Tools (Outils) Le menu Tools vous permet de configurer les options de fonctions spéciales. 3.9.1 ASUS EZ Flash 2 Utility Permet d’activer la fonction ASUS EZ Flash 2. Lorsque vous appuyez sur <Entrée>, un message de confirmation apparaît. Sélectio...
Page 97 - puis sélectionnez; ASUS DRAM SPD Information (Informations de SPD)
ASUS H87-PLUS 3-47 Chapit re 3 • NE PAS éteindre ni redémarrer le système lors de la mise à jour du BIOS ! Vous risquez de provoquer une défaillance de démarrage ! • Il est recommandé de mettre à jour le BIOS avec les configurations mémoire/CPU et la version de BIOS identiques. Load from Profile (Ch...
Page 98 - Save Changes & Reset (Enregistrer les modifications et redémarrer); ASUS EZ Mode
3-48 Chapitre 3 : Le BIOS Chapit re 3 3.10 Menu Exit (Sortie) Le menu Exit vous permet non seulement de charger les valeurs optimales ou par défaut des éléments du BIOS, mais aussi d’enregistrer ou d’annuler les modifications apportées au BIOS. Il est également possible d’accéder à l’iinterface EZ M...
Page 99 - NE; EZ Update
ASUS H87-PLUS 3-49 Chapit re 3 3.11 Mettre à jour le BIOS Le site Web d’ASUS contient les dernières versions de BIOS permettant d’améliorer la stabilité, la compatibilité ou les performances du système. Toutefois, la mise à jour du BIOS est potentiellement risquée. Si votre version de BIOS actuelle ...
Page 100 - Utilitaire ASUS EZ Flash 2; Pour mettre à jour le BIOS avec EZ Flash 2 :
3-50 Chapitre 3 : Le BIOS Chapit re 3 3.11.2 Utilitaire ASUS EZ Flash 2 ASUS EZ Flash 2 vous permet de mettre à jour le BIOS sans avoir à passer par un utilitaire Windows. Téléchargez la dernière version en date du BIOS sur le site d’ASUS (www.asus. com) avant d’utiliser cet utilitaire. Pour mettre ...
Page 101 - Utilitaire ASUS CrashFree BIOS 3; ASUS CrashFree BIOS 3; Restaurer le BIOS; Pour restaurer le BIOS :; amovible sur l’un des ports USB de votre ordinateur.; Load Optimized
ASUS H87-PLUS 3-51 Chapit re 3 3.11.3 Utilitaire ASUS CrashFree BIOS 3 ASUS CrashFree BIOS 3 est un outil de récupération automatique qui permet de restaurer le BIOS lorsqu’il est défectueux ou corrompu suite à une mise à jour. Vous pouvez mettre à jour un BIOS corrompu en utilisant le DVD de suppor...
Page 102 - Démarrer le système en mode DOS; Utilitaire ASUS BIOS Updater; aussi de faire une copie de sauvegarde fichier BIOS actuel.; Avant de mettre à jour le BIOS; format FAT32/16 et disposant d’une seule partition.; Lorsque le menu; Make Disk; en pressant sur le chiffre lui étant attribué sur votre
3-52 Chapitre 3 : Le BIOS Chapit re 3 Démarrer le système en mode DOS 1. Insérez le périphérique de stockage USB contenant la dernière version du BIOS et l’utilitaire BIOS Updater sur l’un des ports USB de votre ordinateur. 2. Démarrez l’ordinateur. Lorsque le logo ASUS apparaît, appuyez sur <F8&...
Page 103 - Sélectionnez; Mise à jour du BIOS; Pour mettre à jour le BIOS avec BIOS Updater :; À l’invite de commande FreeDOS, entrez
ASUS H87-PLUS 3-53 Chapit re 3 4. Sélectionnez Yes (Oui) et appuyez sur <Entrée>. Une fois la mise à jour du BIOS terminée, appuyez sur <Échap> pour quitter BIOS Updater. Redémarrez votre ordinateur. N’éteignez pas ou ne réinitialisez pas le système lors de la mise à jour du BIOS pour év...
Page 104 - Lancer le DVD de support; l’exécution automatique est activée sur votre ordinateur.; Exécution automatique
ASUS H87-PLUS 4-1 4.1 Installer un système d’exploitation 4.2 Informations sur le DVD de support 4.2.1 Lancer le DVD de support Placez le DVD de support dans votre lecteur optique pour afficher le menu des pilotes si l’exécution automatique est activée sur votre ordinateur. • Cette carte mère est co...
Page 105 - Obtenir les manuels des logiciels; Utilities; ASUS Motherboard; des logiciels pour carte mère
4-2 Chapitre 4 : Logiciels Chapit re 4 4.2.2 Obtenir les manuels des logiciels Les manuels d’utilisation des logiciels sont inclus dans le DVD de support. Suivez les instructions ci-dessous pour localiser les manuels nécessaires. Les manuels sont au format PDF (Portable Document Format). Installez A...
Page 106 - Readme; Installer AI Suite 3; Pour installer AI Suite 3 sur votre ordinateur :; Utiliser AI Suite 3
ASUS H87-PLUS 4-3 Chapit re 4 4.3 Informations sur les logiciels La plupart des applications du DVD de support intègrent un assistant qui vous guidera lors de la procédure d’installation. Reportez-vous au fichier d’aide en ligne ou au fichier Readme (Lisezmoi) accompagnant le logiciel pour plus d’in...
Page 107 - Barre des menus d’AI Suite 3; Pour utiliser DIGI+ VRM, cliquez sur l’icône
4-4 Chapitre 4 : Logiciels Chapit re 4 Barre des menus d’AI Suite 3 • Les captures d’écran fournies dans ce manuel sont uniquement données à titre indicatif et peuvent varier en fonction du modèle de carte mère utilisé. • Consultez les guides des logiciels contenus dans le DVD de support ou disponib...
Page 108 - CPU Load-line Calibration
ASUS H87-PLUS 4-5 Chapit re 4 1 CPU Load-line Calibration (Calibrage de ligne de charge du processeur) Cette option permet d’ajuster le champ d’alimentation et de contrôler la température du système. Une ligne de charge élevée peut aider à obtenir des tensions plus élevées et améliorer les résultats...
Page 109 - située en haut de l’écran, puis cliquez sur l’option; de la barre des menus d’AI Suite 3.
4-6 Chapitre 4 : Logiciels Chapit re 4 4.3.3 EPU EPU est un outil de gestion de l’alimentation efficace permettant de régler certains paramètres du processeur, de la puce graphique dédiée et des ventilateurs de sorte à maximiser le potentiel d’économies d’énergie.Pour utiliser EPU, cliquez sur l’icô...
Page 110 - fonctionnalité; Auto Tuning; Pour utiliser TurboV EVO, cliquez sur l’icône; TurboV EVO; Utiliser TurboV EVO; Fréquence de processeur
ASUS H87-PLUS 4-7 Chapit re 4 4.3.4 TurboV EVO ASUS TurboV EVO permet de régler manuellement les fréquences de processeur, de mémoire cache de processeur et de coeur de processeur et leurs tension dédiées pour améliorer la stabilité et accroître les performnces du système. Est aussi disponible la fo...
Page 111 - Tensions
4-8 Chapitre 4 : Logiciels Chapit re 4 Tensions Faites glisser le curseur pour ajuster la tension du coeur de processeur Faites glisser le curseur pour ajuster la tension de la mémoire cache coeur de processeur Cliquez pour annuler les réglages Cliquez pour appliquer les réglages Cliquez pour charge...
Page 112 - Pour utiliser Fan Xpert 2, cliquez sur l’icône; Fan Xpert 2; Personnalisation des paramètres de ventilation; Mode de fonctionnement intelligent; ventilateur en fonction de la température du système.
ASUS H87-PLUS 4-9 Chapit re 4 4.3.5 Fan Xpert 2 FAN Xpert 2 détecte et ajuste automatiquement la vitesse des ventilateurs afin d’offrir des réglages de ventilation optimisés en fonction des spécifications et de la position de chaque ventilateur. Pour utiliser Fan Xpert 2, cliquez sur l’icône située ...
Page 113 - Mode RPM; température du processeur est inférieure à 75
4-10 Chapitre 4 : Logiciels Chapit re 4 Mode RPM Le mode RPM permet de définir la vitesse de rotation du ventilateur lorsque la température du processeur est inférieure à 75 o C. Vitesse de rotation du ventilateur Cliquez pour basculer d’un type de ventilateur à l’autre Écran précédent • Lorsque la ...
Page 114 - Ouvrez USB 3.0 Boost en; Configurer USB 3.0 Boost; Sélectionnez un périphérique USB.; UASP; . Pour rétablir le mode de
ASUS H87-PLUS 4-11 Chapit re 4 4.3.6 USB 3.0 Boost La fonction exclusive ASUS USB 3.0 Boost prend en charge le protocole UASP (USB Attached SCSI Protocol) permettant de booster le débit de vos périphériques USB. Lancer USB 3.0 Boost Ouvrez USB 3.0 Boost en cliquant sur > USB 3.0 Boost . Configure...
Page 115 - Écran EZ Start; Ouvrez Network iControl, en; Écran EZ Profile
4-12 Chapitre 4 : Logiciels Chapit re 4 4.3.7 Network iControl • Assurez-vous d’avoir installé tous les pilotes réseau avant d’utiliser cette fonction. • Network iControl n’est compatible qu’avec les ports réseau intégrés à la carte mère. Écran EZ Start ASUS Network iControl est un centre de gestion...
Page 116 - Lancer EZ Update; Ouvrez EZ Update en
ASUS H87-PLUS 4-13 Chapit re 4 4.3.8 EZ Update EZ Update est un utilitaire vous permettant de mettre à jour les logiciels, les pilotes et le BIOS en toute simplicité.Cet utilitaire permet aussi de modifier le logo apparaissant au démarrage de l’ordinateur. Lancer EZ Update Ouvrez EZ Update en cliqua...
Page 117 - Informations système; Ouvrir le menu d’informations du système; System Information; Informations sur la carte mère; MB; Informations sur le processeur; CPU
4-14 Chapitre 4 : Logiciels Chapit re 4 4.3.9 Informations système Cliquez sur l’élément System Information de la barre des menus d’AI Suite 3 pour afficher les informations relatives à la carte mère, au processeur et à la mémoire. Ouvrir le menu d’informations du système Cliquez sur > System Inf...
Page 119 - Configurations audio; intègre; Gestionnaire Audio HD Realtek
4-16 Chapitre 4 : Logiciels Chapit re 4 4.3.10 Configurations audio Le CODEC audio Realtek ® offre des capacités audio sur 8-canaux pour offrir des sensations audio ultimes sur votre PC. Le logiciel propose une fonction de détection des ports audio, le support de sortie S/PDIF et des possibilités d’...
Page 120 - ASUS Boot Setting; aussi de définir la vitesse de démarrage du système.; Utiliser le bouton DirectBIOS; Pour utiliser DirectBIOS :; À l’apparition du message de confirmation, cliquez sur; OK; pour redémarrer le système
ASUS H87-PLUS 4-17 Chapit re 4 4.3.11 ASUS Boot Setting L’utilitaire ASUS Boot Setting vous permet d’accéder rapidement à l’interface de configuration du BIOS par le biais d’une simple pression du bouton DirectBIOS de la carte mère. il permet aussi de définir la vitesse de démarrage du système. Pour...
Page 121 - Options avancées
4-18 Chapitre 4 : Logiciels Chapit re 4 Options avancées Le volet des options avancés vous permet de définir certaines préférences de démarrage du système.Les deux options suivantes sont disponibles : Fast Boot (Démarrage rapide) et Next boot after AC power loss (Mode de démarrage après perte de cou...
Page 122 - Cette carte mère prend en charge la solution RAID suivante :; Créer un disque du; Définitions RAID; RAID 0; fait une copie à l’identique des données d’un disque vers un; Configurations RAID
ASUS H87-PLUS 5-1 5 5.1 Configuration de volumes RAID Cette carte mère prend en charge la solution RAID suivante : • Intel ® Rapid Storage Technology : RAID 0, RAID 1, RAID 10 et RAID 5. Si vous souhaitez installer un système d’exploitation sur un disque dur faisant parti d’un volume RAID, vous deve...
Page 123 - Définir l’élément RAID dans le BIOS; Installer des disques durs Serial ATA (SATA)
5-2 Chapitre 5 : Configurations RAID Chapit re 5 5.1.3 Définir l’élément RAID dans le BIOS Vous devez définir l’élément RAID du BIOS avant de pouvoir créer un volume RAID avec des disques durs SATA. Pour ce faire : 1. Démarrez l’ordinateur et appuyez sur <Suppr> lors du POST pour accéder au BI...
Page 124 - Pour accéder à l’utilitaire; Allumez l’ordinateur.
ASUS H87-PLUS 5-3 Chapit re 5 5.1.4 Utilitaire Intel ® Rapid Storage Technology Option ROM Pour accéder à l’utilitaire Intel ® Rapid Storage Technology Option ROM : 1. Allumez l’ordinateur. 2. Au POST, appuyez sur <Ctrl+I> pour afficher le menu principal de l’utilitaire. Les touches de navigat...
Page 125 - Créer un volume RAID; Pour créer un volume RAID :
5-4 Chapitre 5 : Configurations RAID Chapit re 5 Créer un volume RAID Pour créer un volume RAID : 1. Dans le menu principal de l’utilitaire, sélectionnez 1. CREATE VOLUME , puis appuyez sur <Entrée>. L’écran suivant apparaît. 2. Spécifiez un nom pour le volume RAID puis appuyez sur <Entrée&...
Page 126 - Quand l’élément; Capacity; est surligné, saisissez la taille désirée du volume RAID,; est surligné. Le message; CREATE VOLUME
ASUS H87-PLUS 5-5 Chapit re 5 5. Utilisez les flèches haut-bas pour mettre un disque en surbrillance, puis appuyez sur <Espace> pour le sélectionner. Un petit triangle distinguera ce disque. Appuyez sur <Entrée> pour terminer votre sélection. 6. Utilisez les flèches haut/bas pour sélecti...
Page 127 - Chapitre 5 : Configurations RAID; Supprimer un volume RAID; Pour supprimer un volume RAID :; Delete RAID Volume; Quitter l’utilitaire; Pour quitter l’utilitaire :; À partir du menu principal de l’utilitaire, sélectionnez; DELETE VOLUME
5-6 Chapitre 5 : Configurations RAID Chapit re 5 Supprimer un volume RAID Vous ne pourrez pas restaurer les données après avoir supprimer un volume RAID. Assurez-vous d’avoir sauvegarder vos données importantes avant de supprimer un volume RAID. Pour supprimer un volume RAID : 1. À partir du menu pr...
Page 128 - Utiliser un lecteur de disquettes USB; Créer un disque du pilote RAID sans accéder à l’OS; Pour créer une disquette du pilote RAID sous Windows; pour
ASUS H87-PLUS 5-7 Chapit re 5 5.2 Créer un disque du pilote RAID Une disquette contenant le pilote RAID est nécessaire lors de l’installation de Windows ® sur un disque dur qui appartient à un volume RAID. • Cette carte mère n’intégrant pas de connecteur pour lecteur de disquettes , utilisez un lect...
Page 129 - Installer le pilote RAID lors de l’installation de Windows; Pour installer le pilote RAID sous Windows
5-8 Chapitre 5 : Configurations RAID Chapit re 5 5.2.3 Installer le pilote RAID lors de l’installation de Windows ® Pour installer le pilote RAID sous Windows ® 7 (ou version ultérieure) : 1. Lors de l’installation du système d’exploitation, cliquez sur L oad Driver (Charger le pilote) pour sélectio...
Page 130 - Déclaration de conformité d’Industrie Canada; un fonctionnement non souhaité de l’appareil.; Notices; Rapport de la Commission Fédérale des Communications; pouvant causer des résultats indésirables.
ASUS H87-PLUS A-1 Ap pendice Déclaration de conformité d’Industrie Canada Cet appareil numérique de la Classe B est conforme à la norme NMB-003 du Canada. Cet appareil numérique de la Classe B respecte toutes les exigences du Règlement sur le matériel brouilleur du Canada. Cet appareil est conforme ...
Page 131 - Avertissement de l’organisme KC (Corée du Sud); NE PAS mettre
A-2 Appendice Appendice Conformité aux directives de l’organisme VCCI (Japon)Déclaration de classe B VCCI Avertissement de l’organisme KC (Corée du Sud) Rapport du Département Canadien des Communications Cet appareil numérique ne dépasse pas les limites de classe B en terme d'émissions de nuisances ...