Page 3 - Keeping Business in Business; la réussite de vos affaires.; EMERSON NETWORK POWER
(12 2004) Cher / Chère Client / Cliente , Nous vous félicitons d’avoir choisi le système d’alimentation sans coupure (UPS) fabriqué par Liebert. Si ceci est votre premier UPS Liebert, nous vous souhaitons cordialement la bienvenue à une relation à vie de support après-vente conçu à maintenir de faço...
Page 4 - avant; l’équipement et l’annulation de la garantie.
Système d’UPS Liebert NXa Installation et Manuel d’utilisateur à module unique ou système dUPS '1+N’ Page IV (12/2004) Le présent manuel contient des informations relatives à l’installation et à l’opération du système d’alimentation sans coupure (UPS) Liebert NXa d’Emerson Network Power Toutes les p...
Page 5 - Ce manuel décrit l’équipement suivant :; Système Mono Module d’UPS
Installation et Manuel d’utilisateur Système d’UPS Liebert NXa à module unique ou système dUPS '1+N’ (12/2004) Page V Ce manuel décrit l’équipement suivant : Système Mono Module d’UPS Identification de modèle Valeurs nominales de l’UPS Liebert NXa : 10, 15, 20, 30, 40 kVA (avec batterie interne) 60,...
Page 6 - Page VI; Mesures de sécurité; CONFORMITE ET NORMES; l’utilisateur peut être amené à prendre; AVERTISSEMENT – Avis de Protection contre la rétro-alimentation; ISOLER LE SYSTEME D’ALIMENTATION SANS COUPURE
Système d’UPS Liebert NXa Installation et Manuel d’utilisateur à module unique ou système dUPS '1+N’ Page VI (12/2004) Mesures de sécurité CONFORMITE ET NORMES Cet équipement est conforme aux directives 73 / 23 & 93 / 68 (Sécurité LV) et 89 / 336 (EMC), et au Cadre EMC de l’Australie et de la No...
Page 7 - Guide aux instructions; risque d’électrocution”; Tension de batteries dépasse 400V dc
Installation et Manuel d’utilisateur Système d’UPS Liebert NXa à module unique ou système dUPS '1+N’ (12/2004) Page VII Guide aux instructions Le point d’exclamation signifie “reportez-vous au guide de l’utilisateur”. La flèche zig-zag indique qu’il y a “un risque d’électrocution” Suivez ces instruc...
Page 8 - Page VIII; Table of Contents; Installation d’UPS à module unique; Batterie externe; Installation de la batterie; Les points dont il faut tenir compte concernant
Système d’UPS Liebert NXa Installation et Manuel d’utilisateur à module unique ou système dUPS '1+N’ Page VIII (12/2004) Table of Contents 1 Installation d’UPS à module unique 1-1 1.1 Introduction ..........................................................................................................
Page 9 - UPS Multi-module Installation
Installation et Manuel d’utilisateur Système d’UPS Liebert NXa à module unique ou système dUPS '1+N’ (12/2004) Page IX 2.6 Boîte de disjoncteur de batterie ......................................................................................................................... 2-11 2.6.1 Tableau de ...
Page 10 - Page X; Procédures de Fonctionnement
Système d’UPS Liebert NXa Installation et Manuel d’utilisateur à module unique ou système dUPS '1+N’ Page X (12/2004) Une prise universelle de type Shuko pour circuit alternative monophasé de 2,5 CA assure une tension nominale de sortie de jusqu’à 2,5 CA de capacité de courant qui facilitera les opé...
Page 12 - Page; Partie I – Manuel d’installation; d’UPS à module unique; Contrôles préliminaires; tout de suite tout dommage au transporteur.; AVERTISSEMENT – Installation professionnelle exigée; Lorsque les batteries
Installation et Manuel d’utilisateur Système d’UPS Liebert NXa à module unique ou système dUPS '1+N’ (12/2004) Page 1-1 Partie I – Manuel d’installation 1 Installation d’UPS à module unique 1.1 Introduction Cette section détaille les exigences relatives à l’UPS qui doivent être prises en compte lors...
Page 13 - UPS; Spécification technique – UPS Environnemental).; Salle de batterie externe; Cela peut se faire en branchant
Système d’UPS Liebert NXa Installation et Manuel d’utilisateur à module unique ou système dUPS '1+N’ Page 1-2 (12/2004) 1.3 Emplacement 1.3.1 Salle UPS L’UPS et sa batterie interne ont été conçus pour l’installation intérieure et ils doivent être placés dans un environnement ayant de l’air propre et...
Page 14 - Armoires du bloc; placées dans l’armoire.; Déplacement des armoires; ) d’équipement de manutention; final; AVERTISSEMENT
Installation et Manuel d’utilisateur Système d’UPS Liebert NXa à module unique ou système dUPS '1+N’ (12/2004) Page 1-3 1.4.1 Armoires du bloc Un bloc d’UPS peut se composer de plusieurs armoires, selon les exigences de la conception – par exemple, l’armoire d’UPS et l’armoire de batterie externe. E...
Page 16 - Dispositifs de sécurité externes; Redresseur et entrée de dérivation; Surintensité; REMARQUE; ou; qui contrôle la bobine d’un contacteur situé à
Installation et Manuel d’utilisateur Système d’UPS Liebert NXa à module unique ou système dUPS '1+N’ (12/2004) Page 1-5 1.5 Dispositifs de sécurité externes Pour raisons de sécurité, il est nécessaire d’installer à l’extérieur de l’UPS, des dispositifs de sécurité coupe-circuit dans l’alimentation a...
Page 17 - Sortie d’UPS
Système d’UPS Liebert NXa Installation et Manuel d’utilisateur à module unique ou système dUPS '1+N’ Page 1-6 (12/2004) Les caractéristiques additionnelles et l’opération du disjoncteur automatique sont fournies au Chapitre 3. 1.5.3 Sortie d’UPS Tout tableau de distribution externe, s’il y en a, uti...
Page 18 - d’alimentation; COURANT NOMINAL : Amps; Boulon
Installation et Manuel d’utilisateur Système d’UPS Liebert NXa à module unique ou système dUPS '1+N’ (12/2004) Page 1-7 1.6 Câbles d’alimentation La conception du câble devrait conformer aux tensions et courants fournis dans cette section, suivre les pratiques locales de câblage et tenir compte des ...
Page 19 - Distance du plancher au point de raccordement sur l’équipement; distance minimale; Raccordement de câble; Important; Connections d’entrée typiques
Système d’UPS Liebert NXa Installation et Manuel d’utilisateur à module unique ou système dUPS '1+N’ Page 1-8 (12/2004) L’équipement de charge est connecté en général au tableau de distribution contenant des barres bus individuellement protégées au lieu d’être connecté directement à la sortie d’UPS....
Page 21 - Connexions de contrôle de batterie auxiliaire; Connectez les câbles auxiliaires venant du; tableau de commande du disjoncteur de batterie; à la; plaque à; l’alimentation; ) et isolés doublement
Système d’UPS Liebert NXa Installation et Manuel d’utilisateur à module unique ou système dUPS '1+N’ Page 1-10 (12/2004) de batterie aux bornes d’UPS, c’est-à-dire (+) à (+) / (-) à (-) mais déconnectez une ou plusieurs barrettes d’éléments de batterie dans chaque plateau. Ne reconnectez pas ces bar...
Page 22 - Câbles de contrôle et Communication
Installation et Manuel d’utilisateur Système d’UPS Liebert NXa à module unique ou système dUPS '1+N’ (12/2004) Page 1-11 1.7 Câbles de contrôle et Communication 1.7.1 Introduction Tous les câbles de contrôle, qu’ils soient blindés ou non, doivent être placés dans des tubes protecteurs métalliques ou...
Page 24 - Description; du statut
Installation et Manuel d’utilisateur Système d’UPS Liebert NXa à module unique ou système dUPS '1+N’ (12/2004) Page 1-13 1.7.2 Description de la borne de tableau de commande X1 : Sortie à contacts secs : Les bobines de relais auxiliaires opèrent par événement et les contacts correspondants ont une v...
Page 27 - Commutateur de verrouillage de la dérivation externe
Système d’UPS Liebert NXa Installation et Manuel d’utilisateur à module unique ou système dUPS '1+N’ Page 1-16 (12/2004) Ces ports sériels sont partagés avec Navigateur Web, SNMP, ModBus et relais-cartes en option. Référez-vous à 9.3.1 concernant la compatibilité de l’utilisation simultanée. Interfa...
Page 28 - Installation de la batterie
Chapitre 2 – Installation de la batterie Manuel d’installation UPS Liebert NXa Système d’UPS Liebert NXa à module unique ou système dUPS '1+N’ (12/2004) Page 2-1 2 Installation de la batterie 2.1 Introduction L’ensemble des batteries d’UPS se compose des blocs de batterie connectés en série afin de ...
Page 30 - Armoire de batterie; non pas
Chapitre 2 – Installation de la batterie Manuel d’installation UPS Liebert NXa Système d’UPS Liebert NXa à module unique ou système dUPS '1+N’ (12/2004) Page 2-3 2.3 Armoire de batterie 2.3.1 Introduction L’armoire de batterie est conçue pour renfermer une gamme des batteries de série standard pour ...
Page 31 - Construction de l’armoire; ) d’un équipement de transport; Entré de câble
Système d’UPS Liebert NXa Installation et Manuel d’utilisateur à module unique ou système dUPS '1+N’ Page 2-4 (12/2004) Caractéristiques du disjoncteur Pour les modèles de10 à 40kVA équipés d’une batterie interne ainsi que pour tous les modèles équipés d’un kit de Mise en marche de batterie, l’UPS e...
Page 32 - d’implantation
Chapitre 2 – Installation de la batterie Manuel d’installation UPS Liebert NXa Système d’UPS Liebert NXa à module unique ou système dUPS '1+N’ (12/2004) Page 2-5 2.3.8 Schéma d’implantation Référez-vous aux schémas 2-1 à 2-4 pour le plan d’implantation des modèles d’armoire Etroite et Large.
Page 37 - Câbles d’alimentation de batterie; Principes de connexion
Système d’UPS Liebert NXa Installation et Manuel d’utilisateur à module unique ou système dUPS '1+N’ Page 2-10 (12/2004) 2.4 Câbles d’alimentation de batterie 2.4.1 Principes de connexion Les indications suivantes, in conjonction avec des schémas, décrivent les principes généraux à suivre pour l’emp...
Page 38 - Contrôle de batterie; UPS avec contacteur de batterie interne; Boîte de disjoncteur de batterie
Chapitre 2 – Installation de la batterie Manuel d’installation UPS Liebert NXa Système d’UPS Liebert NXa à module unique ou système dUPS '1+N’ (12/2004) Page 2-11 2.5 Contrôle de batterie Le disjoncteur de batterie est contrôlé par le tableau contrôleur du disjoncteur de batterie, et ce situé à l’in...
Page 39 - Par le haut et
Système d’UPS Liebert NXa Installation et Manuel d’utilisateur à module unique ou système dUPS '1+N’ Page 2-12 (12/2004) Le câble de signal de commande est connecté au tableau contrôleur de disjoncteur via le tableau de borne. Le blindage du câble doit être mis à la terre afin de prévenir du bruit i...
Page 40 - LEGENDE
Chapitre 2 – Installation de la batterie Manuel d’installation UPS Liebert NXa Système d’UPS Liebert NXa à module unique ou système dUPS '1+N’ (12/2004) Page 2-13 Schéma 2-6 Boîte de disjoncteur de batterie LEGENDE Connexions de batterie (+ / -) Connexions venant de l’UPS (+ / -) Tableau contrôleur ...
Page 41 - Schéma 2-7 Connexion du disjoncteur de la batterie; Battery Control label description (X102)
Système d’UPS Liebert NXa Installation et Manuel d’utilisateur à module unique ou système dUPS '1+N’ Page 2-14 (12/2004) Schéma 2-7 Connexion du disjoncteur de la batterie Battery Control label description (X102) Etiquette de référence BCBB X-102 Etiquette de référence du tableau de commande Descrip...
Page 42 - Tableau de température de batterie (facultatif); Mise en garde; Sonde de température
Chapitre 2 – Installation de la batterie Manuel d’installation UPS Liebert NXa Système d’UPS Liebert NXa à module unique ou système dUPS '1+N’ (12/2004) Page 2-15 2.6.1 Tableau de température de batterie (facultatif) Le kit de sonde de température de batterie en option, fourni séparément du disjonct...
Page 44 - UPS Multi-module Installation; Mise Hors Service d’Urgence ( bouton EPO ); Avertissement : Déclenchement des disjoncteurs externes; Le bouton; EPO
Chapitre 2 – Installation de la batterie Manuel d’installation UPS Liebert NXa Système d’UPS Liebert NXa à module unique ou système dUPS '1+N’ (12/2004) Page 3-1 3 UPS Multi-module Installation 3.1 General 3.2 Mise Hors Service d’Urgence ( bouton EPO ) L’opération du bouton EPO local désactive le re...
Page 45 - Modules UPS en parallèle; Installation de l’armoire
Système d’UPS Liebert NXa Installation et Manuel d’utilisateur à module unique ou système dUPS '1+N’ Page 3-2 (12/2004) 3.4 Modules UPS en parallèle La procédure d’installation de base d’un système en parallèle comprenant deux ou plusieurs modules UPS est la même que celle d’un système avec un modul...
Page 46 - Dispositifs de protection externes; Référez- vous aux instructions présentées dans le Chapitre 1
Chapitre 2 – Installation de la batterie Manuel d’installation UPS Liebert NXa Système d’UPS Liebert NXa à module unique ou système dUPS '1+N’ (12/2004) Page 3-3 Schéma. 3-1 Schéma fonctionnel du système '1+N' avec batteries séparées et un panneau de distribution Sortie / de Dérivation facultatif . ...
Page 47 - Installation d’un module unique.; Fils de commande; Contrôle Inter-module; Modules UPS en Réserve Sous Tension; comprend deux modules UPS interconnectés en série ayant la
Système d’UPS Liebert NXa Installation et Manuel d’utilisateur à module unique ou système dUPS '1+N’ Page 3-4 (12/2004) 3.4.3 Câbles d’alimentation La procédure d’installation des câbles d’alimentation sera la même que pour l’installation d’un système avec un module unique. Les sources d’entrée du c...
Page 49 - Système à BUS double; de
Système d’UPS Liebert NXa Installation et Manuel d’utilisateur à module unique ou système dUPS '1+N’ Page 3-6 (12/2004) 3.6 Système à BUS double 3.6.1 Installation de l’armoire Placez les modules UPS côte à côte et interconnectez- les comme indiqué ci dessous. Un synchoriseur à BUS double (DBS) est ...
Page 51 - Armoire externe pour la dérivation de maintenance (en option); Armoire; Etroit; Verrouillage avec un module UPS; Armoire de dérivation de maintenance externe
Chapitre 4 – Armoire externe pour la dérivation de maintenance (en option) Manuel d’installation UPS Liebert NXa Système d’UPS Liebert NXa à module unique ou système dUPS '1+N’ (12/2004) Page 4-1 4 Armoire externe pour la dérivation de maintenance (en option) 4.1 Généralités L’armoire de dérivation ...
Page 52 - La; Dérivation de Maintenance Externe X3-1&2; sur le tableau de commande en parallèle de l’UPS M3 (Laissez; Option d’entrée de câble par le haut; Les; Option transformateur d’isolation
Système d’UPS Liebert NXa Installation et Manuel d’utilisateur à module unique ou système dUPS '1+N’ Page 4-2 (12/2004) La Dérivation de Maintenance Externe X3-1&2 sur le tableau de commande en parallèle de l’UPS M3 (Laissez ouvert si aucun commutateur de dérivation externe n’est utilisé) assure...
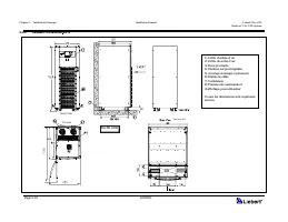
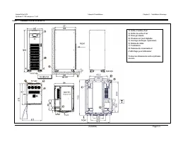
Page 54 - Vue de face avec portes ouvertes
Chapter 5 – ‘Installation Drawings Installation Manual Liebert NXa UPS Single or '1+N' UPS System Page 5-6 12/2004) Vue de face avec portes ouvertes 1) Commutateur de sortie (Q5) 2) Commutateur de dérivation de maintenance (Q3) 3) Commutateur d’entrée de dérivation (Q2) 4) Commutateur d’entrée d’ali...
Page 55 - Schéma d’ensemble de la borne de câble; Pour les opérations de dérivation double il
Liebert NXa UPS Manuel d’ Installation Chapter 5 – ‘Installation Drawings Système d’ UPS unique ou '1+N' (12/2004) Page 5-7 Schéma d’ensemble de la borne de câble 1) Connexions d’alimentation (Redresseur) (N1-U1-V1-W1) 2) Connexions de dérivation (N1-U3-V3-W3) 3) Connexions de sortie (N2-U2-V2-W2) 4...
Page 56 - Emplacement de la carte logique en parallèle (M3) et les options
Chapter 5 – ‘Installation Drawings Installation Manual Liebert NXa UPS Single or '1+N' UPS System Page 5-8 12/2004) Emplacement de la carte logique en parallèle (M3) et les options 1) Carte logique en parallèle 2 & 2a) Batterie pour détecteur de défaut de mise à la terre (en option) 3) Interface...
Page 57 - Schéma d’ensemble Batterie; ) vers la batterie interne contactor
Liebert NXa UPS Manuel d’ Installation Chapter 5 – ‘Installation Drawings Système d’ UPS unique ou '1+N' (12/2004) Page 5-9 Schéma d’ensemble Batterie + + + + + + + + + + + + + 1) Fusibles de batterie interne (+/-) 2) Connexions de batteries (+/-) 3) Entrée de câble 4) Fusibles du redresseur 5) Cont...
Page 61 - Module de 100-120 kVA – Plan d’implantation; Front view; Vue de face
Liebert NXa UPS Manuel d’ utilisateurs Chapitre 5– Procédures de Fonctionnement Système UPS unique ou '1+N' (12/2004) Page 5-13 5.2.3 Module de 100-120 kVA – Plan d’implantation Front view Side view 1) Air inlet qrille 2) Air outlet qrille3) Castors4) Adjustable fixing feet5) Seismic anchors (option...
Page 62 - Vue de face avec portes ouvertes 100-120 kVA UPS
Chapitre 5– Procédures de Fonctionnement Manuel d’ utilisateurs Liebert NXa UPS Système UPS unique ou '1+N' Page 5-14 (12/2004) 1) Input switch (Q1) 2) Bypass switch (Q2) 3) Maintenance bypass switch (Q3) 4) Output switch (Q5) 5) Monitor board U2 5 1 2 3 4 Vue de face avec portes ouvertes 100-120 kV...
Page 63 - Emplacement de la carte logique en parallèle 100-120 kVA UPS; Parallel cable
Liebert NXa UPS Manuel d’ utilisateurs Chapitre 5– Procédures de Fonctionnement Système UPS unique ou '1+N' (12/2004) Page 5-15 Emplacement de la carte logique en parallèle 100-120 kVA UPS Parallel cable Câble en parallèle
Page 66 - Dérivation de Maintenance Externe – largeur de 800mm (en option)
Chapitre 5– Procédures de Fonctionnement Manuel d’ utilisateurs Liebert NXa UPS Système UPS unique ou '1+N' Page 5-18 (12/2004) 5.2.5 Dérivation de Maintenance Externe – largeur de 800mm (en option) 1. Q2 – Sectionneur d’UPS I/P 2. Q3 – Sectionneur de dérivation de maintenance 3. Q4 – Sectionneur d’...
Page 67 - Deuxième Partie – Manuel d’utilisateur; et / ou de batterie situées derrière les recouvrements.; Système d’alimentation sans interruption à module unique
Liebert NXa UPS Manuel d’ utilisateurs Chapitre 6– Procédures de Fonctionnement Système UPS unique ou '1+N' (12/2004) Page 6-1 Deuxième Partie – Manuel d’utilisateur 6 Description Générale du Système AVERTISSEMENT – Il y a des tensions dangereuses du réseau de distribution et / ou de batterie située...
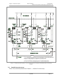
Page 68 - Entrée de la dérivation double; « Dérivation Double »; Commutateur de transfert statique; UPS MODULE; Sectionneur de derivation pour maintenance
Chapitre 6– Procédures de Fonctionnement User Manual Liebert NXa UPS Système UPS unique ou '1+N' Page 6-2 (12/2004) Fig. 6-1 Schéma synoptique d’une unité unique avec entrée de dérivation double Note : La batterie et le disjoncteur du circuit de la batterie sont externes aux modules UPS à tension no...
Page 69 - Compensation de température des batteries; L’UPS est équipé de deux tableaux; Système d’alimentation sans interruption (1+N) à plusieurs modules
Liebert NXa UPS Manuel d’ utilisateurs Chapitre 6– Procédures de Fonctionnement Système UPS unique ou '1+N' (12/2004) Page 6-3 d’émission de sous-tension est remplacée par un contacteur de batterie qui se trouve à l’intérieur l’UPS monté soit avec les batteries internes, soit avec l’option de démarr...
Page 70 - Fig. 6-2 Système d’alimentation sans coupure 1+N à plusieurs modules
Chapitre 6– Procédures de Fonctionnement User Manual Liebert NXa UPS Système UPS unique ou '1+N' Page 6-4 (12/2004) Fig. 6-2 Système d’alimentation sans coupure 1+N à plusieurs modules avec commutateur de dérivation de maintenance externe De plus, on peut configurer les systèmes à module unique ou l...
Page 71 - Spécifications pour la mise en parallèle des modules UPS :; les spécifications suivantes doivent être respectées; Modes de fonctionnement; Fonctionnement Normal
Liebert NXa UPS Manuel d’ utilisateurs Chapitre 6– Procédures de Fonctionnement Système UPS unique ou '1+N' (12/2004) Page 6-5 6.2.2 Spécifications pour la mise en parallèle des modules UPS : Un groupe de modules mis en parallèle agit comme un grand UPS unique avec l’avantage d’une haute fiabilité. ...
Page 72 - Mode ECO (uniquement pour des modules UPS uniques); Gestion de la Batterie (à régler pendant la mise en service); Le courant; C. Charge flottante ou charge d’entretien
Chapitre 6– Procédures de Fonctionnement User Manual Liebert NXa UPS Système UPS unique ou '1+N' Page 6-6 (12/2004) Note : Pour les systèmes en parallèle où la charge dépasse la capacité d’un module, le commutateur de maintenance interne est désactivé de manière à éviter un surchargement non convent...
Page 73 - D. Compensation de température de la charge flottante (en option); Alarme de pré-avertissement Batterie Sous-Tension
Liebert NXa UPS Manuel d’ utilisateurs Chapitre 6– Procédures de Fonctionnement Système UPS unique ou '1+N' (12/2004) Page 6-7 D. Compensation de température de la charge flottante (en option) Selon le type de batterie à utiliser, un coéfficient de compensation de température peut être nécessaire. E...
Page 74 - Avertissement Défaut Contacteur de Batterie
Chapitre 6– Procédures de Fonctionnement User Manual Liebert NXa UPS Système UPS unique ou '1+N' Page 6-8 (12/2004) Avertissement Défaut Contacteur de Batterie Si le moniteur du contacteur de batterie affiche un statut différent de celui signalé par le lecteur, cet avertissement va se produire. Disp...
Page 75 - Procédures de Fonctionnement; AVERTISSEMENT – Il y a des tensions dangereuses venant du réseau; de devant fermée à clé,
Liebert NXa UPS Manuel d’ utilisateurs Chapitre 7– Procédures de Fonctionnement Système UPS unique ou '1+N' (12/2004) Page 7-1 7 Procédures de Fonctionnement AVERTISSEMENT – Il y a des tensions dangereuses venant du réseau de distribution et / ou des batteries situées derrière les recouvrements. Il ...
Page 76 - Pour les systèmes à modules multiples
Chapitre 7– Procédures de Fonctionnement User Manual Liebert NXa UPS Système UPS unique ou '1+N' Page 7-2 (12/2004) 7.2 Procédure de Mise en Marche Initiale (Mode de Fonctionnement Normal) Cette procédure est à suivre lorsqu’on met en marche le système d’alimentation sans coupure à partir d’une posi...
Page 77 - L’UPS est maintenant en fonctionnement NORMAL.
Liebert NXa UPS Manuel d’ utilisateurs Chapitre 7– Procédures de Fonctionnement Système UPS unique ou '1+N' (12/2004) Page 7-3 8. Vérifiez qu’il n’y a pas de message « avertissement » affiché dans le quadrant droit supérieur du moniteur LCD et que le statut des indicateurs sont : # DEL Panneau à sch...
Page 78 - L’UPS est maintenant en fonctionnement ECOMODE.; Procédures pour le Mode Vérification de Pile
Chapitre 7– Procédures de Fonctionnement User Manual Liebert NXa UPS Système UPS unique ou '1+N' Page 7-4 (12/2004) 7.3 Procédure de Mise en Marche (Mode ECO) Cette procédure s’applique uniquement au système d’alimentation sans interruption à module unique et si le système est programmé par l’ingéni...
Page 79 - Avertissement – Risque d’interruption d’alimentation à la charge; Fermez
Liebert NXa UPS Manuel d’ utilisateurs Chapitre 7– Procédures de Fonctionnement Système UPS unique ou '1+N' (12/2004) Page 7-5 1. Sélectionnez la fenêtre « Commande » sur le panneau frontal de l’UPS Servez vous des touches de direction vers la droite ou vers la gauche afin de naviguer la fenêtre « C...
Page 80 - sur
Chapitre 7– Procédures de Fonctionnement User Manual Liebert NXa UPS Système UPS unique ou '1+N' Page 7-6 (12/2004) 7. Appuyez sur la touche EPO (Arrêt d’urgence d’alimentation) qui se trouve sur le panneau frontal de l’UPS de ce module uniquement . Cela va désactiver les opérations de redresseur, d...
Page 81 - Choix de Langue; pour sélectionner le Jeu de Format de Date.; Mot de Passe de Commande
Liebert NXa UPS Manuel d’ utilisateurs Chapitre 7– Procédures de Fonctionnement Système UPS unique ou '1+N' (12/2004) Page 7-7 7.7 Choix de Langue Si besoin en est, choisissez la langue appropriée en suivant la procédure suivante : 1) De la fenêtre d’invite de commande, choisissez LANGUE en appuyant...
Page 82 - Cette page a été laissée vierge intentionnellement.
Chapitre 7– Procédures de Fonctionnement User Manual Liebert NXa UPS Système UPS unique ou '1+N' Page 7-8 (12/2004) Cette page a été laissée vierge intentionnellement.
Page 83 - Panneau de Commande d'Opérateur et Affichage
Liebert NXa UPS Manuel d’ utilisateurs Chapitre 8– Panneau de Commande d'Opérateur et Affichage Système UPS unique ou '1+N' (12/2004) Page 8-1 8 Panneau de Commande d'Opérateur et Affichage 8.1 Introduction Le panneau de commande d'opérateur et l'affichage se trouvent sur la porte avant de l'UPS. Ce...
Page 84 - Key; ESC; la fenêtre de registre courant de données (4)
Chapitre 8– Panneau de Commande d'Opérateur et Affichage Manuel d’ utilisateurs Liebert NXa UPS Système UPS unique ou '1+N' Page 8-2 (12/2004) 3 Indicateur de dérivation Vert Charge sur puissance de dérivation Rouge Dérivation non disponible, en dehors de la plage normale ou défaut de l'interrupteur...
Page 85 - Liebert NXa
Liebert NXa UPS Manuel d’ utilisateurs Chapitre 8– Panneau de Commande d'Opérateur et Affichage Système UPS unique ou '1+N' (12/2004) Page 8-3 Description Détaillée d'Articles de Menu Le numérotage de la description qui suit renvoit à la fenêtre d’écran à cristaux liquides graphique figurant sur le ...
Page 86 - Menu et Fenêtre de Données; Dérivation
Chapitre 8– Panneau de Commande d'Opérateur et Affichage Manuel d’ utilisateurs Liebert NXa UPS Système UPS unique ou '1+N' Page 8-4 (12/2004) , Menu et Fenêtre de Données Utilisez les touches de direction horizontale pour naviguer entre n’importe quelles fenêtres de menu et de données au choix. NO....
Page 87 - Les formats ANNEE MOIS JOUR, JOUR MOIS ANNEE; Paramètres
Liebert NXa UPS Manuel d’ utilisateurs Chapitre 8– Panneau de Commande d'Opérateur et Affichage Système UPS unique ou '1+N' (12/2004) Page 8-5 Capacité de Batterie ou Temps restant (Min.) Le pourcentage de la vie de la batterie lorqu’elle est compare à une batterie neuve. ( mise à jour suivant un co...
Page 88 - Commandes
Chapitre 8– Panneau de Commande d'Opérateur et Affichage Manuel d’ utilisateurs Liebert NXa UPS Système UPS unique ou '1+N' Page 8-6 (12/2004) Vitesse de transmission Comm1 ( tableau de contrôle rs232-1) ( Intellislot Supérieur) Vitesse de transmission Comm2 ( Tableau de contrôle rs232-2) ( Intellis...
Page 89 - Version; Fenêtre de « registre courant »; Liste de Messages affichés sur le panneau frontal de l’UPS; ID
Liebert NXa UPS Manuel d’ utilisateurs Chapitre 8– Panneau de Commande d'Opérateur et Affichage Système UPS unique ou '1+N' (12/2004) Page 8-7 Contrôle du système (ou Auto-diagnostique ) Ceci est l'auto-contrôle de l'UPS L’utilisateur active cette fonction. Après 5 secondes, un mode fenêtre apparaît...
Page 94 - Prompt
Chapitre 8– Panneau de Commande d'Opérateur et Affichage Manuel d’ utilisateurs Liebert NXa UPS Système UPS unique ou '1+N' Page 8-12 (12/2004) 8.3 Fenêtres d'Invite (Pop-up) La fenêtre d'invite de commande est affichée pendant l'opération du sytème pour donner l'alerte à l'utilisateur à certaines c...
Page 95 - Economiseur d'écran par défaut; HELP INFORMATION
Liebert NXa UPS Manuel d’ utilisateurs Chapitre 8– Panneau de Commande d'Opérateur et Affichage Système UPS unique ou '1+N' (12/2004) Page 8-13 8.4 Schéma dynamique des consommations et ressources et écran d'aide d'UPS Cet écran affiche un schéma synoptique de l'UPS qui comprend les consommations et...
Page 96 - Options; Protection redondante de la rétro-alimentation; Borne NOM
Liebert NXa UPS Manuel d’ utilisateurs Chapitre 9- Options ( pour montage à l'intérieur de l'armoire d'UPS ) Système UPS unique ou '1+N' (12/2004) Page 9-1 9 Options ( pour montage à l'intérieur de l'armoire d'UPS ) Plusieurs articles d'équipement optionnel sont disponibles pour la connection à l'UP...
Page 97 - Battery
Chapitre 8– Panneau de Commande d'Opérateur et Affichage Manuel d’ utilisateurs Liebert NXa UPS Système UPS unique ou '1+N' Page 9-2 (12/2004) 9.1.3 Ventilateur Redondant pour le Module de Puissance En plus des ventilateurs contrôlés qui sont installés dans l'armoire d'UPS pour assurer une puissance...
Page 99 - Communication et surveillance; Emplacement; ( Dispositif préféré dans cet emplacement ); Serial Multilink; logiciel; Service access; (pas de réglage du port requis)
Chapitre 8– Panneau de Commande d'Opérateur et Affichage Manuel d’ utilisateurs Liebert NXa UPS Système UPS unique ou '1+N' Page 9-4 (12/2004) 9.3 Communication et surveillance En plus des relais libres de tension normaux pour l'utilisation générale et des ports en série pour l'utilisation avec surv...
Page 100 - OC carte Web - Carte Interface de Réseau SNMP/HTTP
Liebert NXa UPS Manuel d’ utilisateurs Chapitre 9- Options ( pour montage à l'intérieur de l'armoire d'UPS ) Système UPS unique ou '1+N' (12/2004) Page 9-5 OC carte Web - Carte Interface de Réseau SNMP/HTTP Cette carte interface de réseau fournit toutes les données en temps réel et les informations ...
Page 101 - Carte; Carte de relai
Chapitre 8– Panneau de Commande d'Opérateur et Affichage Manuel d’ utilisateurs Liebert NXa UPS Système UPS unique ou '1+N' Page 9-6 (12/2004) Carte OC 485 – Modbus, Jbus, IGM Net La Carte OpenComms 485 facilite le Web SiteScan ou le surveillance des Systèmes de Gestion de Construction. Le port RS23...
Page 102 - ENLEVER
Liebert NXa UPS Manuel d’ utilisateurs Chapitre 9- Options ( pour montage à l'intérieur de l'armoire d'UPS ) Système UPS unique ou '1+N' (12/2004) Page 9-7 # Connection Description JP01 Broche 9 à Broche 17 Permet tous les COMMUNS de relai à être tous attachés. JP02 Broche 7 à Broche 17 ENLEVER - ( ...
Page 103 - 0 Spécification Technique; Conformité et Normes
Liebert NXa UPS Manuel d’ utilisateurs Chapitre 10– Sp é cifications Techniques Système UPS unique ou '1+N' (12/2004) Page 10-1 10 Spécification Technique 10.1 Conformité et Normes L'UPS a été élaboré pour conformer aux normes européennes et internationales suivantes : Description Référence normativ...
Page 104 - Environnement de l'UPS
Chapitre 10– Sp é cifications Techniques Manuel d’ utilisateurs Liebert NXa UPS Système UPS unique ou '1+N' Page 10-2 (12/2004) 10.2 Environnement de l'UPS (Température, Altitude, Bruit Audible) CARACTERISTIQUES ENVIRONNEMENTALES Puissance nominale kVA 10 15 20 30 40 60 80 100 120 Niveau de bruit ac...
Page 105 - Caractéristiques Méchaniques d'UPS; CARACTERISTIQUES MECHANIQUES; Caractéristiques Electrique d'UPS; PUissance nominale
Liebert NXa UPS Manuel d’ utilisateurs Chapitre 10– Sp é cifications Techniques Système UPS unique ou '1+N' (12/2004) Page 10-3 10.3 Caractéristiques Méchaniques d'UPS CARACTERISTIQUES MECHANIQUES Puissance Nominale kVA 10 15 20 30 40 60 80 100 120 Hauteur mm 1600 1800 Largeur mm 600 700 Profondeur ...
Page 106 - batterie qui a été préalablement chargée.
Chapitre 10– Sp é cifications Techniques Manuel d’ utilisateurs Liebert NXa UPS Système UPS unique ou '1+N' Page 10-4 (12/2004) = A 305V de secteur d'entrée l'UPS maintient la tension de sortie spécifiée à charge nominale sans décharger une batterie qui a été préalablement chargée. = EN 50091-3 : à ...
Page 107 - Puissance nominale
Liebert NXa UPS Manuel d’ utilisateurs Chapitre 10– Sp é cifications Techniques Système UPS unique ou '1+N' (12/2004) Page 10-5 (Batterie) CIRCUIT CC INTERMEDIAIRE (BATTERIE) Puissance nominale kVA 10 15 20 30 40 60 80 100 120 Tension de bus de batterie V (dc) Nominal: 480V (VRLA Charge d'entretien ...
Page 109 - ENTREE DE DERIVATION; Tension CA nominale; Fréquence; 80 ou 415V au choix de l'ingénieur chargé de la mise en place.
Liebert NXa UPS Manuel d’ utilisateurs Chapitre 10– Sp é cifications Techniques Système UPS unique ou '1+N' (12/2004) Page 10-7 (Entrée de Secteur de Dérivation) ENTREE DE DERIVATION Puissance nominale kVA 10 15 20 30 40 60 80 100 120 Tension CA nominale V (ac) 380/400/415 V trois-phase quatre-fil, ...